АКИП-4134/1А Осциллограф

Осциллограф АКИП-4134/1А

  • Полоса пропускания: До 350 МГц
  • Частота дискретизации на канал: 2,5 ГГц
  • Количество каналов: 2
  • Разрядность АЦП по вертикали составляет 8 бит
  • Разрядность до 11 бит в режиме увеличенного разрешения ERes
  • Усовершенствованная технология SPO
Телефон: 8 800 222-51-73

Осциллограф АКИП-4134 с полосой пропускания 350 МГц. Максимальная частота дискретизации составляет 5 ГГц, Разрядность АЦП по вертикали составляет 8 бит (до 11 бит в режиме увеличенного разрешения ERes). В осциллографе реализована усовершенствованная технология SPO (Super Phosphor Oscilloscope). Использование усовершенствованной технологии SPO позволило увеличить скорость обновления до 110.000 осциллограмм в секунду в обычном режиме сбора данных и до 500.000 в режиме сегментированной развертки. Кроме этого, технология SPO имеет 256 уровней интенсивности свечения луча, что обеспечивает при отображении сигнала яркостную или цветовую градацию частоты разверток в зависимости от частоты их повторения, что позволяет обнаружить редкие события, аномалии и вариации в сигнале (модуляция яркости). Как результат - максимально достоверное отображение сигнала на экране. Емкостный сенсорный экран с поддержкой технологии Multi-touch, разрешение экрана составляет 1024 x 600 (8х10 делений) с диагональю 25,7 см.

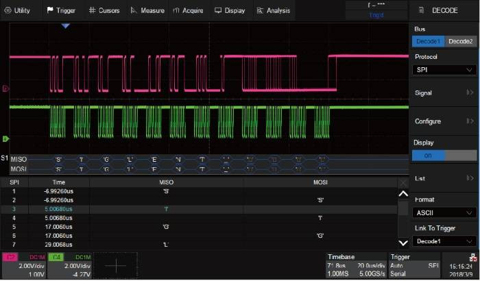
В базовой версии имеется возможность декодирования протоколов I2C, SPI, UART/RS232, CAN, LIN.

Осциллограф серии АКИП-4134 - это новый этап эволюции осциллографов бюджетного ценового сегмента.

Особенности

  • Количество каналов 2 и 4
  • Полоса пропускания 350 МГц, 500 МГц, 1 ГГц
  • Частота дискретизации: 2,5 ГГц на канал (5 ГГц при объединении)
  • Объем памяти на канал 125 МБ (250 МБ – при объединении)
  • Режимы сбора данных: выборка, пиковый детектор (400 пс), усреднение (4 /…/ 512), ERES (режим увеличенного разрешения АЦП)
  • 256 уровней интенсивности свечения луча (яркостная или цветовая градация частоты разверток в зависимости от частоты их повторения)
  • Интерполяция: Sin X/х, линейная
  • 38 видов автоматических измерений параметров, курсорные измерения
  • Скорость обновления экрана: 110.000 осц./с (до 500.000 осц./с в режиме сегментированной развертки)
  • Режим сегментированной памяти: до 100.000 сегментов, минимальное межсегментное время (≤ 2 мкс)
  • Режим HISTORY – запись и обратное воспроизведение осциллограмм (прокрутка во времени назад) для обнаружения предыдущих аномалий
  • Режим «Поисковая машина/ Search» для поиска событий по условиям заданным пользователем
  • Функция автоустановки параметров развертки, запуска
  • Функции математики: сложение, вычитание, умножение, деление, дифференцирование (d/dt), интегрирование (∫dt) , извлечение кв. корня (√)
  • Частотный анализ (БПФ), 1 млн. точек.
  • Режимы растяжки окна, самописец и XY
  • Декодирование сигналов: стандартно - I2C, SPI, UART/RS232, CAN, LIN; опция - I2S, MIL-1553, FlexRay.
  • Анализ смешанных сигналов: 16 кан. логический анализатор (опция)
  • Функциональный генератор до 25 МГц cо стандартными формами сигналов и формированием сигнала произвольной формы (опция)
  • Интерфейсы: USB TMC (host/device), LAN
  • Большой емкостный сенсорный экран с поддержкой Multi-touch, диагональ 25,65 см, разрешение 1024 x 600

Технические характеристики

Тип осциллографа Цифровой
Число каналов 4
Полоса пропускания 350 МГц
Максимальная частота дискретизации 5 ГГц
Максимальный объем памяти 250 МБ
АЦП (бит) 8
Сопротивление входа 50 Ом, 1 МОм
Логические каналы 16 (опция)
Особенности Высокая скорость обновления экрана до 500.000 осц./сек. Режим сегментированной памяти. Режим HISTORY. Интерполяция - Sin X/х, линейная. Автоматические (до 38-и параметров) и курсорные измерения. Математические функции, БФП. Режим «Поисковая машина/ Search» для поиска событий по условиям заданным пользователем. Cинхронизация и декодирование сигналов, стандартно, I2C, SPI, UART/RS232, CAN, LIN, опционально, I2S, MIL-1553, FlexRay. Опция - логический анализатор 16 каналов. Опция - функциональный генератор до 25 МГц.
Интерфейс USB, LAN
Дисплей TFT емкостный сенсорный, диагональ 25,65 см, разрешение 1024х600
Масса (кг) 4,0

Комплект поставки

  1. Осциллограф АКИП-4134/1А (1 шт.)
  2. Шнур питания (1 шт.)
  3. Делитель (4 шт.)
  4. Кабель USB (1 шт.)
  5. CD с ПО (1 шт.)
АКИП-4134/1А: Техническое описание Скачать