Сигнализатор уровня емкостной РИЗУР-100
- Подходит для жидких и сыпучих сред, включая электропроводные и неэлектропроводные
- Не чувствителен к пене, взвесям и вибрациям
- Диапазон рабочих температур от –60 до +125 °C
- Возможность контроля до 8 уровней с одним прибором
- Выпускается в жестком, тросовом и коаксиальном исполнениях
- Степень защиты корпуса IP65, IP67 или IP68
Емкостные сигнализаторы уровня серии РИЗУР-100 предназначены для сигнализации наличия или отсутствия жидкостей или сыпучих сред, контроля уровня электропроводных и неэлектропроводных жидкостей, сыпучих сред (порошкообразные, гранулированные и др.), а также контроля уровня раздела сред, например, вода – углеводороды.
Сигнализаторы применяются в нефтеперерабатывающей, пищевой, химической, металлургической, целлюлозно-бумажной, фармацевтической и других отраслях промышленности, где необходим эффективный контроль, регулирование и координация технологических процессов. Датчик-реле уровня серии РИЗУР-100 положительно зарекомендовал себя как надежный прибор, на работу которого не влияет наличие таких неблагоприятных факторов, как пена и твердые взвеси, а также значительные вибрации.
Приборы РИЗУР-100 эксплуатируются в умеренном и холодном климате (диапазоны оптимального температурного режима от – 40 до + 60 С°, от - 40 до +75 °С), являются вибропрочными и виброустойчивыми, стойкость к механическим воздействиям соответствует исполнению группы N3 по ГОСТ 12997-84. Корпус защищен от проникновения воды и пыли — степень защиты IP65, IP67 или IP68 (по согласованию с производителем).

Устройство и принцип работы
Принцип действия сигнализаторов уровня серии РИЗУР-100 основан на измерении полного электрического сопротивления (импеданса) измеряемой среды, находящейся между чувствительным элементом сигнализатора и заземленной стенкой резервуара. Данный принцип позволяет измерять как активную (резистивное сопротивление), так и реактивную (емкостное сопротивление) составляющие. При касании измеряемой средой точки чувствительного элемента, расположенной в соответствии с заказом потребителя, происходит увеличение его электрической емкости. Превышение которой настраиваемого пользователем порога приводит к срабатыванию сигнализатора.
РИЗУР-100 выпускается в моноблочном исполнении, где ЧЭ (первичный преобразователь) конструктивно совмещен с электронным блоком (вторичным преобразователем). Корпус и крышка, изготовлены из алюминиевого сплава методом литья (по специальному заказу корпус может быть выполнен из нержавеющей стали). На корпусе расположен винт заземления, винт фиксации крышки, маркировочная табличка, два отверстия для кабельных вводов. В крышке расположена светопропускающая часть для наблюдения за индикацией сигнализатора. В корпусе размещен электронный блок с клеммами для подключения кабеля. Ввод цепей питания и сигнализации возможен через один или два кабельных ввода.
В электронном блоке сигнализатора находится светодиодный индикатор, отображающий состояние контролируемой среды и исправность сигнализатора. В зависимости от условий технологического процесса и характеристик контролируемой среды чувствительный элемент РИЗУР-100 может быть стержневым, тросовым или коаксиальным, из нержавеющей стали или с покрытием ПТФЭ.
Габаритные размеры

Технические характеристики
| Материал корпуса | алюминий / нержавеющая сталь |
| Длина чувствительного элемента (ЧЭ), мм | до 3000 (более 3000 - гибкий) |
| Материал ЧЭ, контактирующий с рабочей средой | нержавеющая сталь12Х18Н10Т, AISI321 / PEEK / фторопласт ф-4 |
| Количество точек контроля | 1….8 |
| Тип присоединения к процессу | резьбовое / фланцевое / под приварку |
| Выходной сигнал | «сухой контакт» / «токовая петля» 4..20mA / 8..16 mA / 7..14 mA (двухпроводное подключение) |
| Напряжение питания, В | 24 |
| Потребляемый ток, мА | не более 30 |
| Параметры выходного реле | |
| Коммутируемое напряжение, В | 250 |
| Коммутируемый ток, А | 1 |
| Коммутируемая мощность, Вт | 30 |
| Сопротивление изоляции, МОм | не менее 20 |
| Электропрочность изоляции, В | не менее 1500 |
| Маркировка взрывозащиты | 0Ex ia IIC T5 Ga X 0Ex ia IIC Т6 Ga X 1Ex ib IIC Т5 Gb X 1Ex ib IIC Т6 Gb X 1Ex db [ia Ga] IIC Т5 Gb X 1Ex db [ia Ga] IIC T6 Gb X без средств взрывозащиты |
| Климатические параметры | |
| Степень защиты по ГОСТ 14254 | IP65, IP67, IP68 (по специальному заказу) |
| Климатическое исполнение | УХЛ 1 |
| Температура окружающей среды при эксплуатации, °С | -40…+60 / -60…+75 (с термочехлом) |
| Средняя наработка на отказ, час | не менее 10000 |
| Масса, кг | не более 5 |
| Ориентация прибора при монтаже | произвольная |
| Параметры рабочей среды | |
| Плотность, кг/м3 | не нормируется |
| Давление, МПа | До 1/ 1,6 / 2,5 / 4,0 |
| Температура, °С | -60…+125 |
Чертежи

Электрические схемы подключения
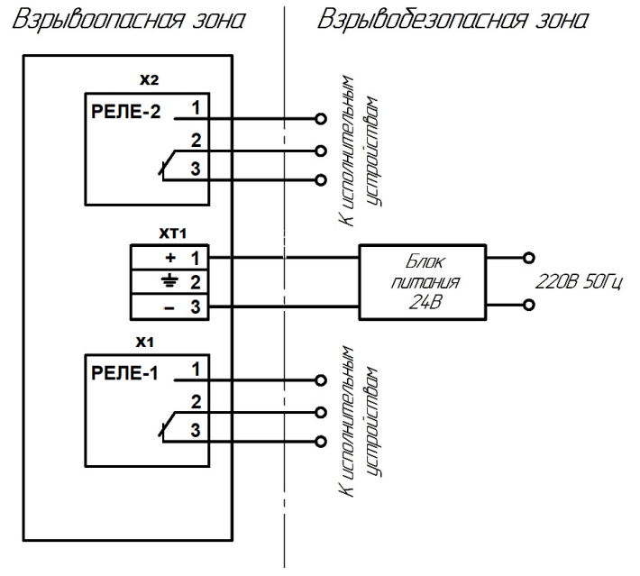
Сухой контакт, 1 или 2 точки срабатывания
(без барьера искрозащиты, взрывозащита 1Ex db IIC T6 …T5 Gb X)
Клемма ХT1 подключение питания.
Клемма Х1 сигнализация первой точки контроля
Клемма Х2 сигнализация второй точки контроля или сигнализация неисправности.

Сухой контакт, 1 или 2 точки срабатывания
(с барьером искрозащиты, взрывозащита 0Ex ia IIC T6 …T5 Gа X)

Сигнализатор уровня емкостной РИЗУР-100 Конфигуратор
| Сертификат Электромагнитной совместимости ТР ТС 020 2011 на приборы контроля уровня.pdf | Скачать |
| Сертификат Приборы измерения и контроля расхода и уровня ТР ТС 012.pdf | Скачать |
| Сертификат сейсмостойкость Приборы измерения и контроля уровня.pdf | Скачать |
| Сертификат -SIL2- Приборы измерения и контроля уровня и расхода.pdf | Скачать |
| Сертификат соответствия по программе «Сделано в России».pdf | Скачать |
| Руководство по эксплуатации РИЗУР-100.pdf | Скачать |
| Код заказа РИЗУР-100.pdf | Скачать |
| Описание РИЗУР-100.pdf | Скачать |