Терморегулятор РИЗУР-ЦСУ
- Цифровая система управления с микроконтроллером и программным обеспечением
- Высокая точность поддержания температуры с шагом 1 °С
- Возможность управления нагревателями мощностью до 5000 Вт
- Взрывозащищенное исполнение для работы в опасных зонах
- Поддержка различных типов датчиков температуры (цифровые РИЗУР-ДТ и аналоговые РТ 100)
- Релейные выходы и аналоговый выход 4-20 мА для сигнализации и контроля
- Корпус с функцией соединительной коробки и защитой IP67
- Длительный срок службы — не менее 15 лет эксплуатации
Терморегулятор РИЗУР-ТБ-ЦСУ построен на базе цифровой системы управления. Модуль управления состоит из микроконтроллера, работа которого управляется программным обеспечением, и выносного цифрового датчика температуры воздушной среды РИЗУР-ДТ или РТ 100 (погружная версия может применяться для контроля температуры жидких сред).
Программно-аппаратное решение обеспечивает поддержание заданной температуры в обогреваемом пространстве с точностью до 1 °С. Температурная уставка программируется на заводе-изготовителе на основе данных опросного листа/кода заказа.
Для сигнализации повышения/понижения температуры выше/ниже заданных предельных температурных уставок терморегулятор РИЗУР-ТБ-ЦСУ оснащен дополнительными релейными выходами, а также, в зависимости от исполнения, аналоговым выходным сигналом 4-20мА. Корпус терморегулятора также выполняет функцию соединительной коробки, то есть внутри корпуса расположен клеммный блок, а на корпусе размещены взрывозащищенные кабельные вводы для подключения обогревателя, силового кабеля и датчиков температуры.
Терморегулятор РИЗУР-ТБ-ЦСУ разрабатывался специально для управления нагревательными элементами большой мощности (до 5 кВт) в том числе и саморегулирующимися греющими кабелями. Терморегулятор выдерживает холодные пусковые нагрузки превышающие номинальную мощность в 10 раз.
Обращаем внимание, что данный терморегулятор необходимо устанавливать не менее 10 см от обогревателей. Ребра радиатора должны быть ориентированы вертикально.
Исполнения
Стандартно выпускается в трех исполнениях с индикацией и без индикации.

РИЗУР-ТБ-ЦСУ-1
РИЗУР-ТБ-ЦСУ-3
РИЗУР-ТБ-ЦСУ-4
РИЗУР-ТБ-ЦСУ-4 — данное исполнение оснащено одним или двумя цифровыми датчиками температуры РИЗУР-ДТ, ОДНИМ релейным выходным сигналом и одним аналоговых выходным сигналом 4-20мА. Терморегулятор РИЗУР-ТБ-ЦСУ-4 способен измерять и контролировать температуру в диапазоне ОТ -50 °С ДО +110 °С. Релейный выходной сигнал предназначен сигнализации аварийного состояния, связанного с падением температуры ниже заданной уставки. Аналоговый выходной сигнал 4-20мА предназначен для передачи текущего значения температуры.
Цветовая индикация
Для ЦСУ-1:
| Цвет индикатора | Обозначение | Устранение неисправностей |
| Штатный режим работы. Идет нагрев. | ------------------------ | |
| Штатный режим работы. Заданная температура достигнута. | ------------------------ | |
| Температура среды выше установленного диапазона. Нагрев отключен. | Дождаться охлаждения среды. | |
| Однократное мигание - ошибка датчика температуры среды. | Заменить датчик температуры. | |
| Двукратное мигание - ошибка датчика температуры радиатора. | Заменить датчик температуры. | |
| Трехкратное мигание - перегрев ЦСУ. | Дождаться охлаждения прибора. |
Для ЦСУ-3, 4:
| Цвет индикатора | Обозначение | Устранение неисправностей |
| Обрыв цепи нагревательного элемента. | Проверить наличие нагревательного элемента и убедиться в целостности проводки. | |
| Штатный режим работы. Идет нагрев. | ------------------------ | |
| Штатный режим работы. Заданная температура достигнута. | ------------------------ | |
| Гарантийный срок эксплуатации истек, но устройство полностью работоспособно / режим плавного запуска. | ------------------------ | |
| Режим программирования. | ------------------------ | |
| Ошибка датчика температуры радиатора. | Заменить датчик температуры. | |
| Ошибка датчика температуры среды. | Заменить датчик температуры. | |
| Трехкратное мигание - перегрев ЦСУ. | Дождаться охлаждения прибора. |
Область применения
- Контроль температуры в обогреваемом пространстве: термошкафы, термочехлы, помещения
- Сигнализация аварийного понижения/повышения температуры в контролируемом объеме/среде
- Управление нагревателями большой мощности
- Управление системами злектрообогрева трубопроводов, емкостей, резервуаров на базе саморегулирующегося или резистивного греющих кабелей.

Технические характеристики
| Модель | Ризур-ТБ-ЦСУ | |
| Зона установки | Общепромышленные объекты Взрывоопасные зоны В-1а и В-1г по ПУЭ гл. 7.3 |
|
| Маркировка взрывозащиты |
|
|
| Регулировка температуры | Цифровая система управления | |
| Мощность подключаемого нагревательного элемента | до 5000 Вт | |
| Напряжение питания | 230 ( ± 10 %) В | |
| Поддерживаемая температура на поверхности обогревателя | -50°С … +110°С, шаг 1°С(для цифровых датчиков РИЗУР-ДТ) -60°С … +400°С, шаг 1°С(для аналоговых датчиков РИЗУР-ДТ (PT100)) |
|
| Измерение температуры в заданном диапазоне | Аналоговый сигнал 4-20 мА | |
| Поддерживаемая температура в боксе | -40°С … +50°С, шаг 1°С | |
| Степень защиты обогревателя | IP67 | |
| Сигнализация достижения предельных уставок температуры | Релейный, «сухой» контакт, 1А | |
| Гарантийный срок эксплуатации | 24 месяца | |
| средний срок эксплуатации | Не менее 15 лет |
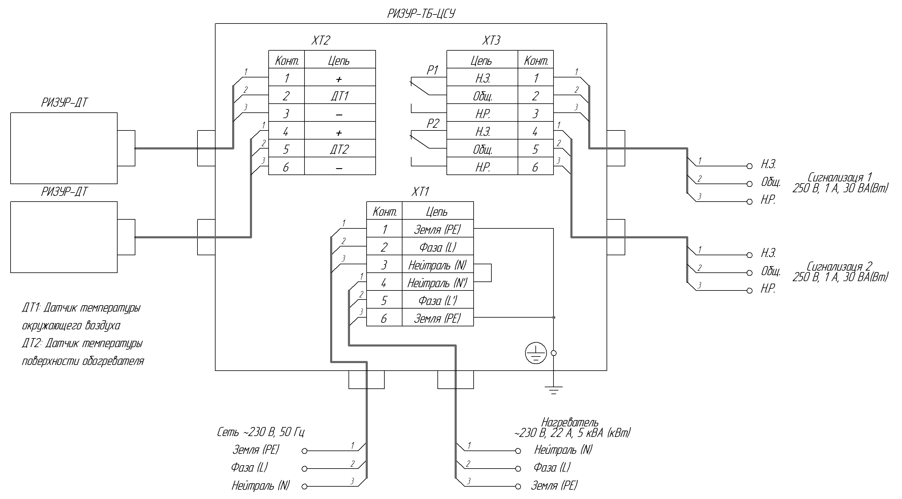
Схема подключения

Терморегулятор РИЗУР-ЦСУ Конфигуратор
| Сертификат по сейсмостойкости на терморегуляторы и обогреватели.pdf | Скачать |
| Сертификат взрывозащиты.pdf | Скачать |
| Код заказа РИЗУР-ТБ-ЦСУ.pdf | Скачать |
| Руководство по эксплуатации РИЗУР-ТБ-ЦСУ-3 .pdf | Скачать |
| Руководство по эксплуатации РИЗУР-ТБ-ЦСУ-4 .pdf | Скачать |
| Руководство по эксплуатации РИЗУР-ТБ-ЦСУ-1 .pdf | Скачать |
| Сертификат электромагнитной совместимости ТР ТС 020 на терморегуляторы.pdf | Скачать |
| Описание РИЗУР-ТБ-ЦСУ.pdf | Скачать |
| Каталог ВЗРЫВОЗАЩИЩЕННЫЕ НАГРЕВАТЕЛЬНЫЕ СИСТЕМЫ РИЗУР.pdf | Скачать |