Коробка соединительная для греющего кабеля РИЗУР-КС-ГК-2
- Взрывозащищённое исполнение согласно ГОСТ и международным стандартам
- Высокая степень защиты от влаги и пыли — IP65-IP68
- Работа в широком диапазоне температур от -60°C до +85°C
- Корпус устойчив к агрессивным химическим средам и коррозии
- Универсальная конструкция с возможностью индивидуальной комплектации
- Надёжное крепление кабельных вводов с защитой от попадания влаги и пыли
- Возможность работы в любых пространственных положениях
- Подходит для взрывоопасных зон во многих отраслях промышленности
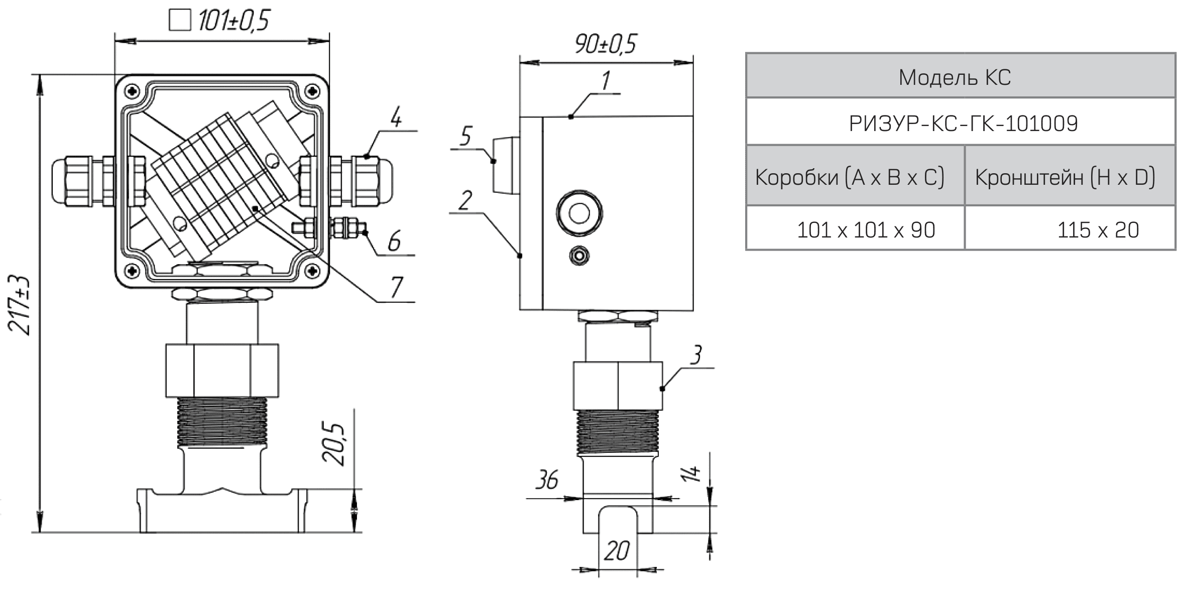
Коробки коммутационные РИЗУР-КС-ГК предназначены для соединения и разветвления греющих кабелей плоского сечения в цепях переменного и постоянного тока электроустановок. Коробки относятся к электрооборудованию группы II по ГОСТ Р МЭК 60079-0-2011 и предназначены для применения во взрывоопасных зонах помещений и наружных установок в соответствии с маркировкой взрывозащиты 1ExeIIBT5Gb и в соответствии с ГОСТ IEC 60079-10- 1-2011. Коробки могут эксплуатироваться при температуре окружающей среды от минус 60°С до плюс 85°С, и относительной влажности воздуха 93% при температуре 40°С.
Описание
Конструкция
Коробки соединительные РИЗУР-КС имеют корпуса и крышки, изготовленные из материалов, устойчивых к негативному воздействию окружающей среды и различных химических веществ, в том числе к парам соляной кислоты и сероводорода. Система уплотнений РИЗУР-КС имеет форму лабиринта и обеспечивает степень защиты от внешних воздействий не ниже IP66. Внутри коробок располагаются взрывозащищённые пружинные/винтовые клеммные колодки (клеммники), с видами взрывозащиты «е» или «ia» (в зависимости от исполнения). На стенках коробок устанавливаются кабельные вводы для различных видов кабеля, которые надёжно фиксируют кабель и препятствуют попаданию внутрь пыли и влаги. Количество кабельных вводов, клемм, их размеры и расположение могут быть любыми по согласованию с заказчиком.

Область применения
Коробки соединительные РИЗУР-КС устанавливаются во взрывоопасных зонах помещений и наружных установок в соответствии с указанными маркировками, отраслевыми правилами безопасности и рекомендациями изготовителя. Материал изготовления и специальные покрытия позволяют использовать РИЗУР-КС во влажных и запыленных помещениях, в условиях повышенной агрессивности окружающей среды, на морских объектах и судах.
Отрасли применения
- добыча и транспортировка нефти,
- добыча и транспортировка газа,
- нефтеперерабатывающие заводы НПЗ,
- химические заводы,
- черная (ЧМ) и цветная металлургия (ЦМ),
- целлюлозно-бумажная промышленность,
- пищевая промышленность,
- обогатительные фабрики,
- энергетика (ТЭЦ, ГЭС, ГРЭС, котельное хозяйство),
- морской и речной транспорт,
- утилизация отходов,
- канализация,
- водоснабжение,
Технические характеристики
| Маркировка взрывозащиты | 1Ех eb IIС Т6 Gb/Ex tb IIIC Т80 °С Db
или 1Ех eb IIС Т5 Gb/Ex tb IIIC Т95 °С Db или 1Ех eb IIС Т4 Gb/Ex tb IIIC Т130 °С Db или 1Ex db IIC Т6 Gb/Ex tb IIIC Т80 °С Db или 1Ех db IIС Т5 Gb/Ex tb IIIC Т95 °С Db или 1Ех db IIС Т4 Gb/Ex tb IIIC Т130 °С Db или 1Ex db IIВ Т6 Gb/Ex tb IIIC Т80 °С Db или 1Ех db IIВ Т5 Gb/Ex tb IIIC Т95 °С Db или 1Ех db IIВ Т4 Gb/Ex tb IIIC Т130 °С Db или 0Ex ia IIC T6 Ga X, 1Ex ib IIC T6 Gb X, 2Ex ic IIC T6 Gc X |
| Степень защиты от внешних воздействий, IP | IP65 или IP66 или IP67 или IP68 |
| Номинальное напряжение, В | 380 В (по согласованию возможно иное) |
| Номинальный ток, А (на одну группу клеммников) | 24 А (по согласованию возможно иное) |
| Рабочее положение в пространстве | любое |
| Температура окружающей среды, °С | -60….+60 -65 ….+85 (по специальному заказу) |
| Размещение кабельных вводов | по спецификации заказчика (возможна поставка только корпуса без кабельных вводов и клеммников) |
| Размеры корпуса | в зависимости от типа коробки и количества кабельных вводов и клеммников |