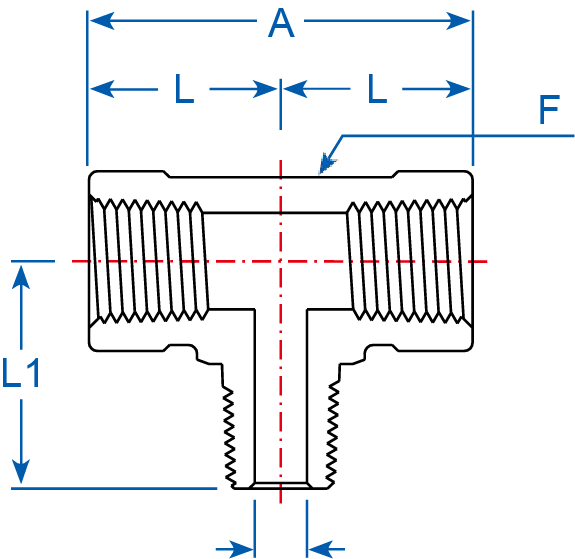
Тройник с внутренней резьбой и центральным отводом с внешней резьбой RizurLok-Pf-Pm-Pf
- Комбинация внутренней и наружной резьбы
- Удобное подключение к приборам с разными резьбами
- Стандарт NPT для надежного соединения
- Компактный и прочный корпус
- Подходит для монтажа в ограниченном пространстве
- Высокая герметичность соединения
- Поддержка широкого диапазона размеров
- Возможность изготовления по индивидуальному заказу
Тройник с отводом RizurLok-Pf-Pm-Pf - фитинг с внутренней и наружной резьбой, предназначенный для присоединения элементов трубопровода к приборам и оборудованию с разными типами резьбы.
ТУ 28.99.39-001-12189681-2018
Если среди готовых типоразмеров вы не нашли необходимого размера, пожалуйста, свяжитесь с нами: производственные ресурсы компании РИЗУР позволяют изготовить трубные фитинги любого необходимого размера.
Тройник проходной с внутренней резьбой NPT и центральным отводом с внешней резьбой NPT
| RizurLok-T-1/8NPT(Pf)-1/8NPT(Pm)-1/8NPT(Pf) | NPT 1/8" | NPT 1/8" | NPT 1/8" |
| RizurLok-T-1/4NPT(Pf)-1/4NPT(Pm)-1/4NPT(Pf) | NPT 1/4" | NPT 1/4" | NPT 1/4" |
| RizurLok-T-3/8NPT(Pf)-3/8NPT(Pm)-3/8NPT(Pf) | NPT 3/8" | NPT 3/8" | NPT 3/8" |
| RizurLok-T-1/2NPT(Pf)-1/2NPT(Pm)-1/2NPT(Pf) | NPT 1/2" | NPT 1/2" | NPT 1/2" |
| RizurLok-T-3/4NPT(Pf)-3/4NPT(Pm)-3/4NPT(Pf) | NPT 3/4" | NPT 3/4" | NPT 3/4" |
| RizurLok-T-1NPT(Pf)-1NPT(Pm)-1NPT(Pf) | NPT 1" | NPT 1" | NPT 1" |
Чертежи

Фитинг RizurLok Конфигуратор
| Декларация TR-TS-032-Элементы трубопроводов.pdf | Скачать |