RizurLok-T-O-O-Pm Тройник обжимной с боковым отводом с наружной резьбой

Тройник обжимной с боковым отводом с наружной резьбой RizurLok-T-O-O-Pm

  • Обжимное соединение обеспечивает герметичность и надежность
  • Боковой отвод с наружной резьбой для удобного подключения
  • Совместим с метрическими и дюймовыми трубами
  • Поддержка конической резьбы NPT и BSPT
  • Позволяет подключать вспомогательные ветви и оборудование
  • Соответствие стандартам ТУ 28.99.39-001-12189681-2018
  • Широкий выбор типоразмеров для различных задач
  • Возможность изготовления нестандартных размеров по заказу
Телефон: 8 800 200-85-20

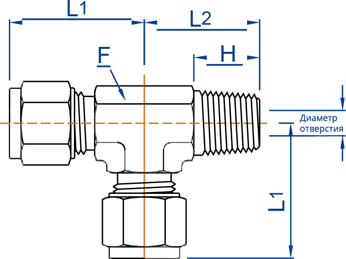
Тройник с боковым отводом и наружной резьбой RizurLok-T-O-O-Pm - обжимной фитинг с переходом на наружную резьбу, предназначенный для присоединения вспомогательных веток к основному трубопроводу, а также подключения к приборам и оборудованию.

ТУ 28.99.39-001-12189681-2018

Если среди готовых типоразмеров вы не нашли необходимого размера, пожалуйста, свяжитесь с нами: производственные ресурсы компании РИЗУР позволяют изготовить трубные фитинги любого необходимого размера.

Тройник: дюймовые трубки - резьба коническая NPT (наружная)

RizurLok-T-1/8"(О)-1/8"(О)-1/8"NPT(Pm) 1/8" 1/8" NPT 1/8"
RizurLok-T-1/8"(О)-1/8"(О)-1/4"NPT(Pm) 1/8" 1/8" NPT 1/4"
RizurLok-T-3/16"(О)-3/16"(О)-1/8"NPT(Pm) 3/16" 3/16" NPT 1/8"
RizurLok-T-1/4"(О)-1/4"(О)-1/8"NPT(Pm) 1/4" 1/4" NPT 1/8"
RizurLok-T-1/4"(О)-1/4"(О)-1/4"NPT(Pm) 1/4" 1/4" NPT 1/4"
RizurLok-T-5/16"(О)-5/16"(О)-1/8"NPT(Pm) 5/16" 5/16" NPT 1/8"
RizurLok-T-5/16"(О)-5/16"(О)-1/4"NPT(Pm) 5/16" 5/16" NPT 1/4"
RizurLok-T-3/8"(О)-3/8"(О)-1/4"NPT(Pm) 3/8" 3/8" NPT 1/4"
RizurLok-T-3/8"(О)-3/8"(О)-3/8"NPT(Pm) 3/8" 3/8" NPT 3/8"
RizurLok-T-1/2"(О)-1/2"(О)-3/8"NPT(Pm) 1/2" 1/2" NPT 3/8"
RizurLok-T-1/2"(О)-1/2"(О)-1/2"NPT(Pm) 1/2" 1/2" NPT 1/2"
RizurLok-T-5/8"(О)-5/8"(О)-1/2"NPT(Pm) 5/8" 5/8" NPT 1/2"
RizurLok-T-3/4"(О)-3/4"(О)-3/4"NPT(Pm) 3/4" 3/4" NPT 3/4"

Тройник: дюймовые трубки - резьба коническая BSPT (наружная)

RizurLok-T-1/8"(О)-1/8"(О)-1/8"RT(Pm) 1/8" 1/8" RT 1/8"
RizurLok-T-1/8"(О)-1/8"(О)-1/4"RT(Pm) 1/8" 1/8" RT 1/4"
RizurLok-T-3/16"(О)-3/16"(О)-1/8"RT(Pm) 3/16" 3/16" RT 1/8"
RizurLok-T-1/4"(О)-1/4"(О)-1/8"RT(Pm) 1/4" 1/4" RT 1/8"
RizurLok-T-1/4"(О)-1/4"(О)-1/4"RT(Pm) 1/4" 1/4" RT 1/4"
RizurLok-T-5/16"(О)-5/16"(О)-1/8"RT(Pm) 5/16" 5/16" RT 1/8"
RizurLok-T-3/8"(О)-3/8"(О)-1/4"RT(Pm) 3/8" 3/8" RT 1/4"
RizurLok-T-3/8"(О)-3/8"(О)-3/8"RT(Pm) 3/8" 3/8" RT 3/8"
RizurLok-T-1/2"(О)-1/2"(О)-3/8"RT(Pm) 1/2" 1/2" RT 3/8"
RizurLok-T-1/2"(О)-1/2"(О)-1/2"RT(Pm) 1/2" 1/2" RT 1/2"
RizurLok-T-5/8"(О)-5/8"(О)-1/2"RT(Pm) 5/8" 5/8" RT 1/2"
RizurLok-T-3/4"(О)-3/4"(О)-3/4"RT(Pm) 3/4" 3/4" RT 3/4"

Тройник: метрические трубки - резьба коническая NPT (наружная)

RizurLok-T-3(О)-3(О)-1/8"NPT(Pm) 3 3 NPT 1/8"
RizurLok-T-3(О)-3(О)-1/4"NPT(Pm) 3 3 NPT 1/4"
RizurLok-T-4(О)-4(О)-1/8"NPT(Pm) 4 4 NPT 1/8"
RizurLok-T-6(О)-6(О)-1/8"NPT(Pm) 6 6 NPT 1/8"
RizurLok-T-6(О)-6(О)-1/4"NPT(Pm) 6 6 NPT 1/4"
RizurLok-T-8(О)-8(О)-1/8"NPT(Pm) 8 8 NPT 1/8"
RizurLok-T-8(О)-8(О)-1/4"NPT(Pm) 8 8 NPT 1/4"
RizurLok-T-10(О)-10(О)-1/4"NPT(Pm) 10 10 NPT 1/4"
RizurLok-T-10(О)-10(О)-3/8"NPT(Pm) 10 10 NPT 3/8"
RizurLok-T-10(О)-10(О)-1/2"NPT(Pm) 10 10 NPT 1/2"
RizurLok-T-12(О)-12(О)-1/4"NPT(Pm) 12 12 NPT 1/4"
RizurLok-T-12(О)-12(О)-3/8"NPT(Pm) 12 12 NPT 3/8"
RizurLok-T-12(О)-12(О)-1/2"NPT(Pm) 12 12 NPT 1/2"
RizurLok-T-16(О)-16(О)-3/8"NPT(Pm) 16 16 NPT 3/8"
RizurLok-T-16(О)-16(О)-1/2"NPT(Pm) 16 16 NPT 1/2"
RizurLok-T-20(О)-20(О)-3/4"NPT(Pm) 20 20 NPT 3/4"

Тройник: метрические трубки - резьба коническая BSPT (наружная)

RizurLok-T-3(О)-3(О)-1/8"RT(Pm) 3 3 RT 1/8"
RizurLok-T-3(О)-3(О)-1/4"RT(Pm) 3 3 RT 1/4"
RizurLok-T-4(О)-4(О)-1/8"RT(Pm) 4 4 RT 1/8"
RizurLok-T-6(О)-6(О)-1/8"RT(Pm) 6 6 RT 1/8"
RizurLok-T-6(О)-6(О)-1/4"RT(Pm) 6 6 RT 1/4"
RizurLok-T-8(О)-8(О)-1/8"RT(Pm) 8 8 RT 1/8"
RizurLok-T-8(О)-8(О)-1/4"RT(Pm) 8 8 RT 1/4"
RizurLok-T-10(О)-10(О)-1/4"RT(Pm) 10 10 RT 1/4"
RizurLok-T-10(О)-10(О)-3/8"RT(Pm) 10 10 RT 3/8"
RizurLok-T-12(О)-12(О)-1/4"RT(Pm) 12 12 RT 1/4"
RizurLok-T-12(О)-12(О)-3/8"RT(Pm) 12 12 RT 3/8"
RizurLok-T-12(О)-12(О)-1/2"RT(Pm) 12 12 RT 1/2"
RizurLok-T-16(О)-16(О)-3/8"RT(Pm) 16 16 RT 3/8"
RizurLok-T-16(О)-16(О)-1/2"RT(Pm) 16 16 RT 1/2"
RizurLok-T-20(О)-20(О)-3/4"RT(Pm) 20 20 RT 3/4"

Чертежи

shema_mail_run_teerus.png

Фитинг RizurLok Конфигуратор

Декларация TR-TS-032-Элементы трубопроводов.pdf Скачать