Фитинг угловой переходной с наружной и внутренней резьбой RizurLok-UP-Pm-Pf
- Поворот на 90° для удобства монтажа
- Соединение труб разного диаметра
- Сочетание наружной и внутренней резьбы
- Совместимость с резьбой стандарта NPT
- Широкий выбор типоразмеров
- Возможность изготовления под заказ
- Обеспечивает герметичное соединение
- Высокое качество и надежность фитинга
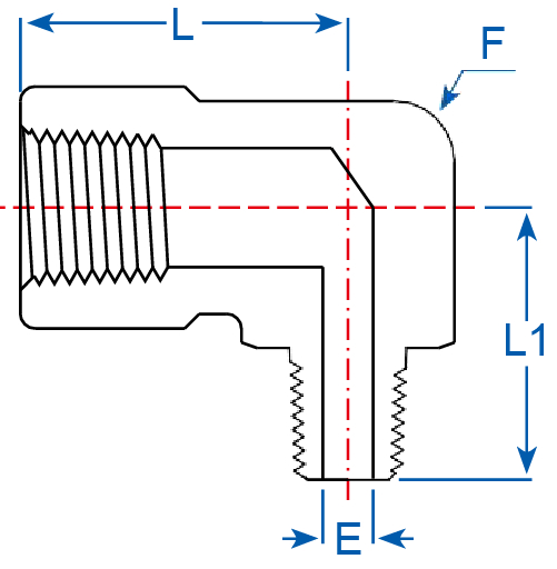
Уголок переходной с наружной и внутренней резьбой RizurLok-UP-PmPf - резьбовой фитинг с углом поворота 90°, предназначенный для соединения отрезков трубопровода разного диаметра и с разными типами резьбы.
Если среди готовых типоразмеров вы не нашли необходимого размера, пожалуйста, свяжитесь с нами: производственные ресурсы компании РИЗУР позволяют изготовить трубные фитинги любого необходимого размера.
| Маркировка фитинга | Наружная резьба | Внутренняя резьба |
| RizurLok-U-1/4NPT(Pm)-1/8NPT(Pf) | NPT 1/4'' | NPT 1/8" |
| RizurLok-U-3/8NPT(Pm)-1/4NPT(Pf) | NPT 3/8'' | NPT 1/4" |
| RizurLok-U-1/2NPT(Pm)-1/4NPT(Pf) | NPT 1/2" | NPT 1/4" |
| RizurLok-U-1/2NPT(Pm)-3/8NPT(Pf) | NPT 1/2" | NPT 3/8" |
| RizurLok-U-3/4NPT(Pm)-1/2NPT(Pf) | NPT 3/4" | NPT 1/2" |
| RizurLok-U-1NPT(Pm)-1/2NPT(Pf) | NPT 1" | NPT 1/2" |
| RizurLok-U-1NPT(Pm)-3/4NPT(Pf) | NPT 1" | NPT 3/4" |
Чертежи

Фитинг RizurLok Конфигуратор
| Декларация TR-TS-032-Элементы трубопроводов.pdf | Скачать |