Узлы учета нефтепродуктов ZCE 5
| Номер в ГРСИ РФ: | 14369-10 |
|---|---|
| Категория: | Узлы учета нефтепродуктов |
| Производитель / заявитель: | Фирма "Satam", Франция |
|
14369-10: Описание типа
2024-14369-10.pdf
|
Скачать | 93.7 КБ |
Для измерений объема (количества) нефтепродуктов с вязкостью до 50 сСт (в том числе бензина, дизельного топлива, керосина, топочного мазута) при учетно-расчетных и технологических операциях. Область применения - нефтебазы, нефтеперерабатывающие заводы и другие предприятия различных отраслей промышленности использующие нефтепродукты.
Информация по Госреестру
| Основные данные | |
|---|---|
| Номер по Госреестру | 14369-10 |
| Действует | по 27.03.2030 |
| Наименование | Узлы учета нефтепродуктов |
| Модель | ZCE 5 |
| Характер производства | Серийное |
| Идентификатор записи ФИФ ОЕИ | 69c80738-9c64-8633-dc86-0306faba663e |
| Год регистрации | 2010 |
| Общие данные | |
|---|---|
| Технические условия на выпуск | тех.документация фирмы |
| Класс СИ | 29.01.04 |
| Год регистрации | 2010 |
| Страна-производитель | Франция |
| Примечание | Взамен № 14369-05 |
| Центр сертификации СИ | |
| Наименование центра | ГЦИ СИ ВНИИМС |
| Адрес центра | 119361, г.Москва, Озерная ул., 46 |
| Руководитель центра | Кононогов Сергей Алексеевич |
| Телефон | (8*095) 437-55-77 |
| Факс | 437-56-66 |
| Информация о сертификате | |
| Срок действия сертификата | 01.04.2015 |
| Номер сертификата | 39303 |
| Тип сертификата (C - серия/E - партия) | С |
| Дата протокола | 01д от 18.03.10 п.347 |
Производитель / Заявитель
Фирма "SATAM sas", Франция
Франция
ParisNord2 5, rue des Chardonnerets 93290 Tremblay-en-France - France www.satam.eu, E-mail: info@satam.eu
Поверка
| Методика поверки / информация о поверке | МП ВНИИМС |
| Межповерочный интервал / Периодичность поверки |
2 года
|
| Зарегистрировано поверок | |
| Найдено поверителей | |
| Успешных поверок (СИ пригодно) | 115 (100%) |
| Неуспешных поверок (СИ непригодно) | 0 (0 %) |
| Актуальность информации | 29.03.2026 |
Поверители
Скачать
|
14369-10: Описание типа
2024-14369-10.pdf
|
Скачать | 93.7 КБ |
Описание типа
Назначение
Узлы учета нефтепродуктов серии ZCE 5 предназначены для измерений объёма (количества) нефтепродуктов с вязкостью до 50 сСт (в том числе бензина, дизельного топлива, керосина, топочного мазута).
Описание
Узлы учета нефтепродуктов серии ZCE 5 состоят из присоединительных патрубков с фланцами, газоотделителя со встроенными фильтрующими элементами, камерного счетчика нефтепродуктов серии ZC 17 лопастного типа (Госреестр № 14368-10), дифференциального разрешающего клапана, отсчетным устройством (электронным или механическим), взрывозащищенной коробки электропитания. Кроме того, могут оснащаться печатающим устройством и регулируемой заправочной штангой с изменяющейся геометрией.
Принцип действия узлов учета нефтепродуктов ZCE 5 заключается в следующем: нефтепродукт из подающего трубопровода через входной патрубок поступает в газоотделитель со встроенными фильтрующими элементами, где происходит очистка нефтепродукта от механических примесей и удаление газовой фазы. Далее нефтепродукт попадает в лопастной счетчик, который измеряет прошедший через него объем жидкости, затем через разрешающий клапан и выходной патрубок нефтепродукт подается в раздаточный трубопровод.
Узлы учета нефтепродуктов серии ZCE 5 имеют 6 модификаций: ZCE 5/12; ZCE 5/24; ZCE 5/48; ZCE 5/80; ZCE 5/150; ZCE 5/250, которые отличаются друг от друга пропускной способностью (диапазонами измеряемых расходов) и габаритными размерами.
Узлы учета нефтепродуктов ZCE 5 модификаций ZCE 5/12; ZCE 5/24 и ZCE 5/48
предназначены только для горизонтального монтажа, а модификации ZCE 5/80, ZCE 5/150 и ZCE 5/250 могут монтироваться как в горизонтальном так и в вертикальном положении.
Узлы учета нефтепродуктов ZCE 5 используются в различных системах учета нефтепродуктов и по заказу могут укомплектовываться дополнительными агрегатами и принадлежностями, например такими как:
- индикатор мгновенного расхода;
- задающее устройство с клапаном;
- ограничитель расхода;
- датчик импульсов;
- инжектор присадок.
Фотография внешнего вида узла учета нефтепродуктов серии ZCE 5 представлена на рисунке 1.
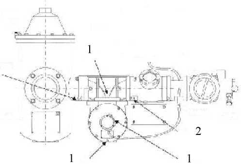
Рисунок 1. Узел учета нефтепродуктов серии ZCE 5 (для вертикального монтажа) Места нанесения поверительных клейм (наклеек и пломб) указаны на рисунке 2.
2
Рисунок 2. Места установки пломб (узел учета нефтепродуктов серии ZCE 5 для горизонтального монтажа):
1 - пломбы на счетчике ZC 17,
2 - пломбы в местах присоединения счетчика ZC 17 с составными частями узла учета нефтепродуктов серии ZCE 5.
Места установки пломб на составных частях узла учета нефтепродуктов серии ZCE 5 приведены в паспорте на узел учета нефтепродуктов серии ZCE 5.
Технические характеристики
Таблица 1
|
Модификация |
ZCE 5/12 |
ZCE 5/24 |
ZCE 5/48 |
ZCE 5/80 |
ZCE 5/150 |
ZCE 5/250 |
|
Диаметр условный, мм |
50 |
80 |
100 |
150 | ||
|
Максимальный расход, м3/ч |
12 |
24 |
48 |
80 |
150 |
250 |
|
Минимальный расход, м3/ч |
1,2 |
2,4 |
4,8 |
8,0 |
15,0 |
25,0 |
|
Минимальный измеряемый объем, л |
100 |
200 |
500 |
1000 | ||
|
Пределы допускаемой относительной | ||||||
|
погрешности измерений, % |
±0,15; ±0,25 | |||||
|
Максимальное рабочее давление, МПа |
0,8 |
1,0 | ||||
|
Диапазон рабочих температур, оС |
от -40 до +40 | |||||
|
Габаритные размеры, мм, не более: | ||||||
|
Длина |
898 |
898 |
976 |
893 |
933 |
993 |
|
Ширина |
461 |
461 |
461 |
413 |
540 |
567 |
|
Высота |
662 |
662 |
662 |
1011 |
1065 |
1070 |
|
Масса, кг, не более |
54 |
56 |
62 |
165 |
215 |
395 |
Знак утверждения типа
наносится на фирменную табличку счетчика нефтепродукта в виде наклейки или методом трафаретной печати и на титульный лист паспорта узла учета типографским методом.
КомплектностьКомплектность
Таблица 2.
|
Наименование |
Количество, шт. |
Примечание |
|
Узел учета нефтепродуктов ZCE 5 |
1 |
Модификация по заказу |
|
Комплект эксплуатационной документации |
1 |
|
Методика поверки |
1 | |
|
Комплект ЗИП |
1 |
По заказу |
Поверка
осуществляется в соответствии с документом МП 14369-10 «ГСИ. Узлы учета нефтепродуктов серии ZCE 5. Методика поверки», утвержденным ГЦИ СИ ФГУП «ВНИИМС» 10.12.2009 г.
Основные средства поверки:
- мерники 2-го разряда по ГОСТ 8.400 с учетом действительной вместимости;
- термометр ртутный стеклянный лабораторный, цена деления 0,1 °С.
Сведения о методах измерений
приведены в паспорте счетчиков.
Нормативные документы
1. Техническая документация фирмы “SATAM sas”, Франция.
Рекомендации к применению
- при осуществлении торговли.
Другие Узлы учета нефтепродуктов
