Датчики уровня акустические ЭХО-АС-01
| Номер в ГРСИ РФ: | 14891-95 |
|---|---|
| Категория: | Датчики уровня |
| Производитель / заявитель: | НПП "Сигнур", г.Москва |
Датчики уровня акустические ЭХО-АС-01 (далее - датчики) предназначены для измерения уровня жидких сред, сыпучих и кусковых материалов без контакта чувствительного элемента с контролируемой средой.
Информация по Госреестру
| Основные данные | |
|---|---|
| Номер по Госреестру | 14891-95 |
| Действует | по 18.12.2029 |
| Наименование | Датчики уровня акустические |
| Модель | ЭХО-АС-01 |
| Приказы |
№2245 от
20.10.2025
— О внесении изменений в сведения об утвержденных типах средств измерений
|
| Код идентификации производства |
ОС
СИ не соответствует критериям подтверждения производства на территории
РФ в соответствии с постановлением №719
|
| Характер производства | Серийное |
| Идентификатор записи ФИФ ОЕИ | f93f30f4-b6c2-0ee4-534f-5f74c6cacfdd |
| Год регистрации | 2010 |
| Общие данные | |
|---|---|
| Источник информации | 112-95г с.24, CD 1995г, CD 2000г |
| Технические условия на выпуск | ТУ 4214-009-13258421-95, ТУ 4214-009-18623641-01 |
| Класс СИ | 29.02 |
| Год регистрации | 2010 |
| Страна-производитель | Россия |
| Центр сертификации СИ | |
| Наименование центра | ГЦИ СИ ОАО "НИИТеплоприбор" |
| Адрес центра | 129085, г.Москва, пр-т Мира, 95 |
| Телефон | () |
| Информация о сертификате | |
| Срок действия сертификата | 01.04.2015 |
| Номер сертификата | 8451 |
| Тип сертификата (C - серия/E - партия) | С |
| Дата протокола | 01д2 от 18.03.10 п.27208 от 26.05.05 п.14511 от 25.07.00 п.188 |
Производитель / Заявитель
ООО «ПНП СИГНУР», РОССИЯ, 123458, г. Москва, вн. тер. г. муниципальный округ СТРОГИНО, ул. Твардовского, д. 8
Россия
103001, ул.Щусева, 8 (113184, ул.Б.Татарская, 35)
Поверка
| Методика поверки / информация о поверке | МИ 1112-86, МИ 1112-96 |
| Межповерочный интервал / Периодичность поверки |
1 год
|
| Зарегистрировано поверок | |
| Найдено поверителей | |
| Успешных поверок (СИ пригодно) | 863 (99%) |
| Неуспешных поверок (СИ непригодно) | 5 (1 %) |
| Актуальность информации | 19.04.2026 |
Поверители
Скачать
|
14891-95: Описание типа
2024-14891-95.pdf
Файл устарел
|
Скачать | 321.9 КБ | |
|
14891-95: Методика поверки
2022-mp14891-95.pdf
Файл устарел
|
Скачать | 59.9 КБ | |
|
14891-95: Описание типа
2024-14891-95-1.pdf
|
Скачать | 321.9 КБ | |
|
14891-95: Описание типа
2025-14891-95.pdf
|
Скачать | 237.3 КБ | |
|
14891-95: Методика поверки
2022-mp14891-95-1.pdf
|
Скачать | 59.9 КБ |
Описание типа
Назначение
Датчики уровня акустические ЭХО-АС-01 (далее - датчики) предназначены для измерения уровня жидких сред, сыпучих и кусковых материалов без контакта чувствительного элемента с контролируемой средой.
Описание
Принцип действия датчиков уровня акустических ЭХО-АС-01 основан на локации уровня звуковыми импульсами, проходящими через газовую среду, и на явлении отражения этих импульсов от границы раздела газ - контролируемая среда.
Датчики по количеству точек измерения имеют одноточечное и многоточечное исполнения.
Датчики одноточечного исполнения состоят из преобразователя первичного акустического (АП) типа АП-41, АП-61, АП-11, АП-13, АП-61В, и блока измерительного БИ-1-1, соединенных между собой кабелем длиной до 300 м.
Для измерения уровня взрывоопасных сред используются АП-61В с маркировкой 1ExdIIAT5.
Датчики многоточечного исполнения состоят из АП (до 5 шт.) по числу объектов контроля, БИ-1-1 и коммутирующего устройства УП-1. Тип АП и диапазоны измерения всех точек контроля должны быть одинаковыми.
По защищенности от воздействия окружающей среды БИ-1-1 и АП-41 имеют пылеводозащищенное исполнение IP54, АП-61, АП-11, АП-13, АП-61В - исполнение IP64, и УП-1 имеет исполнение IP40.
На жидкокристаллическом дисплее блока измерительного БИ-1-1 отображается следующая информация:
• текущие значения измеряемых величин:
- уровня в процентах и метрах;
- объема контролируемого вещества в резервуаре, м3;
- расстояния до объекта, м;
• дата и время;
• содержимое архивов:
- почасового - 2500 записей;
- посуточного - 2200 записей (более 6 лет);
• диагностические сообщения о неисправностях.
Блок измерительный БИ-1-1
Преобразователи акустические: АП-11, АП-61, АП-61В, АП-13, АП-41
Датчик может иметь:
- токовый выход с выходными сигналами 0-5; 0-20; 4-20 мА, пропорциональными измеряемому уровню,
- релейный выход (сухие контакты реле),
- возможность вывода информации на компьютер через встроенный интерфейс RS-232 или RS-485,
- а также возможность подключения к GSM-модему для беспроводной передачи информации.
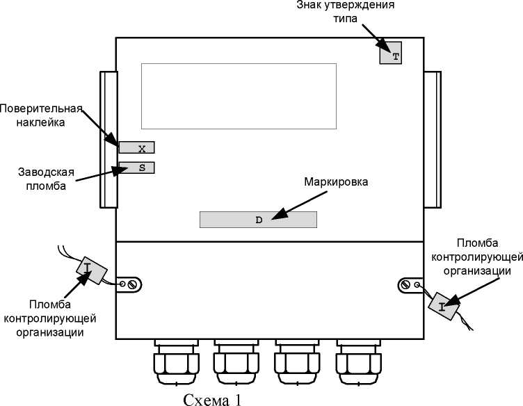
На схеме 1 указаны места пломбировки от несанкционированного доступа и место размещения наклеек, в том числе о поверке.
Т - место размещения знака утверждения типа;
D - маркировка;
S - заводские пломбы;
I - пломбы контролирующей организации;
Х - место поверительной наклейки.

Программное обеспечение
В датчике применяется программное обеспечение (ПО) EAS-1-2001, которое осуществляет преобразование измеренного времени задержки акустического сигнала в значение уровня контролируемой среды, а также обеспечивает связь прибора с компьютером и с оператором и ввод настроечных параметров.
От несанкционированного изменения ПО защищено четырехзначным кодом доступа, индивидуальным для каждого прибора.
Доступ к кнопке, разрешающей изменение параметров трубопровода, закрыт пломбой проверяющей организации.
Доступ к ПО через интерфейс невозможен. По интерфейсу возможен только вывод архивной информации и измеренных значений объемного расхода и суммарного объема.
Идентификационные данные ПО
Таблица 1
|
Идентификационные данные (признаки) |
Значение |
|
1 |
2 |
|
Идентификационное наименование ПО |
EAS-1-2001 |
|
№ версии ПО |
В1.12.011) |
|
Цифровой идентификатор ПО |
483F |
|
Другие идентификационные данные, если имеются: |
- |
ПО имеет уровень защиты «высокий» от непреднамеренных и преднамеренных изменений согласно Р 50.2.077 - 2014.
Технические характеристики
Таблица 2
|
Диапазоны измерения уровня, м |
0-0,1; 0-0,15; 0-0,2; 0-0,3; 0-0,4; 0-0,6; 0-1,0; 0-1,6; 0-2,5; 0-4,0; 0-6,0; 0-10,0; 0-12,0; 0-16,0; 0-20,0; 0-30,0 |
|
Пределы допускаемой основной приведенной погрешности, % |
± 1,0 |
|
Пределы допускаемой приведенной погрешности срабатывания релейных выходов, % |
±4 |
|
Контролируемая среда |
жидкие среды, в том числе взрывоопасные, агрессивные, вязкие, неоднородные, выпадающие в осадок, а также сыпучие и кусковые материалы с диаметром гранул и кусков от 5 до 300 мм |
|
Диапазон температуры контролируемой среды, °С |
- 50...+150 |
|
Диапазон температуры окружающего воздуха, °С: для АП для БИ-1-1 |
-30...+50 0...+50 |
|
Питание БИ-1-1 от сети переменного тока частотой (50±1) Гц напряжением, В |
220 -33 |
|
Потребляемая мощность не более, В^А |
12 |
|
Длина линии связи между АП и БИ-1-1 не более, м: |
300 |
|
Степень защиты от воздействия окружающей среды АП-41 и БИ АП-11, АП-13, АП-61, АП-61В УП |
IP54 IP64 IP40 |
|
Масса не более, кг: АП-11 и АП-13 АП-41, БИ АП-61 АП-61В УП |
1,5 3,0 8,0 15,0 2,0 |
|
Габаритные размеры не более, мм: АП-11 (диаметр х длина) АП-13 (диаметр х длина) АП-41(диаметр х длина) АП-61(диаметр х длина) АП-61В (диаметр х длина х ширина) БИ (длина х ширина х высота) УП(длина х ширина х высота) |
205 х 200 110 х 85 288 х 248 237х300 205 х 280 х 370 190х190х15 170 х 240 х 270 |
|
Полный средний срок службы не менее, лет |
6 |
|
Полный средний срок службы модификаций датчиков для контроля агрессивных сред, лет |
4 |
Знак утверждения типа
наносится на переднюю панель БИ по технологии шелкографии, а также на титульный лист паспорта и руководства по эксплуатации типографским способом.
Комплектность
В зависимости от исполнения в комплект поставки расходомера входят:
Таблица 3
|
Наименование |
Обозначение |
Кол. шт. |
Примечание |
|
Датчик уровня акустический ЭХО-АС-01 |
АЦПР.407632.009 |
1 |
В соответствии с заказом |
|
Блок токового выхода (0 - 5); (0 - 20); (4 - 20) мА |
АЦПР.407632.009 |
1 |
В соответствии с заказом |
|
Блок релейного выхода |
АЦПР.407632.009 |
1 |
В соответствии с заказом |
|
Блок связи с компьютером RS-232 или RS-485 |
АЦПР.407632.009 |
1 |
В соответствии с заказом |
|
Паспорт |
АЦПР. 407632.009ПС |
1 | |
|
Руководство по эксплуатации |
аЦпР. 407632.009РЭ |
1 |
Допускается поставка в один адрес 1 экз. на 5 расходомеров |
Сведения о методах измерений
указаны в руководстве по эксплуатации АЦПР. 407632.009 РЭ.
Нормативные документы
ТУ 4214-009-18623641-01 Датчики уровня акустические «ЭХО-АС-01». Технические условия
Другие Датчики уровня

