Уровнемеры ультразвуковые Prosonic M, Prosonic S
| Номер в ГРСИ РФ: | 17670-13 |
|---|---|
| Категория: | Уровнемеры |
| Производитель / заявитель: | Фирма "Endress+Hauser GmbH + Co. KG", Германия |
Информация по Госреестру
| Основные данные | |
|---|---|
| Номер по Госреестру | 17670-13 |
| Действует | по 05.03.2028 |
| Наименование | Уровнемеры ультразвуковые |
| Модель | Prosonic M, Prosonic S |
| Код идентификации производства |
ОС
СИ не соответствует критериям подтверждения производства на территории
РФ в соответствии с постановлением №719
|
| Характер производства | Серийное |
| Идентификатор записи ФИФ ОЕИ | fd5e971f-78de-e6ce-a083-f7b6bfd1a473 |
Производитель / Заявитель
Фирма "Endress+Hauser SE+Co. KG", Германия Производственные площадки: Endress+Hauser SE+Co.KG, Германия; Endress+Hauser (Suzhou) Automation Instrumentation Co. Ltd., Китай; Endress+Hauser (India) Automation Instrumentation Pvt. Ltd., Индия. Фирма "Endress+Hauser GmbH + Co. KG", Германия (срок свидетельства: 05.03.2023 г.)
Поверка
| Межповерочный интервал / Периодичность поверки |
2 года
|
| Зарегистрировано поверок |
5399
|
| Найдено поверителей | |
| Успешных поверок (СИ пригодно) | 5374 (100%) |
| Неуспешных поверок (СИ непригодно) | 25 (0 %) |
| Актуальность информации | 15.04.2026 |
Поверители
Скачать
|
17670-13: Описание типа
2022-17670-13.pdf
|
Скачать | 359.8 КБ | |
|
17670-13: Методика поверки
2022-mp17670-13.pdf
|
Скачать | 1 MБ |
Описание типа
Назначение
Уровнемеры ультразвуковые Prosonic M, Prosonic S (далее уровнемеры) предназначены для непрерывного измерения уровня жидкостей, пульп и сыпучих продуктов.
Описание
В зависимости от конструктивного исполнения датчика и электронного преобразователя выпускаются различные модели уровнемеров.
Уровнемеры ультразвуковые Prosonic S состоят из первичного (FDUxx) и электронного (FMU9x) преобразователей в раздельном исполнении. Первичный преобразователь монтируется над поверхностью измеряемой среды. Электронные преобразователи в зависимости от исполнения рассчитаны для подключения одного или нескольких датчиков и формирования выходных сигналов. Электронные преобразователи могут иметь вход для подключения внешнего датчика температуры.
Уровнемеры ультразвуковые Prosonic M состоят из первичного и электронного преобразователей в компактном исполнении. Уровнемер монтируется над поверхностью измеряемой среды. Настройка уровнемера осуществляется на месте монтажа.
Измерительная информация может передаваться в виде аналогового и/или цифрового сигнала (HART, Profibus-PA, Foundation Fieldbus) в контроллер, персональный компьютер, выносное устройство индикации и регистрации и/или может быть считана с дисплея уровнемера. Кроме того, уровнемеры ультразвуковые Prosonic M могут настраиваться через цифровой интерфейс.
Принцип измерений основан на определении времени прохождения ультразвукового сигнала от первичного преобразователя (датчика) уровнемера к поверхности измеряемой среды и обратно. С учетом значения скорости распространения ультразвукового сигнала и данных настройки уровнемер измеряет дистанцию от первичного преобразователя до поверхности продукта и рассчитывает значение уровня.
Уровнемеры ультразвуковые Prosonic M, Prosonic S также предназначены для непрерывного измерения расхода жидкостей в открытых каналах различного профиля и в безнапорных трубопроводах по методикам измерений МИ 2406-97 и МИ 2220-13.
Уровнемеры ультразвуковые Prosonic S, укомплектованные двумя или более первичными преобразователями, также предназначены для непрерывного измерения суммы, разности и/или среднего арифметического значений двух или более уровней.
Уровнемеры выпускаются в обычном или взрывозащищенном исполнениях.
Внешний вид уровнемеров приведен на рисунке 1.
Уровнемеры Prosonic S FDU9x
Уровнемеры Prosonic M FMU4x
Рисунок 1 - Внешний вид уровнемеров
Конструкция приборов не позволяет проникнуть к счетному механизму и к месту регулирования внутренних настроек уровнемера без специального кода доступа через меню.
Кроме того, предусмотрена блокировка клавиатуры одновременным нажатием определенной комбинации клавиш, с помощью которой блокируется доступ ко всем операциям в меню прибора.
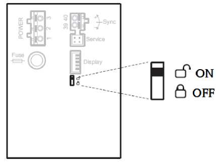
В уровнемерах конструктивно предусмотрено наличие переключателя «SWITCH», расположенного внутри корпуса (рисунок 2), который может иметь два состояния: «Off» («Выключен») или «On» («Включен»).
Для применения уровнемера в учетно-расчетных операциях переключатель «SWITCH» может быть заклеен маркой поверителя, также конструктивно предусмотрена защита корпуса электронного преобразователя пломбами надзорного органа (рисунок 3).
При использовании любого варианта защиты от несанкционированного доступа к настройкам на дисплее прибора появляется значок .
Рисунок 2 - Переключатель «SWITCH»
Рисунок 3 - Схема пломбирования корпуса уровнемера
Программное обеспечение
Программное обеспечение (ПО) уровнемеров состоит из двух частей Firmware и Software. Обработка результатов измерений и вычислений (метрологически значимая часть ПО) проводится по специальным расчетным соотношениям, сохраняемых во встроенной программе (Firmware).
Доступ к цифровому идентификатору Firmware (контрольной сумме) невозможен (проводится самодиагностика без отображения контрольной суммы на дисплее).
Наименование программного обеспечения отображается на дисплее преобразователя при его включении. Идентификационные номера Firmware отображаются как неактивные, не подлежащее изменению.
Наименование ПО имеет структуру X.Y.Z, где:
X - идентификационный номер Firmware;
Y - идентификационный номер текущей версии Software (00 до 99) - характеризующий функциональность преобразователя (различные протоколы цифровой коммуникации, а также совместимость с сервисными программами);
Z - служебный идентификационный номер (например, для усовершенствования или устранения неточностей (bugs tracing)) - не влияет на функциональность и метрологические характеристики уровнемера.
Идентификационные данные программного обеспечения системы представлены в таблицах 1-5.
Таблица 1 - Идентификационные данные ПО уровнемеров ультразвуковых Prosonic M FMU4x для исполнений с Profibus-PA
|
Идентификационные данные (признаки) |
Значение |
|
Идентификационное наименование ПО |
FMU4x_PA--_FLSH_Hint_V01.04.00-1186.sda |
|
Номер версии (идентификационный номер) ПО |
не ниже V01.04.zz |
|
Цифровой идентификатор ПО |
не отображается |
Таблица 2 - Идентификационные данные ПО уровнемеров ультразвуковых Prosonic M FMU4x для 2-проводных и 4-проводных исполнений с HART
|
Идентификационные данные (признаки) |
Значение |
|
Идентификационное наименование ПО |
FMU4x_HA2W_FLSH_----FLSH V01.04.00-1186.sda |
|
Номер версии (идентификационный номер) ПО |
не ниже V01.04.zz |
|
Цифровой идентификатор ПО |
не отображается |
Таблица 3 - Идентификационные данные ПО уровнемеров ультразвуковых Prosonic S FDUxx с электронным преобразователем FMU90 для исполнений с Profibus-DP________________________
|
Идентификационные данные (признаки) |
Значение |
|
Идентификационное наименование ПО |
FMU90-_DP--_FLSH_— 020103-2120ME1.sda |
|
Номер версии (идентификационный номер) ПО |
не ниже V02.01.zz |
|
Цифровой идентификатор ПО |
не отображается |
Таблица 4 - Идентификационные данные ПО уровнемеров ультразвуковых Prosonic S FDUxx с электронным преобразователем FMU90 для исполнений с HART___________________________
|
Идентификационные данные (признаки) |
Значение |
|
Идентификационное наименование ПО |
FMU90-_HA4W_FLSH_---- 020103-2118ME1.sda |
|
Номер версии (идентификационный номер) ПО |
не ниже V02.01.zz |
|
Цифровой идентификатор ПО |
не отображается |
Таблица 5 - Идентификационные данные ПО уровнемеров ультразвуковых Prosonic S FDUxx с электронным преобразователем FMU95________________________________________________
|
Идентификационные данные (признаки) |
Значение |
|
Идентификационное наименование ПО |
FMU95-_DP--_FLSH_— 010103-2122ME1.sda |
|
Номер версии (идентификационный номер) ПО |
не ниже V02.01.zz |
|
Цифровой идентификатор ПО |
не отображается |
В соответствии с Р 50.2.077-2014 программное обеспечение уровнемеров ультразвуковых Prosonic M, Prosonic S защищено от непреднамеренных и преднамеренных изменений согласно уровню защиты «высокий».
Технические характеристики
Метрологические и технические характеристики уровнемеров приведены в таблицах 6-8.
Таблица б - Метрологические и технические характеристики уровнемеров ультразвуковых Prosonic М
|
Модель уровнемера |
FMU40 |
FMU41 |
FMU42 |
FMU43 |
FMU44 | |||
|
Диапазон измерений, м жидкости и пульпы сыпучие продукты |
от 0,25 до 5 от 0,25 до 2 |
от 0,35 до 8 от 0,35 до 3,5 |
от 0,4 до 10 от 0,4 до 5 |
от 0,6 до 15 от 0,6 до 7 |
от 0,5 до 20 от 0,5 до 10 | |||
|
Рабочая температура, °C |
от -40 до +80 | |||||||
|
Рабочее давление, МПа (бар) абс. |
от 0,07 до 0,3 (от 0,7 до 3) |
от 0,07 до 0,25 (от 0,7 до 2,5) | ||||||
|
Пределы допускаемой погрешности измерений уровня |
+2 мм - для диапазона < 1 м ±0,2 % от измеренного значения для диапазона >1 м |
+4 мм - для диапазона < 2 м +0,2 % от измеренного значения для диапазона > 2м | ||||||
|
Количество разрядов индикатора |
6 | |||||||
|
Температура окружающего воздуха, °C |
от -40 до +80 (от -20 до +60 - с ЖК дисплеем) | |||||||
|
Выходной сигнал: |
от 0/4 до 20 мА, HART, Profibus-PA, Foundation Fieldbus, другие варианты - по спец, заказу | |||||||
|
Электропитание |
по сигнальной цепи; от 10,5 до 32 В пост, тока; от 90 до 253 В пер. тока частота 50/60 + 1 Гц; другие варианты - по спец заказу | |||||||
|
Температура транспортирования и хранения, °C |
от -40 до +80 | |||||||
|
Габаритные размеры корпуса. (Длина х ширина х высота, мм, не более |
Для корпуса F12 172 х 143 х 300 Для корпуса Т12 162 х 143 х 310 |
Для корпуса F12 172 х 143 х 260 Для корпуса Т12 162 х 143 х 272 |
Для корпуса F12 172 х 143 х 248 |
Для корпуса F12 172 х 143 х 295 Для корпуса Т12 162 х 143 х 307 | ||||
|
Масса, кг, не более |
3 |
3,5 |
4 |
4,5 | ||||
|
Таблица 7 - Метрологические характеристики уровнеме |
зов ультразвуковых Prosonic S (первичный преоб |
разователь FDUxx) | ||||
|
Первичный преобразователь Prosonic S |
FDU91(F) |
FDU92 |
FDU93 |
FDU95-xlxxx |
FDU95-x2xxx |
FDU96 |
|
Диапазон измерений, м жидкости и пульпы сыпучие продукты |
от 0,3 до 10 от 0,3 до 5 |
от 0,4 до 20 от 0,4 до 10 |
от 0,6 до 25 от 0,6 до 15 |
от 0,7 до 45 от 0,7 до 45 |
от 0,9 до 45 от 0,9 до 45 |
от 1,6 до 70 от 1,6 до 70 |
|
Рабочая температура, °C |
для FDU91 от -40 до +80 дляРОи91Р от -40 до +105 |
от -40 до +95 |
от -40 до +80 |
от -40 до +150 | ||
|
Рабочее давление, МПа (бар) абс. |
от 0,07 до 0,4 (от 0,7 до 4,0) |
от 0,07 до 0,4 (от 0,7 до 4,0) |
от 0,07 до 0,3 (от 0,7 до 3,0) |
от 0,07 до 0,15 (от 0,7 до 1,5) |
от 0,07 до 0,15 (от 0,7 до 1,5) |
от 0,07 до 0,3 (от 0,7 до 3,0) |
|
Электропитание |
от электронного преобразователя | |||||
|
Температура транспортирования и хранения, °C |
для FDU91 от -40 до +80 дляРОи91Р от -40 до +105 |
от -40 до +95 |
от -40 до +80 |
от -40 до +150 | ||
|
Масса, кг, не более |
2 |
2,5 |
3 |
5 |
6,0 | |
Таблица 8 - Метрологические и технические характеристики уровнемеров ультразвуковых
Prosonic S (электронный преобразователь FMU9x)
|
Электронный преобразователь |
FMU90 |
FMU95 |
|
Первичный преобразователь |
FDU9x | |
|
Количество подключаемых первичных преобразователей |
от 1 до 2 |
от 1 до 10 |
|
Количество датчиков, шт. |
от 1 до 6 |
- |
|
Пределы допускаемой погрешности измерений уровня |
±2 мм - для диапазона < 1 м ±0,2 % от измеренного значения для диапазона >1 м | |
|
Количество разрядов индикатора |
6 | |
|
Температура окружающего воздуха, ОС |
от -40 до +60 (от -20 до +60 - с ЖК дисплеем) | |
|
Выходной сигнал: |
от 0/4 до 20 мА, HART, Profibus-DP, другие варианты - по спец. заказу |
Profibus-DP, другие варианты - по спец. заказу |
|
Электропитание, В |
Пер. ток: от 90 до 253 частота 50/60 ± 1 Гц Пост. ток: от 10,5 до 32 | |
|
Температура транспортирования и хранения, ос |
от -40 до +60 | |
|
Масса, кг, не более |
2 | |
Знак утверждения типа
наносится на корпус уровнемера заводским способом и на титульные листы эксплуатационной документации типографским способом.
Комплектность
Таблица 9 - Комплектность средства измерений
|
Наименование |
Обозначение |
Кол-во |
Примечание |
|
Уровнемер |
Prosonic M FMU4x (Prosonic S FDU9x) |
1 шт. |
В соответствии с заказом |
|
Вспомогательные принадлежности: - монтажная консоль; - монтажная стойка; - монтажный кронштейн; - козырек защитный; - защитная крышка; - труба защитная; - кабель; - держатель датчика шарнирный; - электронный модуль выносного дисплея; - фланцы; - датчик температуры FMT131; - устройство защиты от перенапряжения; - съемный ЖК-дисплей; |
52014xxx, 919790-xxxx 919791-xxxx 919792-хххх, 942669-xxxx, 71093130, 52024478, 52013874, 942666-000 52024477, 942046-0000, 543199-0001 52025686 71091216 7102774х, 52026736 919215-9000 52027441 919789-xxxx, 942837-9000, 71094020 919999-9000 71125400, 51006326 942663-0000 |
В соответствии с заказом |
Продолжение таблицы 9
|
Наименование |
Обозначение |
Кол-во |
Примечание |
|
- выносной блок управления с дисплеем FHX40; - периферийные устройства FXAxxx и комплектующие к ним - источник питания системы RNB130; |
52013873 51516983, 71007843, 50101787, 52027716, 52013396, 52027715, 52018564, 52027505, 50095566 51009882 |
В соответствии с заказом | |
|
Компакт-диск с сервисной программой FieldCare |
1 экз. | ||
|
Руководство по эксплуатации |
1 экз. |
Для соответствующего исполнения уровнемера | |
|
Паспорт |
1 экз. | ||
|
Методика поверки |
1 экз. |
Сведения о методиках (методах) измерений приведены в эксплуатационном документе.
Нормативные документы
ГОСТ 8.477-82 ГСИ. Государственная поверочная схема для средств измерений уровня жидкости
ГОСТ Р 52931-2008 Приборы контроля и регулирования технологических процессов. Общие технические условия
ГОСТ 28725-90 Приборы для измерения уровня жидкостей и сыпучих материалов. Общие технические требования и методы испытаний
Техническая документация фирмы-изготовителя
Другие Уровнемеры



