20053-12: АЛКО-2 Системы измерительные - Производители, поставщики и поверители

Системы измерительные АЛКО-2

ALL-Pribors default picture
Номер в ГРСИ РФ: 20053-12
Производитель / заявитель: АО "Арзамасский приборостроительный завод имени П.И. Пландина", г.Арзамас
Скачать
20053-12: Описание типа
2015-20053-12.pdf
Скачать 146.8 КБ
Свидетельство об утверждении типа СИ Открыть ...
Нет данных о поставщике
Поверка
Системы измерительные АЛКО-2 поверка на: www.ktopoverit.ru
КтоПоверит
Онлайн-сервис метрологических услуг

Для измерений и учета объема коньячных спиртов, водно-спиртовых и многокомпонентных спиртосодержащих растворов с удельной электропроводностью 5*10^(-5)...10 См/м, объемной концентрации и объема спирта, содержащегося в измеряемой среде, температуры измеряемой среды, а также для подсчета количества бутылок, область применения - автоматический учет коньячных спиртов, водно-спиртовых и многокомпонентных спиртосодержащих растворов при их производстве (в том числе на линиях розлива), отгрузке и получении, а также формирование и передачи информации в единую государственную автоматизированную систему учета объема производства и оборота этилового спирта алкогольной и спиртосодержащей продукции (ЕГАИС).

Информация по Госреестру

Основные данные
Номер по Госреестру 20053-12
Действует по 10.04.2017
Наименование Системы измерительные
Модель АЛКО-2
Характер производства Серийное
Идентификатор записи ФИФ ОЕИ 49fd4f1d-0231-993f-9308-94cb16b7a91f
Год регистрации 2012
Информация устарела
Общие данные
Класс СИ 29.02
Год регистрации 2012
Страна-производитель  Россия 
Примечание 10.04.2012 утвержден вместо 20053-07
Информация о сертификате
Срок действия сертификата 10.04.2017
Номер сертификата 46035
Тип сертификата (C - серия/E - партия) C
Дата протокола Приказ 217 п. 02 от 10.04.201209 от 26.07.07 п.26806 от 25.04.07 п.181
Производитель / Заявитель

АО "Арзамасский приборостроительный завод им.П.И.Пландина", РОССИЯ, г.Арзамас

 Россия 

607220, Нижегородская обл., ул.50 лет ВЛКСМ, 8. Тел.(83147) 9-91-20, факс 4-46-68, 4-12-26, телетайп 651320 МАРС, www.oaoapz.com, E-mail: apz@oaoapz.com

Поверка

Методика поверки / информация о поверке ЛГФИ.407219.003 МИ
Межповерочный интервал / Периодичность поверки
1 год
Зарегистрировано поверок
Найдено поверителей
Успешных поверок (СИ пригодно) 98 (99%)
Неуспешных поверок (СИ непригодно) 1 (1 %)
Актуальность информации 19.04.2026
Найти результаты поверки
Указан в паспорте или на самом приборе

Поверители

КтоПоверит
Онлайн-сервис метрологических услуг
Системы измерительные АЛКО-2 поверка на: www.ktopoverit.ru
КтоПоверит
Онлайн-сервис метрологических услуг

Скачать

20053-12: Описание типа
2015-20053-12.pdf
Скачать 146.8 КБ
Свидетельство об утверждении типа СИ Открыть ...

Описание типа

Назначение

Системы измерительные "АЛКО-2" (в дальнейшем - системы), предназначены для измерений и учета объема водок и других водноспиртовых растворов с удельной электропроводностью от 5-10-5 до 10 См/м, объемной концентрации (в дальнейшем - крепость) и объема этилового спирта, содержащегося в измеряемой среде, температуры измеряемой среды, а также подсчета количества бутылок.

Описание

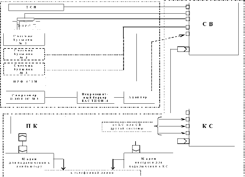
Система включает в себя специализированный вычислитель СВ, контроллер связи КС, модем, устройство сбора и обработки информации на базе персонального компьютера и устройства, именуемые в дальнейшем датчиками:

- первичный преобразователь расхода ППР-7 электромагнитный для измерений расхода среды;

- рефрактометр ИРФ-471МВ (Г.р. №28596-07) или плотномер-спиртомер ПЛОТ-3С-М (Г.р. №25284-08) ;для измерений крепости;

- термопреобразователь сопротивления платиновый ТСП-001 (Г.р. №41750-09) с градуировочной характеристикой 100П для измерений температуры среды;

- универсальный счетчик бутылок УСБ-3 или управляющий модуль учета продукции УМУП (в дальнейшем - счетчик бутылок) для измерений количества бутылок, прошедших через зону контроля счетчика.

Сигналы от всех перечисленных датчиков передаются на специализированный вычислитель СВ, который производит их обработку, индикацию и архивацию параметров измеряемой среды.

Устройство сбора и обработки информации на базе персонального компьютера служит для визуализации всех показателей измеряемой среды и вывода их на печать.

Контролер связи КС позволяет использовать один персональный компьютер для вывода информации с нескольких систем, не имеющих КС и персонального компьютера. Максимальное количество таких систем - 4. Возможно каскадное включение 4-х КС. В этом случае имеется возможность использовать один персональный компьютер для вывода информации с 13-ти систем, четыре из которых имеют КС, а остальные не имеют ни КС, ни персонального компьютера.

Модем обеспечивает передачу информации между СВ и ПК посредством телефонной линии.

Система выводит на индикатор СВ и экран дисплея следующие параметры: суммарный объем измеряемой среды; суммарный объем безводного спирта, содержащегося в измеряемой среде; текущий объемный расход; крепость измеряемой среды; температуру измеряемой среды; суммарное количество бутылок, прошедших по линии розлива; текущее время и текущую дату; сообщения об ошибках.

Система также обеспечивает: сохранение ранее измеренных значений объемов, крепости, количества бутылок и времени наработки при отключении питания системы с отметкой в памяти момента отключения; автоматический возврат из любого режима индикации в режим индикации текущего времени; индикацию показателей за смену с возможностью сброса текущей индикации; хранение в архиве последней сброшенной информации о показателях за смену; создание годового архива и возможность вывода из архива на собственный индикатор информации о суммарных объемах, крепости, температуре, количестве бутылок, отключении питания системы и ошибках за любые сутки одного года по

отношению к текущей дате, индицируемой СВ; вывод на экран собственного ПК или внешней ЭВМ типа IBM PC информации из годового архива за любой интервал времени одного года; возможность корректировки текущей даты и текущего времени, изменения масштабирующего коэффициента, ввода кода пользователя системы, изменения пароля пользователя.

В зависимости от диапазона измерений крепости и значения погрешности измерений крепости система выпускается в 2х исполнениях, которые в условном обозначении системы обозначаются символами "2" и "3". Система с Ду 32 мм выпускается в 2х вариантах (вариант 1 и вариант 2), в зависимости от значения минимального расхода (0,11 и 0,22 м3/ч).

Примеры обозначений: АЛКО-2-32/0,11-2, АЛКО-2-20-3.

Датчики системы имеют степень защиты IP54 по ГОСТ 14254 и могут эксплуатироваться в помещениях класса В-1б согласно ПУЭ “Правила устройства электроустановок”.

ППР-7 в комплекте с СВ, а также каждый из остальных датчиков системы обладают взаимозаменяемостью.

Конкретный состав системы (наличие в системе счетчиков бутылок, контроллера КС, персонального компьютера, спиртомера) определяется вариантом поставки (по заказу потребителя).

Общий вид СВ и места пломбирования приведены на рисунке 1.

1-пломба завода-изготоёвителя; 2-клеймо поверителя;

3-пломба специалиста, проводившего пуско-наладочные работы

Рисунок 1 - Общий вид СВ и места пломбирования

Схема соединений составных частей системы приведена на рисунке 2.

Рисунок 2 - Схема соединений составных частей системы

Программное обеспечение

Программное обеспечение, записанное в микроконтроллер СВ, производит обработку данных, поступающих от датчиков, и вывод результатов измерений на табло. Микроконтроллер имеет однократно программируемую память.

Таблица 1 - Идентификационные данные программного обеспечения, записанного в СВ

Наименование программного обеспечения

Идентификационное наименование ПО

Номер версии (идентификационный номер) ПО

Цифровой идентификатор ПО (контрольная сумма исполняемого кода)

Алгоритм вычисления цифрового идентификатора ПО

M24_ks.txt

ЛГФИ.00024

версия 2.4

00223D00

32-х битная сумма всех байт, входящих в файл кода программы

Защита программного обеспечения осуществляется посредством исключения возможности изменения (модификации) программного обеспечения, занесенного в память контролера с помощью внешних воздействий или набора команд, передаваемых от внешней ЭВМ в контролер по стандартному интерфейсу.

Уровень защиты программного обеспечения от непреднамеренных и преднамеренных изменений - С в соответствии с МИ 3286-2010.

Технические характеристики

Таблица 2

Наименование параметра

Значение параметра

Диаметр условного прохода ППР-7, мм

20

32

40

50

Максимальный расход (Qinах), л/с (м3/ч)

1,00 (3,60)

3,33 (12,0)

4,00 (14,4)

6,4 (23,04)

Минимальный расход (Qmin), л/с (м3/ч) вариант 1 вариант 2

0,034 (0,12)

0,11 (0,40)

0,40 (1,44)

0,64 (2,30)

_

0,22 (0,80)

_

_

Масса ППР-7, кг, не более

4,0

4,3

5,0

6,0

Масса СВ не более 4,0 кг.

Масса КС не более 4,0 кг.

Пределы допускаемой относительной погрешности при измерении суммарно-

го объема равны ±0,5 %.

Диапазон измерений крепости:

- от 38 до 60 % для систем исполнения "2".

- от 38 до 41 % для систем исполнения "3";

Пределы допускаемой абсолютной погрешности измерений крепости равны:

- ±0,2 % для систем исполнения "2".

- ±0,1 % для систем исполнения "3";

Пределы допускаемой относительной погрешности измерений объема безводного спирта, приведенного к температуре 20 °С, равны ±0,8 %.

Диапазон температуры измеряемой среды от 1 до 50 °С.

Пределы допускаемой абсолютной погрешности измерений температуры ±0,5 °С.

Давление измеряемой среды не более 0,2 МПа.

Длина соединительных кабелей между СВ и датчиками - не более 50 м.

Электропитание - от сети переменного тока частотой (50±1) Гц напряжением (220 ±22) В.

Потребляемая мощность не более 250 В-А.

Система устойчива к воздействию внешнего постоянного магнитного поля напряженностью до 400 А/м и переменного магнитного поля с частотой 50 Гц напряженностью до 80 А/м.

Таблица 3 - Климатические условия эксплуатации системы.

Наименование параметра

Значение параметра для:

вычислителя СВ, контроллера связи КС

датчиков: ППР-7, спиртомера, ТСП001, счетчиков бутылок

Температура окружающей среды, °С

от 15 до 35 °С

от 15 до 35 °С

Относительная влажность

не более 80 %

не более 98 %

при температуре

не более 25 °С

не более 25 °С

Средняя наработка на отказ - не менее 12000 ч.

Средний срок службы - не менее 8 лет.

Знак утверждения типа

наносится на лицевую панель вычислителя СВ методом трафаретной печати и на титульный лист паспорта типографским способом.

Комплектность

Таблица 4

Наименование

Кол.

Примечание

Система измерительная "АЛКО-2"

1

Состав согласно заказу

Комплект эксплуатационной документации

1

Методика поверки ЛГФИ.407219.003 МИ

1

Поверка

осуществляется по документу ЛГФИ.407219.003 МИ "ГСИ. Система измерительная "АЛ-КО-2". Методика поверки".

Основное поверочное оборудование:

- поверочная установка, от 0,05 до 250 м3/ч, погрешность ±0,15 %;

- мерник образцовый металлический второго разряда по ГОСТ 8.400, номинальная вместимость 200 дм3, погрешность ±0,1 %;

- магазин сопротивлений Р4831, сопротивление от 90 до 100100 Ом, класс 0,02.

Сведения о методах измерений

изложены в руководстве по эксплуатации ЛГФИ.407219.003 РЭ.

Нормативные документы

1. ГОСТ Р 52931-2008 Приборы контроля и регулирования технологических процессов. Общие технические условия

2. ГОСТ 12.2.007.0-75 ССБТ. Изделия электротехнические. Общие требования безопасности.

3. ЛГФИ.407219.003 ТУ Системы измерительные "АЛКО-2". Технические условия.

Смотрите также

Default ALL-Pribors Device Photo
Для поверки преобразователей расхода и счетчиков жидкости, применяются в нефтяной и нефтеперерабатывающей промышленности для поверки средств измерений в процессе эксплуатации при ведении коммерческого учета и контроля за состоянием узлов учета нефти...
Default ALL-Pribors Device Photo
20054-06
Установки поверочные трубопоршневые двунаправленные
Фирма "Daniel Measurement and Control Inc. / Division of Emerson Process Management", СОЕДИНЕННЫЕ ШТАТЫ
Для градуировки и поверки преобразователей расхода и счетчиков жидкости, поверочных установок 2-го разряда на предприятиях нефтедобывающей, нефтеперерабатывающей, нефтехимической, химической и других отраслей промышленности.
20054-12
Установки поверочные трубопоршневые двунаправленные
Фирма "Emerson Process Management / Daniel Measurement and Control Inc.", СОЕДИНЕННЫЕ ШТАТЫ
Для градуировки и поверки преобразователей расхода и счетчиков жидкости, поверочных установок 2-го разряда на предприятиях нефтедобывающей, нефтеперерабатывающей, нефтехимической, химической и других отраслей промышленности.
Default ALL-Pribors Device Photo
20055-00
Слой Системы измерения уровня жидкости
Инженерный центр НГТУ, РОССИЯ, г.Нижний Новгород
Для автоматического измерения толщины слоя однородной жидкости (воды, нефти, нефтепродуктов), для применения в автоматизированных системах учета и хранения нефтепродуктов на нефтебазах и АЗС, а также в автоматизированных системах технологических проц...
Default ALL-Pribors Device Photo
20056-00
Prestige Анализаторы уровня глюкозы в крови
Фирма "Home Diagnostics Inc.", СОЕДИНЕННЫЕ ШТАТЫ
Для биохимического фотометрического анализа проб крови, применяются для самоконтроля уровня содержания глюкозы в крови, а и также в медицинских учреждениях.