Преобразователи термоэлектрические ТХА.ГПКШ.011, ТХА.ГПКШ.015, ТХА.ГПКШ.017, ТХК.ГПКШ.011, ТХК.ГПКШ.015, ТХК.ГПКШ.017
| Номер в ГРСИ РФ: | 22927-09 |
|---|---|
| Производитель / заявитель: | НПП "Термокон", г.Королев |
|
22927-09: Описание типа
2019-22927-09.pdf
|
Скачать | 218.2 КБ |
Для измерения температуры жидких и газообразных сред, не разрушающих защитную арматуру, для измерения температуры поверхности твердых тел (ТХА.ГПКШ.011, ТХК.ГПКШ.011); для измерения температуры газообразных и жидких неагрессивных химических сред (ТХА.ГПКШ.015, ТХК.ГПКШ.015); для измерения температуры поверхности твердых тел в атмосфере чистого воздуха и газообразных химически неагрессивных сред с влажностью не более 80 % (ТХА.ГПКШ.017, ТХК.ГПКШ.017).
Информация по Госреестру
| Основные данные | |
|---|---|
| Номер по Госреестру | 22927-09 |
| Действует | по 26.08.2029 |
| Наименование | Преобразователи термоэлектрические |
| Модель | ТХА.ГПКШ.011, ТХА.ГПКШ.015, ТХА.ГПКШ.017, ТХК.ГПКШ.011, ТХК.ГПКШ.015, ТХК.ГПКШ.017 |
| Характер производства | Серийное |
| Идентификатор записи ФИФ ОЕИ | f67211ae-6fbb-d8ce-6a2c-2a851e74f46c |
| Год регистрации | 2009 |
| Общие данные | |
|---|---|
| Класс СИ | 32.02 |
| Год регистрации | 2009 |
| Страна-производитель | Россия |
| Примечание | 13.10.2014 продлен срок свидетельстваВзамен № 22927-02 |
| Центр сертификации СИ | |
| Наименование центра | ГЦИ СИ Ростест-Москва |
| Адрес центра | 117418, г.Москва, Нахимовский пр-т, 31 |
| Руководитель центра | Бас Виталий Николаевич |
| Телефон | (8*095) 332-67-77 |
| Факс | 124-99-96 |
| Информация о сертификате | |
| Срок действия сертификата | 13.10.2019 |
| Номер сертификата | 35437 |
| Тип сертификата (C - серия/E - партия) | С |
| Дата протокола | Приказ 1602 п. 01 от 13.10.201405 от 28.05.09 п.107 |
Производитель / Заявитель
Общество с ограниченной ответственностью Научно-производственное предприятие "Термокон" (ООО НПП "Термокон"), Московская обл.,г. Королев
Россия
141070, Московская обл., пр.Циолковского, 2-2
Поверка
| Методика поверки / информация о поверке | ГОСТ 8.338-2002, ГОСТ 14894-69 |
| Межповерочный интервал / Периодичность поверки |
2 года
|
| Зарегистрировано поверок | |
| Найдено поверителей | |
| Успешных поверок (СИ пригодно) | 279 (97%) |
| Неуспешных поверок (СИ непригодно) | 10 (3 %) |
| Актуальность информации | 29.03.2026 |
Поверители
Скачать
|
22927-09: Описание типа
2019-22927-09.pdf
|
Скачать | 218.2 КБ |
Описание типа
Назначение
Преобразователи термоэлектрические (далее - ПТ) ТХА.ГПКШ.011 и ТХК.ГПКШ.011 предназначены для измерения температуры газообразных и жидких химических сред, не разрушающих защитную арматуру.
ПТ ТХА.ГПКШ.011 и ТХК.ГПКШ.011 предназначены для измерения температуры поверхности твердых тел.
ПТ ТХА.ГПКШ.015; ТХК.ГПКШ.015 предназначены для измерения температуры газообразных и жидких неагрессивных химических сред.
ПТ ТХА.ГПКШ.017 и ТХК.ГПКШ.017 предназначены для измерения температуры поверхности твердых тел в атмосфере чистого воздуха и газообразных химически неагрессивных сред с влажностью не более 80 %.
В зависимости от назначения ПТ измерение температуры осуществляется в соответствии с методикой измерений (МВИ), аттестованной в установленном порядке.
Описание
В качестве чувствительного элемента ТХА.ГПКШ.011 и ТХК.ГПКШ.011 используются термопары с номинальной статической характеристикой (НСХ) преобразования типов K или L (по ГОСТ Р 8.585-2001), выполненные на основе термопарного кабеля КТМС внешним диаметром по оболочке 2; 3; 4,5; 4,6; 5; 6; 7,2 мм.
КТМС диаметром по оболочке 2; 3; 5; 6 мм содержит два термоэлектрода.
КТМС диаметром по оболочке 4,5; 4,6; 7,2 мм содержит четыре термоэлектрода.
Чувствительный элемент, содержащий два термоэлектрода (двухпроводная схема), имеет один рабочий спай. Чувствительный элемент, содержащий четыре термоэлектрода (четырехпроводная схема), имеет два рабочих спая. В зависимости от варианта исполнения рабочий спай термопары имеет электрический контакт с оболочкой кабеля, или не имеет.
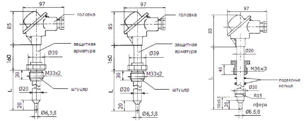
Защитной арматурой ПТ, варианты исполнения согласно рисункам 4, 9, 14 3, является оболочка кабеля КТМС, выполненная из стали 12Х18Н10Т или ХН78Т.
Защитная арматура ПТ, варианты исполнения согласно рисункам 5-8 и рисункам 10-12, выполнена из стали 12Х18Н10Т для рабочей температуры до 800 °С и ХН78Т до 1000 °С.
Корпус головки ПТ, варианты исполнения согласно рисункам 5-8 и рисункам 10-12, изготовлен из пресс-материала АГ-4В или алюминиевого сплава АК-12 в зависимости от условий эксплуатации.
Подключение к кабельной сети ПТ производится через наконечники (рисунки 4, 13, 14) или через кабельный штуцер, расположенный на головке (рисунки 5-8 и 10-12) или выводами (рисунок 9).
Наконечники и клеммы головки имеют маркировку, указанную в паспорте на ПТ.
В качестве чувствительного элемента ТХА.ГПКШ.015 и ТХК.ГПКШ.015 используются термопары с НСХ преобразования (по ГОСТ Р 8.585-2001) типов K или L, выполненные на основе термопарного кабеля КТМС внешним диаметром по оболочке 4,5; 4,6 или 6 мм.
КТМС диаметром по оболочке 6 мм содержит два термоэлектрода.
КТМС диаметром по оболочке 4,5; 4,6 мм содержит четыре термоэлектрода.
Чувствительный элемент содержащий два термоэлектрода (двухпроводная схема) имеет один рабочий спай. Чувствительный элемент содержащий четыре термоэлектрода (четырехпроводная схема) имеет два рабочих спая. Рабочий спай термопары имеет электрический контакт с оболочкой кабеля.
Защитная арматура ПТ выполнена из стали 12Х18Н10Т для рабочей температуры до
800 °С или ХН78Т до 1000 °С.
Корпус головки ПТ изготовлен из алюминиевого сплава АК-12.
Подключение к кабельной сети ПТ производится через кабельный штуцер, расположенный на головке.
Клеммы головки имеют маркировку, указанную в паспорте на ПТ.
В качестве чувствительного элемента ТХА.ГПКШ.017 и ТХК.ГПКШ.017 (рисунок 13) используются термопары с НСХ преобразования (по ГОСТ Р 8.585-2001) типов K или L с диаметром термоэлектродов 0,7 мм.
Термоэлектроды на всей длине электроизолированы один от другого и от защитной оплетки кремнеземной нитью. Рабочий спай термопары имеет электрический контакт с защитной оплеткой кабеля.
Защитная оплетка кабеля представляет собой плетенку из стали 12Х18Н10Т.
Втулка обеспечивает крепление плетенки в месте выхода термоэлектродов из защитной оплетки кабеля.
Наконечники имеют маркировку, указанную в паспорте на ПТ.
В качестве чувствительного элемента ТХА.ГПКШ.017 и ТХК.ГПКШ.017 (рисунок 14) используются термопары с НСХ преобразования типов К и L, выполненные на основе термопарного кабеля КТМС внешним диаметром по оболочке 3 мм. Рабочий спай термопары имеет электрический контакт с оболочкой. Кабельная часть выполнена из соответствующих термоэлектродов диаметром 0,7 мм изолированных кремнеземной нитью в оплетке из стали 12Х18Н10Т. Наконечники имеют маркировку, указанную в паспорте.
Фотографии общего вида преобразователей термоэлектрических представлены на рисунках 1-3. Конструктивные исполнения преобразователей термоэлектрических представлены на рисунках 4-14.
Рисунок 1 - ТХА.ГПКШ.011, ТХК.ГПКШ.011
Рисунок 2 - ТХА.ГПКШ.015, ТХК.ГПКШ.015
Рисунок 3 - ТХА.ГПКШ.017, ТХК.ГПКШ.017
Рисунок 4
защитная
aj iviaryij a
Рисунок 8
Рисунок 5
Рисунок 6
Рисунок 7
Длины L1, L2, L3, L4 конструкция и размеры прижимного устройства - по требованию заказчика.
Рисунок 9
Рисунок 10 Рисунок 11 Рисунок 12
Рисунок 13
Технические характеристики
1. Рабочий диапазон температур в зависимости от НСХ преобразования, типа ПТ и материала защитной арматуры:
• от минус 40 до плюс 400 оС, ( К, ТХА.ГПКШ.011-300 ... -310 )
• от минус 40 до плюс 1000 оС, ( К, ТХА.ГПКШ.011, защитная арматура из стали
ХН78Т)
• от минус 40 до плюс 800 оС, ( К, ТХА.ГПКШ.011, защитная арматура из стали
12Х18Н10Т)
• от минус 40 до плюс 600 оС, ( L, ТХК.ГПКШ.011)
• от минус 40 до плюс 1000 оС, ( К, ТХА.ГПКШ.015, защитная арматура из стали
ХН78Т)
• от минус 40 до плюс 800 оС, ( К, ТХА.ГПКШ.015, защитная арматура из стали
12Х18Н10Т)
• от минус 40 до плюс 600 оС, ( L, ТХК.ГПКШ.015)
• от минус 40 до плюс 800 оС, ( К, ТХА.ГПКШ.017)
• от минус 40 до плюс 600 оС, ( L, ТХК.ГПКШ.017)
2. Пределы допускаемых отклонений от НСХ соответствуют классу допуска 2 согласно ГОСТ 6616-94.
3. Показатель тепловой инерции в зависимости от типа ПТ:
• ТХА(ТХК).ГПКШ.011; ТХА(ТХК).ГПКШ.015 представлены в таблице 1
Таблица 1
|
Тип ПТ |
Наружный диаметр погружаемой части D, мм |
Тепловая инерционность, с | |
|
Рабочий спай изолированный |
Рабочий спай неизолированный | ||
|
ТХА(ТХК).ГПКШ.011 |
2 |
5 |
3 |
|
6 |
8 |
6 | |
|
8; 7,2 |
- |
8 | |
|
10 |
40 |
20 | |
|
ТХА(ТХК) .ГПКШ.015 |
6,5 |
- |
6 |
|
8 |
- |
8 | |
• ТХА(ТХК).ГПКШ.017 не более 20 с.
4. Электрическое сопротивление изоляции ПТ с изолированным рабочим спаем между цепью чувствительного элемента и защитной арматурой не менее:
• 100 МОм - при температуре (25± 10) оС и относительной влажности от 30 до 80 %;
• 1,0 МОм - при температуре (35± 2) оС и относительной влажности 98 %:
• 0,025 МОм - при температуре верхнего предела измерения температуры.
5. Длина монтажной части ПТ (L1):
• ТХА(ТХК).ГПКШ.011 (рисунок 4) от 80 до 1250 мм;
• ТХА(ТХК).ГПКШ.011 (рисунок 8) от 10 до 1600 мм;
• ТХА(ТХК).ГПКШ.011 (рисунок 9) от 70 до 412 мм;
• ТХА(ТХК).ГПКШ.017 (рисунки 13-14) 150 мм;
6. Длина погружаемой части ПТ (L):
• ТХА(ТХК).ГПКШ.011 (рисунки 5-7) от 120 до 2000 мм;
• ТХА(ТХК).ГПКШ.015 (рисунки 10-12) от 320 до 1000 мм;
7. Диаметр защитной арматуры :
• ТХА(ТХК).ГПКШ.011: 6; 7,2; 8,5; 10 мм;
• ТХА(ТХК).ГПКШ.015: 6,5; 8 мм;
• ТХА(ТХК).ГПКШ.017: 3; 4,5 мм;
8. Степень защиты от воды и пыли ПТ по ГОСТ 14254-96:
• ТХА(ТХК).ГПКШ.011 (рисунки 5-8), ТХА(ТХК).ГПКШ.015 - IP55;
• ТХА(ТХК).ГПКШ.011 (рисунки 4, 9), ТХА(ТХК).ГПКШ.017 - IP00;
9. По устойчивости к механическим воздействиям ПТ соответствуют группе исполнения N3 по ГОСТ P 52931-2008.
10. По устойчивости к климатическим воздействиям ПТ соответствуют группе исполнения С4 по ГОСТ P 52931-2008 но для работы при температуре окружающей среды от минус 50 до плюс 70 оС.
11. Средняя наработка до отказа ПТ не менее 130000 часов.
12. Вероятность безотказной работы ПТ за время 8000 часов - 0,94.
13. Средний срок службы ПТ - не менее 12 лет.
Знак утверждения типа
наносится на титульный лист паспорта ПТ типографским способом и на шильдик на корпусе (кабеле) ПТ.
Комплектность
Пре образователь термоэлектрический - 1 шт.
Руководство по эксплуатации ГПКШ 0.282.01 РЭ - 1 шт.
Пас порт - 1 шт.
Поверка
осуществляется по:
- ГОСТ 8.338-2002 «ГСИ. Преобразователи термоэлектрические. Методика поверки» в диапазоне температур от 0 до 1000 °С;
- ГОСТ 14894-69 «Термоэлектрические термометры образцовые 2-го разряда и общепромышленного назначения для низких температур. Методы и средства поверки» в диапазоне температур от минус 40 до 0 °С.
Основные средства поверки приведены в таблице 2. Таблица 2
|
Наименование средств поверки |
Характеристики |
|
Калибраторы температуры КТ-3. |
диапазон воспроизведения температуры от 300 до 1100 °С, предел допускаемой абсолютной погрешности воспроизведения температуры At = ± (0,2+0,0014) °С, нестабильность поддержания температуры ± 0,3 °С не более. |
|
Калибратор температуры СТС-1200А |
диапазон воспроизведения температуры от 300 до 1205 °С, предел допускаемой абсолютной погрешности воспроизведения температуры At = ± 2 °С, нестабильность поддержания температуры не более ± 0,1 °С |
|
Калибратор температуры АТС-650В |
диапазон воспроизведения температуры от 50 до 650 °С, предел допускаемой абсолютной погрешности воспроизведения температуры At = ± 0,35 °С, нестабильность поддержания температуры не более ± 0,02 °С |
Сведения о методах измерений
Сведения о методах измерений содержатся в руководстве по эксплуатации ГПКШ 0.282.01РЭ.
Нормативные документы
1. ГОСТ 6616-94 «Преобразователи термоэлектрические ГСП. Общие технические условия».
2. ГОСТ Р 8.585-2001 «ГСИ. Преобразователи термоэлектрические. Номинальные статические характеристики преобразования».
3. ГОСТ Р 52931-2008 «Приборы контроля и регулирования технологических процессов. Общие технические условия».
4. ГОСТ 8.558-2009 «ГСИ. Государственная поверочная схема для средств измерения температуры».
5. ГОСТ 8.338-2002 «ГСИ. Преобразователи термоэлектрические. Методика поверки».
6. ГОСТ 14894-69 «Термоэлектрические термометры образцовые 2-го разряда и общепромышленного назначения для низких температур. Методы и средства поверки».
7. Технические условия ГПКШ 0.282.01. ТУ-08
Рекомендации к применению
- при осуществлении производственного контроля за соблюдением установленных законодательством Российской Федерации требований промышленной безопасности к эксплуатации опасного производственного объекта,
Смотрите также




