25617-07: Меркурий 230АМ Счетчики электрической энергии трехфазные статические - Производители, поставщики и поверители

Счетчики электрической энергии трехфазные статические Меркурий 230АМ

ALL-Pribors default picture
Номер в ГРСИ РФ: 25617-07
Категория: Счетчики электроэнергии
Производитель / заявитель: ООО "НПК "Инкотекс", г.Москва
Скачать
25617-07: Описание типа
2013-25617-07.pdf
Скачать 107.3 КБ
25617-07: Методика поверки
2022-mp25617-07.pdf
Скачать 77.9 КБ
Нет данных о поставщике
Поверка
Счетчики электрической энергии трехфазные статические Меркурий 230АМ поверка на: www.ktopoverit.ru
КтоПоверит
Онлайн-сервис метрологических услуг

Для измерений и учета электрической активной энергии переменного тока частотой 50 Гц в трех и четырехпроводных сетях, применяются автономно или в автоматизированной системе сбора данных о потребляемой электроэнергии, для эксплуатации внутри закрытых помещений.

Информация по Госреестру

Основные данные
Номер по Госреестру 25617-07
Действует по 08.05.2018
Наименование Счетчики электрической энергии трехфазные статические
Модель Меркурий 230АМ
Характер производства Серийное
Идентификатор записи ФИФ ОЕИ a4d8d4db-54a7-dccc-168c-2d506efa5cb7
Год регистрации 2008
Информация устарела
Общие данные
Технические условия на выпуск ГОСТ Р 52320-2005, ГОСТ Р 52322-2005, ГОСТ Р 52323-2005 и АВЛГ.411152.025 ТУ
Класс СИ 34.01.03
Год регистрации 2008
Страна-производитель  Россия 
Примечание 08.05.2013 продлен срок свидетельства
Центр сертификации СИ
Наименование центра ГЦИ СИ Нижегородского ЦСМ
Адрес центра 603950, г.Нижний Новгород, ул.Республиканская, 1
Руководитель центра Свешников Александр Григорьевич
Телефон (8*831*2) 18-57-27
Факс 18-57-48
Информация о сертификате
Срок действия сертификата 08.05.2018
Номер сертификата 28579/1
Тип сертификата (C - серия/E - партия) С
Дата протокола Приказ 478 п. 01 от 08.05.201314д2 от 25.12.08 п.553
Производитель / Заявитель

ООО "Научно-производственная холдинговая компания "Инкотекс", г.Москва. ООО "НПК "Инкотекс", г.Москва; ООО "Фирма "Инкотекс", г.Москва (срок свидетельства: 01.08.2012 г.)

 Россия 

105484, ул.16-я Парковая, д.26, Юр.адрес: 129110, Банный пер., д.2, стр.1, Тел./факс (495) 780-77-38, 741-59-96, E-mail: firma@incotex.ru

Поверка

Методика поверки / информация о поверке АВЛГ.411152.025 ИЗ
Межповерочный интервал / Периодичность поверки
10 лет
Зарегистрировано поверок
Найдено поверителей
Успешных поверок (СИ пригодно) 48887 (95%)
Неуспешных поверок (СИ непригодно) 2510 (5 %)
Актуальность информации 10.04.2026
Найти результаты поверки
Указан в паспорте или на самом приборе

Поверители

КтоПоверит
Онлайн-сервис метрологических услуг
Счетчики электрической энергии трехфазные статические Меркурий 230АМ поверка на: www.ktopoverit.ru
КтоПоверит
Онлайн-сервис метрологических услуг

Скачать

25617-07: Описание типа
2013-25617-07.pdf
Скачать 107.3 КБ
25617-07: Методика поверки
2022-mp25617-07.pdf
Скачать 77.9 КБ

Описание типа

Назначение

Счётчики электрической энергии трёхфазные статические «Меркурий 230АМ» прямого и трансформаторного включения, предназначены для учёта электрической активной энергии переменного тока частотой 50 Гц в трёх и четырёхпроводных сетях.

Описание

Счётчики «Меркурий 230АМ» обеспечивают регистрацию и хранение значений потребляемой электроэнергии по одному тарифу с момента ввода в эксплуатацию.

Модификации счётчиков имеют одинаковые метрологические характеристики и единое конструктивное исполнение частей, определяющих эти характеристики.

Модификации счётчиков приведены в таблице 1.

Таблица 1

Модификации счётчика

Класс точности

Номинальный (максимальный) ток, А

Номинальное напряжение,

В

Постоянная счётчика, имп./(кВт-ч)

Чувствительность, мА

в режиме телеметрии

в режиме поверки

Меркурий 230АМ-00

0,5S

5(7,5)

57,7

8000

170700

5

Меркурий 230АМ-01

1,0

5(60)

230

1600

-

20

Меркурий 230АМ-02

1,0

10(100)

230

1600

-

25

Меркурий 230АМ-03

0,5S

5(7,5)

230

800

17070

5

В счётчиках функционирует импульсный выход основного передающего устройства. В счётчиках «Меркурий 230АМ-00» и «Меркурий 230АМ-03» импульсный выход основного передающего устройства имеет два режима работы - режим телеметрии и режим поверки.

Счётчики могут применяться автономно или в автоматизированной системе сбора данных о потребляемой электроэнергии.

Счётчики предназначены для эксплуатации внутри закрытых помещений.

Корпус счётчиков изготовляется методом литья из ударопрочной пластмассы, изолятор контактов изготовляется из пластмассы с огнезащитными добавками.

Конструктивно счётчики состоят из следующих узлов:

- корпуса (основания корпуса, крышки корпуса, клеммной крышки);

- клеммной колодки;

- печатного узла.

Печатный узел представляет собой плату с электронными компонентами, которая устанавливается в основании корпуса. Печатная плата подключается к клеммной колодке с помощью проводов.

Крышка корпуса крепится к основанию защелками и одним или двумя винтами (в зависимости от модификации) и имеет окно для считывания показаний с УО и для наблюдения за светодиодным индикатором функционирования.

Клеммная колодка состоит из четырёх клемм для подключения электросети и нагрузки.

На печатном узле находятся:

- блок питания;

- оптрон импульсного выхода;

- микроконтроллер (МК);

- энергонезависимое запоминающее устройство;

- УО.

На рисунке 1 приведена фотография общего вида счётчика «Меркурий 230АМ»

Рисунок 1

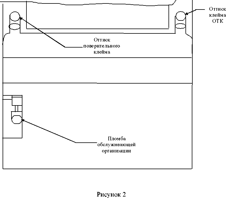
Схема пломбирования счётчика приведена на рисунке 2.

Технические характеристики

Основные метрологические и технические характеристики счётчиков приведены в таблице 2.

Таблица 2

Наименование параметра

Допускаемое значение

Примечание

Номинальное напряжение, В

согласно таблицы 1

Установленный рабочий диапазон напряжений

(0,9...1,1)Uhom

Расширенный рабочий диапазон напряжений

(0,8...1,15)Uhom

Предельный рабочий диапазон напряжений

(0...1,15)Uhom

Номинальный (максимальнывй) ток, А

согласно таблицы 1

Класс точности

согласно таблицы 1

Частота сети, Гц

50

Чувствительность

согласно таблицы 1

Постоянная счётчиков

согласно таблицы 1

Максимальные параметры импульсного выхода: - напряжение, В

- ток, мА

24

30

Полная мощность, потребляемая цепью напряжения не более, В-А

7,5

Полная мощность, потребляемая цепью тока не более, В-А

0,1

Продолжение таблицы 2

Наименование параметра

Допускаемое значение

Примечание

Активная мощность, потребляемая цепью напряжения не более, Вт

1,0

Предельный диапазон хранения и транспортирования, °С

от минус 40 до плюс 70

Средняя наработка до отказа, ч

140000

Средний срок службы, лет

30

Масса счётчика не более, кг

1,5

Г абаритные размеры (длина, ширина, высота), мм

258x170x74

Класс защиты счётчиков от проникновения пыли и воды IP51 по ГОСТ 14254-96.

Знак утверждения типа

Знак утверждения типа наносится на панель счётчика методом офсетной печати или фото способом.

В эксплуатационной документации на титульных листах знак утверждения типа наносится типографским способом.

Комплектность

Комплект поставки приведён в таблице 3.

Таблица 3

Обозначение документа

Наименование и условное обозначение

Кол.

Счётчик электрической энергии трёхфазный статический «Меркурий 230АМ-00»

(или «Меркурий 230АМ-01», «Меркурий 230АМ-02», «Меркурий 230АМ-03») в потребительской таре

1

АВЛГ.411152.025 ПС

Паспорт

1

АВЛГ.411152.025 И3*

Методика поверки

1

АВЛГ.411152.025 РС**

Руководство по среднему ремонту

1

* Поставляется по отдельному заказу организациям, производящим поверку и эксплуатацию счётчиков.

* * Поставляется по отдельному заказу организациям, проводящим послегарантийный ремонт.

Поверка

осуществляется по документу АВЛГ.411152.025 И3 «Счётчики электрической энергии трёхфазные статические «Меркурий 230АМ». Методика поверки», согласованному руководителем ГЦИ СИ ФБУ «Нижегородский ЦСМ» 9 июня 2007 г.

Перечень эталонов, применяемых при поверке:

- установка для поверки счётчиков электрической энергии К68001 (класс точности 0,05; номинальное напряжение 3x230/400 В, 3x57,7/100 В; ток (0,01...100) А).

Нормативные документы

1 ГОСТ Р 52320-2005 Аппаратура для измерения электрической энергии переменного тока. Общие требования. Испытания и условия испытаний. Часть 11. Счётчики электрической энергии.

2 ГОСТ Р 52322-2005 Аппаратура для измерения электрической энергии переменного тока. Частные требования. Часть 21. Статические счётчики активной энергии классов точности 1 и 2.

3 ГОСТ Р 52323-2005 Аппаратура для измерения электрической энергии переменного тока. Частные требования. Часть 22. Статические счётчики активной энергии классов точности 0,2S и 0,5S.

4 АВЛГ.411152.025 ТУ. Счётчики электрической энергии трёхфазные статические «Меркурий 230АМ». Технические условия.

Рекомендации к применению

- осуществление торговли и товарообменных операций

Другие Счетчики электроэнергии

Default ALL-Pribors Device Photo
25727-03
СО-ИТ2 Счетчики электрической энергии однофазные
ООО "Тирекс", РОССИЯ, г.Москва
Для измерений учета активной энергии в двухпроводных сетях переменного тока в быту и на подстанциях электропитания промышленных объектов.
Default ALL-Pribors Device Photo
25728-03
СА4-ИТ2 Счетчики электрической энергии трехфазные
ООО "Тирекс", РОССИЯ, г.Москва
Для измерения и учета активной электрической энергии в трехфазных четырехпроводных сетях переменного тока частотой 50 Гц.
Default ALL-Pribors Device Photo
25768-03
ЦЭ6807Б1М Счетчики электрической энергии
ОАО "Мытищинский электротехнический завод", РОССИЯ, г.Мытищи
Для измерения активной энергии в однофазных двухпроводных сетях переменного тока с номинальной частотой 50 (60) Гц в бытовом секторе и на предприятиях малого бизнеса, а также для экспорта, в том числе в страны с тропическим климатом.
Default ALL-Pribors Device Photo
25769-03
ЦЭ6807Ш1-2 Счетчики электрической энергии
ОАО "Мытищинский электротехнический завод", РОССИЯ, г.Мытищи
Для измерения активной энергии в однофазных двухпроводных сетях переменного тока с номинальной частотой 50 (60) Гц в бытовом секторе и на предприятиях малого бизнеса, а также для экспорта, в том числе в страны с тропическим климатом.
Default ALL-Pribors Device Photo
Для поверки и регулировки однофазных и трехфазных электронных счетчиков активной энергии (ГОСТ 30206-94), трехфазных счетчиков реактивной энергии (ГОСТ 26035-83) и приборов типа БИМ входящих в состав комплексов измерительно-информационных и управляющ...