Головки делительные оптические ОДГЭ
| Номер в ГРСИ РФ: | 26906-15 |
|---|---|
| Производитель / заявитель: | ОАО "Швабе - Оборона и Защита", г.Новосибирск |
Г оловки делительные оптические ОДГЭ (далее - головки) предназначены для угловых измерений и делительных работ.
Информация по Госреестру
| Основные данные | |
|---|---|
| Номер по Госреестру | 26906-15 |
| Действует | по 28.02.2030 |
| Наименование | Головки делительные оптические |
| Модель | ОДГЭ |
| Код идентификации производства |
ОС
СИ не соответствует критериям подтверждения производства на территории
РФ в соответствии с постановлением №719
|
| Характер производства | Серийное |
| Идентификатор записи ФИФ ОЕИ | 0b84c819-3112-bd3a-fd68-05f66f463d37 |
Производитель / Заявитель
Акционерное общество «Новосибирский приборостроительный завод» (АО «НПЗ»), г. Новосибирск; АО "Швабе - Оборона и Защита", г.Новосибирск ( срок свидетельства: 16.04.2020 г.)
Поверка
| Межповерочный интервал / Периодичность поверки |
2 года
|
| Зарегистрировано поверок | |
| Найдено поверителей | |
| Успешных поверок (СИ пригодно) | 691 (100%) |
| Неуспешных поверок (СИ непригодно) | 3 (0 %) |
| Актуальность информации | 13.05.2026 |
Поверители
Скачать
|
26906-15: Описание типа
2020-26906-15.pdf
|
Скачать | 256.6 КБ | |
|
26906-15: Методика поверки
2022-mp26906-15.pdf
|
Скачать | 68 КБ |
Описание типа
Назначение
Головки делительные оптические ОДГЭ (далее - головки) предназначены для угловых измерений и делительных работ.
Описание
Головка представляет собой высокоточный измерительный прибор с отсчётным устройством проекционного типа. Принцип действия головки заключается в одновременном вращении вокруг одной и той же оси угломерного лимба и закреплённого проверяемого изделия. Такой осью является шпиндель головки, на котором жёстко закреплён угломерный лимб и устанавливается проверяемое изделие.
Головки изготавливаются трех модификаций: ОДГЭ-2, ОДГЭ-5, ОДГЭ-20.
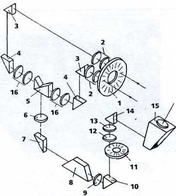
Оптическая схема головок ОДГЭ-2 и ОДГЭ-5 (рисунок 1).
Свет от источника излучения через гибкие световоды освещает диаметрально противоположные штрихи лимба (1). Лимб имеет деления через 10' с оцифровкой каждого штриха в угловых градусах и десятках минут. Изображение диаметрально расположенных штрихов лимба переносятся объективами (2), линзовым компенсатором (16) и призмами (3) и (4) в плоскость разделительного блока (5), состоящего из двух склеенных прямоугольных призм. На гипотенузе одной из призм нанесён отражающий слой, покрывающий одну половину площади гипотенузы. Граница этого слоя образует линию раздела, перпендикулярно которой изображаются штрихи основного лимба. Линзы (6) и (9) с призмами (7) и (9) переносят изображение штрихов в плоскость круговой шкалы (11), кинематически связанной с компенсатором (16). Линзы (6) и (9) установлены так, что между ними образуется параллельный ход лучей. Это позволяет установить между ними призму Дове (8). Разворотом этой призмы можно добиться необходимого поворота изображения «оцифрованных» штрихов основного лимба в плоскости шкалы (11) компенсатора. Шкала имеет деления, градуированные в угловых минутах и секундах, а весь её предел от 0'0” до конечного штриха 10'00” соответствует одному интервалу деления основного лимба в пределах 10'. Система собрана и отъюстирована так, что на шкале (11) видны нониально совмещённые штрихи, расположенные на одном диаметре, а оцифровка штрихов шкалы располагается на продолжении «оцифровки» основного лимба. Всё изображение переносится линзами (12), (13) и призмой (13) в плоскость экрана (15).
Рисунок 1 - Оптическая схема делительных головок ОДГЭ-2 и ОДГЭ-5
Применение в схеме двустороннего отсчёта практически исключает ошибку эксцентриситета лимба.
Оптическая схема головки ОДГЭ-20 (рисунок 2) отличается от рассмотренной выше применением одностороннего отсчёта.
Количество штрихов на шкалах (11) для каждого типа головок различно.
Рисунок 2 - Оптическая схема делительной головки ОДГЭ-20
Общий вид головки представлен на рисунке 3. Конструктивно головка состоит из собственной головки (1), станины (2), задней бабки (3) и осветителя (4).
Рисунок 3 - Головка в комплекте
На головке можно производить разные точные фрезерные работы (фрезерование шлицев на шлицевых валиках, взаимосвязанных угловыми размерами шпоночных пазов и т. д.), сверление отверстий, разметку, нанесение делений на шкалы и проверку ранее произведённых. Программный продукт, используемый для получения результатов измерений, отсутствует.
Для защиты головки от несанкционированного доступа производится пломбировка одного винта на панели с отсчетным экраном, идентификационная наклейка размещается на боковой стороне корпуса, справа.
Метрологические и технические характеристики приведены в таблице 1.
Т а б л и ц а 1
|
Наименование показателя |
ОДГЭ-2 |
ОДГЭ-5 |
ОДГЭ-20 |
|
Диапазон измерений углов, ...° |
от 0 до 360n, (где n - 1, 2, 3) | ||
|
У глы установки оси шпинделя относительно основания, .° |
0; 90 | ||
|
Диаметр изделия, измеряемого в центрах, без использования подставок для увеличения высоты центров, мм |
300 | ||
|
Длина изделия, измеряемого в центрах, мм: - при малой станине - при большой станине |
600 1100 | ||
|
Цена деления лимба грубой установки, ...° |
1 | ||
|
Цена деления лимба, |
10 |
10 |
60 |
|
Цена деления отсчетной шкалы, .. ” |
2 |
5 |
20 |
|
Посадочное отверстие шпинделя |
Конус Морзе 4 АТ6 | ||
|
Посадочное отверстие конической втулки задней бабки |
Конус Морзе 2 АТ6 | ||
|
Допуск параллельности линии центров головки и задней бабки относительно поверхности основания и боковым поверхностям направляющих сухарей головки и задней бабки на длине 100 мм, мм, не более |
0,01 | ||
|
Радиальное биение образующей конуса центра, вставленного в шпиндель, мм, не более |
0,0025 |
0,004 |
0,008 |
|
Осевое биение шпинделя, мм, не более |
0,0025 |
0,003 |
0,005 |
|
Допуск параллельности оси шпинделя головки в горизонтальном положении относительно боковых поверхностей направляющих сухарей и опорной поверхности корпуса головки на длине 100 мм, мм, не более |
0,002 |
0,003 |
0,005 |
|
Допуск перпендикулярности оси шпинделя в вертикальном положении относительно опорной поверхности корпуса головки на длине 140 мм, мм, не более |
0,003 |
0,004 |
0,007 |
|
Пределы допускаемой абсолютной погрешности при измерении любого угла на любом участке лимба, ...” |
±(2+2 sin а ) (где а - изме |
±(5+5 sin 22-) ренный угол) |
±20 |
|
Вариация показаний головки (при измерении прямым и обратным ходами), .. ” |
1 |
2 |
5 |
|
Изменение показаний при зажиме шпинделя, .. ”, не более |
1 |
1 |
8 |
|
Средняя квадратическая погрешность наведения, . ” |
0,5 |
1 |
4 |
|
Вариация показаний компенсатора, ...”, не более |
2 |
3 |
15 |
|
Допуск параллельности направляющего паза станины относительно ее боковой рабочей поверхности на длине 1000 мм, мм |
0,005 |
0,005 |
0,01 |
Продолжение таблицы 1
|
Наименование показателя |
ОДГЭ-2 |
ОДГЭ-5 |
ОДГЭ-20 |
|
Допуск перпендикулярности рабочей, боковой поверхности станины относительно ее верхней поверхности, ... |
5 |
5 |
10 |
|
Допустимая нагрузка, кг |
70 | ||
|
Размер изображения на экране, мм, не менее |
34x10 |
34x10 |
36x8 |
|
Освещенность экрана, лк, не менее |
10 |
10 |
15 |
|
Электропитание от сети переменного тока: - напряжение, В - частота, Гц |
(220: 3232 ) 50 ±1 | ||
|
Номинальная потребляемая мощность, Вт, не более |
120 | ||
|
Габаритные размеры, мм, не более: - головки - задней бабки - малой станины - большой станины |
280x395x250 270x85x195 1320x385x230 1825x385x275 | ||
|
Масса, кг, не более: - головки - задней бабки - малой станины - большой станины - осветителя |
60 15 160 230 10 | ||
|
Условия эксплуатации по гр. В1 ГОСТ Р 52931: - температура окружающего воздуха, °С - верхнее значение относительной влажности, % - скорость изменения температуры, °С в ч, не более |
(20±3) 80 0,5 | ||
|
Установленный полный ресурс, ч, не менее |
6000 | ||
|
Установленный срок службы, лет, не менее |
5 |
6 |
6,5 |
Знак утверждения типа
наносится на шильдик на основании прибора фотохимическим методом и на титульный лист паспорта типографским способом.
Комплектность
Комплектность головок приведена в таблице 2.
Т а б л и ц а 2
|
Обозначение |
Наименование |
Кол. | ||
|
ОДГЭ-2 |
ОДГЭ-5 |
ОДГЭ-20 | ||
|
АЛ4.049.002-01 |
АЛ4.049.002 |
АЛ4.049.002-02 |
Г оловка делительная оптическая |
1 |
|
АЛ6.303.011-01 |
АЛ6.303.011 |
АЛ6.303.011-02 |
Бабка задняя |
1 |
|
АЛ5.142.265 |
АЛ5.142.265 |
АЛ5.142.265 |
Осветитель |
1 |
|
АЛ6.303.006 |
АЛ6.303.006 |
АЛ6.303.006 |
Приспособление для проверки правильности установки центров |
1* |
|
АЛ6.360.032 |
АЛ6.360.032 |
АЛ6.360.032 |
Поводок |
1* |
|
АЛ8.327.044 |
АЛ8.327.044 |
АЛ8.327.044 |
Центр с конусом Морзе 4 АТ6 |
1 |
|
АЛ8.327.047 |
АЛ8.327.047 |
АЛ8.327.047 |
Центр с конусом Морзе 4 АТ6 |
1 |
Приложение таблицы 2
|
Обозначение |
Наименование |
Кол. | ||
|
ОДГЭ-2 |
ОДГЭ-5 |
ОДГЭ-20 | ||
|
Инструменты и принадлежности | ||||
|
АЛ6.395.014 |
АЛ6.395.014 |
АЛ6.395.014 |
Ключ |
1 |
|
АЛ6.395.015 |
АЛ6.395.015 |
АЛ6.395.015 |
Ключ |
1 |
|
АЛ6.395.016 |
АЛ6.395.016 |
АЛ6.395.016 |
Ключ |
1 |
|
АЛ7.006.511 |
АЛ7.006.511 |
АЛ7.006.511 |
Бленда |
1 |
|
Запасные части | ||||
|
Лампа КГМ9-70 ТУ16-535.229-75 |
2 | |||
|
Лампа КМ12-90 ТУ16-88 ИГАВ.675250.001 ТУ |
2 | |||
|
Вставка плавкая ВП1-1-2,0 А АГ0.481.303 ТУ |
3 | |||
|
АЛ8.333.367 |
АЛ8.333.367 |
АЛ8.333.367 |
Рукоятка |
4 |
|
Тара | ||||
|
АЛ4.161.403-01 |
АЛ4.161.403 |
АЛ4.161.403-02 |
Ящик укладочный |
1 |
|
АЛ4.161.405-01 |
АЛ4.161.405 |
АЛ4.161.405-02 |
Ящик укладочный |
1 |
|
АЛ6.832.034 |
АЛ6.832.034 |
АЛ6.832.034 |
Чехол защитный |
1 |
|
Эксплуатационная документация | ||||
|
АЛ2.787.055 ПС |
АЛ2.787.055 ПС |
АЛ2.787.055 ПС |
Г оловки делительные оптические ОДГЭ-2, ОДГЭ-5, ОДГЭ-20. Паспорт |
1 |
|
Примечание — ^Приспособления находятся в укладочном ящике АЛ4.161.403 в разобранном виде. | ||||
Поверка
осуществляется в соответствии с ГОСТ 8.046-2010 «ГСИ. Головки делительные оптические.
Методика поверки».
Основные средства поверки приведены в таблице 3.
Таблица 3
|
Наименование |
Основные метрологические характеристики |
|
Плита поверочная |
630x400; КТ 1 |
|
Линейка оптическая ОЛ-1600 |
ПГ ±2,5 мкм |
|
Микатор |
1-ИПМ, ПГ±0,0005 |
|
Угломер УН |
тип 2, КТ 2 |
|
Г ири (набор) |
1кг.. ,10кг, ГОСТ OIML R 111-1-2009, класс точности М2 |
|
Автоколлиматор АКУ-0,2 |
ПГ ±1,5" |
|
Мера плоского угла призматическая тип 4 |
8 граней, разряд 1, КТ 0 |
|
Уровень брусковый |
200-0,02, ПГ ±0,006 мм |
|
Уровень брусковый |
100-0,15, ПГ ±0,04 мм |
Допускается применение аналогичных средств поверки, обеспечивающих определение метрологических характеристик поверяемых средств измерений с требуемой точностью.
Результаты поверки удостоверяются свидетельством о поверке, и (или) записью в паспорте средства измерений, заверяемой подписью поверителя и знаком поверки.
Сведения о методах измерений
приведены в эксплуатационном документе.
Нормативные документы
ТУ 3-3.199-80 «Головки делительные оптические ОДГЭ. Технические условия»
ГОСТ 8.016-81 «ГСИ. Государственный первичный эталон и государственная поверочная схема для средств измерений плоского угла»
ГОСТ 8.046-2010 «ГСИ. Головки делительные оптические. Методика поверки»



