Микроамперметры и милливольтметры щитовые М42304, М42305, М42306, М4273М, М4277М, М4265М, М42670, М42610, М42611, М42612
| Номер в ГРСИ РФ: | 37282-08 |
|---|---|
| Категория: | Вольтметры |
| Производитель / заявитель: | ОАО "Электроприбор", г.Чебоксары |
Для измерения силы тока или напряжения в электрических цепях постоянного тока и применяются в различных отраслях промышленности. По согласованию с потребителем могут быть изготовлены в специальном исполнении и предназначены: -милливольтметры М42304 для измерения термоэлектродвижущих сил термопар с номинальной статической характеристикой преобразования ХА(К), XK(L), ПП(8),ПР(В), со специальной шкалой и могут быть применены для контроля температуры; -микроамперметры М42304, со специальной шкалой, для измерения уровня шума; -микроамперметры М42304, М42305, для работы в условиях с повышенными механическими характеристиками эксплуатации.
Информация по Госреестру
| Основные данные | |
|---|---|
| Номер по Госреестру | 37282-08 |
| Действует | по 26.12.2017 |
| Наименование | Микроамперметры и милливольтметры щитовые |
| Модель | М42304, М42305, М42306, М4273М, М4277М, М4265М, М42670, М42610, М42611, М42612 |
| Код идентификации производства |
ОС
СИ не соответствует критериям подтверждения производства на территории
РФ в соответствии с постановлением №719
|
| Характер производства | Серийное |
| Идентификатор записи ФИФ ОЕИ | 2dd5aecc-4d0c-9d86-a917-f9a11700fab6 |
| Год регистрации | 2008 |
| Общие данные | |
|---|---|
| Технические условия на выпуск | ГОСТ 22261-94, ГОСТ 8711-93 и ТУ 25-7504.131-2007 |
| Класс СИ | 34.01.01 |
| Год регистрации | 2008 |
| Страна-производитель | Россия |
| Примечание | 26.12.2012 продлен срок свидетельстваВзамен № 17054-98 |
| Центр сертификации СИ | |
| Наименование центра | ГЦИ СИ ВНИИМС |
| Адрес центра | 119361, г.Москва, Озерная ул., 46 |
| Руководитель центра | Кононогов Сергей Алексеевич |
| Телефон | (8*095) 437-55-77 |
| Факс | 437-56-66 |
| Информация о сертификате | |
| Срок действия сертификата | 26.10.2017 |
| Номер сертификата | 30903 |
| Тип сертификата (C - серия/E - партия) | С |
| Дата протокола | Приказ 1177 п. 14 от 26.12.201204 от 28.03.08 п.48 |
Производитель / Заявитель
ОАО "Электроприбор", РОССИЯ, г. Чебоксары
Россия
428000, пр.И.Яковлева, 3. тел. (8352) 39-99-12; 39-98-22; факс 55-50-02; 56-25-62 www.elpribor.ru
Поверка
| Методика поверки / информация о поверке | ГОСТ 8.497-83 |
| Межповерочный интервал / Периодичность поверки |
6 месяцев
при 24 час. Работе
1 год
при 16 час
2 года
при 8 час
|
| Зарегистрировано поверок |
12895
|
| Найдено поверителей | |
| Успешных поверок (СИ пригодно) | 12762 (99%) |
| Неуспешных поверок (СИ непригодно) | 133 (1 %) |
| Актуальность информации | 21.04.2026 |
Поверители
Скачать
|
37282-08: Описание типа
2021-37282-08.pdf
|
Скачать | 953.3 КБ | |
|
37282-08: Методика поверки
2021-mp37282-08.pdf
|
Скачать | 655.9 КБ |
Описание типа
Назначение
Микроамперметры и милливольтметры щитовые М42304, М42305, М42306, М4273М, М4277М, М4265М, М42670, М42610, М42611, М42612 (далее - приборы) предназначены для измерения силы тока или напряжения в электрических цепях постоянного тока и применяются в различных отраслях промышленности.
По согласованию с потребителем приборы М42304, М42305 могут быть изготовлены в специальном исполнении и предназначены:
- милливольтметры М42304 - для измерения термоэлектродвижущих сил термопар с номинальной статической характеристикой преобразования ХА(К), XK(L), nn(S),nP(B), со специальной шкалой и могут быть применены для контроля температуры;
- микроамперметры М42304 - со специальной шкалой, для измерения уровня шума;
- микроамперметры М42304, М42305 - для работы в условиях с повышенными механическими характеристиками эксплуатации.
Приборы М4273М, М4277М могут быть изготовлены со сменными шкалами.
Описание
Приборы представляют собой устройства магнитоэлектрической системы с внутрирамоч-ным магнитом, со стрелочным указателем, с равномерной шкалой, с креплением подвижной части на растяжках.
Принцип действия приборов основан на взаимодействии магнитного поля постоянного магнита с электрическим током, проходящим по обмотке рамки.
Конструктивно приборы выполнены в малогабаритных пластмассовых корпусах, защищающих измерительный механизм от загрязнений и повреждений, от воздействия пыли и брызг.
Фотографии, общий вид приборов, места нанесения маркировки и клейм показаны на рисунках 1-11.
а) б)
Рисунок 1 - Микроамперметры и милливольтметры щитовые М42304 (а), М42305 (б), М42306 (в).
в)
г) д) е)
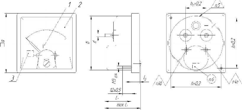
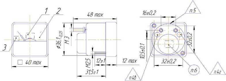
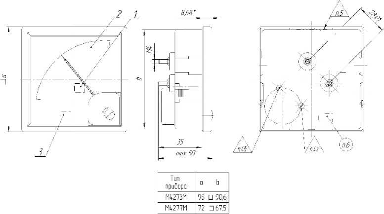
Рисунок 2 - Микроамперметры и милливольтметры щитовые М4265М (г), М4273М (д), М4277М (е).
ж) з)
Рисунок 3 - Микроамперметры и милливольтметры щитовые М42670 (ж), М42612 (з)
и)
к)
Рисунок 4 - Микроамперметры и милливольтметры щитовые М42610 (и), М42611 (к)

Г1423СК
М^23О5
Обозначение на рисунке приборов
1 - единица измерения,
2 - шкала,
3 - информация об исполнении приборов,
4 в — клеймо ОТК (место клеймения заполняется мастикой),
4 г - поверительное клеймо (место клеймения заполняется мастикой),
5 - клеймо ВП (краска штемпельная),
6 - дата выпуска (краска штемпельная).
Рисунок 5 - Общий вид, маркировка, клеймение микроамперметров и милливольтметров М42304, М42305
Обозначение на рисунке приборов:
1 — единица измерения,
2 - ш кала,
3 - информация об исполнении приборов,
4 в - клеймо ОТК (место клеймения заполняется мастикой),
4 г — поверительное клеймо (место клеймения заполняется мастикой),
5 - клеймо ВП (краска штемпельная),
6 - дата выпуска (краска штемпельная).
Рисунок 6 - Общий вид, маркировка, клеймение микроамперметров и милливольтметров М42306
□ Й7
Обозначение на рисунке приборов:
1 — елиница измерения.
2 - шкала,
3 информация об исполнении приборов,
4 в — клеймо ОТК (место клеймения заполняется мастикой).
4 г — поверительное клеймо (место клеймен ия заполняется мастикой),
5 — клеймо В1 [ (краска штемпельная),
6 - дата выпуска (краска штемпельная).
Рисунок 7 - Общий вид, маркировка, клеймение микроамперметров и милливольтметров М4265М
Обозначение на рисунке приборов:
1 - единица измерения,
2 - шкала,
3 - информация об исполнении приборов,
4 в - клеймо ОТК (место клеймения заполняется мастикой),
4 г - поверителыюе клеймо (место клеймения заполняется мастикой),
5 - клеймо ВП (краска штемпельная),
6 - дата выпуска (краска штемпельная).
Рисунок 8 - Общий вид, маркировка, клеймение микроамперметров и милливольтметров М4273М, М4277М
Обозначение на рисунке приборов:
1 единица измерения,
2 - шкала,
3 - информация об исполнении приборов,
4 в - клеймо ОТК (место клеймения заполняется мастикой),
4 г - доверительное клеймо (место клеймения заполняется мастикой),
5 - клеймо ВП (краска штемпельная),
6 - дата выпуска (краска штемпельная).
Рисунок 9 - Общий вид, маркировка, клеймение микроамперметров и милливольтметров М42670
Рисунок 10 - Общий вид, маркировка, клеймение микроамперметров и милливольтметров М42612
|
Тип приЗорп |
п |
Ь |
h. |
ц |
L2 L3 d |
|
мшю |
% |
□ 90.6 |
28 |
50 |
35 8 М4 |
|
№2611 |
72 |
□ 67,5 |
28 |
50 |
35 8 № |
Обозначение на рисунке приборов:
1 - единица измерения,
2 - шкала,
3 - информация об исполнении приборов,
4 в - клеймо ОТК (место клеймения заполняется мастикой),
4 г - поверительное клеймо (место клеймения заполняется мастикой),
5 - клеймо ВП (краска штемпельная),
6 - дата выпуска (краска штемпельная).
Рисунок 11 - Общий вид, маркировка, клеймение микроамперметров и милливольтметров М42610, М42611
Основные метрологические и технические характеристики
Наименование и тип прибора, класс точности, длина шкалы приведены в таблице 1.
Таблица 1
|
Наименование прибора |
Тип прибора |
Класс точности |
Длина шкалы, мм,не менее |
|
М42304 |
1,5 или 2,5 |
60 | |
|
М42305 |
1,5или 2,5 |
44 | |
|
М42306 |
2,5или 4,0 |
26 | |
|
М4273М |
1,5 |
95 | |
|
Микроамперметры и |
М4277М |
1,5 |
60 |
|
милливольтметры |
М4265М |
1,5 или 2,5 |
94 |
|
М42670 |
1,5 |
38 | |
|
М42610 |
1,5 или 2,5 |
85 | |
|
М42611 |
1,5 или 2,5 |
55 | |
|
М42612 |
1,5 или 2,5 |
38 | |
|
Примечание. Класс точности милливольтметров М42304, М42305, М |
42610, М42611, М42612 с диапа- | ||
|
зоном измерения 0-25; 25-0-25; М42304 с диапазоном измерения 0-11, |
257; 0-13,155; 0-13,585 мВ только | ||
|
2,5, милливольтметров М42306 с диапазоном измерения 0-25 и 25-0-25 мВ только 4,0. | |||
Диапазоны измерений, падение напряжения или ток полного отклонения, сопротивление внешней цепи и способ включения соответствуют таблицам 2,3,4,5.
Таблица 2
|
Тип прибора |
Диапазон измерений, мкА |
Сопротивление внешней цепи, кОм, не менее |
Падение напряжения, мВ, не более |
Способ включения | |
|
Шкала с нулевой отметкой на краю диапазона |
Шкала с нулевой отметкой внутри диапазона | ||||
|
М42304 М42305 М42306 |
0 - 10* 0 - 20* 0 - 30* 0 - 50 |
5 -0- 5* 10-0- 10* 20-0- 20* 25 -0- 25* 30 -0- 30* 50 -0- 50 |
50-100 50 30 2,5 2,5 2,5 |
200 |
Непосредственно |
|
М42611 М42612 |
0-50 |
25 - 0 - 25 30 - 0 - 30 50 - 0 - 50 |
2,5 | ||
|
М4265М М42610 |
0-100 0-200 0-300 0-500 0-750** 0-1000 |
50-0-50 100-0-100 200-0-200 300-0-300 500-0-500 750-0-750** 1000-0-1000 |
2,5 1,0 - - - - - |
200 |
Непо-средст-венное |
|
М4273М М4277М М42670 |
0-40*** 0-60*** 0-100 0-150 0-250 0-400 0-600 0-1000 **** |
40-0-40*** 60-0-60*** 100-0-100 150-0-150 250-0-250 400-0-400 600-0-600 1000-0-1000**** |
2,5 2,0 1,0 - -- -- |
220 130 150 220 200 100 150 66 **** | |
|
* кроме микроамперметров М42304, М42305, предназначенных для работы в условиях с повышенными механическими характеристиками эксплуатации. * * только для микроамперметров М4265М. * ** кроме микроамперметров М4273М, М4277М со сменными шкалами. * *** только для микроамперметров М4273М, М4277М со сменными шкалами. | |||||
Таблица 3
|
Тип прибора |
Диапазон измерений, мВ |
Сопротивление внешней цепи, кОм, не менее |
Ток полного отклонения, мА, не более |
Способ включения | |
|
Шкала с нулевой отметкой на краю диапазона |
Шкала с нулевой отметкой внутри диапазона | ||||
|
М42304 |
0- 25* |
25-0- 25 | |||
|
М42305 |
0- 50 |
50-0- 50 | |||
|
М42306 |
0- 75 |
75-0- 75 | |||
|
М4265М |
0- 150 |
150-0-150 |
2 | ||
|
М42610 |
0- 300 |
300-0- 300 |
C калибров- | ||
|
М42611 |
0- 500 |
500-0- 500 | |||
|
М42612 |
0- 750 |
750-0- 750 |
анными | ||
|
0-1000 |
1000-0-1000 |
проводами сопротивлением | |||
|
0-25** |
25-0-25** | ||||
|
0-40** |
40-0-40** | ||||
|
0-60 |
60-0-60 |
R= (0,035+ | |||
|
М4273М |
0-100 |
100-0-100 |
1,65*** |
0,002) Ом | |
|
М4277М |
0-150 |
150-0-150 | |||
|
М42670 |
0-250 |
250-0-250 | |||
|
0-400 |
400-0-400 | ||||
|
0-600 |
600-0-600 | ||||
* кроме милливольтметров М4265М.
** кроме милливольтметров М4273М, М4277М со сменными шкалами.
*** для милливольтметров М4273М, М4277М со сменными шкалами - 5,1мА.
Таблица 4
|
Тип прибора |
Диапазон измерений, мкА |
Числовая отметка шкалы, дБ |
Ток соответствующий числовым отметкам шкалы, мкА |
Падение напряжения, мВ, не более |
Способ включения |
|
Микроамперметры М42304 для измерения уровня шума |
0-150 |
-5 -2 0 2 4 6 8 10 |
18,00 28,90 39,00 52,00 69,00 89,75 116,25 150,00 |
400 |
Непосредственно |
|
По согласованию с предприятием-изготовителем возможно изготовление приборов с другими диапазонами измерений чувствительностью не выше 150 мкА. | |||||
Таблица 5
|
Тип прибора |
Диапазон измерений |
Числовые отметки шкалы, °С |
Напряжение, соответствующее числовым отметкам шкалы, мВ |
Ток полного отклонения, мА, не более |
Способ включения | |
|
мВ |
°С и обозначение номинальной статической характеристики преобразователя | |||||
|
200 |
1,440 | |||||
|
400 |
3,260 | |||||
|
600 |
5,237 | |||||
|
0-13,155* |
0-1300 ПП (S) |
800 |
7,345 | |||
|
1000 |
9,585 | |||||
|
1200 |
11,947 | |||||
|
1300 |
13,155 | |||||
|
300 |
0,431 | |||||
|
400 |
0,786 | |||||
|
600 |
1,791 | |||||
|
0-11,257* |
0-1600 ПР(В) |
800 1000 |
3,154 4,833 | |||
|
1200 |
6,783 | |||||
|
Милливольтметры М42304 для измерения термоэлектродвижущих сил термопар |
1400 1600 |
8,952 11,257 |
С внешним под- | |||
|
0-13,585* |
0-1800 ПР(В) |
300 400 600 800 1000 1200 |
0,431 0,786 1,791 3,154 4,833 6,783 |
1,75 |
гоночным сопротивлением 5 Ом | |
|
1400 |
8,952 | |||||
|
1600 |
11,275 | |||||
|
1800 |
13,585 | |||||
|
100 |
6,860 | |||||
|
0-31,488 |
0- 400 XK(L) |
200 300 |
14,557 22,839 | |||
|
400 |
31,488 | |||||
|
100 |
6,860 | |||||
|
200 |
14,557 | |||||
|
0- 49,098 |
0-600 XK(L ) |
300 400 |
22,839 31,488 | |||
|
500 |
40,292 | |||||
|
600 |
49,098 | |||||
Продолжение таблицы 5
|
Тип прибора |
Диапазон измерений |
Числовые отметки шкалы, °С |
Напряжение, соответствующее числовым отметкам шкалы, мВ |
Ток полного отклонения, мА, не более |
Способ включения | |
|
мВ |
°С и обозначение номинальной статической характеристики преобразователя | |||||
|
100 |
4,095 | |||||
|
200 |
8,137 | |||||
|
300 |
12,207 | |||||
|
400 |
16,395 | |||||
|
0-37,325 |
0-900 ХА (К) |
500 |
20,640 | |||
|
600 |
24,902 | |||||
|
700 |
29,128 |
С внеш- | ||||
|
800 |
33,277 | |||||
|
900 |
37,325 |
ним подгоночным | ||||
|
100 |
4,095 8,137 12,207 16,395 20,640 24,902 29,128 33,277 37,325 41,269 45,108 | |||||
|
Милливольтметры |
200 300 |
сопро-тивле- | ||||
|
М42304 для |
400 |
нием | ||||
|
измерения |
500 |
1,75 |
5 Ом | |||
|
термоэлектродвижущих сил термопар |
0- 45,108 |
0-1100ХА(К) |
600 700 800 900 1000 1100 | |||
|
0- 49,098 |
0-600XK(L) |
100 200 300 400 500 600 |
6,860 14,557 22,839 31,488 40,292 49,098 |
С внешним подгоночным сопро-тивлен-нием | ||
|
15 Ом | ||||||
* Изготавливаются только для эксплуатации в условиях умеренного климата.
Пределы допускаемого значения основной приведённой погрешности и вариации показаний приборов не превышают значений, приведённых в таблице 6.
Габаритные размеры и масса приборов не превышают значений, приведённых в таблице 7.
Приборы предназначены для работы в условиях применения, приведённых в таблице 8.
Таблица 6
|
Тип прибора |
Пределы допускаемой основной погрешности, % |
Предел допускаемого значения вариации показаний, %, не более |
|
М42304 |
± 1,5; ± 2,5 |
1,5; 2,5 |
|
М42305 |
± 1,5; ± 2,5 |
1,5; 2,5 |
|
М42306 |
± 2,5; ± 4,0 |
2,5; 4,0 |
|
М4273М М4277М |
± 1,5 |
2,25 |
|
М4265М |
± 1,5; ± 2,5 |
2,25; 3,75 |
|
М42670 |
± 1,5 |
2,25 |
|
Тип прибора |
Пределы допускаемой основной погрешности, % |
Предел допускаемого значения вариации показаний, %, не более |
|
М42610 |
± 1,5; ± 2,5 |
2,25; 3,75 |
|
М42611 | ||
|
М42612 |
Таблица 7
|
Тип прибора |
Габаритные размеры (длина x ширина х высота), мм, не более |
Масса, кг, не более |
|
М42304 |
80x80x50 |
0,16 |
|
М42305 |
60x60x50 |
0,13 |
|
М42306 |
40x40x48 |
0,08 |
|
М4273М |
96x96x56 96x96x75* |
0,28 0,2* |
|
М4277М |
72x72x60 72x72x75* |
0,2 0,15* |
|
М4265М |
120x120x50 |
0,35 |
|
М42670 |
48x48x60 |
0,12 |
|
М42610 |
96x96x50 |
0,2 |
|
М42611 |
72x72x50 |
0,15 |
|
М42612 |
48x48x50 |
0,12 |
|
*для приборов М4273М, М4277М со сменными шкалами. | ||
Таблица 8
|
Тип прибора |
Исполнение в зависимости от климатических условий применения |
Климатические рабочие условия применения | ||||
|
температура, °С |
относительная влажность, | |||||
|
% (при темпе |
ратуре, °С) | |||||
|
по ГОСТ 22261 |
по ГОСТ 15150 |
для исполнений по ГОСТ 22261 |
для исполнений по ГОСТ 15150 |
для исполнений по ГОСТ 22261 |
для исполнений по ГОСТ 15150 | |
|
М42304 М42305 М42306 |
Группа 6* |
Т3 |
от - 50 до + 60 |
95 (+35)** |
98 (+35)* | |
|
М4265М |
Группа 5 |
Т3, но от -40 до +50 °С |
от - 40до + 50 |
95 (+35) | ||
|
М4273М*** М4277М*** М42670 М42610 М42611 М42612 |
Группа 5 |
Т3 |
от - 30 до +50 | |||
|
М42304, М42305, М42306 (пределы измерений, мкА: 0-10, 0-20, 0-30, 5-0-5, 10-0-10, 20-0-20) |
Группа 5 |
Т3 |
от - 30 до +50 |
95 (+ 30) |
98(+35) | |
* группа 6 расширенная - для приборов М42304, М42305 с повышенными механическими характеристиками.
* * 95 (+40) - для приборов М42304, М42305 с повышенными механическими характеристиками.
* ** для приборов М4273М, М4277М со сменными шкалами условия эксплуатации соответствуют группе 2 ГОСТ 22261 и исполнению «ТС» категории 3 ГОСТ 15150 в интервале температур от минус 30 до плюс 55 °С и относительной влажности 80% при температуре 25 °С.
Изменение показаний приборов, вызванное отклонением температуры окружающего воздуха от нормальной (20 ± 5) °С до любой температуры в пределах, установленных рабочими условиями применения (таблица 8), не должно превышать пределов, приведённым в таблице 9, на каждые 10 °С изменения температуры.
Таблица 9
|
Тип прибора |
Класс точности |
Допускаемые пределы изменения показаний, % |
|
М42304 |
1,5; 2,5 |
± 0,75; ± 1,25 |
|
М42305 | ||
|
М42306 |
2,5; 4,0 |
± 1,25; ± 2,0 |
|
М4265М |
1,5; 2,5 |
± 0,75; ± 1,25 |
|
М4273М |
1,5 |
± 0,75 |
|
М4277М | ||
|
М42670 | ||
|
М42610 |
1,5; 2,5 |
± 0,75; ± 1,25 |
|
М42611 | ||
|
М42612 |
Нормирующее значения при установлении приведённых погрешностей принимаются равными:
- верхнему пределу диапазона измерений - для приборов с нулевой отметкой на краю диапазона измерений;
- сумме модулей верхних пределов диапазона измерений - для приборов с нулевой отметкой внутри диапазона измерений.
Изменение показаний, вызванное:
- изменением положения прибора от нормального положения в любом направлении на 5° не должно превышать половины предела допускаемого значения основной погрешности;
- влиянием внешнего постоянного магнитного поля с напряженностью 0,4 кА/м при самом неблагоприятном направлении магнитного поля не должно превышать ± 1,5%;
- работой в условиях повышенной влажности не более предела допускаемого значения основной погрешности.
Норма средней наработки до отказа:
39000 ч - приборов М42306; М4273М, М4277М, М4265М, М42670, М42610, М42611, М42612; микроамперметров с пределами измерений мкА: 0-10, 0-20, 0-30, 5-0-5, 10-0-10, 20-0-20.
49000 ч - милливольтметров М42304, предназначенных для измерения термоэлектродви-щих сил термопар с номинальной статической характеристикой преобразования ХА(К), XK(L), 1H1(S), ПР(В), со специальной шкалой; микроамперметров М42304, со специальной шкалой, предназначенных для измерения уровня шума; микроамперметров М42304, М42305, предназначенных для работы в условиях с повышенными механическими характеристиками эксплуатации.
65750 ч - приборов М42304, М42305.
Средний срок службы приборов 12 лет*.
* Средний срок службы приборов М4273М, М4277М со сменными шкалами 8 лет.
Знак утверждения типа
Знак утверждения типа наносится на циферблат прибора, титульный лист Руководства по эксплуатации и паспорт прибора типографским способом.
Комплектность
В комплект поставки входят:
- прибор М42304 (М42305, М42306, М4273М, М4277М, М4265М, М42670, М42610, М42611, М42612) - 1 шт.
- комплект монтажных частей - 1 экз;
- калиброванные провода для милливольтметров по согласованию с заказчиком (кроме милливольтметров М42304, предназначенных для измерения термоэлектродвижущих сил термопар);
- внешнее подгоночное сопротивление (5 + 0,5) Ом или (15 + 1,5) Ом для милливольтметров М42304, предназначенных для измерения термоэлектродвижущих сил термопар;
- паспорт - 1 экз;
- руководство по эксплуатации на партию приборов (по согласованию с заказчиком) - 1 экз.
Поверка
производится в соответствии с ГОСТ 8.497-83. Государственная система единства измерений. Амперметры вольтметры ваттметры, варметры. Методика поверки.
Перечень основного оборудования для поверки:
- установка для проверки амперметров и вольтметров У300 с пульсацией не более 3 %;
- микроамперметр М2005, класса точности 0,2;
- вольтамперметр М2018 класса точности 0,2;
- мегаомметр М4110/3 с основной погрешностью ±1 %;
- универсальная пробойная установка УПУ-10, с погрешностью установки напряжения ±10 %.
Нормативные документы
1. ГОСТ 22261-94. Средства измерений электрических и магнитных величин. Общие технические условия.
2. ГОСТ 8711-93. Приборы аналоговые показывающие электроизмерительные прямого действия и вспомогательные части к ним. Часть 2. Особые требования к амперметрам и вольтметрам.
3. ГОСТ 8.497-83. ГСИ. Амперметры, вольтметры, ваттметры, варметры. Методика поверки.
4. ТУ 25-7504.131-2007. Микроамперметры и милливольтметры щитовые. Технические условия.
Рекомендации к применению
- при выполнении работ по оценке соответствия промышленной продукции и продукции других видов, а также иных объектов установленным законодательством Российской Федерации обязательным требованиям.
Другие Вольтметры













