Микроамперметры, миллиамперметры, амперметры и вольтметры М4247, М4248, М42200, М42201, М42243
| Номер в ГРСИ РФ: | 37622-08 |
|---|---|
| Категория: | Вольтметры |
| Производитель / заявитель: | ОАО "Электроприбор", г.Чебоксары |
|
37622-08: Описание типа
2012-37622-08.pdf
|
Скачать | 370.2 КБ |
Для измерения силы тока или напряжения в электрических цепях постоянного тока в различных отраслях промышленности.
Информация по Госреестру
| Основные данные | |
|---|---|
| Номер по Госреестру | 37622-08 |
| Действует | по 26.12.2017 |
| Наименование | Микроамперметры, миллиамперметры, амперметры и вольтметры |
| Модель | М4247, М4248, М42200, М42201, М42243 |
| Характер производства | Серийное |
| Идентификатор записи ФИФ ОЕИ | c08096b6-cbe2-98a6-d16c-af29a6d0a37d |
| Год регистрации | 2008 |
| Общие данные | |
|---|---|
| Технические условия на выпуск | ГОСТ 22261-94, ГОСТ 8711-93 и ТУ 25-7504.134-2008 |
| Класс СИ | 34.01.01 |
| Год регистрации | 2008 |
| Страна-производитель | Россия |
| Примечание | 26.12.2012 продлен срок свидетельстваВзамен № 17056-03 |
| Центр сертификации СИ | |
| Наименование центра | ГЦИ СИ ВНИИМС |
| Адрес центра | 119361, г.Москва, Озерная ул., 46 |
| Руководитель центра | Кононогов Сергей Алексеевич |
| Телефон | (8*095) 437-55-77 |
| Факс | 437-56-66 |
| Информация о сертификате | |
| Срок действия сертификата | 26.10.2017 |
| Номер сертификата | 31367 |
| Тип сертификата (C - серия/E - партия) | С |
| Дата протокола | Приказ 1177 п. 13 от 26.12.201205 от 18.04.08 п.206 |
Производитель / Заявитель
ОАО "Электроприбор", РОССИЯ, г.Чебоксары
Россия
428000, пр.И.Яковлева, 3. тел. (8352) 39-99-12; 39-98-22; факс 55-50-02; 56-25-62 www.elpribor.ru
Поверка
| Методика поверки / информация о поверке | ГОСТ 8.497-83 |
| Межповерочный интервал / Периодичность поверки |
2 года
при 8 час. работе
1 год
при 16 час. работе
6 месяцев
при 24 час. работе
|
| Зарегистрировано поверок |
8374
|
| Найдено поверителей | |
| Успешных поверок (СИ пригодно) | 8338 (100%) |
| Неуспешных поверок (СИ непригодно) | 36 (0 %) |
| Актуальность информации | 29.03.2026 |
Поверители
Скачать
|
37622-08: Описание типа
2012-37622-08.pdf
|
Скачать | 370.2 КБ |
Описание типа
Назначение
Микроамперметры, миллиамперметры, амперметры и вольтметры щитовые М4247, М4248, М42200, М42201, М42243 (далее - приборы) предназначены для измерения силы тока или напряжения в электрических цепях постоянного тока и применяются в различных отраслях промышленности.
Описание
Приборы представляют собой устройства магнитоэлектрической системы с внутрирамочным магнитом, со стрелочным указателем, с равномерной шкалой, с креплением подвижной части на кернах и растяжках.
Принцип действия приборов основан на взаимодействии магнитного поля постоянного магнита с электрическим током, проходящим по обмотке рамки.
Конструктивно приборы выполнены в малогабаритных пластмассовых корпусах, защищающих измерительный механизм от загрязнений и повреждений, от воздействия пыли и брызг.
Фотографии, общий вид приборов, места нанесения маркировки и клейм показаны на рисунках 1-4.
б)
а)
в) г) д)
Рисунок 1 Микроамперметры, миллиамперметры, амперметры и вольтметры щитовые
М4247 (а), М4248 (б), М42200 (в), М42201 (г), М42243 (д)

2 - шкала,-
3 - информация од исполнении сридороЗ,
4 - клейка ОГК и паберительнае клейка,-
5 - дат выпуска и клейка ВП /краска илтмгельная)
Рисунок 2 - Общий вид, маркировка, клеймение микроамперметров, миллиамперметров щитовых М4247, М4248
Обозначение на рисунке придороб
1 - единица измерения,-
2 - шкала;
3 - информация од исполнении прибороВ;
4 - клеймо ОТК и паберительное клеймо (место для клеймения заливается мастикой!;
5 - песто для клейма с номером дризадь/,-
6 - дата Выпуска и клеймо ВП (краска штемпельная)
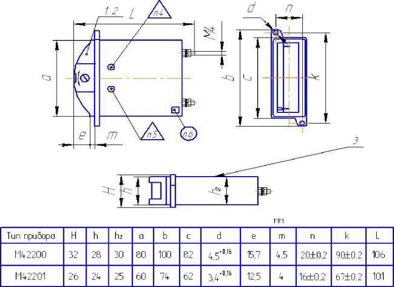
Рисунок 3 - Общий вид, маркировка, клеймение микроамперметров, миллиамперметров, амперметров и вольтметров щитовых М42200, М42201
2 - шкала;
3 - информация об исполнении прибора;
4 - дата выпуска (краска штемпельная);
5 - клеймо ОТК и поверительное клеймо
Рисунок 4 - Общий вид, маркировка, клеймение миллиамперметров щитовых М42243
Технические характеристики
Наименование и тип прибора, способ крепления подвижной части, класс точности и длина шкалы приведены в таблице 1.
Таблица 1
|
Наименование и тип прибора |
Крепление подвижной части |
Класс точности |
Длина шкалы мм, не менее |
|
Микроамперметры М4247 |
на растяжках |
4,0 |
20 |
|
Микроамперметры М4248 |
2,5 или 4,0 |
27 | |
|
Миллиамперметры М4248 |
4,0 | ||
|
Микроамперметры М42200 |
на кернах |
2,5 |
60 |
|
Миллиамперметры, амперметры, вольтметры М42200 |
1,5 или 2,5 | ||
|
Микроамперметры, миллиамперметры, амперметры, вольтметры М42201 |
40 | ||
|
Миллиамперметры М42243 |
1,0 |
94 |
Диапазон измерений, падение напряжения и способ включения в электрическую цепь микроамперметров М4247, М4248, М42200, М42201 должно соответствовать таблице 2.
Таблица 2
|
Наименование и тип прибора |
Диапазон измерений, мкА |
Падение напряже ния мВ, не более |
Способ включения | |
|
Шкала с нулевой отметкой на краю диапазона |
Шкала с нулевой отметкой внутри диапазона | |||
|
50-0-50 |
200 | |||
|
75-0-75 |
300 | |||
|
0-100 |
100-0-100 |
500 | ||
|
0-150 |
150-0-150 |
650 | ||
|
Микроампер- |
0-200 |
200-0-200 |
700 | |
|
метры М4247, |
0-250 |
250-0-250 |
900 | |
|
М4248 |
0-300 |
300-0-300 |
900 | |
|
0-400 |
400-0-400 |
1100 | ||
|
0-500 |
500-0-500 |
1400 | ||
|
0-600 |
600-0-600 |
600 | ||
|
0-1000 |
1000-0-1000 |
900 |
Непосредственно | |
|
0-100 |
100-0-100 |
720 | ||
|
0-150 |
150-0-150 |
1080 | ||
|
0-200 |
200-0-200 |
960 | ||
|
Микроамперметры М42200 М42201 |
0-250 0-300 0-400 |
250-0-250 300-0-300 400-0-400 |
960 1150 360 | |
|
0-500 |
500-0-500 |
450 | ||
|
0-600 |
600-0-600 |
540 | ||
|
0-750 |
1610 | |||
|
0-1000 |
1000-0-1000 |
600 | ||
Диапазон измерений, падение напряжения и способ включения в электрическую цепь миллиамперметров М4248, миллиамперметров и амперметров М42200, М42201 должны соответствовать таблице 3.
|
Диапазон измерений |
Падение напряжения мВ, не более | |||
|
Тип прибора |
Шкала с нулевой отметкой на краю диапазона |
Шкала с нулевой отметкой внутри диапазона |
Способ включения | |
|
Миллиамперметры М4248 |
0-5 мА* |
5-0-5 мА* | ||
|
0- 1 мА 0- 5 мА 0- 10 мА 0- 15 мА |
1-0-1 мА 5-0-5 мА 10-0-10 мА 15-0-15 мА |
600 200 60 25 | ||
|
Миллиамперметры М42200, М42201 |
0- 30 мА 0- 50 мА 0- 100 А 0- 150 мА 0- 300 мА 0- 500 мА 0- 600 мА |
30-0-30 мА 50-0- 50 мА 100-0-100 мА 150-0- 150 мА 300-0-300 мА 500-0-500 мА 600-0-600 мА |
35 |
Непосредственно |
|
0- 1 А 0- 2 А 0- 3 А 0- 5 А 0- 10 А |
1-0-1 А 2-0-2 А 3-0-3 А 5-0-5 А 10-0-10 А |
85 | ||
|
Амперметры М42200 М42201 |
0- 20 А 0- 30 А 0- 50 А 0- 75 А 0- 100 А 0-150 А 0- 200 А 0- 300 А 0- 500 А 0- 750 А 0- 1000 А 0- 1500 А 0-2000 А 0-3000 А 0-4000 А 0-6000 А |
20-0-20 А 30-0-30 А 50-0-50 А 75-0-75 А 100-0-100 А 150-0-150 А 200-0-200 А 300-0-300 А 500-0-500 А 750-0750 А 1000-0-1000 А 1500-0-1500 А 2000-0-2000 А 3000-0-3000 А 4000-0-4000 А 6000-0-6000 А |
75** |
С наружным калиброванным шунтом на 75 мВ с калиброванными проводами сопротивлением R= (0,035+ 0,002) Ом |
|
Амперметры М42200 М42201 |
0 - 7500 А 0 - 10000 А 0 - 12500 А 0 - 15000 А |
7500-0-7500 А 10000-0-10000 А 12500-0-12500 А 1500-0-15000 А |
100** |
С наружным калиброванным шунтом на 100 мВ с калиброванными проводами сопротивлением R= (0,035+ 0,002) Ом |
* Только класса точности 4,0.
** Не должно отличаться более чем на величину, соответствующую пределу допускаемого значения основной погрешности.
лист № 6
всего листов 10
Диапазон измерений, ток полного отклонения и способ включения вольтметров М42200, М42201 должны соответствовать таблице 4.
Таблица 4
|
Тип прибора |
Диапазон измерений |
Ток полного отклонения мА, не более |
Способ включения | |
|
Шкала с нулевой отметкой на краю диапазона |
Шкала с нулевой отметкой внутри диапазона | |||
|
0-2 В |
2-0-2 В | |||
|
0-3 В |
3-0-3 В | |||
|
0-7,5 В |
7,5-0-7,5 В | |||
|
0-10 В |
10-0-10 В | |||
|
0-15 В |
15-0-15 В | |||
|
0-30 В |
30-0-30 В | |||
|
Вольтметры |
0-50 В |
50-0-50 В | ||
|
М42200 |
0-75 В |
75-0-75 В |
1,1 |
Непосредственно |
|
М42201 |
0-100 В |
100-0-100 В | ||
|
0-150 В |
150-0-150 В | |||
|
0-250 В |
250-0-250 В | |||
|
0-300 В |
300-0-300 В | |||
|
0-450 В |
450-0-450 В | |||
|
0-500 В |
500-0-500 В | |||
|
0-600 В |
600-0-600 В | |||
|
Вольтметры М42200 М42201 |
0-1000 В 0-1500 В 0-3000 В |
1000-0-1000 В 1500-0-1500 В 3000-0-3000 В |
5* |
С отдельным калиброванным сопротивлением с номинальным током 5 мА |
* Не должен отличаться более чем на величину, соответствующую пределу допускаемого значения основной погрешности.
Диапазон измерений, исполнение шкалы и способ включения в электрическую цепь миллиамперметров М42243 должны соответствовать таблице 5.
Предел допускаемого значения основной погрешности приборов должен быть равен ± 1,5 % для приборов класса точности 1,5, ± 2,5 % для приборов класса точности 2,5 и ± 4,0 % для приборов класса точности 4.
Предел допускаемого значения основной погрешности должен быть выражен в виде приведенной погрешности.
Нормирующие значения при установлении приведенных погрешностей принимаются равными:
верхнему пределу диапазона измерений - для приборов с нулевой отметкой на краю диапазона измерений;
сумме модулей верхних пределов диапазона измерений - для приборов с нулевой отметкой внутри диапазона измерений.
Предел допускаемого значения вариации показаний приборов должен быть равен полуторакратному значению допускаемого значения основной погрешности.
Габаритные размеры и масса приборов не превышают значений, приведённых в таблице 6.
|
Тип прибора |
Диапазон измерений |
Исполнение шкалы |
Способ включения | |
|
Шкала с нулевой отметкой на краю диапазона |
Шкала с нулевой отметкой внутри диапазона | |||
|
Миллиамперметры М42243 |
0-5 мА |
0-2,5 кгс/см2 0-6 кгс/см2 0-10 кгс/см2 0-16 кгс/см2 0-160 кгс/см2 0-100 °С 0-150 °С 0-0,6 м 0-1 м 0-100 л/ч 0-150 л/ч 0-300 л/ч 0-500 л/ч |
Непосредственно | |
|
Миллиамперметры М42243 |
0-5 мА |
0-750 л/ч 0-1000 л/ч 0-1500 л/ч 0-1,6 м 0-40 м 0-100 дм3/с 0,8-2,6 г/см3 50-0-50 % 0-300 г/мин 0-40 мПа |
Непосредственно | |
|
0-20 мА |
0-100 % | |||
Таблица 6
|
Тип прибора |
Габаритные размеры, мм, не более |
Масса, кг, не более |
|
М4247 |
21x40x53 |
0,035 |
|
М4248 |
21x54x58 |
0,04 |
|
М42200 |
32x100x106 |
0,25 |
|
М42201 |
26х 74x101 |
0,2 |
|
М42243 |
140x42x140 |
0,5 |
Приборы предназначены для работы в условиях применения, приведённых в таблице 7.
|
Исполнение в зависимости от климатических условий применения |
Климатические рабочие условия применения | |||||
|
по ГОСТ 22261 |
по ГОСТ 15150 |
температура, °С |
относительная влажность, % (при температуре, °С) | |||
|
Тип прибора |
для исполнений по ГОСТ 22261 |
для исполнений по ГОСТ 15150 |
для исполнений по ГОСТ 22261 |
для исполнений по ГОСТ 15150 | ||
|
М4247 М4248 М42200 М42201 М42243 |
Группа 6 |
Т3 |
от - 50 до + 60 |
95 (+35) |
98(+35) | |
Изменение показаний приборов, вызванное отклонением температуры окружающего воздуха от нормальной до любой температуры в пределах, установленных рабочими условиями применения (таблица 7), должна соответствовать значениям, приведённым в таблице 8, на каждые 10 °С изменения температуры.
Таблица 8
|
Тип прибора |
Класс точности |
Изменение показаний, % |
|
М4247 |
4,0 |
± 2,0 |
|
М4248 |
2,5 |
± 1,25 |
|
4,0 |
± 2,0 | |
|
М42200, М42201 |
1,5 |
± 0,75 |
|
2,5 |
± 1,25 | |
|
Микроамперметры М42200 |
2,5 |
± 1,25 |
|
М42243 |
1,0 |
± 0,5 |
Нормирующие значения при установлении приведённых погрешностей принимаются равными:
- верхнему пределу диапазона измерений - для приборов с нулевой отметкой на краю диапазона измерений;
- сумме модулей верхних пределов диапазона измерений - для приборов с нулевой отметкой внутри диапазона измерений.
Изменение показаний, вызванное:
- изменением положения прибора от нормального положения в любом направлении на ± 5° не должно превышать половины предела допускаемого значения основной погрешности;
- влиянием внешнего постоянного магнитного поля с индукцией 0,4 кА/м при самом неблагоприятном направлении магнитного поля не должно превышать ± 1,5 %;
лист № 9
всего листов 10
- работой в условиях повышенной влажности не более предела допускаемого значения основной погрешности.
Норма средней наработки до отказа, ч
М4247, М4248 50000;
миллиамперметры, амперметры и вольтметры М42200, М42201, М42243 39000;
микроамперметры М42200, М42201 35000
Средний срок службы приборов лет, не менее 12.
Знак утверждения типа
Знак утверждения типа наносится на титульный лист Руководства по эксплуатации и паспорт прибора типографским способом.
Комплектность
В комплект поставки входят:
- прибор М4247 (М4248, М42200, М42201, М42243) - 1 шт.;
- комплект монтажных частей - 1 компл.;
- паспорт - 1 экз.
- руководство по эксплуатации на партию приборов (по согласованию с заказчиком) - 1 экз.
Поверка
производится в соответствии с ГОСТ 8.497-83. ГСИ. Амперметры, вольтметры, ваттметры, варметры. Методика поверки.
Перечень основного оборудования для поверки:
- установка для проверки амперметров и вольтметров У300 с пульсацией не более 3 %;
- микроамперметр М2005, класса точности 0,2;
- вольтамперметр М2018 класса точности 0,2;
- мегаомметр М4110/3 с основной погрешностью ±1%;
- универсальная пробойная установка УПУ-10, с погрешностью установки напряжения ±10 %.
Нормативные документы
1. ГОСТ 22261-94. Средства измерений электрических и магнитных величин. Общие технические условия.
2. ГОСТ 8711-93. Приборы аналоговые показывающие электроизмерительные прямого действия и вспомогательные части к ним. Часть 2. Особые требования к амперметрам и вольтметрам.
3. ГОСТ 8.497-83. ГСИ. Амперметры, вольтметры, ваттметры, варметры. Методика поверки.
4. ТУ 25-7504.134-2008. Микроамперметры, миллиамперметры, амперметры и вольтметры щитовые. Технические условия.
Рекомендации к применению
- при выполнении работ по оценке соответствия промышленной продукции и продукции других видов, а также иных объектов установленным законодательством Российской Федерации обязательным требованиям.
Другие Вольтметры






