Термометры сопротивления ТЭМ-100
| Номер в ГРСИ РФ: | 40592-09 |
|---|---|
| Категория: | Термометры |
| Производитель / заявитель: | АО "ТЭМ", г.С.-Петербург |
Для измерения температуры жидкости и газа путем погружения в измеряемую среду и рассчитаны для применения в различных отраслях промышленности и в ЖКХ.
Информация по Госреестру
| Основные данные | |
|---|---|
| Номер по Госреестру | 40592-09 |
| Действует | по 16.07.2029 |
| Наименование | Термометры сопротивления |
| Модель | ТЭМ-100 |
| Характер производства | Серийное |
| Идентификатор записи ФИФ ОЕИ | ff9df77c-685d-f03b-4dd7-41091b11284a |
| Год регистрации | 2009 |
| Общие данные | |
|---|---|
| Технические условия на выпуск | ТУ 4211-061-23041473-2008 |
| Класс СИ | 32.02 |
| Год регистрации | 2009 |
| Страна-производитель | Россия |
| Примечание | 04.09.2014 продлен срок свидетельства |
| Центр сертификации СИ | |
| Наименование центра | ГЦИ СИ ВНИИМ |
| Адрес центра | 198005, г.С.-Петербург, Московский пр., 19 |
| Руководитель центра | Ханов Николай Иванович |
| Телефон | (8*812) 251-76-01 |
| Факс | 113-01-14 |
| Информация о сертификате | |
| Срок действия сертификата | 04.09.2019 |
| Номер сертификата | 35427 |
| Тип сертификата (C - серия/E - партия) | С |
| Дата протокола | Приказ 1320 п. 06 от 04.09.201405 от 28.05.09 п.54 |
Производитель / Заявитель
Акционерное общество "Теплоэнергомонтаж" (АО "ТЭМ"), г. Санкт-Петербург
Россия
198095, пл.Стачек, 5, 190020, наб. Обводного канала, 150
Поверка
| Методика поверки / информация о поверке | ГОСТ Р 8.624-2006 |
| Межповерочный интервал / Периодичность поверки |
4 года
|
| Зарегистрировано поверок |
29566
|
| Найдено поверителей | |
| Успешных поверок (СИ пригодно) | 29507 (100%) |
| Неуспешных поверок (СИ непригодно) | 59 (0 %) |
| Актуальность информации | 02.04.2026 |
Поверители
Скачать
|
40592-09: Описание типа
2019-40592-09.pdf
|
Скачать | 218.9 КБ | |
|
40592-09: Методика поверки
2022-mp40592-09.pdf
|
Скачать | 62.3 КБ |
Описание типа
Назначение
Термометры сопротивления ТЭМ-100 (далее - термометры) предназначены для измерений температуры жидкости и газа путем погружения в измеряемую среду.
Описание
Принцип действия термометров основан на температурной зависимости сопротивления платинового пленочного резистора. Термометры состоят из термочувствительного элемента со стандартизованной зависимостью сопротивления от температуры, помещенного в тонкостенную металлическую трубку, соединенную с клеммной головкой из пластмассы.
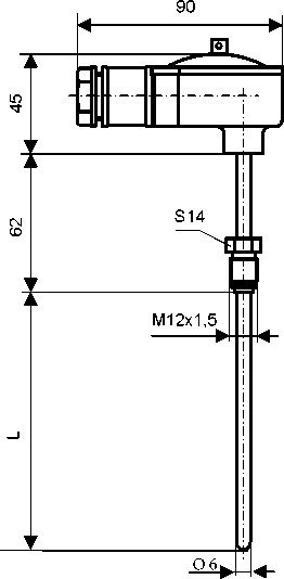
Термометры рассчитаны для подключения по четырехпроводной схеме. Общий вид термометров приведен на рисунке 1.
Рисунок 1 - Общий вид термометров
Программное обеспечение отсутствует.
Технические характеристики
Таблица 1 - Метрологические характеристики
|
Наименование характеристики |
Значение |
|
Диапазон измерений температуры, °С |
от - 50 до +190 |
|
Пределы допускаемой абсолютной погрешности, °С - класс А - класс В (t -измеренная температура) |
±(0,15 + 0,002-|t|) ±(0,3 + 0,005-|t|) |
Таблица 2 - Основные технические характеристики
|
Наименование характеристики |
Значение |
|
Температурный коэффициент а, °С-1 |
0,00385 |
|
Обозначение НСХ по ГОСТ 6651-2009 |
Pt100 |
|
Максимальный измерительный ток, мА |
1,0 |
|
Время термической реакции, с, не более |
15 |
|
Габаритные размеры ( Д*Ш*В) , мм, не более |
90x51x434 |
|
Диаметр монтажной части, мм |
6 |
|
Длина монтажной части, мм |
от 50 до 320 |
|
Масса, г, не более |
140 до 172 |
|
Степень защиты от пыли и воды по ГОСТ 14254-2015 |
IP55 |
|
Условия эксплуатации: - температура окружающего воздуха, °C - относительная влажность при +35 °C, %, не более - атмосферное давление, кПа - синусоидальная вибрация амплитуда, мм частота, Гц - давление измеряемой среды, МПа, не более |
от -50 до +50 до 95 от 84 до 106,7 0,35 от 5 до 35 до 2,5 |
|
Средняя наработка на отказ, ч |
100000 |
|
Средний срок службы, лет |
12 |
Таблица 3 - Конструктивные исполнения термометров ТЭМ-100
|
Обозначение конструктивного исполнения |
Длина монтажной части, L ±1,0 (мм) |
Минимальная глубина погружения (мм) |
Масса, кг | |
|
Рисунок 2 |
Рисунок 3 | |||
|
00 |
13 |
50 |
40 |
0,140 |
|
01 |
14 |
60 |
40 |
0,141 |
|
02 |
15 |
70 |
50 |
0,142 |
|
03 |
16 |
80 |
50 |
0,143 |
|
04 |
17 |
100 |
60 |
0,145 |
|
05 |
18 |
110 |
60 |
0,146 |
|
06 |
19 |
120 |
60 |
0,147 |
|
07 |
20 |
130 |
80 |
0,148 |
|
08 |
21 |
140 |
80 |
0,149 |
|
09 |
22 |
160 |
80 |
0,153 |
|
10 |
23 |
200 |
100 |
0,158 |
|
11 |
24 |
250 |
100 |
0,164 |
|
12 |
25 |
320 |
100 |
0,172 |
Рисунок 2
Знак утверждения типа
наносится на титульный лист эксплуатационной документации типографским способом и на шильдик, расположенный на головке термометров.
Комплектность
Таблица 4 - Комплектность термометров ТЭМ-100
|
Наименование |
Обозначение |
Количество |
|
Термометр сопротивления ТЭМ-100 |
РАЖГ.405211.001 |
1 шт. |
|
Паспорт |
РАЖГ.405211.001 ПС |
1 экз. |
Поверка
осуществляется по документу ГОСТ 8.461-2009 «ГСИ. Термопреобразователи сопротивления из платины, меди и никеля. Методика поверки».
Основные средства поверки:
- системы поверки термопреобразователей автоматизированные АСПТ, регистрационный номер в Федеральном информационном фонде средств измерений 19973-06;
- термометры сопротивления платиновые вибропрочные эталонные ПТСВ, мод. ПТСВ-4, регистрационный номер в Федеральном информационном фонде средств измерений 32777-06;
- термостаты жидкостные серии 7000, регистрационный номер в Федеральном информационном фонде средств измерений 40415-15 (мод. 7312 - для воспроизведения температуры 0 °C, мод. 7012 - для воспроизведения температуры +100 °C);
- термостаты регулируемые, ТР-1М, регистрационный номер в Федеральном информационном фонде средств измерений 24473-08 (для воспроизведения температуры +150 °C).
Допускается применение аналогичных средств поверки, обеспечивающих определение метрологических характеристик поверяемых СИ с заданной точностью.
Знак поверки наносится на свидетельство о поверке и (или) в паспорт термометра.
Сведения о методиках (методах) измерений приведены в эксплуатационном документе.
Нормативные документы
ГОСТ 8.558-2009 ГСИ. Государственная поверочная схема для средств измерения температуры
ГОСТ 8.461-2009 ГСИ. Термопреобразователи сопротивления из платины, меди и никеля. Методика поверки
ГОСТ 6651-2009 ГСИ. Термопреобразователи сопротивления из платины, меди и никеля. Общие технические требования и методы испытаний
ТУ 4211-061-23041473-2008. Термометры сопротивления ТЭМ-100
Другие Термометры
