41885-13: БДАС-04Р Блоки детектирования - Производители, поставщики и поверители

Блоки детектирования БДАС-04Р

ALL-Pribors default picture
Номер в ГРСИ РФ: 41885-13
Производитель / заявитель: ФГУП НИЦ "СНИИП", г.Москва
Скачать
41885-13: Описание типа
2018-41885-13.pdf
Скачать 139.8 КБ
Свидетельство об утверждении типа СИ Открыть ...
Нет данных о поставщике
Поверка
Блоки детектирования БДАС-04Р поверка на: www.ktopoverit.ru
КтоПоверит
Онлайн-сервис метрологических услуг

Для измерения объемной активности альфа- и бета- активных аэрозолей в воздухе, в нормальных условиях эксплуатации, и обеспечивают: измерение объемной активности альфа- и бета-активных аэрозолей в воздухе рабочих помещений или в системах вентиляции и выбросных коммуникациях; формирование и выдачу по запросу в канал передачи данных информации об измеренных параметрах и своем техническом состоянии; сравнение значений измеряемой величины с заданными числовыми значениями (порогами сигнализации); формирование сигнала в канал передачи данных о превышении измеряемыми величинами заданных числовых значений (порогов сигнализации); обработку и выполнение команд, поступающих от технических устройств верхнего уровня системы радиационного контроля. Может использоваться в составе систем радиационного контроля или автономно. Область применения: атомные станции, предприятия атомной промышленности и другие радиационно-опасные объекты.

Информация по Госреестру

Основные данные
Номер по Госреестру 41885-13
Действует по 09.04.2024
Наименование Блоки детектирования
Модель БДАС-04Р
Характер производства Серийное
Идентификатор записи ФИФ ОЕИ 42f5c3ea-82f1-930e-7219-691394522ab1
Год регистрации 2013
Информация устарела
Общие данные
Класс СИ 38.01
Год регистрации 2013
Страна-производитель  Россия 
Примечание 15.05.2013 утвержден вместо 41885-09
Информация о сертификате
Срок действия сертификата 15.05.2018
Тип сертификата (C - серия/E - партия) C
Дата протокола Приказ 484 п. 40 от 15.05.201311 от 20.11.09 п.33
Производитель / Заявитель

ОАО "Специализированный НИИ приборостроения" (СНИИП), РОССИЯ, г.Москва

 Россия 

123060, ул.Расплетина, д.5. Тел. (499) 198-97-64, (499) 943-00-61, Факс 943-00-63, E-mail: info@sniip.ru

Поверка

Методика поверки / информация о поверке АБЛК.418275.424 РЭ, раздел 4
Межповерочный интервал / Периодичность поверки
1 год
Зарегистрировано поверок
Найдено поверителей
Успешных поверок (СИ пригодно) 60 (100%)
Неуспешных поверок (СИ непригодно) 0 (0 %)
Актуальность информации 29.03.2026
Найти результаты поверки
Указан в паспорте или на самом приборе

Поверители

КтоПоверит
Онлайн-сервис метрологических услуг
Блоки детектирования БДАС-04Р поверка на: www.ktopoverit.ru
КтоПоверит
Онлайн-сервис метрологических услуг

Скачать

41885-13: Описание типа
2018-41885-13.pdf
Скачать 139.8 КБ
Свидетельство об утверждении типа СИ Открыть ...

Описание типа

Назначение

Блок детектирования БДАС-04Р (далее - блок детектирования) предназначен для контроля объемной активности (далее - ОА) альфа и бета-активных аэрозолей в воздушной среде на объектах с атомными энергетическими установками, а также на других объектах, связанных с получением, переработкой и использованием радиоактивных материалов. Блок детектирования может использоваться в составе автоматизированных систем радиационного контроля или автономно.

Описание

Для измерения аэрозолей осуществляется прокачка исследуемого воздуха из вентиляционной системы или рабочего помещения через фильтр. Воздух проходит через входной патрубок, расположенный на задней стороне блока детектирования и поступает на фильтр, представляющий собой ленту шириной 50 мм. Далее воздух поступает на расходомер и через выходной патрубок к внешнему воздухопрокачивающему насосу или пробоотборной магистрали. Над фильтром установлен узел детекторов, содержащий два кремниевых детектора с предусилителями, что позволяет проводить контроль как в совмещенном, так и в размещенном каналах. Совмещенный канал позволяет контролировать в режиме реального времени уровень ОА аэрозолей, а размещенный канал используется для определения среднесуточного или среднесменного уровня ОА аэрозолей. Сигнал с предусилителей обрабатывается двумя 256-канальными аналого-цифровыми преобразователями. Предусилители имеют программно переключаемый коэффициент усиления, что позволяет регистрировать альфа- и бета-излучение. Для расчета суммарной ОА бета-излучающих радионуклидов используется суммарное количество импульсов в энергетическом диапазоне регистрации бета-излучения. Для компенсации 222Rn проводится измерение альфа-излучения его дочерних продуктов. Для компенсации внешнего фона применена свинцовая защита детекторов с толщиной стенок 3 см.

При снижении расхода ниже минимального значения из-за запыления фильтра происходит перемотка кадра фильтрующей ленты.

Спектрометрическая информация и данные о расходе и объеме отобранной пробы используются для расчета результатов измерений ОА. Расчеты выполняются основным процессором блока детектирования и выдаются по запросу устройств верхнего уровня по каналам связи, а также выводятся на ЖКИ.

Рисунок 1 - Фото блока БДАС-04Р.

Блок пломбируется в соответствии с конструкторской документацией (корпуса входящих в его комплект составных частей) пломбами ОТК предприятия - изготовителя.

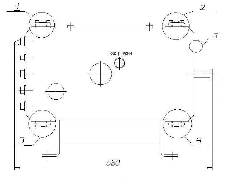
Места пломбировки указаны на рисунке 2: п.п. 1 - 4. Знак утверждения типа указан на рисунке 2 - п.5.

Рисунок 2 - блок детектирования БДАС-04Р

Состав блока БДАС -04Р приведен в таблице 1.

Таблица 1 - Состав блока БДАС-04Р

Обозначение

Наименование

Кол., шт.

Примечание

АБЛК.417275.424

Блок детектирования БДАС-04Р

1

-

АБЛК.00886-01

Программа технологического контроля “ТЕСТ_БДАС_04”

1

CD

-

Комплект монтажных частей согласно

ведомости АБЛК.418275.424 ВЧ

1 комплект

-

-

Комплект запасных частей, инструмента и принадлежностей согласно ведомости АБЛК.418275.424 ЗИ

1 комплект

-

Технические характеристики

Основные метрологические и технические характеристики и их номинальные значения приведены в таблице 2.

Таблица 2

Наименование характеристики, единица измерения

Номинальное значение характеристики

Диапазон измерения объемной активности   альфа - активных

аэрозолей для совмещенного канала блока детектирования, Бк/м3

от 0,02 до 1-105

Диапазон измерения объемной активности бета - активных аэрозолей для совмещенного канала блока детектирования, Бк/м3

от 0,05 до 1-106

Диапазон измерения объемной активности   альфа - активных

аэрозолей для размещенного канала блока детектирования, Бк/м3

от 0,009 до 1-105

Диапазон измерения объемной активности бета - активных аэрозолей для размещенного канала блока детектирования, Бк/м3

от 0,02 до 1-106

Диапазон регистрируемых энергий альфа - активных радионуклидов, МэВ

от 3,5 до 8,0

Диапазон регистрируемых энергий бета - активных радионуклидов, МэВ

от 0,08 до 3,0

Пределы допускаемой основной погрешности при измерении объемной активности альфа - и бета - активных аэрозолей в воздухе, %

±50

Нестабильность показаний за 24 ч непрерывной работы

±5

Время установления рабочего режима, мин, не более

5

Напряжение питания от сети переменного тока, В частота (50 +1, минус 2,5) Гц.

220 +22, минус 33

50 +3 минус 3

Потребляемая мощность, Вт, не более

22

Наработка на отказ, ч, не менее

30000

Время восстановления, час, не более

0,5

Назначенный срок службы, лет

10

Устойчивость к воздействию температуры

от 0 до + 55

Прочность при воздействии температуры, °С

от минус 50 до +55

Пределы дополнительной погрешности на каждые 10 °С изменения температуры окружающей среды, %

±5

Устойчивость к воздействию вибрационных нагрузок, Гц

от 1 до 120

Г абаритные размеры, мм, не более

220х500х280

Масса, кг, не более

60

Степень защиты от воздействия воды и попадания внешних твердых предметов и пыли

IP65

ГОСТ 14254-96

Условия эксплуатации:

Температура окружающего воздуха, °С

Относительная влажность (при температуре воздуха 35 °С), %,

Давление (при температуре +25 0С), кПа

от 0 до 55

до 98

от 84 до 106,7 кПа

Условия транспортирования:

Прочность при транспортировании при повышенной температуре, 0С

Прочность при транспортировании при пониженной температуре, 0С

Прочность при транспортировании при воздействии повышенной влажности при +350С, %

+50 минус 30 до (95±3)

Знак утверждения типа

Знак утверждения типа наносят на корпус блока фотохимическим методом, а в верхний левый угол титульного листа руководства по эксплуатации АБЛК.418275.424 РЭ и паспорта АБЛК.418275.424 ПС - типографским способом.

Комплектность

В комплект поставки блока входят изделия и эксплуатационная документация, приведенные в таблице 3.

Таблица 3.

Обозначение

Наименование

Кол., шт.

АБЛК.417275.424

Блок детектирования БДАС-04Р

1

АБЛК.00886-01

Программа технологического контроля “ТЕСТ_БДАС-04.ЕХЕ” на CD

1

-

Комплект монтажных частей согласно ведомости АБЛК.418275.424 ВЧ

1 комплект

-

Комплект запасных частей, инструмента и принадлежностей согласно ведомости АБЛК.418275.424

ЗИ

1 комплект

АБЛК.418275.424 ВЭ

Ведомость эксплуатационных документов 1)

1

-

Комплект эксплуатационных документов согласно ведомости АБЛК.418275.424 ВЭ 1)

1 комплект

АБЛК.418275.424 ЗИ

Ведомость ЗИП 1)

1

1) Поставляется только при самостоятельной поставке блока. При заказе в составе радиационного комплекса формируется в составе этих комплексов.

Поверка

осуществляется по документу АБЛК.418275.424 РЭ (раздел 4 Руководства по эксплуатации), утвержденному ГЦИ СИ ОАО «СНИИП» 08.09.2011г.

В перечень основного поверочного оборудования входят:

1) Рабочие эталоны II разряда 1CO 90Sr+90Y; 3^101, V103, V105 Бк; погрешность ±7 %

2) Рабочие эталоны II разряда 1П9 239Pu; 5-101, 5^102, 5-103 Бк; погрешность ±7 %

3) Специальный аэрозольный источник САИ-4А; -; рабочий диапазон от 103 до 105 Бк

4) Специальный аэрозольный источник САИ-4Б; -; рабочий диапазон от 103 до 105 Бк

5) ПЭВМ с наличием порта RS-232

6) Счетчик газа NPM-G4; ТУ-4213-004-45737844-01; Объемный расход (0.04 ... 6) м3/час

7) Источник постоянного тока GPS-4303; -; Выходное напряжение от 0 до 60 В. Ток нагрузки не менее 3 А

8) Микронагнетатель МР80-100ГКЗ; Производительность до 80 л/мин

9) Держатель АБЛК.745212.462;

Сведения о методах измерений

Руководство по эксплуатации АБЛК.418275.424 РЭ

Нормативные документы

1. ГОСТ 8.090-79 ГСИ. Государственный специальный эталон и общесоюзная поверочная схема для средств измерений концентрации искусственных и естественных радиоактивных аэрозолей.

2. ГОСТ 8.527-85 ГСИ. Средства измерений объемной активности искусственных радиоактивных аэрозолей. Методика поверки.

3. ГОСТ 27451-87. Средства измерений ионизирующих излучений. Общие технические условия.

4. Блок детектирования БДАС-04Р технические условия АБЛК.418275.424 ТУ.

Рекомендации к применению

- осуществление деятельности в области охраны окружающей среды;

- осуществление деятельности по обеспечению безопасности при чрезвычайных ситуациях;

- осуществление производственного контроля за соблюдением установленных законодательством РФ требований промышленной безопасности к эксплуатации опасного производства.

Смотрите также

Default ALL-Pribors Device Photo
41886-09
ПИ 01 Преобразователи измерительные
Общество с ограниченной ответственностью «Владимирский завод «Эталон» (ООО «Владимирский завод «Эталон»), г.Владимир
Для преобразования сигналов от термометров сопротивления ТСП и ТСМ по ГОСТ Р 8.625-2006 в унифицированный электрический выходной сигнал постоянного тока и применяются в различных отраслях промышленности.
Default ALL-Pribors Device Photo
41887-09
ЭЧП-001 Элементы термометрические чувствительные платиновые
Общество с ограниченной ответственностью «Владимирский завод «Эталон» (ООО «Владимирский завод «Эталон»), г.Владимир
Для измерения температуры твердых, сыпучих и газообразных сред в диапазоне -200...750 °С при относительной влажности воздуха до 80 %, а при использовании в защитном герметичном чехле или в составе термопреобразователей сопротивления - твердых, сыпучи...
Default ALL-Pribors Device Photo
Для измерения температуры во взрывоопасных зонах в различных отраслях промышленности.
Default ALL-Pribors Device Photo
41889-09
КТСПР 002 Комплекты термометров сопротивления платиновых для измерения разности температур
Общество с ограниченной ответственностью «Владимирский завод «Эталон» (ООО «Владимирский завод «Эталон»), г.Владимир
Для измерения разности температур и температуры в системах теплоснабжения, а также в других областях промышленности.