Мановакуумметры PN 2024
| Номер в ГРСИ РФ: | 46356-11 |
|---|---|
| Производитель / заявитель: | Фирма "ifm electronic GmbH", Германия |
Для измерения вакуумметрического и избыточного давления, и преобразования измеренного значения в унифицированный выходной аналоговый сигнал, постоянного тока или постоянного напряжения, а также отображения результатов измерения на цифровом дисплее. Измеряемая среда - жидкости и газы.
Информация по Госреестру
| Основные данные | |
|---|---|
| Номер по Госреестру | 46356-11 |
| Действует | по 09.02.2016 |
| Наименование | Мановакуумметры |
| Модель | PN 2024 |
| Характер производства | Серийное |
| Идентификатор записи ФИФ ОЕИ | fd561bce-b8a0-394d-59ad-a43b9b29fc56 |
| Год регистрации | 2011 |
| Общие данные | |
|---|---|
| Технические условия на выпуск | тех.документация фирмы |
| Класс СИ | 30 |
| Год регистрации | 2011 |
| Страна-производитель | Германия |
| Центр сертификации СИ | |
| Наименование центра | ГЦИ СИ ООО КИП "МЦЭ" (до 2010 г. "Тест-ПЭ") |
| Адрес центра | 123424, г.Москва, Волоколамское шоссе, д.88, стр.8 |
| Телефон | () |
| Информация о сертификате | |
| Срок действия сертификата | 09.02.2016 |
| Номер сертификата | 42101 |
| Тип сертификата (C - серия/E - партия) | С |
| Дата протокола | Приказ 456 от 09.02.11 п.01 |
Производитель / Заявитель
Фирма "IFM electronic GmbH", ГЕРМАНИЯ
Германия
42157, Teichstrasse 4, Essen, ifm-Strausse 1, 88069 Tettnang
Поверка
| Методика поверки / информация о поверке | МИ 1997-89 |
| Межповерочный интервал / Периодичность поверки |
2 года
|
| Зарегистрировано поверок | |
| Найдено поверителей | |
| Успешных поверок (СИ пригодно) | 82 (99%) |
| Неуспешных поверок (СИ непригодно) | 1 (1 %) |
| Актуальность информации | 28.12.2025 |
Поверители
Скачать
|
46356-11: Описание типа
2011-46356-11.pdf
|
Скачать | 259.6 КБ | |
| Свидетельство об утверждении типа СИ | Открыть | ... |
Описание типа
Назначение
Мановакуумметры PN 2024 (далее - мановакуумметр) предназначены для измерения вакуумметрического и избыточного давления, и преобразования измеренного значения в унифицированный выходной аналоговый сигнал, постоянного тока или постоянного напряжения, а также отображения результатов измерения на цифровом дисплее. Измеряемая среда - жидкости и газы.
Описание
Принцип действия мановакуумметра основан на зависимости упругой деформации первичного тензорезисторного преобразователя от значений измеряемого давления.
Под воздействием измеряемого давления деформируемый упругий элемент вызывает пропорциональное изменение электрического сопротивления тензорезисторов, собранных по мостовой схеме (мост Уитстона), которое преобразуется в электронном блоке мановакуумметра в цифровой код, пропорциональный приложенному давлению.
Мановакуумметр имеет унифицированный микропроцессорный электронный преобразователь сигналов, который защищён от влаги и вибрации, а также измерительный узел с тензорезисторным преобразователем входной величины.
Для визуализации результатов измерений и параметров настройки мановакуумметра укомплектованы индикаторным устройством (4-х позиционный алфавитно-цифровой дисплей). Мановакуумметр также имеет светодиодную индикацию режимов работы и размерности измеряемой величины (bar, kPa).
Мановакуумметр имеет 2 релейных выхода (OUT1, OUT2), формирующих сигналы в соответствии с произведенной настройкой параметров выходного сигнала.
Через OUT2 также можно получать выходные аналоговые сигналы (4.20 мА или 0. ..10 В) результатов измерения давления.
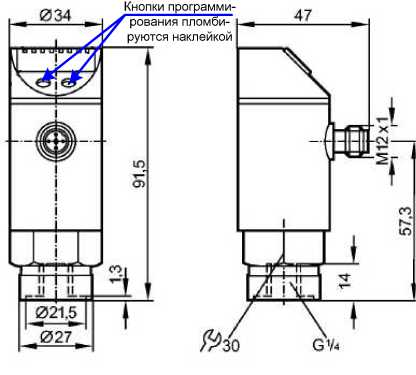
Общий вид мановакуумметра (фото) приведен на рисунке 1.
Программное обеспечение устанавливается в энергонезависимую память мановакуумметра при изготовлении, после этого его невозможно перепрошить или изменить. В соответствии с МИ 3286-2010 уровень защиты от непреднамеренных и преднамеренных изменений - А.
Пломбировка мановакуумметра в соответствии со схемой приведенной на рисунке 2.
Корпус и детали мановакуумметра, входящие в соприкосновение с измеряемыми средами, выполнены из нержавеющей стали и имеют цельносварную конструкцию.
Рисунок 1
Рисунок 2
Технические характеристики
Диапазон измерений, кПа от минус 100 до 1000
Пределы основной допускаемой приведенной погрешности, %
Дополнительная погрешность от воздействия
изменения температуры окружающей среды на каждые 10 оС, %, не более
- для «нуля»
- для диапазона измерений
Температура измеряемой и окружающей среды, оС от минус 25 до плюс 80
Допустимый диапазон напряжения электропитания постоянного тока, В от 20 до 30
Габаритные размеры (высота х ширина х глубина), мм, не более 92 х 47 х 34
Масса, кг, не более
Средняя наработка на отказ (Тср), ч
Знак утверждения типа
Знак утверждения типа наносится на титульный лист руководства по эксплуатации типографским способом и на корпус мановакуумметра методом наклейки.
Комплектность
Мановакуумметр PN2024 ................................................................................... 1 шт.
Руководство по эксплуатации............................................................................. 1 экз.
Поверка
осуществляется по документу МИ 1997-89 «ГСИ. Преобразователи давления измерительные. Методика поверки».
Основное поверочное оборудование:
- мановакуумметр грузопоршневой МВП-2,5, номер в Госреестре 1652-99, класс точности 0,05, диапазон измерений: избыточного давления от 0 до 0,25 МПа, вакуумметриче-ского давления от 0,1 до 0 МПа пределы допускаемой основной погрешности ±5 Па при давлении (избыточном или вакуумметрическом) от 0 до 0,01 МПа, ±0,05% от измеряемого значения при давлении свыше 0,01 МПа;
- манометр грузопоршневой МП-60, номер в Госреестре 16026-97, класса точности 0,05, диапазон измерений избыточного давления 0,1 до 6 МПа, пределы допускаемой основной погрешности ±0,05%;
- миллиамперметр постоянного тока по ГОСТ 8711-93, верхний предел измерений 30 мА, класс точности 0,1;
- вольтметр универсальный Щ31 по ТУ 25-04.3305-77, диапазон измерений 0-10 В, предел допускаемой основной погрешности ±(0,005+0,001(Uk/Ux-1)).
Сведения о методах измерений
Метод измерений описан в эксплуатационном документе «Мановакуумметры PN 2024. Руководство по эксплуатации».
Нормативные документы
1 ГОСТ 22520-85 «Датчики давления, разрежения и разности давлений с электрическими аналоговыми входными сигналами ГСП. Общие технические условия»
2 ГОСТ Р 52931-2008 Приборы контроля и регулирования технологических процессов. Общие технические условия.
3 ГОСТ 8.017-79 ГСИ. Государственный первичный эталон и общесоюзная поверочная схема для средств измерений избыточного давления до 250 МПа.
Рекомендации к применению
Выполнение работ по обеспечению безопасных условий и охраны труда; осуществление производственного контроля за соблюдением установленных законодательством Российской Федерации требований промышленной безопасности к эксплуатации опасного производственного объекта; осуществление торговли и товарообменных операций, выполнение работ по расфасовке товаров в соответствии с ч. 3 Федерального закона «Об обеспечении единства измерений» № 102-ФЗ от 26.06.2008 г., п. 5 - 7, статьи 1.
Смотрите также

