Преобразователи термоэлектрические ТХА, ТХК, ТЖК
| Номер в ГРСИ РФ: | 46538-11 |
|---|---|
| Производитель / заявитель: | ОАО "НПП "Эталон", г.Омск |
Преобразователи термоэлектрические ТХА, ТХК, ТЖК (далее по тексту -термопреобразователи или ТП) предназначены, в зависимости от конструктивного исполнения, для измерений температуры различных сред. Данные по назначению и измеряемой среде, в зависимости от конструктивного исполнения ТП, приведены в таблице 1.
Информация по Госреестру
| Основные данные | |
|---|---|
| Номер по Госреестру | 46538-11 |
| Действует | по 28.12.2030 |
| Наименование | Преобразователи термоэлектрические |
| Модель | ТХА, ТХК, ТЖК |
| Приказы |
№2208 от
14.10.2025
— О продлении срока действия утвержденных типов средств измерений
|
| Код идентификации производства |
ОС
СИ не соответствует критериям подтверждения производства на территории
РФ в соответствии с постановлением №719
|
| Характер производства | Серийное |
| Идентификатор записи ФИФ ОЕИ | 21e7f0c3-2fc7-7b85-653f-ef6e3d4c6ed6 |
| Год регистрации | 2011 |
| Общие данные | |
|---|---|
| Класс СИ | 32.02 |
| Год регистрации | 2011 |
| Страна-производитель | Россия |
| Центр сертификации СИ | |
| Наименование центра | ГЦИ СИ ВНИИМС |
| Адрес центра | 119361, г.Москва, Озерная ул., 46 |
| Руководитель центра | Кононогов Сергей Алексеевич |
| Телефон | (8*095) 437-55-77 |
| Факс | 437-56-66 |
| Информация о сертификате | |
| Срок действия сертификата | 17.03.2016 |
| Номер сертификата | 42313 |
| Тип сертификата (C - серия/E - партия) | С |
| Дата протокола | Приказ 1156 от 17.03.11 п.24 |
Производитель / Заявитель
АО "НПП "Эталон", РОССИЯ, г.Омск
Россия
644009, ул.Лермонтова, 175, тел. (381-2) 33 8400, факс 33 7882, E-mail: fgup@omsketalon.ru, etalon@omskelecom.ru
Поверка
| Методика поверки / информация о поверке | ГОСТ 8.338-02 |
| Межповерочный интервал / Периодичность поверки |
2 года
|
| Зарегистрировано поверок |
78508
|
| Найдено поверителей | |
| Успешных поверок (СИ пригодно) | 77914 (99%) |
| Неуспешных поверок (СИ непригодно) | 594 (1 %) |
| Актуальность информации | 09.04.2026 |
Поверители
Скачать
|
46538-11: Описание типа
2021-46538-11.pdf
Файл устарел
|
Скачать | 4.7 MБ | |
|
46538-11: Методика поверки
2021-mp46538-11.pdf
Файл устарел
|
Скачать | 69.7 КБ | |
|
46538-11: Описание типа
2021-46538-11-1.pdf
|
Скачать | 4.7 MБ | |
|
46538-11: Методика поверки
2021-mp46538-11-1.pdf
|
Скачать | 69.7 КБ | |
| Свидетельство об утверждении типа СИ | Открыть | ... |
Описание типа
Назначение
Преобразователи термоэлектрические ТХА, ТХК, ТЖК (далее по тексту -термопреобразователи или ТП) предназначены, в зависимости от конструктивного исполнения, для измерений температуры различных сред. Данные по назначению и измеряемой среде, в зависимости от конструктивного исполнения ТП, приведены в таблице 1.
Таблица 1
|
Обозначение конструктивного исполнения ТП |
Назначение, измеряемая среда |
|
ТХА 0002, ТХК 0002, ТХА 0306, ТХК 0306, ТХА 0308, ТХК 0308, ТХА 0006, ТХК 0006, ТХА 0007, ТХК 0007, ТХА 9608, ТХК 9608, ТХК 9611, ТХА 9624, ТХК 9624 |
предназначены для измерений температуры жидких, газообразных сред и твердых тел в труднодоступных местах, благодаря возможности изгибания монтажной части при установке ТП на объекте контроля |
|
ТХА 0011, ТХА 9625 |
предназначены для оперативных замеров температуры расплавов цветных металлов |
|
ТХК 9206, ТХА 9206 |
предназначены для измерений температуры батонов колбас и других пищевых продуктов в паровых камерах обжарки |
|
ТХА 0314,ТХК 0314, ТХК 9311, ТХА 9311 |
предназначены для измерений температуры корпусов, головок червячных прессов (для переработки пластических масс и резиновых смесей) и твердых тел |
|
ТХА 0109, ТХА 9310, ТХК 9310, ТХА 9312, ТХК 9312, ТХА 9503, ТХК 9503, ТХА 9816, ТХА 9822 |
предназначены для измерений температуры жидких, газообразных и химически неагрессивных сред |
|
ТХА 0203, ТХА 0206, ТХА 9626 |
предназначены для измерений температуры расплавов цветных металлов, а также газообразных нейтральных и окислительных сред |
|
ТХА 9204, ТХК 9204, ТЖК 9204 |
предназначены для измерений температуры подшипников и твердых тел в различных отраслях промышленности |
|
ТХА 9709, ТХК 9709, ТХА 9709Ф, ТХК 9709Ф |
предназначены для оперативных замеров температуры жидких, газообразных и сыпучих веществ, а также электролитов щелочных аккумуляторов |
|
ТХА 9415 |
предназначены для измерений температуры продуктов сгорания газа на агрегатах компрессорных станций газопроводов |
|
ТХА 9420, ТХК 9420 |
предназначены для измерений температуры выхлопных газов |
Продолжение таблицы 1
|
Обозначение конструктивного исполнения ТП |
Назначение, измеряемая среда |
|
ТХА 9505 |
предназначены для измерений температуры в доменном производстве колошникового и периферийного газов, кладки шахты доменной печи в агрессивной среде |
|
ТХК 9421, ТХК 9820 |
предназначены для измерений температуры в камере смешения резиносмесителя |
|
ТХК 9414 |
предназначены для измерений температуры головки прядильной машины и нагревательного утюга машины горячей вытяжки |
|
ТХА 9516 |
предназначены для измерений температуры в печах пиролиза |
|
ТХК 9901, ТХК 9902 |
предназначены для измерений температуры жидких и газообразных сред и твердых тел |
|
ТХК 9419, ТХА 9419 ТХА 9712, ТХК 9712 |
предназначены для измерений температуры газообразных и химически неагрессивных сред с влажностью не более 80 % |
|
ТЖК 0009 |
предназначены для измерений температуры твердых тел (металла), рабочей зоны термопластавтоматов |
|
ТХА 9426 |
предназначены для измерений температуры газовых потоков в газотурбинных двигателях внутреннего сгорания |
|
ТХА 9425 |
для измерений температуры в газотурбинных и паротурбинных установках, в пульсирующем потоке, движущемся со скоростью до 170 м/с и давлением до 3,0 МПа |
Описание
Принцип работы термопреобразователей основан на термоэлектрическом эффекте -генерировании термоэлектродвижущей силы, возникающей из-за разности температур между двумя соединениями различных металлов или сплавов, образующих часть одной и той же цепи.
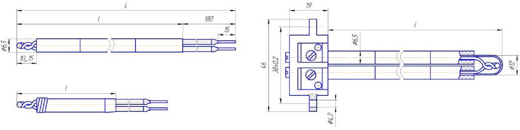
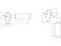
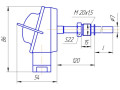
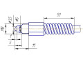
Термопреобразователи изготавливаются с номинальной статической характеристикой преобразования (НСХ) типов «К», «L», «J» по ГОСТ Р 8.585-2001 на основе термопарного кабеля или проволоки, и могут иметь как разборное, так и неразборное конструктивные исполнения. В зависимости от конструктивного исполнения ТП могут быть с одним или двумя чувствительными элементами (с изолированным, неизолированными или открытыми рабочими спаями). Защитная арматура ТП может выполняться с различными видами технологических соединений и монтажных элементов (с клеммной головкой или без нее, с удлинительными проводами, с разъемами различной конструкции). Головки, в зависимости от исполнения, изготавливаются из алюминиевого сплава, стали, пластика или полиамида.
Термопреобразователи изготавливаются в следующих основных конструктивных исполнений: ТХА 0002, ТХК 0002, ТХА 0006, ТХК 0006, ТХА 0007, ТХК 0007, ТЖК 0009, ТХА 0011, ТХА 0109, ТХА 0203, ТХА 0206, ТХА 0306, ТХК 0306, ТХА 0308, ТХК 0308, ТХА 0314,ТХК 0314, ТХА 9204, ТХК 9204, ТЖК 9204, ТХА 9206, ТХК 9206, ТХА 9310,
ТХК 9310, ТХК 9311, ТХА 9311, ТХА 9312, ТХК 9312, ТХК 9414, ТХА 9415, ТХА
ТХК 9419, ТХА 9420, ТХК 9420, ТХК 9421, ТХА 9425, ТХА 9426, ТХА 9503, ТХК
ТХА 9505, ТХА 9516, ТХА 9608, ТХК 9608, ТХК 9611, ТХА 9624, ТХК 9624, ТХА
ТХА 9626, ТХА 9709, ТХК 9709, ТХА 9709Ф, ТХК 9709Ф, ТХА 9712, ТХК 9712, ТХА 9816, ТХК 9820, ТХА 9822, ТХК 9901, ТХК 9902, различающихся по рабочему диапазону измеряемых температур и по конструкции. Данные исполнения также могут изготавливаться с различными длинами и диаметрами монтажной части, длиной соединительного кабеля, с разным материалом защитной арматуры, с разными монтажными элементами и т. д.
Для измерения температуры при высоких давлениях и скоростях потока предусмотрены защитные гильзы, конструкция и материал которых зависит от допускаемых параметров измеряемой среды. Технические характеристики защитных гильз термопреобразователей приведены в технических условиях ТУ 4211-088-02566540-2010.
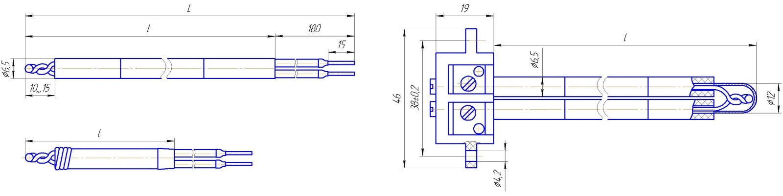
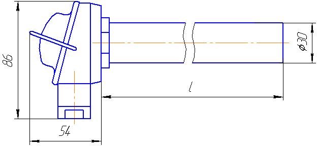
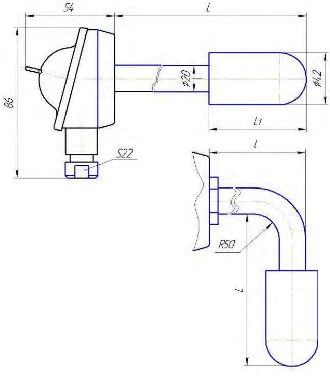
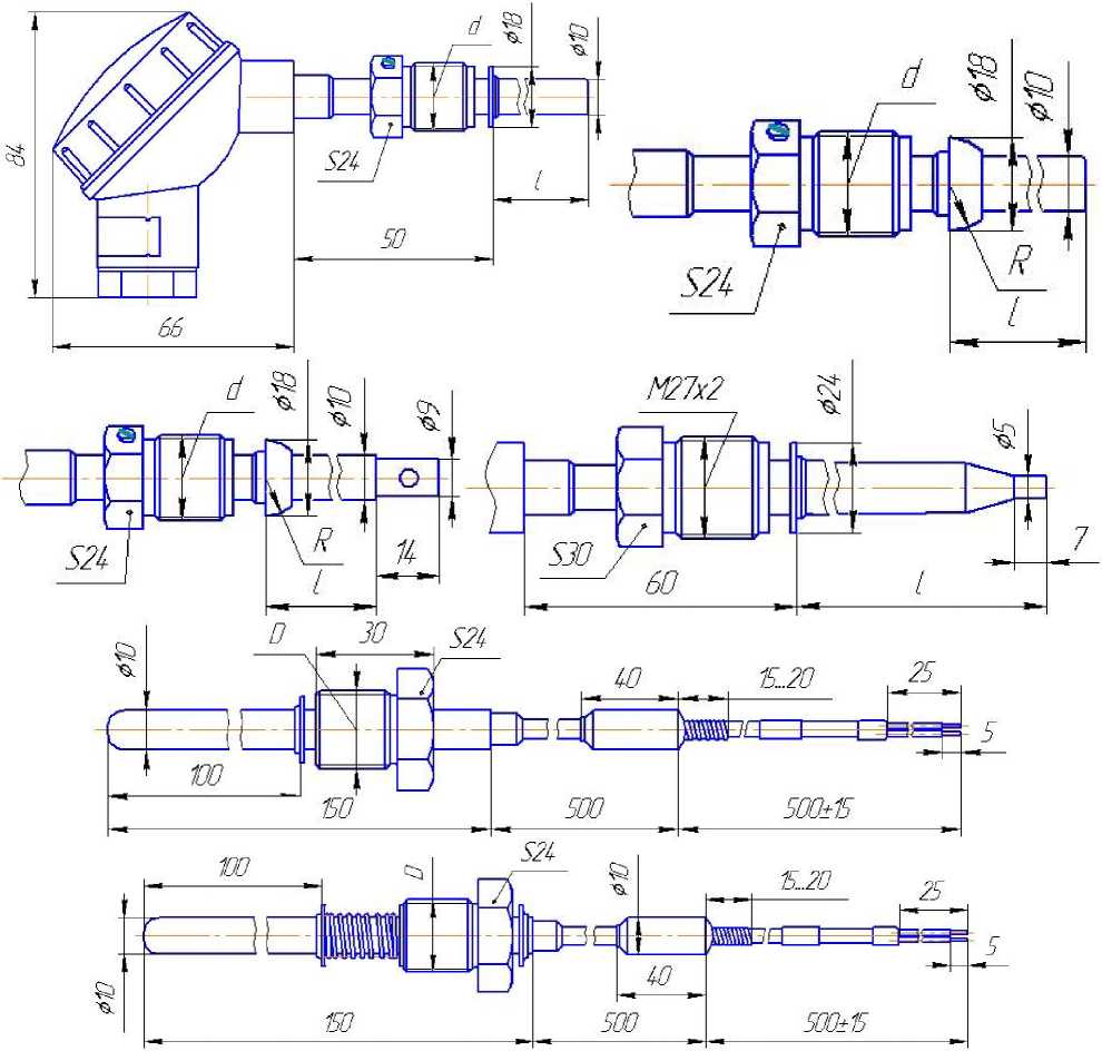
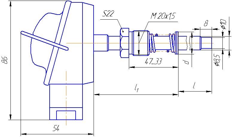
Общий вид термопреобразователей представлен на рисунках 1-39.
Рисунок 1 - Общий вид термопреобразователей ТХА 0002, ТХК 0002
Рисунок 2 - Общий вид термопреобразователей ТХА 0006, ТХК 0006
Рисунок 3 - Общий вид термопреобразователей ТХА 0007, ТХК 0007

Рисунок 4 - Общий вид термопреобразователей ТХА 0011
Рисунок 5 - Общий вид термопреобразователей ТХА 0109
Рисунок 6 - Общий вид термопреобразователей ТХА 0203
Рисунок 7 - Общий вид термопреобразователей ТХА 0206
Рисунок 8 - Общий вид термопреобразователей ТХА 0306, ТХК 0306
Рисунок 9 - Общий вид термопреобразователей ТХА 0308, ТХК 0308
Рисунок 10 - Общий вид термопреобразователей ТХА 0314, ТХК 0314

Рисунок 12 - Общий вид термопреобразователей ТХА 9206, ТХК 9206
Рисунок 13 - Общий вид термопреобразователей ТХА 9310, ТХК 9310
Рисунок 14 - Общий вид термопреобразователей ТХА 9311, ТХК 9311
Рисунок 15 - Общий вид термопреобразователей ТХА 9312, ТХК 9312
Рисунок 16 - Общий вид термопреобразователей ТХК 9414
Рисунок 17 - Общий вид термопреобразователей ТХА 9415

Рисунок 19 - Общий вид термопреобразователей ТХА 9420, ТХК 9420
Рисунок 20 - Общий вид термопреобразователей ТХК 9421
Рисунок 21 - Общий вид термопреобразователей ТХА 9425
Рисунок 22 - Общий вид термопреобразователей ТХА 9503, ТХК 9503
Ийпох


Рисунок 25 - Общий вид термопреобразователей ТХА 9516
Рисунок 26 - Общий вид термопреобразователей ТХА 9608, ТХК 9608
Рисунок 27 - Общий вид термопреобразователей ТХК 9611
1600
Рисунок 29 - Общий вид термопреобразователей ТХА 9625
Рисунок 30 - Общий вид термопреобразователей ТХА 9626
Рисунок 31 - Общий вид термопреобразователей ТХА 9709, ТХК 9709
Рисунок 32 - Общий вид термопреобразователей ТХА 9709Ф, ТХК 9709Ф
Рисунок 33 - Общий вид термопреобразователей ТХА 9712, ТХК 9712
Ювтах
Рисунок 34 - Общий вид термопреобразователей ТХА 9816
М20х1,5
Рисунок 35 - Общий вид термопреобразователей ТХК 9820
Рисунок 36 - Общий вид термопреобразователей ТХА 9822
Рисунок 37 - Общий вид термопреобразователей ТХК 9901

Рисунок 39 - Общий вид термопреобразователей ТЖК 0009
Пломбирование термопреобразователей не предусмотрено.
Программное обеспечение отсутствует.
Технические характеристики
Таблица 2 - Диапазоны измеряемых температур
|
Конструктивное исполнение |
Диапазон измеряемых температур, °С |
|
ТХА 0002, ТХК 0002, ТХК 0006, ТХК 0007 |
от -40 до +600 |
|
ТХА 0006, ТХА 0007 |
от -40 до +600; от -40 до +800 |
|
ТХА 0011 |
от 0 до 1000 |
|
ТХА 0109 |
от -40 до +1050 |
|
ТХА 0203 |
от -40 до +1000 |
|
ТХА 0206 |
от -40 до +900 |
|
ТХА 0306 |
от -40 до +600; от -40 до +800 (кратковременно до +1000) |
|
ТХК 0306, ТХК 0308, ТХК 9310 |
от -40 до +600 |
|
ТХК 0308 |
от -40 до +600; от -40 до +800 |
|
ТХК 0314, ТХК 0314 |
от -40 до +250 |
|
ТХА 9204, ТХК 9204, ТЖК 9204, ТХК 9206 |
от -40 до +200 |
|
ТХА 9206 |
от -40 до +270 |
|
ТХА 9310 |
от -40 до +800; от -40 до +1000 |
|
ТХА 9311 |
от -40 до +350 |
|
ТХК 9311 |
от -40 до +350; от -40 до +400 |
|
ТХА 9312 |
от -40 до +400; от -40 до +600; от -40 до +900 |
|
ТХК 9312 |
от -40 до +400; от -40 до +600 |
|
ТХА 9414 |
от 0 до +300 |
|
ТХА 9415, ТХА 9608,ТХА 9624 |
от -40 до +800 |
Продолжение таблицы 2
|
Конструктивное исполнение |
Диапазон измеряемых температур, °С |
|
ТХА 9419 |
от -40 до +1000 |
|
ТХК 9419, ТХК 9503, ТХК 9608, ТХК 9709, ТХК 9712, ТХК 9902 |
от -40 до +600 |
|
ТХА 9420 |
от 0 до +600; от 0 до +700; от 0 до +800; от -40 до +600; от -40 до +800 |
|
ТХК 9420 |
от 0 до +600; от -40 до +500; от -40 до +600 |
|
ТХК 9421, ТХК 9611, ТХА 9709Ф, ТХК 9709Ф, ТХК 9820 |
от -40 до +200 |
|
ТХА 9425 |
от -40 до +585; от -40 до +900 |
|
ТХА 9426 |
от -40 до +750; от -40 до +800; от -40 до +1000 |
|
ТХА 9503 |
от -40 до +900 |
|
ТХА 9505, ТХА 9822 |
от -40 до +1050 |
|
ТХА 9516 |
от -40 до +850 |
|
ТХК 9624, ТХК 9901 |
от -40 до +500 |
|
ТХА 9625 |
от -40 до +1000 |
|
ТХА 9626 |
от -40 до +750; от -40 до +1000 |
|
ТХА 9709 |
от -40 до +600 (кратковременно до +800); от -40 до +800 (кратковременно до +1000) |
|
ТХА 9712 |
от -40 до +700 |
|
ТХА 9816 |
от -40 до +600; от -40 до +900 |
|
ТЖК 0009 |
от 0 до +400 |
Таблица 3 - Классы допуска и пределы допускаемых отклонений ТЭДС от НСХ
термопреобразователей по ГОСТ 6616-94 в температурном эквиваленте в зависимости от типа
НСХ по ГОСТ Р 8.585-2001
|
Условное обозначение НСХ |
Класс допуска |
Диапазон измеряемых температур, °С |
пределы допускаемых отклонений ТЭДС от НСХ, °С |
|
J (ТЖК) |
1 |
от -40 до +375 включ. св. +375 до +400 включ. |
±1,5 ±0,004-111* |
|
2 |
от -40 до +333 включ. св. +333 до +400 включ. |
±2,5 ±0,0075-1 11* | |
|
К (ТХА) |
1 |
от -40 до +375 включ. св. +375 до +1000 включ. |
±1,5 ±0,004-111* |
|
2 |
от -40 до +333 включ. св. +333 до +1050 включ. |
±2,5 ±0,0075-1 11* | |
|
L (ТХК) |
2 |
от -40 до +300 включ. св. +300 до +800 включ. |
±2,5 ±0,0075-1 11* |
* где t - значение измеряемой температуры, °С
Таблица 4 - Основные технические характеристики
|
Наименование характеристики |
Значение |
|
Количество чувствительных элементов в ТП, шт. |
1; 2 |
|
Длина монтажной части термопреобразователей, мм |
от 25 до 50000 и более в соответствии с заказом |
|
Диаметр монтажной части термопреобразователей, мм |
от 0,5 до 42 |
|
Электрическое сопротивление изоляции ТП при температуре (25±10) °С и относительной влажности от 30 до 80 %, МОм (при 100 В), не менее |
100 |
|
Средняя наработка до отказа, ч, не менее: - ТХА 0002, ТХК 0002,ТХА 0006, ТХК 0006, ТХА 0007, ТХК 0007, ТХА 0011, ТХА 0206, ТХА 0306, ТХК 0306, ТХА 0308, ТХК 0308, ТХА 0314, ТХК 0314, ТХА 9204, ТХК 9204, ТЖК 9204, ТХА 9608, ТХК 9608, ТХК 9611, ТХА 9624, ТХК 9624, ТХА 9709, ТХК 9709, ТХА 9709Ф, ТХК 9709Ф, ТХА 9712, ТХК 9712, ТХК 9901, ТХК 9902, ТЖК 0009 - ТХА 0109, ТХА 0203, ТХА 9206, ТХК 9206, ТХА 9310, ТХК 9310, ТХК 9311, ТХА 9311, ТХА 9312, ТХК 9312, ТХК 9414, ТХА 9419, ТХК 9419, ТХА 9420, ТХК 9420, ТХК 9421, ТХА 9425, ТХА 9426, ТХА 9503, ТХК 9503, ТХА 9505, ТХА 9516, ТХА 9625,ТХА 9626, ТХА 9816, ТХК 9820, ТХА 9822 - ТХК 9415 |
35000 50000 60000 |
|
Вид климатического исполнения ТП по ГОСТ 15150-69 |
У2, Т2, УХЛ2, УХЛ3 |
|
Рабочие условия эксплуатации: - температура окружающей среды, °С: - ТХА 0002, ТХК 0002, ТХА 0011, ТХА 0203, ТХА 0206, ТХА 0306, ТХК 0306, ТХА 0308, ТХК 0308, ТХА 0314, ТХК 0314, ТХА 0109, ТХА 9204, ТХК 9204, ТЖК 9204, ТХА 9206, ТХК 9206, ТХА 9310,ТХК 9310, ТХА 9312, ТХК 9312, ТХК 9414, ТХА 9419, ТХК 9419, ТХА 9420, ТХК 9420, ТХК 9421, ТХА 9426, ТХА 9503, ТХК 9503, ТХА 9516, ТХК 9611, ТХА 9624, ТХК 9624, ТХА 9625, ТХА 9626, ТХА 9712, ТХК 9712, ТХК 9820, ТХА 9822, ТХК 9901, ТХК 9902, ТЖК 0009 - ТХК 9311, ТХА 9311, ТХА 9425 - ТХА 9415 - ТХА 0006, ТХК 0006, ТХА 0007, ТХК 0007, ТХА 9505, ТХА 9608, ТХК 9608, ТХА 9709, ТХК 9709, ТХА 9709Ф, ТХК 9709Ф - ТХА 9816 |
от -50 до +60 от -50 до +125 от -50 до +125; от -50 до +200 от -50 до +85 от -50 до +200 |
Продолжение таблицы 4
|
Наименование характеристики |
Значение |
|
Рабочие условия эксплуатации: - относительная влажность воздуха, %: - ТХА 9206, ТХК 9206, ТХА 9312, ТХК 9312, ТХА 9625, ТХК 9820 |
95 (при +35 °С) |
|
- ТХА 9310, ТХК 9310, ТХК 9415, ТХА 9608, ТХК 9608, ТХА 9709, ТХК 9709, ТХА 9709Ф, ТХК 9709Ф, ТХА 9712, ТХК 9712 |
100 (при +40 °С) |
|
- ТХА 9419, ТХК 9419, |
80 (при +35 °С) |
|
- ТХА 0002, ТХК 0002, ТХА 0006, ТХК 0006, ТХА 0007, ТХК 0007, ТХА 0011, ТХА 0109, ТХА 0203, ТХА 0206, ТХА 0306, ТХК 0306, ТХА 0308, ТХК 0308, ТХА 0314, ТХК 0314, ТХА 9204, ТХК 9204, ТЖК 9204, ТХА 9420, ТХК 9420, ТХК 9421, ТХА 9503, ТХК 9503, ТХК 9611, ТХК 9901, ТХК 9902, ТХК 9311, ТХА 9311, ТХК 9414, ТХА 9505, ТХА 9626, ТХА 9822, ТХА 9624, ТХК 9624, ТХА 9425, ТХА 9426, ТХА 9516, ТХА 9816, ТЖК 0009 |
98 (при +35 °С) |
|
Степень защиты ТП от воздействия воды, твердых тел (пыли) по ГОСТ 14254-2015 |
IP00, IP04, IP05, IP51, IP52, |
|
IP54, IP55 |
Знак утверждения типа
наносится на титульный лист паспорта (в правом верхнем углу) типографским способом, а также на шильдик, прикрепленный к ТП.
Комплектность
Таблица 5 - Комплектность средства измерений
|
Наименование |
Обозначение |
Количество |
|
Термопреобразователь |
конструктивное исполнение в соответствии с заказом |
1 шт. |
|
Паспорт |
— |
1 экз. |
|
Защитная гильза |
— |
1 шт. по дополнительному заказу |
Сведения о методах измерений
приведены в соответствующем разделе паспорта на термопреобразователи.
Нормативные документы
ГОСТ 8.558-2009 ГСИ. Государственная поверочная схема для средств измерений температуры
ГОСТ Р 52931-2008 Приборы контроля и регулирования технологических процессов. Общие технические условия
ГОСТ 6616-94 Преобразователи термоэлектрические. Общие технические условия
ГОСТ Р 8.585-2001 ГСИ. Термопары. Номинальные статические характеристики преобразования
ГОСТ 8.338-2002 ГСИ. Преобразователи термоэлектрические. Методика поверки
ТУ 4211-088-02566540-2010 Преобразователи термоэлектрические ТХА, ТХК, ТЖК. Технические условия
Смотрите также








































































