Теодолиты электронные 2Т5ЭН1
| Номер в ГРСИ РФ: | 46550-11 |
|---|---|
| Категория: | Теодолиты |
| Производитель / заявитель: | ПО "Уральский оптико-механический завод" (УОМЗ), г.Екатеринбург |
Для измерений горизонтальных и вертикальных углов (зенитных расстояний).
Информация по Госреестру
| Основные данные | |
|---|---|
| Номер по Госреестру | 46550-11 |
| Действует | по 12.04.2026 |
| Наименование | Теодолиты электронные |
| Модель | 2Т5ЭН1 |
| Код идентификации производства |
ОС
СИ не соответствует критериям подтверждения производства на территории
РФ в соответствии с постановлением №719
|
| Характер производства | Серийное |
| Идентификатор записи ФИФ ОЕИ | e0151690-24ee-7dec-53d7-6b7fbb328b86 |
| Год регистрации | 2011 |
| Общие данные | |
|---|---|
| Технические условия на выпуск | ТУ 4433-070-07539541-2003 |
| Класс СИ | 27.02 |
| Год регистрации | 2011 |
| Страна-производитель | Россия |
| Центр сертификации СИ | |
| Наименование центра | ГЦИ СИ Уральского ЦСМ |
| Адрес центра | 620000, г.Екатеринбург, ул.Красноармейская, 2А |
| Руководитель центра | Сурсяков Валентин Николаевич |
| Телефон | (8*343) 350-25-83 |
| Факс | 350-40-81 |
| Информация о сертификате | |
| Срок действия сертификата | 25.03.2016 |
| Номер сертификата | 42319 |
| Тип сертификата (C - серия/E - партия) | С |
| Дата протокола | Приказ 1284 от 25.03.11 п.01 |
Производитель / Заявитель
АО "ПО "Уральский оптико-механический завод им.Э.С.Яламова" (УОМЗ), РОССИЯ, г.Екатеринбург
Россия
620100, ул.Восточная, 33-б. Тел.(3432) 24-81-09, факс 24-18-44, E-mail: trank@uomz.ru
Поверка
| Методика поверки / информация о поверке | 5104.00000000 ПС, раздел 11 |
| Межповерочный интервал / Периодичность поверки |
1 год
|
| Зарегистрировано поверок | |
| Найдено поверителей | |
| Успешных поверок (СИ пригодно) | 237 (96%) |
| Неуспешных поверок (СИ непригодно) | 11 (4 %) |
| Актуальность информации | 29.03.2026 |
Поверители
Скачать
|
46550-11: Описание типа
2016-46550-11.pdf
|
Скачать | 171.2 КБ | |
|
46550-11: Методика поверки
2021-mp46550-11.pdf
|
Скачать | 38.8 КБ | |
| Свидетельство об утверждении типа СИ | Открыть | ... |
Описание типа
Назначение
Теодолиты электронные 2Т5ЭН1 (далее по тексту — теодолит) предназначены для измерения горизонтальных и вертикальных углов (зенитных расстояний).
Область применения — измерение углов в геодезических сетях сгущения и съемочных сетях, теодолитные и исполнительные съемки, изыскательские и строительные работы, прикладная геодезия.
Описание
Конструктивно теодолиты выполнены в виде единого электронно-оптического блока и предназначены для измерения горизонтальных и вертикальных углов и определения значения их функций.
Устройства измерения углов теодолита выполнены на основе накопительных датчиков углов фотоэлектрического типа.
Наклон оси теодолита учитывается автоматически при помощи однокоординатного электронного датчика наклона электролитического типа.
В зависимости от комплекта документации и варианта исполнения существуют следующие модификации: 2Т5ЭН1 (индикация на русском языке), 2Т5ЭНТ1 (оптические детали в тропическом исполнении, индикация на английском языке).
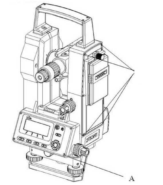
Рисунок 1 - Схема пломбирования электронного теодолита 2Т5ЭН1 от несанкционированного доступа
Для предотвращения несанкционированного доступа к внутренним частям теодолита при выпуске из производства пломбируют панель управления А и боковые крышки Б (рисунок 1), а также футляры с уложенными частями комплекта.
Знак поверки наносится на свидетельство о поверке.
Рисунок 2 - Фотография внешнего вида электронного теодолита 2Т5ЭН1
Программное обеспечение
Таблица 1
|
Модификация |
Наименование ПО |
Идентиф икаци-онное наименование ПО |
Номер версии ПО |
Цифровой идентификатор |
Алгоритм вычисления цифрового идентификатора |
|
2Т5ЭН1 |
2T5EN1R1.MOT |
Теодолит 2Т5ЭН1 |
01 |
BFFF |
Сумма кодов без учета переноса |
|
2Т5ЭНТ1 |
2T5EN1E1.MOT |
Theodolite 2T5EN1 |
01 |
BFFF |
Программное обеспечение вычисляет непосредственный результат измерения. При этом аппаратная и программная части теодолита, работая совместно, обеспечивают заявленные точности конечных результатов.
Защита программного обеспечения и измеренных данных от непреднамеренных и преднамеренных изменений соответствует уровню «A» согласно МИ 3286-2010.
В теодолите используется программная обработка выходных сигналов датчика угла.
В теодолите встроенное программное обеспечение (ПО) обеспечивает вывод результатов измерения на четырехстрочное ЖК-табло.
Технические характеристики
Таблица 2
|
Наименование параметра |
Значение параметра |
|
Диапазон измерения: горизонтальных углов вертикальных углов зенитных расстояний |
от 0° до 360° от плюс 45° до минус 45° от 45° до 135° |
|
Диапазон работы датчика наклона |
от плюс 5' до минус 5' |
|
Средняя квадратическая погрешность измерения горизонтального угла одним приемом, не более |
5" |
|
Средняя квадратическая погрешность измерения вертикального угла (зенитного расстояния) одним приемом, не более |
5" |
|
Систематическая погрешность компенсации измерения вертикальных углов при наклоне вертикальной оси от отвесного положения на 1' наклона |
2" |
|
Зрительная труба: увеличение угловое поле диапазон визирования изображение |
31х 1°30' от 1м до да прямое |
|
Время получения результата измерения, с |
0,5 |
|
Средняя потребляемая мощность, Вт |
1,5 |
|
Напряжение питания, В |
от 4,3 до 6,0 |
|
Масса теодолита с подставкой и источником питания, кг |
4,2 |
|
Г абаритные размеры теодолита с подставкой и источником питания, мм |
163х181х354 |
|
Условия эксплуатации: - температура окружающего воздуха, °С - относительная влажность воздуха при t=20 ° С, не более - атмосферное давление, кПа (мм рт. ст.) |
от минус 20 до плюс 50 95% от 60 до 106,7 (от 450 до 800) |
|
Срок службы, лет, не менее |
6 |
Знак утверждения типа
наносится печатным способом на титульный лист паспорта и наклейкой на корпус теодолита.
Комплектность
Таблица 3
|
Наименование и обозначение составных частей |
Обозначение документов составных частей |
Количество, шт. | |
|
5104.00000000- | |||
|
- |
-01 | ||
|
Теодолит 2Т5ЭН1 |
5104.01000000 |
1 | |
|
Теодолит 2Т5ЭНТ1 |
5104.01000000-01 |
1 | |
|
Подставка |
Т5Э-сб2 |
1 | |
|
Т5Э-сб2-04 (резьба дюймовая) |
1 | ||
|
Комплект источника питания 1* | |||
|
Кассета |
5104.05000000 |
1 |
1 |
|
Элемент питания |
2000 АА, Camelion |
4 |
4 |
|
Устройство зарядное |
ВС-0668, Camelion |
1 |
1 |
|
Комплект источника питания 2* | |||
|
Аккумулятор |
5104.02000000 |
1 |
1 |
|
Устройство зарядное (с вилкой-переходником сетевым) |
HR05NS04 |
1 |
1 |
|
Футляр |
5104.03000000 |
1 |
1 |
|
Комплект ЗИП |
2Та5-сб7 ЗИ |
1 |
1 |
|
Паспорт (с разделом 11 «Методы и средства поверки») |
5104.00000000 ПС |
1 | |
|
5104.00000000-01 ПС |
1 | ||
|
* Взаимозаменяемые комплекты, допускается замена. | |||
Поверка
осуществляется в соответствии с документом 5104.00000000 ПС, раздел 11 «Методы и средства поверки», утвержденным ГЦИ СИ ФГУ «УРАЛТЕСТ» в октябре 2010 г.
Перечень эталонов, применяемых при поверке:
- коллиматор универсальный УК1 ТУ 4484-078-07539541-2004 (предел допускаемой погрешности значения углов между визирными осями труб вертикального и горизонтального веера не более ± 1");
Сведения о методах измерений
Методика измерений приведена в паспорте 5104.00000000 ПС «Теодолит электронный 2Т5ЭН1»
Нормативные документы
1 ГОСТ Р 53340-2009 «Приборы геодезические. Общие технические условия»;
2 ГОСТ 10529-96 «Теодолиты. Общие технические условия»;
3 ГОСТ 8.016-81 «Государственный первичный эталон и государственная поверочная схема для средств измерения плоского угла»;
4 ТУ 4433-070-07539541-2003 «Теодолиты электронные 2Т5Э, 2Т5ЭН, 2Т5ЭН1 Технические условия».
5 Паспорт 5104.00000000 ПС «Теодолит электронный 2Т5ЭН1»
Другие Теодолиты
