Система измерительная непрерывного контроля выбросов "CEMS" станционного энергоблока № 8 ПГУ-420 ТЭЦ-26 филиал ОАО "Мосэнерго"
| Номер в ГРСИ РФ: | 47259-11 |
|---|---|
| Производитель / заявитель: | Компания "ALSTOM Power Systems S.A.", Франция |
Для автоматического непрерывного измерения массовой концентрации загрязняющих веществ в отходящих газах: оксида азота (NO), диоксида серы (SO2), оксида углерода (CO), объемной доли кислорода (O2), а также температуры и абсолютного давления газового потока в трубе станционного энергоблока № 8 ПГУ-420 ТЭЦ-26 филиал ОАО "Мосэнерго".
Информация по Госреестру
| Основные данные | |||||||
|---|---|---|---|---|---|---|---|
| Номер по Госреестру | 47259-11 | ||||||
| Наименование | Система измерительная непрерывного контроля выбросов "CEMS" станционного энергоблока № 8 ПГУ-420 ТЭЦ-26 филиал ОАО "Мосэнерго" | ||||||
| Характер производства | Единичное | ||||||
| Идентификатор записи ФИФ ОЕИ | b1d14f80-9df6-0372-246e-e18360c0805d | ||||||
| Испытания |
|
||||||
| Год регистрации | 2011 | ||||||
| Общие данные | |
|---|---|
| Технические условия на выпуск | тех.документация фирмы |
| Класс СИ | 31.01 |
| Год регистрации | 2011 |
| Страна-производитель | Швейцария |
| Центр сертификации СИ | |
| Наименование центра | ГЦИ СИ ВНИИМС |
| Адрес центра | 119361, г.Москва, Озерная ул., 46 |
| Руководитель центра | Кононогов Сергей Алексеевич |
| Телефон | (8*095) 437-55-77 |
| Факс | 437-56-66 |
| Информация о сертификате | |
| Срок действия сертификата | . . |
| Номер сертификата | 43250 |
| Тип сертификата (C - серия/E - партия) | Е |
| Дата протокола | Приказ 3651 от 19.07.11 п.19 |
Производитель / Заявитель
Фирма "ALSTOM (Switzerland) Ltd.", ШВЕЙЦАРИЯ
Швейцария
5401 Baden, Brown Boveri Strasse 7, Switzerland, Тел. +41 56 466 67 06, Факс +41 56 466 69 02 www.alstom.com, E-mail: pdsupport@power.alstom.com
Поверка
| Методика поверки / информация о поверке | МП 47259-11 |
| Межповерочный интервал / Периодичность поверки |
1 год
|
| Зарегистрировано поверок | |
| Актуальность информации | 30.11.2025 |
Поверители
Скачать
|
47259-11: Описание типа
2011-47259-11.pdf
|
Скачать | 260.2 КБ | |
| Свидетельство об утверждении типа СИ | Открыть | ... |
Описание типа
Назначение
Система измерительная непрерывного контроля выбросов «CEMS» станционного энергоблока № 8 ПГУ-420 ТЭЦ-26 филиал ОАО «Мосэнерго» (далее - система) предназначена для автоматического непрерывного измерения массовой концентрации загрязняющих веществ в отходящих газах: оксида азота (NO), диоксида серы (SO2), оксида углерода (CO), объемной доли кислорода (O2), а также температуры и абсолютного давления газового потока в трубе станционного энергоблока № 8 ПГУ-420 ТЭЦ-26 филиал ОАО «Мосэнерго».
Описание
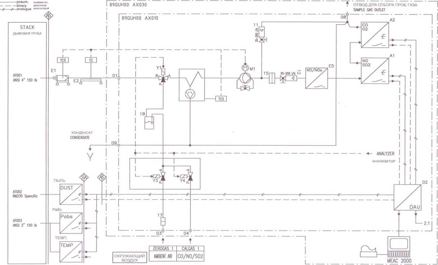
Система представляет собой комплект приборов и оборудования, установленных в контрольно-измерительном пункте и на дымовой трубе энергоблока № 8 ТЭЦ-26 филиал ОАО «Мосэнерго». В состав системы входит следующее основное оборудование:
- газоанализатор SIDOR фирмы «SICK MAIHAR Gmbh», Германия для измерения NO, SO2, CO в выбросах (Госреестр № 36104-07);
- парамагнитный кислородный датчик (встроенный в SIDOR), определяющий концентрацию О2;
- анализатор пыли OMD 41 фирмы «SICK MAIHAR Gmbh», Германия для определения массовой концентрации пыли (Госреестр № 22604-07);
- датчик давления P121 фирмы «S.K.I. Schlegel & Kremer Industrieautomation GmbH», Германия;
- термометр сопротивления тип 361 фирмы «Electrotherm. Gesellschaft fur Sensorik und thermische Mebtechnik mbh», Германия;
- преобразователь температуры тип 103 фирмы «LKM Electronic GmbH», Германия;
- система сбора информации по контролю выбросов MEAC 2000 фирмы «SICK MAIHAR Gmbh», Германия.
- информационно-вычислительный комплекс (ИВК) на базе ПТК «ALSPA P320» компании «ALSTOM (Switzerland) Ltd», Швейцария.
Анализируемая проба берется из выхлопа, проходит в газовый охладитель МАК 10 и подается в газоанализаторы SIDOR для измерения содержания массовой концентрации веществ.
Унифицированные токовые сигналы от 4 до 20 мА от средств измерений поступают в систему сбора информации по контролю выбросов MEAC, состоящую из устройства сбора данных (DAU), ПК выбросов, и предназначенную для:
- обработки данных по выбросам;
- визуального контроля выбросов;
- дистанционной передачи данных о выбросах на регулятивные органы.
Из системы MEAC информация поступает в ИВК на базе ПТК «ALSPA P320», включающий в себя каналообразующую аппаратуру, коммуникационный сервер опроса, многофункциональные контроллеры С80-75, контроллеры ввода/вывода СЕ2000, автоматизированные рабочие места персонала (АРМ) и соответствующее программное обеспечение (ПО).
Программное обеспечение
Идентификационные данные по программному обеспечению:
лист № 2
всего листов 9
Таблица 1
|
Наименование ПО |
Идентификационн ое наименование ПО |
Номер версии (идентификаци онный номер) ПО |
Цифровой идентификатор ПО (контрольная сумма исполняемого кода) |
Алгоритм цифрового идентификато ра ПО |
|
MEAC2000 |
Программное обеспечение сохранения, обработки и отображения графической информации MEAC2000 |
Version 1.28 EU |
04fcc1f93fb0e701 ed68cdc4ff54e970 |
MD5 |
|
ALSPA P320 SYSTEM |
Программное обеспечение автоматизированной системы управления технологическими процессами ПГУ -420 на базе ПТК ALSPA 320P бл. 8 ТЭЦ 26 филиала ОАО «Мосэнерго» |
Series 5.0 (CENTRALOG C10 ver. V5.7.2, CONTROCAD ver. V4.2.1 SP1) |
77yui1f93fb0e521 ed17adc4ff54e970 |
MD5 |
На программное обеспечение системы управления технологическими процессами автоматизированной ПГУ - 420 на базе ПТК ALSPA 320 P блока № 8 ТЭЦ-26 филиал ОАО «Мосэнерго» АНО «Межрегиональный испытательный центр» (регистрационный № РОСС RU.B317.0)4H30)1 от 27 марта 2009 г.), выдан сертификат соответствия № 06.0001.0504 от 18.11.2010.
Предел допускаемой дополнительной абсолютной погрешности ИВК на базе ПТК «ALSPA P320», получаемой за счет математической обработки измерительной информации, составляет 1 единицу младшего разряда измеренного значения.
Уровень защиты ПО от непреднамеренных и преднамеренных изменений по МИ 3286-2010 - «С».
Согласованность информации о дате и времени, поступающей от контроллеров через сеть, гарантируется циклической подачей сигналов синхронизации с помощью функции CENTRALOG. Каждый подписчик CENTRALOG получает сигналы синхронизации для контроллеров от внешних часов каждые 5 секунд.
Технические характеристики системы сбора информации по контролю выбросов MEAC 2000 приведены в таблице 2.
Таблица 2
|
Процессор (тип, частота биения) |
INTEL 2800 MHz, 512 MB RAM |
|
Объем памяти |
2 x 80 GB |
|
Интерфейс для последовательной передачи данных |
RS232 |
|
Потребление энергии, кВт |
0.3 |
|
Источник электроснабжения, В/ Гц |
230/50 |
|
Вес, кг |
20 |
Рис. 1. Структурная схема MEAC 2000
Рис. 2. Линейная схема системы измерительной непрерывного контроля выбросов «CEMS» станционного энергоблока № 8 ПГУ-420 ТЭЦ-26 филиал ОАО «Мосэнерго»
Технические характеристики
1. Диапазоны измерений и пределы допускаемой погрешности для газовых измерительных каналов, входящих в состав системы, приведены в таблице 3.
Таблица 3
|
Определяемый компонент |
Диапазон измерений* |
Пределы допускаемой основной погрешности, % | ||
|
массовой концентрации, мг/м3 |
объемной доли, % |
приведенной |
относительной | |
|
NO |
от 0 до 125 от 0 до 6250 |
- |
±10% ±5% |
-- |
|
SO2 |
от 0 до 100 от 0 до 900 |
- |
±10% ±10% |
-- |
|
CO |
от 0 до 530 свыше 530 до 27000 |
- |
±5% - |
- ±5% |
|
O2 |
- |
от 0 до 25 |
±2% |
- |
Примечание -* в зависимости от нагрузки газоанализатор SIDOR автоматически выбирает режим с необходимым диапазоном.
2. Диапазон измерений и пределы допускаемой погрешности для измерительного канала определения массовой концентрации пыли, входящего в состав системы, приведены в таблице 4.
Таблица 4
|
Определяемый параметр |
Диапазон измерений массовой концентрации, мг/м3 |
Пределы допускаемой основной приведенной погрешности, % |
|
Массовая концентрация пыли |
от 0 до 200 |
±20% |
3. Диапазоны измерений и пределы допускаемой погрешности для измерительных каналов температуры и давления отходящих газов в дымовой трубе ТЭЦ-26 филиал ОАО «Мосэнерго».
Диапазон измерений температуры отходящих газов, °С от - 50 до +250
Диапазон измерений давления отходящих газов, кПа от 80 до 120
Пределы допускаемой приведенной погрешности при измерении
температуры отходящих газов, %
Пределы допускаемой приведенной погрешности при измерении
давления отходящих газов, %
4. Параметры анализируемой газовой пробы:
- температура анализируемой газовой пробы, °С от 0 до +45
- диапазон давления пробы на входе в газоанализатор, гПа от - 200 до +300
- расход газовой пробы, дм3/мин
5. Основные технические характеристики измерительных компонентов системы непрерывного контроля выбросов «CEMS» и условия их эксплуатации приведены в таблице 5.
Таблица 5
|
Модификации составных частей системы |
Габаритные размеры, мм |
Масса, кг |
Рабочие условия эксплуатации |
|
Газоанализатор SIDOR |
483x132,5x290 |
9 |
от 5 до 45°С |
|
Анализатор пыли OMD 41 |
от - 20 до 50°С | ||
|
- блок приемопередатчика |
205x270x375,5 |
12,1 | |
|
- блок отражателя |
205x270x250,5 |
7,7 | |
|
- соединительный блок |
196x203x162,5 |
3,6 | |
|
- блок подачи воздуха |
550x650x350 |
14 | |
|
Датчик давления P121-4B9-311 |
116x40 (длина х диаметр корпуса) |
0,35 |
от 5 до 45°С |
|
Термометр сопротивления тип 361 |
1000x6 (длина х диаметр) |
3,5 |
от 5 до 45°С |
|
Преобразователь температуры тип 103 |
26,5x44 (длина х диаметр корпуса) |
0, 03 |
от - 40 до 55°С |
6. Время прогрева системы, не более, мин.
30
7. Параметры электрического питания системы:
- напряжение питания от сети переменного тока, В 220±10%
- частота, Гц 50±1%
8. Срок службы системы, не менее, лет 15
9. Условия эксплуатации:
- температура внешней среды, °С см. таблицу 5
- относительная влажность воздуха, не более, % 80
- атмосферное давление, кПа от 70 до 120
Знак утверждения типа
Знак наносится на титульный лист Руководства по эксплуатации типографским методом.
Комплектность
Комплектность поставки системы приведена в таблице 6.
Таблица 6
|
Наименование |
Обозначение |
Кол-во, шт. |
Заводской номер |
|
Г азоанализатор |
SIDOR |
2 |
760974, 760975 |
|
Анализатор пыли |
OMD 41 |
1 |
08158014 |
|
Датчик давления |
P 121 тип 121-4В9-311 |
1 |
812130330 |
|
Термометр сопротивления |
Тип 361 |
1 |
812130330 |
Продолжение таблицы 6
|
Наименование |
Обозначение |
Кол-во, шт. |
Заводской номер |
|
Преобразователь температуры |
Тип 103 |
1 |
812130330 |
|
Пробоотборник для газа |
SP2000-H |
1 |
14866/8202627 |
|
Система сбора информации по контролю выбросов: Устройство сбора данных Персональный компьютер с установленным программным обеспечением |
MEAC 2000 DAU |
1 1 |
970566 |
|
Г азовый конвертер |
CG-2 |
1 |
986/7208532 |
|
Устройство для обработки проб газа |
МАК 10 |
1 |
7D8-00224 |
|
Руководство по эксплуатации |
1 | ||
|
Методика поверки |
«Система измерительная непрерывного контроля выбросов «CEMS» станционного энергоблока № 8 ПГУ-420 ТЭЦ-26 филиал ОАО «Мосэнерго. Методика поверки» |
1 |
Поверка
Поверка газоанализатора SIDOR производится в соответствие с документом МП-2420541-2007 «Газоанализаторы SIDOR. Фирма SICK MAIHAK GmbH, Германия. Методика поверки», разработанным и утвержденным ГЦИ СИ «ВНИИМ им. Д.И. Менделеева» в августе 2007 г.
Основные средства поверки:
- многокомпонентная смесь СО+СО2+СН4+О2 в азоте, в баллоне под давлением, ТУ 6-21-5-82;
- многокомпонентная смесь SO2+NO+CO+N2 , в баллоне под давлением.
Поверка анализатора пыли OMD 41 проводят согласно документу МП-242-0499-2007 «Анализаторы пыли OMD 41 (модификации OMD 41-02 и OMD 41-03). Фирма SICK MAIHAK GmbH, Германия. Методика поверки», разработанным и утвержденным ГЦИ СИ «ВНИИМ им. Д.И. Менделеева» в августе 2007 г.
Основные средства поверки:
- весы лабораторные ВЛР-20;
- счетчик ротационный газовый РГ-40-1, ГОСТ 8700-72;
- фильтры аналитические АФА-ПВ-10 и АФА-ВП-20, ТУ 95-71.86-76;
- пробоотборная трубка, ТУ 3646-001-4693637-98.
Поверка системы осуществляется в соответствии с документом «Система измерительная непрерывного контроля выбросов «CEMS» станционного энергоблока № 8 ПГУ-420 ТЭЦ-26 филиал ОАО «Мосэнерго. Методика поверки», разработанным и утвержденным ФГУП «ВНИИМС» в феврале 2011 г.
Основные средства поверки:
- термостат переливной прецизионный ТПП-1.1, диапазон от -30 до +100 °С;
- измеритель-регулятор температуры многоканальный прецизионный МИТ 8.15;
- термометр цифровой прецизионный DTI-1000, от -50 до + 650 °С;
- мера электрического сопротивления многозначная Р3026-1, кл.0,002;
- однозначная мера электрического сопротивления эталонная Р3030, 10 Ом, кл.0,002;
- преобразователь сигналов прецизионный ТС и ТП «Теркон», пределы допускаемой абсолютной погрешности (0,0005 + 5-10’5 U) мВ;
- манометр избыточного давления грузопоршневой МП-2,5 I и II разрядов по ГОСТ 8291-83 - предел допускаемой основной погрешности ±0,02, 0,05 % от измеряемого давления в диапазоне измерений от 0 кПа до 250 кПа.
Каналы температуры и давления поверяются при помощи многофункционального калибратора TRX-IIR фирмы "GE Sensing", Великобритания с пределами основной допускаемой погрешности от ± 0,2 до ± 2°С для диапазона температуры от -50 до +250 °С и ± 0,05% ВПИ для диапазона давления от 80 до 120 кПа.
Сведения о методах измерений
Сведения о методах измерений приведены в руководстве по эксплуатации на систему (документ № MOS89MQUH----G65LI080 RevA_ru).
Нормативные документы
1. ГОСТ 26.203-81 «Комплексы измерительно-вычислительные. Признаки классификации. Общие требования».
2. ГОСТ 50759-95 «Анализаторы газов для контроля промышленных и транспортных выбросов. Общие технические условия».
3. ГОСТ Р 52931-2008 «Приборы контроля и регулирования технологических процессов. Общие технические условия».
4. ГОСТ 8.578-2002 «ГСИ. Государственная поверочная схема для средств измерений содержания компонентов в газовых средах».
5. Техническая документация на систему измерительную непрерывного контроля выбросов «CEMS» станционного энергоблока № 8 ПГУ-420 ТЭЦ-26 филиал ОАО «Мосэнерго».
Рекомендации к применению
- осуществление деятельности в области охраны окружающей среды;
- осуществление деятельности по обеспечению безопасности при чрезвычайных ситуациях;
- выполнение работ по обеспечению безопасных условий и охраны труда;
лист № 9
всего листов 9
- осуществление производственного контроля за соблюдением установленных законодательством Российской Федерации требований промышленной безопасности к эксплуатации опасного производственного объекта.

