47369-11: Универсал-ЭСКО Установка поверочная расходомерная - Производители, поставщики и поверители

Установка поверочная расходомерная Универсал-ЭСКО

ALL-Pribors default picture
Номер в ГРСИ РФ: 47369-11
Категория: Расходомеры
Производитель / заявитель: ГОУВПО "Тверской государственный технический университет", г.Тверь
Скачать
47369-11: Описание типа
2011-47369-11.pdf
Скачать 118.2 КБ
47369-11: Методика поверки
2022-mp47369-11.pdf
Скачать 461.7 КБ
Свидетельство об утверждении типа СИ Открыть ...
Готовы рассмотреть аналог?
Поставщик: ООО "Энергетика"
Поверка
Установка поверочная расходомерная Универсал-ЭСКО поверка на: www.ktopoverit.ru
КтоПоверит
Онлайн-сервис метрологических услуг

Для испытаний, градуировки и поверки средств измерений объема жидкости с пределами относительной погрешности ?0,15 % и расходомеров (преобразователей расхода) с пределами относительной погрешности ?1,0 %.

Информация по Госреестру

Основные данные
Номер по Госреестру 47369-11
Наименование Установка поверочная расходомерная
Модель Универсал-ЭСКО
Характер производства Единичное
Идентификатор записи ФИФ ОЕИ 921db8ea-4a28-f4c9-be58-f16e7293613f
Испытания
Дата Модель Заводской номер
01
Год регистрации 2011
Информация устарела
Общие данные
Технические условия на выпуск тех.документация ЗАО"Энергосервисная компания 3Э", г.Москва
Класс СИ 29.01.03
Год регистрации 2011
Страна-производитель  Россия 
Центр сертификации СИ
Наименование центра ГЦИ СИ ВНИИМС
Адрес центра 119361, г.Москва, Озерная ул., 46
Руководитель центра Кононогов Сергей Алексеевич
Телефон (8*095) 437-55-77
Факс 437-56-66
Информация о сертификате
Срок действия сертификата . .
Номер сертификата 43332
Тип сертификата (C - серия/E - партия) Е
Дата протокола Приказ 3976 от 29.07.11 п.22
Производитель / Заявитель

ЗАО "Энергосервисная компания 3Э", г.Москва; ГОУВПО "Тверской государственный технический университет", г.Тверь

 Россия 

170026, наб.А.Никитина, д.22, Тел./факс 8-(4822) 52-15-13

Поверка

Методика поверки / информация о поверке МП 47369-11
Межповерочный интервал / Периодичность поверки
1 год
Зарегистрировано поверок
Актуальность информации 24.05.2026
Найти результаты поверки
Указан в паспорте или на самом приборе

Поверители

КтоПоверит
Онлайн-сервис метрологических услуг
Установка поверочная расходомерная Универсал-ЭСКО поверка на: www.ktopoverit.ru
КтоПоверит
Онлайн-сервис метрологических услуг

Скачать

47369-11: Описание типа
2011-47369-11.pdf
Скачать 118.2 КБ
47369-11: Методика поверки
2022-mp47369-11.pdf
Скачать 461.7 КБ
Свидетельство об утверждении типа СИ Открыть ...

Описание типа

Назначение

Установка поверочная расходомерная "Универсал-ЭСКО" (далее установка) предназначена для испытаний, градуировки и поверки средств измерений объема жидкости с пределами относительной погрешности ±0,15 % и расходомеров (преобразователей расхода) с пределами относительной погрешности ±1,0 %.

Описание

В состав установки входят:

- рабочая система хранения жидкости;

- циркуляционные насосы;

- система технологических трубопроводов, включающая в себя устройства стабилизации расхода;

- рабочие столы для установки поверяемых приборов;

- Расходомер-счётчик электромагнитный ЭСКО-РВ.08 (Госреестр №28868-10)

- образцовые мерники;

- автоматизированный измерительно-вычислительный комплекс на базе ЭВМ (АИВК).

Установка размещается в двух уровнях.

Принцип действия установки основан на сравнении измеренных объемов или расходов воды, полученных в одинаковых условиях, по показаниям ЭПР и поверяемых средств измерений (СИ) с последующей автоматизированной (ручной) обработкой данных.

Элементы установки, с помощью которых проводят поверку (испытания) СИ расхода (объема) воды с использованием комплекта ЭПР и АИВК образуют контур сличения (далее контур ИМС).

Элементы установки, с помощью которых проводят поверку (испытания) СИ объема с применением комплекта образцовых мерников образуют объемный контур (далее контур ОИ).

Установка осуществляет:

- автоматизированную поверку (испытания) СИ расхода (объема) горячей и холодной воды с помощью контура ИМС;

- неавтоматизированную поверку (испытания) счетчиков горячей и холодной воды на заданном значении поверочного расхода с помощью контура ОИ.

Поверочная среда - вода по СНиП 2.04.07.

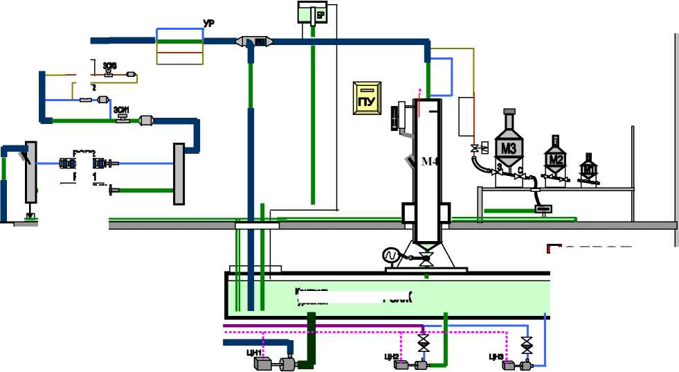
Общий вид установки приведён на рис. 1

Первый этаж

Эй"

РСП2

РСХЖ

РСП1

——IHiMtllH

И II II П П-П п Ч

Подвал

Рис.1

эае

Контроль уровней

БР

ЭСИ1-ЭСИ4 ПУ М1-М3 УР РСХЖ М4 РСП1 и РСП2

ЦН1-ЦН3

Условные обозначения к рисунку 1

Бак расширительный V=50 дм3 для работы в гидростатическом ре

жиме при G <0,5 м3/ч

Расходомеры (Ду100, 50, 25, 10 мм)

Пульт управления (электрооборудование и КИПиА Установки)

Стандартные образцовые мерники 1-го разряда, V= 5, 20, 200 дм3

Узел регулирования расхода (краны Ду 100, 50, 25, 15 мм)

Рабочая система хранения жидкости, V=12 м3

Образцовый мерник 2 разряда, V= 2000 дм3

Рабочие столы поверки для установки расходомеров и счетчиков воды

Циркуляционные насосы

Программное обеспечение

Микропрограмма обеспечивает непрерывные измерения сигналов от ППР, обработку измерительной информации, и вывод результатов измерений на дисплей (накопленный объём, текущий объёмный расход) в виде выходных частотных сигналов прямоугольной формы с программируемой частотой прямо пропорциональной расходу.

Таблица 1. Идентификационные параметры программного обеспечения (ПО)

Наименование ПО

Идентификационное наименование ПО

Номер версии (идентификационный номер) ПО

Цифровой идентификатор ПО (контрольная сумма исполняемого кода)

Алгоритм вычисления цифрового идентификатора ПО

Микропрограмма ЭСКО-ЭР

ESCO_ER.hex

1.00

cb891c8309f2edfff66f 8964672dd208

MD5

Микропрограмма ИПТ

CUR6.hex

1.00

a2ac5320fe363666f38 78832c66d42ee

MD5

Микропрограмма ИПЧ (Основной контроллер)

IMP12-M.hex

1.00

2e2375b21200f0ee5d e70947c8c82362

MD5

Микропрограмма ИПЧ (Вспомогательный контроллер)

IMP12.hex

02

83f5574d3d1dd0c355 d7865da6578776

MD5

Уровень защиты ПО от непреднамеренных и преднамеренных изменений "С" по

МИ3286-2010.

Технические характеристики

Диапазон воспроизведений расхода, м3/ч

0,02^250

Пределы допускаемой относительной погрешности контура ИМС в диапазоне измерений, %

±0,3

Пределы допускаемой относительной погрешности контура ОИ в диапазоне измерений, %

• при внесении температурных поправок в результаты измерений;

±0,05

• без внесения температурных поправок в результаты измерений;

±0,1

Температура поверочной среды, °С

20±10

Температура окружающей среды, °С

20±10

Рабочее давление поверочной среды, не более, МПа

0,6

Питание от сети переменного тока • напряжение, В

380/220

• частота, Гц

50±1

• максимальная потребляемая мощность, не более, кВт

60

Автоматическая поверка расходомеров-счетчиков всех типов с

(0^5), (4:20) мА

электрическим информационным сигналом

частотный либо им-

Типоразмеры поверяемых СИ, мм

пульсный

(RS232C и RS485)

Ду 10...150

Количество одновременно расходомеров-счетчиков воды, не более, шт:

• Ду 150 мм;

4

• Ду (10^100) мм;

6

Общая площадь, занимаемая установкой, не более, м2

120

Расчетная годовая производительность при поверке расходоме-              5000

ров-счетчиков воды при двухсменном графике и рациональной организации работ, не менее, шт

Знак утверждения типа

наносится на маркировочную табличку установки и на титульный лист руководства по эксплуатации типографическим способом.

Комплектность

№ п/п

Наименование оборудования, узлов и основные технические характеристики

Единица измерений

Кол-во

1

Гидравлическая система установки, в том числе:

комплект

1

1.1 Рабочие столы для поверяемых СИ

комплект

1

2.2 Узел регулирования расхода

комплект

1

2.3 Рабочая система хранения жидкости (V= 12 м3)

шт

1

2.5 Компенсаторы (Ду 50, 100 мм)

шт

2

2.6 Стабилизаторы расхода (коллекторы - Ду 500 мм)

шт

3

2

Насосы центробежные: основные - 300; 50; 20 м3/ч

комплект

1

3

Мерники - 5, 20, 200, 2000 дм3

комплект

1

4

Преобразователи расхода электромагнитные Ду 10, 25, 50 100 мм

комплект

1

5

Электрическая система установки:

комплект

1

5.1 Пульт управления силовыми агрегатами, сигнализацией и автоматикой.

шт

1

5.2 Силовые и сигнальные кабели, розетки и кнопочные посты управления

комплект

1

6

Автоматизированный измерительно-вычислительный комплекс АИВК:

комплект

1

6.1 Преобразователь частоты измерительный (ИПЧ-16)

шт

1

6.2 Преобразователь тока измерительный (ИПТ-6)

шт

1

6.3 ПЭВМ совместимая с IBM PC

шт

1

6.4 Принтер

шт

1

7

Эксплуатационная документация:

комплект

1

7.1 Руководство по эксплуатации

экземпляр

1

7.2 Документация на составные части

экземпляр

6

№ п/п

Наименование оборудования, узлов и основные технические характеристики

Единица измерений

Кол-во

8

Методика поверки

экземпляр

1

Поверка

осуществляется по методике "ГСИ. Установка поверочная расходомерная "Универсал-ЭСКО". Методика поверки", утвержденной ГЦИ СИ ФГУП "ВНИИМС" в июне 2011 г.

Основное поверочное оборудование:

- мерники образцовые 1-го разряда по ГОСТ 8.400-80 номинальной вместимостью 200(100), 20 и 5 дм3;

- образцовая колба 1-го разряда по ГОСТ 29227-91 номинальной вместимостью 0,5 дм3;

- пипетки на полный слив 1-го класса по ГОСТ 1770-74 номинальной вместимостью 100, 50 и 10 мл;

- частотомер Ч3-64/1, погрешность ±0,001 %, диапазон измерений

0,005 Гп... 150 МГц; напряжение входного сигнала 0.03... 10 В;

- универсальный вольтметр В7-46/1 (В7-54), погрешность ± 0,025 %, диапазон измерения тока (0,1^50) мА; диапазон измерения напряжения (0^300) В;

- генератор прямоугольных импульсов точной амплитуды Г5-75, погрешность установки периода повторения импульсов ±1 • 10-3;

- калибратор тока программируемый П321, погрешность в диапазоне до 10 мА-±0,6 мкА, в диапазоне до 100 мА - ± 6 мкА.

Сведения о методах измерений

изложены в Руководстве по эксплуатации установки поверочной расходомерной "Универсал-ЭСКО".

Нормативные документы

1. ГОСТ 8.145-75 Государственная система обеспечения единства измерений. Государственный первичный эталон и общесоюзная поверочная схема для средств измерений объемного расхода жидкости в диапазоне от 3-10-6 до 10 м3/с.

2. ГОСТ Р 50193.3-92 Измерение расхода воды в закрытых каналах. Счетчики холодной питьевой воды. Методы и средства испытаний.

3. ГОСТ 8.156-83 ГСИ. Счетчики холодной воды. Методы и средства поверки.

4. ГОСТ 8.400-80 Мерники металлические образцовые. Методы и средства поверки.

5. ГОСТ 28723-90 Расходомеры скоростные, электромагнитные и вихревые. Общие технические требования и методы испытаний.

6. Техническое задание на разработку установки поверочной расходомерной "Универсал-ЭСКО".

Рекомендации к применению

- осуществление мероприятий государственного контроля (надзора).

Лист № 6

Всего листов 6

Портативный ультразвуковой расходомер STREAMLUX SLS-720P
  • Погрешность не более 1%
  • DN 25-6000 мм
  • Температура жидкости до +160 С°
  • Доля примесей до 5%
Стационарный ультразвуковой расходомер STREAMLUX SLS-720F
  • Скорость потока 0,01-12 м/с
  • Погрешность ±1%
  • DN 15-6000 мм
  • Температура жидкости до +160°С
  • Доля примесей до 5%
Доплеровский расходомер для открытых каналов SLD-850
  • Погрешность 1%
  • DN 150 - 6000 мм
  • Скорость потока от 0.02 м/с
  • Ширина канала 200 - 10000 мм
  • Автономное питание: Да
Кориолисовый расходомер Streamlux MassFlow P10
  • Погрешность 0,1%
  • DN 10 - 200 мм
  • Давление До 10 МПа
  • Измеряемая среда Жидкость
  • Повторяемость 0,1%
  • Температура среды -50 - +300°С
Универсальный электромагнитный расходомер MagFlow 1100
  • Погрешность 0,5% (спецзаказ - 0,25%)
  • DN 10 - 1600 мм
  • Температура жидкости от -40 С° до +180 С°
  • Давление 0,6 - 42 МПа
Пищевой электромагнитный расходомер MagFlow 1300
  • Погрешность 0,5% (спецзаказ - 0,25%)
  • DN 10 - 150 мм
  • Температура жидкости от -40°С до +180°С
  • Давление до 4,0 МПа