Система измерительно-управляющая парогенераторной установки типа MTD 60 CR фирмы ШКОДА, поставляемой для ПГУ-410 СУГРЭС
| Номер в ГРСИ РФ: | 47438-11 |
|---|---|
| Производитель / заявитель: | Фирма "ABB", США |
Для измерения и контроля скорости вращения турбины, температуры и давления пара, потребляемой электрической энергии, скорости вибрации, перемещения ротора генератора, защиты и аварийного отключения установки.
Информация по Госреестру
| Основные данные | |||||||
|---|---|---|---|---|---|---|---|
| Номер по Госреестру | 47438-11 | ||||||
| Наименование | Система измерительно-управляющая парогенераторной установки типа MTD 60 CR фирмы ШКОДА, поставляемой для ПГУ-410 СУГРЭС | ||||||
| Характер производства | Единичное | ||||||
| Идентификатор записи ФИФ ОЕИ | a851549d-69ee-ce9a-a3a2-0ad53451a2b7 | ||||||
| Испытания |
|
||||||
| Год регистрации | 2011 | ||||||
| Общие данные | |
|---|---|
| Технические условия на выпуск | тех.документация фирмы |
| Класс СИ | 28.03 |
| Год регистрации | 2011 |
| Страна-производитель | Чехия |
| Центр сертификации СИ | |
| Наименование центра | ГЦИ СИ ВНИИМС |
| Адрес центра | 119361, г.Москва, Озерная ул., 46 |
| Руководитель центра | Кононогов Сергей Алексеевич |
| Телефон | (8*095) 437-55-77 |
| Факс | 437-56-66 |
| Информация о сертификате | |
| Срок действия сертификата | . . |
| Номер сертификата | 43436 |
| Тип сертификата (C - серия/E - партия) | Е |
| Дата протокола | Приказ 4330 от 05.08.11 п.01 |
Производитель / Заявитель
Фирма "ABB", ЧЕШСКАЯ РЕСПУБЛИКА
Чехия
Olomouchka 7/9, 656 66 Brno, Czech Republic тел. +420 54510 3603
Поверка
| Методика поверки / информация о поверке | МП 47438-11 |
| Межповерочный интервал / Периодичность поверки |
1 год
|
| Зарегистрировано поверок | |
| Актуальность информации | 29.03.2026 |
Поверители
Скачать
|
47438-11: Описание типа
2011-47438-11.pdf
|
Скачать | 301.7 КБ | |
| Свидетельство об утверждении типа СИ | Открыть | ... |
Описание типа
Назначение
Система измерительно-управляющая Industrial IT 800xA парогенераторной установки типа MTD 60 CR фирмы ШКОДА, поставляемой для ПГУ -410 СУГРЭС (далее - система), предназначена для измерения и контроля скорости вращения турбины, температуры и давления пара, потребляемой электрической энергии, скорости вибрации, перемещения ротора генератора, защиты и аварийного отключения установки.
Описание
Система состоит из измерительных каналов, состоящих из:
• первичных измерительных преобразователей и приборов для измерения и преобразования измерительных параметров и исполнительных механизмов;
• вторичных преобразователей для согласования уровней сигналов, гальванической развязки выходных цепей первичных преобразователей и выходных цепей модулей аналогоцифровой обработки сигнала, создания барьеров безопасности и цепей питания первичных преобразователей и приборов.
• комплекса автоматизированного измерения, управления и защиты IndustrialIT (изготовитель фирма “ABB AB, Open Control Systems”, Швеция) внесенного в Государственный реестр средств измерений (регистрационный № 26156-09) построенного на базе контроллеров АС800 М.
• серверов базы данных (Aspect Servers) и связи (Connectivity Servers);
• рабочей станции оператора, которая реализует функции контроля и управления парогенераторной установкой фирмы Шкода.
Состав измерительных каналов системы приведен в Таблице 2.
Система обеспечивает:
• измерение параметров парогенераторной установки;
• управление параметрами парогенераторной установки по установленным программам;
• предупредительную и аварийную сигнализацию по уставкам, заданным как программным путем, так и с использованием реле предельных значений.
Контроллеры АС800М за счет самодиагностики передают сигналы неисправности на станцию оператора, а при нарушении устройств коммутации выходные модули устанавливают заранее определенные значения выходных сигналов.
Надежность системы обеспечивается резервированием на уровне датчиков, контроллеров АС800М, каналов связи и интерфейсных модулей, а также использованием мажоритарной логики «два из трех» и «один из двух» Данный резерв сокращает количество отключений, связанных с неисправностями/ошибками системы управления. Также данная функция позволяет ремонтировать оборудование и производить его замену без останова паровой турбины.
Синхронизированное время всех устройств системы в режиме реального времени отображается метками с интервалом 1 мс. с точностью 0,4 мс.
При эксплуатации установки также применяется оборудование, не подлежащее надзору, но необходимое для мониторинга состояния объекта, в составе: Указатель уровня / Industriearmaturen Gottgens GmbH, Г ермания/ 08-1211-2 шт., Указатель уровня/ Bosch Rexroth, Чехия / AB31-21/254TV-1 шт., Манометры /WIKA, Австрия/232.50, 233.50, 213.53 25 шт., Манометры/Emerson, Чехия/80-1 шт., Манометры/ Econosto Oy, Финляндия/ MGS10 2 шт., Датчик температуры/
R5444/2/WIKA, Германия-3 шт., Термометр биметаллический /A5500 , A5200 /WIKA, Германия-7 шт.,
Термометр/ Metra Sumperk, Чехия/DTU-l шт., Датчик температуры/ Temperatur-meBtechnik Geraberg GmbH, Германия/ RTD Pt100 WQ0233-4 шт., Датчик температуры/ Temperatur-meBtechnik Geraberg GmbH, Германия/ 2RTD Pt100-9 шт., Преобразователи линейных перемещений/ Balluff, Германия/ BTL5-E10-M0075-T-2S32; BTL5-E10-M0100-T-2S32;BTL5-E17-M0075-T-2S32-14 шт., Датчик положения/ PROFESS, spol. S.r.o, Чехия/ ADT 3-50-1 шт., Преобразователь скорости / EPRO GmbH, Германия/ PR9376-3 шт., Измеритель постоянного тока и напряжения / WEIGEL Messgerate GmbH, Германия / PQ96K-6 шт., Преобразователь постоянного тока / WEIGEL Messgerate GmbH, Германия / VUD2.0-1 шт., Преобразователь переменного тока / Camille Bauer AG, Швейцария/ SINEAX I552-3 шт., Преобразователь переменного напряжения / Camille Bauer AG, Швейцария / SINEAX U553-3 шт., Преобразователь частоты переменного тока / Camille Bauer AG, Швейцария/ SINEAX F534 - 1 шт., Преобразователь для измерения коэффициента мощности / Camille Bauer AG, Швейцария/ SINEAX G536-1 шт., Прибор для измерения активной/ реактивной энергии / Landis + Gyr Ltd., Switzerland/ ZMD 402- 1шт., Прибор для измерения переменного напряжения / GOOSEN Mueller & Weigert, Germany/ AZQS96-1 шт., Вибрационный частотомер (сдвоенный) / GOOSEN Mueller & Weigert, Germany/ ZF96/2- 1 шт., Прибор-синхроноскоп / GOOSEN Mueller & Weigert, Germany/ SY96 - 1 шт., Многофункциональный прибор / Camille Bauer AG, Switzerland/ A2000-1 шт.. Прибор для измерения постоянного тока и напряжения / GOOSEN Mueller & Weigert, Germany/ DQB 96-2 шт., Преобразователи для измерения активной мощности / Camille Bauer AG, Швейцария/ SINEAX P530 / Q531-3шт.
Программное обеспечение
Идентификационные данные по программному обеспечению приведены в таблице 1:
Таблица 1
|
Наименование ПО |
Идентификационное наименование ПО |
Номер версии (идентификаци онный номер) ПО |
Цифровой идентификатор ПО (контрольная сумма исполняемого кода) |
Алгоритм цифрового идентификато ра ПО |
|
ABB IndustriallT-Power Generation Portal |
Пакет прикладных программ, обеспечивающих визуализацию работы системы. |
Версия 4.1. Service Pack |
77yui1f93fb0e701 ed68cdc4ff54e970 |
MD5 |
|
Compact Control Builder AC800. |
Пакет прикладных программ, предназначенный для взаимодействия и защиты элементов системы. |
Версия 5.0.2/3 (Build 5.02010.17) Системная версия 5.0 SPZ 172.16.80.11 |
04fcc1f93fb0e701 ed68cdc4ff54e970 |
MD5 |
Уровень защиты программного обеспечения от непреднамеренных и преднамеренных
изменений в соответствии с МИ 3286-2010: «C».
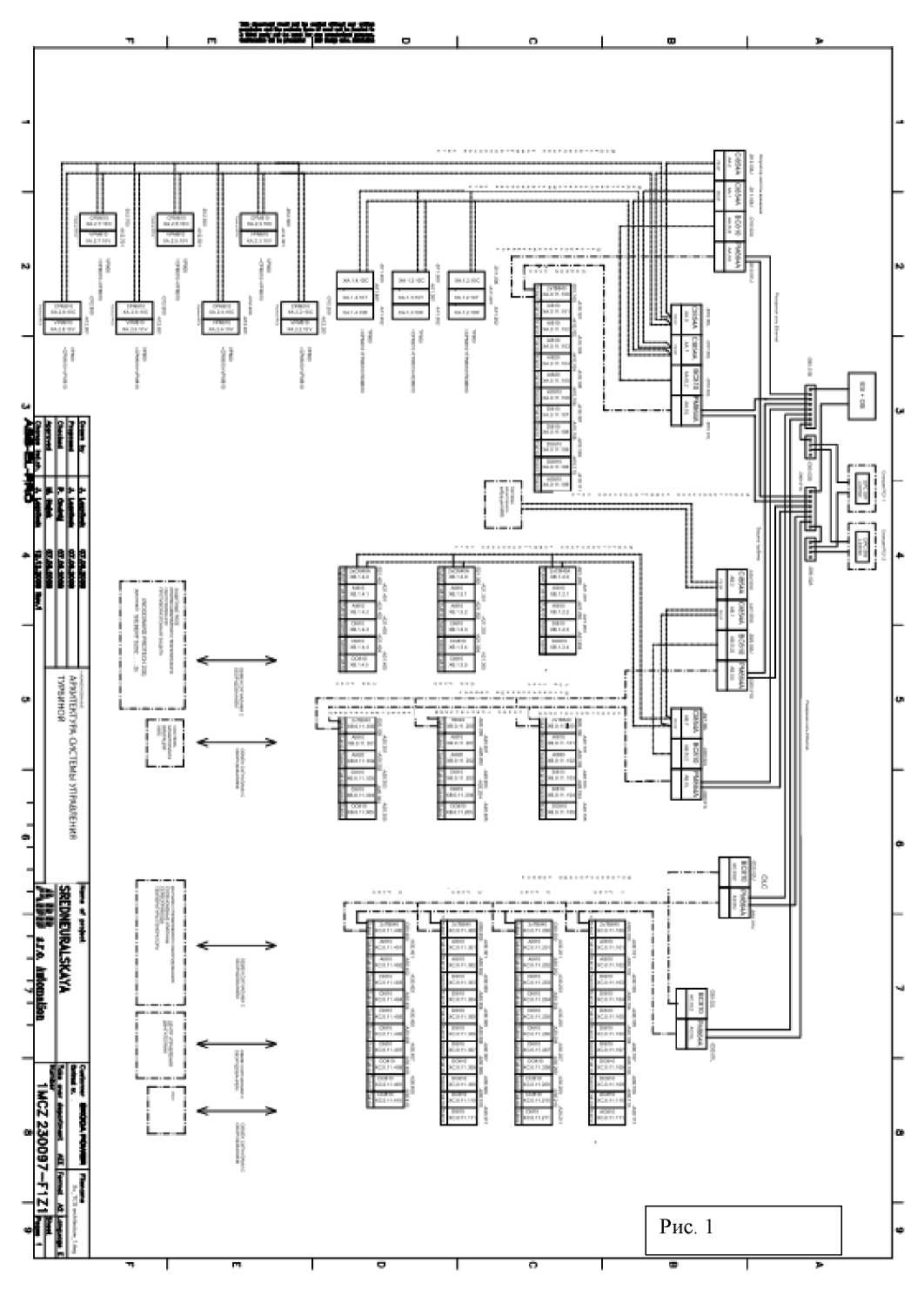
Архитектура системы управления турбиной приведена на Рис. 1
Однолинейная схема системы управления генератором приведена на Рис. 2
лист № 4всего листов 12
О. I 3kV
Pt 6001340
I. and ill. synchronising point
PROVIDED BY C JSTOMER
GENERATOR POWER OUTLET ' '
|Q.2_. 50 V A; БР; 1UFJVA
-<j- Auxiliary
.GENERATOR NEUTRAL OUTLET I
BOX FOR it's:
1SVA; 5РЗЙ
T5VA; 5РЗО 15VA; 5P3O
*8000/1 A: 18000/1A.
^зооо/ia:
■GENERATOR
।141 3MW 1S6.3MVA hs.75kV/ 6IJ97A
-5OHZ / pt О 65
leOODHA; 15VA, O.2FS1O
-8000/1A; 15VA: 5P3O
.8000/1A: 15VA; 5P3G
IflOOQ/lA: 15VA G.2FS10
EXCITATION
TRANSFORMER
AC busbars'
|<U- - AVR- REG
ГЧ Fl .1.—£—AC Auxljlaty |
PROVIDED ВУ SKODA ,
GENERATOR i
NEUTRAL POINT :
|EQUIPMENT FOR ‘GROUNDING JOF GENERATOR ■neutral point
For 64S1 E4P/100V
For 51N
SHOE LM МОШ
APPROVED! = with comment^
GENERATOR MEASURING. CDNTRQL A4D SYNCHRONIZATION
:—
I Feedifig
лигу MAN. SiNCffDNJZAT[ON [Е1ШЗЗ
ELECTRICAL PROTECTIONS
UNIT TRANSFORMER
HEA&JRING
CDSfi
ZZCNTJC
DC F#*fllno
220VDC
DC Feeding
DC SWmCiieCARD
Win DC Starter 4 z-iidv/it'' '' '
l<fc
иск
HUh
HVA^h
Г >"ilra%~! - F«»Sir*qi ■
#>DC MOTOR FW ' "1
EMERGENCY ;
OIL ‘PUMP .
PROTECTION FUNCTIONS
BTG 50ET
21.1/212 49.1/4Э2ЕТ
51727 50 64F1 •' 64F.2 64S 95% 27TN 59N 76 40.1 i 4tk2
32.1 /32_2G Rev. power
32.3 i' 32.4G Low power
46.1 t'46.2
49.1 M9-.2 27
59.1 /S&_2 24WHz
81.1 7 81.2
81.3/81 4 40E SOV ClBFP
5G I'Denge*-1' push btritanl DR
PARTIAL REDUNDANCY
Таблица 2 Состав измерительных каналов системы
|
ИК скорости | |||||
|
Первичный преобразователь |
Комплекс автоматизированный измерения, управления и защиты |
Дисплей оператора | |||
|
Наименование/зав. номера |
Смотрите также
47439-11
Mark VIe (система) MS 9001 FB (9FB) (установка) 330Н (электрогенератор)
Система измерительно-управляющая газотурбинной установки с электрогенератором
Фирма "GE Energy Power Plant Systems", СОЕДИНЕННЫЕ ШТАТЫ
Для измерения скорости вращения турбины, температуры и давления топлива, относительной концентрации метана, амплитуды вибрации при управлении газотурбинной установкой.
Для измерения накопления радиоактивного йода в щитовой железе с автоматическим вычитанием фона.
47440-11
3095MFA
Расходомеры
Фирма "Beijing Rosemount Far East Instrument Co., Ltd.", Китай, Фирма "Emerson Process Management Asia Pacific Pte Ltd.", Сингапур, Фирма "Rosemount Inc.", США, Фирма "Dieterich Standard, Inc.", США, Фирма "Emerson Process Management GmbH & Co. OHG", Германия
Для измерения расхода и количества жидкостей, газов и пара и передачи полученной информации для технологических целей и учетно-расчетных операций.
Для воспроизведения и передачи единицы объема при поверке, градуировке и калибровке преобразователей расхода, счетчиков жидкости и трубопоршневых поверочных установок 2-го разряда по ГОСТ 8.510-2002 "ГСИ. ГСИ. Государственная поверочная схема для сре...
47442-11
ПАН-As
Анализаторы
ООО «НПП «Томьаналит», РОССИЯ, 634021, Томская обл., г. Томск, ул. Елизаровых, д. 97/9, оф.31
Для измерения массовой концентрации мышьяка при анализе проб различных объектов. Объектами анализа могут быть: продукты питания (алкогольные и безалкогольные напитки, молоко и молочные продукты, жировые продукты, мясо, рыба, крупа, мука, сахар, овощи...
| ||||
