47936-11: UIT-114-694-TS-02R Системы газоаналитические автоматические газовых выбросов - Производители, поставщики и поверители

Системы газоаналитические автоматические газовых выбросов UIT-114-694-TS-02R

ALL-Pribors default picture
Номер в ГРСИ РФ: 47936-11
Производитель / заявитель: Фирма "Umwelt-und Ingenieurtechnik GmbH Dresden (UIT)", Германия
Скачать
47936-11: Описание типа
2011-47936-11.pdf
Скачать 112.8 КБ
Свидетельство об утверждении типа СИ Открыть ...
Нет данных о поставщике
Поверка
Системы газоаналитические автоматические газовых выбросов UIT-114-694-TS-02R поверка на: www.ktopoverit.ru
КтоПоверит
Онлайн-сервис метрологических услуг

Для непрерывного автоматического измерения массовой концентрации взвешенных частиц (пыли) и загрязняющих веществ в газовых выбросах промышленных предприятий - оксидов азота NOx (в пересчете на NO2), диоксида серы (SO2), хлористого водорода (HCl). Для: подачи предупредительного и аварийного сигналов с целью предотвращения выбросов опасных химических веществ в атмосферный воздух; непрерывной записи измеренных и контролируемых параметров в газовом канале (трубопроводе) с целью обработки, хранения и воспроизведения всех данных измерений, аварийных сигналов, калибровок в течение двенадцати месяцев (день, месяц, год).

Информация по Госреестру

Основные данные
Номер по Госреестру 47936-11
Действует по 03.10.2016
Наименование Системы газоаналитические автоматические газовых выбросов
Модель UIT-114-694-TS-02R
Характер производства Серийное
Идентификатор записи ФИФ ОЕИ a0404b3f-9033-ac20-c6e0-8f579087f57d
Год регистрации 2011
Информация устарела
Общие данные
Технические условия на выпуск тех.документация фирмы
Класс СИ 31.01
Год регистрации 2011
Страна-производитель  Германия 
Центр сертификации СИ
Наименование центра ГЦИ СИ ВНИИМ
Адрес центра 198005, г.С.-Петербург, Московский пр., 19
Руководитель центра Ханов Николай Иванович
Телефон (8*812) 251-76-01
Факс 113-01-14
Информация о сертификате
Срок действия сертификата 03.10.2016
Номер сертификата 44069
Тип сертификата (C - серия/E - партия) С
Дата протокола Приказ 5200 от 03.10.11 п.18
Производитель / Заявитель

Фирма "Umwelt-und Ingenieurtechnik GmbH Dresden (UIT)", ГЕРМАНИЯ

 Германия 

Zum Windkanal 21, 01109 Dresden Postfach 80 01 40, 01101 Dresden

Поверка

Методика поверки / информация о поверке МП-242-1130-2011
Межповерочный интервал / Периодичность поверки
1 год
Зарегистрировано поверок
Актуальность информации 29.03.2026
Найти результаты поверки
Указан в паспорте или на самом приборе

Поверители

КтоПоверит
Онлайн-сервис метрологических услуг
Системы газоаналитические автоматические газовых выбросов UIT-114-694-TS-02R поверка на: www.ktopoverit.ru
КтоПоверит
Онлайн-сервис метрологических услуг

Скачать

47936-11: Описание типа
2011-47936-11.pdf
Скачать 112.8 КБ
Свидетельство об утверждении типа СИ Открыть ...

Описание типа

Назначение

Система газоаналитическая автоматическая газовых выбросов UIT-114-694-TS-02R (далее - «система») предназначена для непрерывного автоматического измерения массовой концентрации взвешенных частиц (пыли) и загрязняющих веществ в газовых выбросах промышленных предприятий - оксидов азота NOx (в пересчете на NO2), диоксида серы (SO2), хлористого водорода (HCl). Система также используется для:

- Подачи предупредительного и аварийного сигналов с целью предотвращения выбросов опасных химических веществ в атмосферный воздух;

- Непрерывной записи измеренных и контролируемых параметров в газовом канале (трубопроводе) с целью обработки, хранения и воспроизведения всех данных измерений, аварийных сигналов, калибровок в течение двенадцати месяцев (день, месяц, год);

Описание

Принцип действия системы основан на следующих методах:

- для определения оксидов азота NOx (в пересчете на NO2), диоксида серы (SO2) -оптический - инфракрасный недисперсионного типа с перекрестной модуляцией потоков (газоанализатор CFA-630 с устройством отбора и подготовки пробы);

- для определения хлористого водорода (HCl) - оптический, абсорбционная спектроскопия высокого разрешения - измерение интенсивности ИК-излучения, поглощенного анализируемым газом (газоанализатор LaserGas II Single Path);

- для определения пыли - оптико-абсорбционный, по ослаблению интенсивности светового потока (анализатор пыли модели D-R 300-40).

Система является многоканальным, многофункциональным автоматическим средством измерений, не требующим в процессе эксплуатации постоянного присутствия обслуживающего персонала.

Система представляет собой комплекс измерительных и обрабатывающих средств, размещенных на газовом канале (трубопроводе) и в шкафу-стойке.

В состав системы входят:

- Измерительный комплекс «ENDA-600», содержащий:

■ газоанализатор CFA-630,

■ Зонд для пробоотбора газов модификации SP2000-H (или SP1000-H) и соединительная прогреваемая линия для транспортировки проб газа на газоанализатор CFA-630;

■ Шкаф-стойка;

- Анализатор пыли модели D-R 300-40 (№ 18066-06 в Госреестре СИ РФ);

- Лазерный измеритель-монитор концентрации HCl - газоанализатор LaserGas II Single Path (№ 32645-06 в Госреестре СИ РФ);

- Регистратор данных.

Шкаф-стойка включает в себя:

- Газоанализатор CFA-630;

- Система пробоподготовки;

- Комплекс электропитания для всей системы.

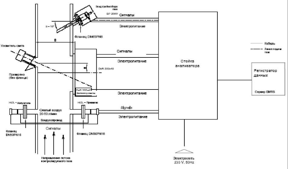
Отбор проб и подача анализируемого газа из газового канала (трубопровода) на газоанализатор CFA-630 осуществляют при помощи системы отбора проб газа на базе пробоотборного зонда SP2000-H (или SP1000-H) и соединительной прогреваемой линии от зонда к газоанализатору. Зонд обеспечивает возможность одновременного отбора проб по двум каналам.

Зонд размещается на газовом канале (трубопроводе) под углом 5 - 10°. Оборудован фильтрующим элементом (для ультратонкой фильтрации) с коробкой электроподключений и теплоизолирующим кожухом, обеспечивающим однородность нагрева термостатирующей системой, защиту от погодных влияний и случайных ударов. Приемной частью зонда служит пробоотборная трубка из нержавеющей стали диаметром 25 мм, соединенная через фланец переходника с зондом.

Пробоотборные трубки могут быть изготовлены из различных материалов, в зависимости от температуры в газовом канале (трубопроводе) - от 90 до 1800°С.

Зонд м.б. нескольких исполнений, в том числе с возможностью продувки, автоматической подачей поверочных газовых смесей в баллонах под давлением.

С помощью прогреваемой линии отобранная из газового канала (трубопровода) проба газа подается по газовому трубопроводу в шкаф-стойку и после соответствующей пробоподготовки на вход газоанализатора CFA-630. Контроль параметров пробоподготовки осуществляют мини-контроллером EC5N, установленном на передней панели шкафа-стойки.

Вывод проанализированных газовых смесей осуществляют за пределы помещения с установленным шкафом-стойкой.

Газоанализатор CFA-630 установлен в шкаф-стойку. Отбираемый для измерения газ и газ сравнения (нулевой поверочный газ) поочередно подаются в измерительную ячейку с заданным значением расхода посредством постоянного переключения электромагнитных клапанов. Поглощение инфракрасного излучения осуществляется только измеряемым (анализируемым) газом. Таким образом, осуществляется модуляция интенсивности инфракрасного излучения, попадающего на чувствительный элемент. В основе принципа измерения лежит измерение амплитуды этой модуляции.

Анализатор пыли модели D-R 300-40 (№ 18066-06 в Госреестре СИ РФ) укреплен на фланце непосредственно на газовом канале (трубопроводе). Измерения бесконтактные, постоянные и не требуют отбора проб газа. В основу работы анализатора пыли модели D-R 300-40 положен метод проходящего света. Оптическая система формирует конический пучок света от высокостабильной галогеновой лампы, в котором происходит свечение частиц пыли в отходящих газах. Приемник с помощью оптического сенсора регистрирует свет от частиц пыли в измерительном объеме. Сенсор преобразует входящий свет в электрический сигнал. Интенсивность света пропорциональна концентрации частиц в измерительном объеме. Электронный блок анализатора осуществляет вычисление концентрации частиц пыли, исходя из интенсивности излучаемого и отраженного света. Результат измерения представлен в виде значения массовой концентрации пыли в мг/м3.

Газоанализатор LaserGas II Single Path (№ 32645-06 в Госреестре СИ РФ) - стационарный автоматический прибор непрерывного действия. Предназначен для непрерывного контроля содержания хлористого водорода в потоке газа и состоит из трех отдельных блоков:

- Блок излучателя с системой продувки. Содержит лазерный модуль с термостабилизированным диодным лазером, коллиматор и основную электронику в алюминиевом корпусе;

- Блок приемника с системой продувки. Содержит фокусирующую линзу, фотодетектор и электронику в алюминиевом корпусе;

- Блок питания. Состоит из кабельных разъемов, основной платы, платы электропитания и предназначен для регистрации результатов, управления и контроля работы газоанализатора LaserGas II Single Path.

Блок излучателя и блок приемника имеют защиту от внешних воздействий, а стандартные оптические окна выдерживают давление до 6 бар (абсолютное давление).

Газоанализатор LaserGas II Single Path устанавливают в точку измерения (газовый канал - трубопровод) путем сбора излучателя и приемника с поставляемыми устройствами продувки и установки-регулировки, которые монтируются на технологические фланцы DN50 на диаметрально противоположных сторонах газового канала (трубопровода) - слева -излучатель, справа - приемник.

Блок питания газоанализатора LaserGas II Single Path устанавливают в шкаф-стойку и соединяют с блоком излучателя посредством кабеля.

Для газоанализатора LaserGas II Single Path для конкретной аналитической среды устанавливается линия селективной абсорбции целевого газа, которая сканируется диодным лазером. Монохроматический пучок от блока источника излучения с коллимирующей оптикой проходит через анализируемую газовую среду и поступает через фокусирующие линзы в блок детектора, установленный на противоположной стороне газового канала (трубопровода).

Сбор, обработку и хранение информации, поступающей от анализатора пыли D-R 300-40 и газоанализаторов CFA-630, LaserGas II Single Path осуществляет регистратор данных, подсоединенный к шкафу-стойке. Регистратор данных оснащен специальным программным обеспечением и является центральным устройством системы, производящим сбор, обработку, хранение и воспроизведения всех данных измерений, аварийных сигналов, калибровок и трендов в течение двенадцати месяцев (день, месяц, год).

Схематичное изображение системы приведено на рисунке 1.

Рис. 1. Схематичное изображение системы газоаналитической автоматизированной выбросных газов UIT-114-694-TS-02R.

Программное обеспечение

Система имеет внешнее программное обеспечение VEDL (Versatile Environmental Data Logger) и VEDD (Versatile Environmental Data Display) - универсальное средство регистрации данных о состоянии окружающей среды, защищенное авторским правом BIT-ASZ Co., Ltd (от 1996 года), разработанное фирмой-изготовителем специально для решения задач измерения массовой концентрации определяемых компонентов. Программное обеспечение идентифицируется по запросу пользователя через сервисное меню регистратора данных путем вывода на экран версии программного обеспечения.

Конструктивно система имеет защиту встроенного программного обеспечения от преднамеренных или непреднамеренных изменений, реализованную изготовителем на этапе производства путем установки системы защиты микроконтроллера от чтения и записи (уровень защиты С по МИ 3286-2010).

Программное обеспечение защищено паролем, которым владеет только изготовитель системы газоаналитической автоматизированной газовых выбросов UIT-114-694-TS-02R.

Идентификационные данные программного обеспечения приведены в таблице 1.

Таблица

Наименование программного обеспечения

Идентификационное наименование программного обеспечения

Номер версии (идентификационный номер) программного обеспечения

Цифровой идентификатор программного обеспечения (контрольная сумма исполняемого кода)

Алгоритм вычисления цифрового идентификатора программного обеспечения

VEDL - data acquisition software

VEDL.EXE:

4.3.0.4

4a5f62311b8d9adcff1

37b7a1fea9032

MD5

VEDD - data reporting software

VEDD.EXE:

4.6.0.6

94c903f616deb2979a a5d79066fe733 7

MD5

Нормирование метрологических характеристик проведено с учетом того, что внешнее программное обеспечение версии VEDL/VEDD является неотъемлемой частью системы.

Технические характеристики

1 Диапазоны измерений и пределы допускаемой о сновной погрешности газовых измерительных каналов, входящих в со став системы приведены в таблице 2.

Таблица 2

Определяемый компонент

Диапазоны измерений массовой концентрации, мг/м1 2 3 4 5

Пределы допускаемой основной погрешности

Тип анализатора

Номинальная цена единицы наименьшего разряда, мг/м2

приведенной, у, %

относительной, 5, %

абсолютной, Л, мг/м2

Диоксид серы (SO2)

0 - 20 св. 20 - 200

± 15 -

-

± 15

CFA-630

0,1

Окислы азота

NOx

(в пересчете на

NO2)

0 - 40 св. 40 - 500

± 15 -

-

± 15

0,1

Хлористый водород (HCl)

0 - 10

-

-

± 1,5

LaserGas II Single

0,1

Взвешенные частицы (пыль)**

0,5 - 10

-

± 20

D-R 300-40

0,1

**Метрологические характеристики установлены для тестового аэрозоля на основе NaCl и для диафрагмы 12 мм.

Лист № 5

всего листов 7

* Примечание: Приведены максимальные значения указанных параметров. Конкретные значения представлены в РЭ на каждый газоанализатор, используемый в системе.

7. Габаритные размеры и масса элементов системы приведены в таблице 3.

Таблица 3.

Наименование

Г абаритные размеры, мм, не более

Мас

са, кг

Рабочие условия эксплуатации

длина

ширина

высота

Зонд пробоотборный SP2000-H (или SP1000-H)

345

340

260

15,4

(минус 20 + 60) oC

Анализатор пыли D-R 300-40:

от минус 20 до 50

- измерительный модуль

565

410

310

18

oC, температура в газовом канале не бо-

лее 320 ОС

- блок продувки воздухом

350

550

500

12

- коммутационное устройство

166

155

165

3,5

от минус 40 до 65 oC,

Г азоанализатор

от минус 20 до 50 oC,

LaserGas II Single Path

температура анали-

-бок преобразователя

365

270

170

6,2

зируемого газа от

- блок детектора

355

120

120

3,9

400 до 1500 oC

Шкаф-стойка:

-система пробоподготовки;

800

800

2000

70

- комплекс электропитания для всей системы;

- газоанализатор CFA-630

500

482

132

17

от 5 до 40 oC

Регистратор данных

450

200

400

10

от 5 до 40 oC

8. Параметры электрического питания элементов системы:

Питание осуществляется от однофазной или трехфазной сети переменного тока с напряжением фазы (230±23) В и частотой (50 ± 1) Гц.

9. Потребляемая мощность, В^А, не более: 3000.

10. Срок службы системы, лет, не менее

11. Средняя наработка на отказ, не менее: 18000 ч (при доверительной вероятности Р=0,95).

12. Параметры анализируемой среды (на входе газоанализатора)

- температура, не более, oC

- давление измеряемого газа, кПа

- объемный расход пробы, дм3/мин                  2,5-3,5 (подготовка анализируемого газа)

0,8 (аналитический блок).

Знак утверждения типа

Знак утверждения типа наносится на наклейку, которая крепится с внутренней стороны передней панели шкафа-стойки, и на титульный лист Руководства по эксплуатации «Система газоаналитическая автоматическая газовых выбросов UIT-114-694-TS-02R».

Комплектность

Комплектность системы приведена в таблице 4.

Таблица 4.

Наименование изделия

Обозначение

Кол-во

Анализатор пыли

D-R 300-40

1

Г азоанализатор

LaserGas II Single Path

1

Пробоотборный зонд с комплектом газовой магистрали

SP2000-H (или SP1000-H)

1

Наименование изделия

Обозначение

Кол-во

Шкаф-стойка в составе:

- газоанализатор;

- система пробоподготовки;

- комплекс электропитания для всей системы

CFA-630

1

Регистратор данных

-

1

Комплект кабелей

-

1

Руководство по эксплуатации

РЭ

1

Методика поверки

МП - 242 - 1130 - 2011

1

Поверка

осуществляется в соответствии с документом МП-242-1130-2011 «Система газоаналитическая автоматическая газовых выбросов UIT-114-694-TS-02R» разработанным и утвержденным ГЦИ СИ ФГУП «ВНИИМ им. Д.И. Менделеева» в феврале 2011 г.

Основные средства поверки:

- стандартные образцы состава - газовые смеси ГСО 9187-2008 (NO2/N2), ГСО 91952008 (SO2/N2), ГСО 9189-2008 (NO/N2) в баллонах под давлением, выпускаемые по ТУ 6-16-2956-92;

- поверочный нулевой газ - азот по ГОСТ 9293-74, воздух по ТУ 6-21-5-85;

- генератор ГГС-Т по ТУ ШДЕК.418313.009 ТУ с источниками микропотоков по ТУ ИБЯЛ.418319.013ТУ.

для канала пыли:

- анализатор пыли «ДАСТ - 1 - Э», (№ 35822-07 в Госреестре СИ), диапазон измерений массовой концентрации пыли 0,1 - 1500 мг/м3, пределы допускаемой относительной погрешности ± 10%.

Допускается применять другие средства поверки, не приведенные в перечне, но обеспечивающие определение метрологических характеристик с требуемой точностью.

Сведения о методах измерений

Методики измерений приведены в документе «Система газоаналитическая автоматическая газовых выбросов UIT-114-694-TS-02R. Руководство по эксплуатации» РЭ, 2010 г.

Нормативные документы

1) ГОСТ Р 50759-95. Анализаторы газов для контроля промышленных и транспортных выбросов. Общие технические условия.

2) ГОСТ 13320-81 Газоанализаторы промышленные автоматические. Общие технические требования.

3) ГОСТ Р 52931-2008 «Приборы контроля и регулирования технологических процессов. Общие технические условия».

4) ГОСТ Р 8.596-2002. Государственная система обеспечения единства измерений. Метрологическое обеспечение измерительных систем.

5) ГОСТ 8.578-2008. ГСИ. Государственная поверочная схема для средств измерений содержания компонентов в газовых средах.

6) ГОСТ Р 8.606-2004 «ГСИ. Государственная поверочная схема для средств измерений дисперсных параметров аэрозолей, взвесей и порошкообразных материалов».

7) Техническая документация фирмы-изготовителя.

Рекомендации к применению

охрана окружающей среды.

Смотрите также

Default ALL-Pribors Device Photo
47937-11
СПНГ Счетчики газа турбинные
ООО "Техномер", РОССИЯ, г.Арзамас
Для непрерывного измерения объемного количества потоков предварительно отсепарированного от жидких фракций, смолянистых примесей и твёрдых включений попутного нефтяного газа, а также природного газа, городского газа, пропана, водорода, воздуха, азота...
Default ALL-Pribors Device Photo
47938-11
Милихром А-02, Альфахром А-02 (Alphachrom A-02) Хроматографы жидкостные высокоэффективные
ЗАО Институт хроматографии "ЭкоНова", РОССИЯ, г.Новосибирск
Для разделения жидких смесей веществ методом высокоэффективной жидкостной хроматографии и количественного анализа компонентов объектов окружающей среды (природных и сточных вод, почвы, атмосферы), жидких и твердых отходов производства, продуктов пита...
Default ALL-Pribors Device Photo
47939-11
MD73 Манометры дифференциальные
Фирма "Wartsila Corporation", ФИНЛЯНДИЯ
Для измерений разности давлений жидкостей и газов.
Default ALL-Pribors Device Photo
4794-75
КСБУ-63 Установки
П/я В-2150 ( БелВАР), БЕЛАРУСЬ, г.Минск
Разрешен серийный выпуск до 01.01.1982
Default ALL-Pribors Device Photo
47940-11
MPD Манометры дифференциальные
Фирма "Atlas Copco Energas GmbH", ГЕРМАНИЯ
Для измерений избыточного давления жидкостей и газов.