Термометры биметаллические ATh, BiTh, RT, RTC
| Номер в ГРСИ РФ: | 47947-11 |
|---|---|
| Категория: | Термометры |
| Производитель / заявитель: | Фирма "AFRISO-EURO-INDEX GmbH", Германия |
Термометры биметаллические серий ATh, BiTh, RT, RTC (далее - термометры) предназначены для измерений температуры жидких, сыпучих и газообразных сред, не агрессивных к материалу термобаллона термометров.
Информация по Госреестру
| Основные данные | |
|---|---|
| Номер по Госреестру | 47947-11 |
| Действует | по 12.09.2031 |
| Наименование | Термометры биметаллические |
| Модель | ATh, BiTh, RT, RTC |
| Модификации |
ATh 63F ATh 63S ATh 80F |
| Приказы |
№966 от
21.05.2026
— О продлении срока действия утвержденных типов средств измерений
|
| Код идентификации производства |
ОС
СИ не соответствует критериям подтверждения производства на территории
РФ в соответствии с постановлением №719
|
| Характер производства | Серийное |
| Идентификатор записи ФИФ ОЕИ | 41b22d93-7737-a9a8-c883-bbea98149a44 |
| Год регистрации | 2011 |
| Общие данные | |
|---|---|
| Технические условия на выпуск | тех.документация фирмы |
| Класс СИ | 32.02 |
| Год регистрации | 2011 |
| Страна-производитель | Германия |
| Центр сертификации СИ | |
| Наименование центра | ГЦИ СИ ВНИИМС |
| Адрес центра | 119361, г.Москва, Озерная ул., 46 |
| Руководитель центра | Кононогов Сергей Алексеевич |
| Телефон | (8*095) 437-55-77 |
| Факс | 437-56-66 |
| Информация о сертификате | |
| Срок действия сертификата | 10.10.2016 |
| Номер сертификата | 44082 |
| Тип сертификата (C - серия/E - партия) | С |
| Дата протокола | Приказ 5264 от 10.10.11 п.06 |
Производитель / Заявитель
фирма «AFRISO-EURO-INDEX GmbH», ГЕРМАНИЯ, Lindenstrasse, 20, DE-74363, Guglengen
Германия
Lindenstrasse 20, 74363 Gueglingen-Germany, Тел. +49 (0) 7135 102-0, Факс +49 (0) 7135 102-1471, www.afriso.ru, E-mail: info@afriso.ru
Поверка
| Методика поверки / информация о поверке |
Термометры биметаллические серий ATh, BiTh, RT, RTC пр-ва фирмы «AFRISO-EURO-INDEX GmbH». Методика поверки
|
| Межповерочный интервал / Периодичность поверки |
2 года
|
| Зарегистрировано поверок | |
| Найдено поверителей | |
| Успешных поверок (СИ пригодно) | 808 (96%) |
| Неуспешных поверок (СИ непригодно) | 34 (4 %) |
| Актуальность информации | 24.05.2026 |
Поверители
Скачать
|
47947-11: Описание типа
2016-47947-11.pdf
|
Скачать | 131.6 КБ | |
|
47947-11: Методика поверки
2021-mp47947-11.pdf
Файл устарел
|
Скачать | 36.3 КБ | |
|
47947-11: Описание типа
2016-47947-11-1.pdf
Файл устарел
|
Скачать | 131.6 КБ | |
|
47947-11: Методика поверки
2021-mp47947-11-1.pdf
Файл устарел
|
Скачать | 36.3 КБ | |
|
47947-11: Методика поверки
2021-mp47947-11-2.pdf
|
Скачать | 36.3 КБ | |
| Свидетельство об утверждении типа СИ | Открыть | ... |
Описание типа
Назначение
Термометры биметаллические серий ATh, BiTh, RT, RTC (далее - термометры) предназначены для измерений температуры жидких, сыпучих и газообразных сред, не агрессивных к материалу термобаллона термометров.
Описание
Принцип действия термометров основан на упругой деформации, возникающей под воздействием температуры двух прочно соединенных металлических пластин, имеющих различные температурные коэффициенты линейного расширения. При изменении температуры биметалл изгибается в сторону материала с меньшим коэффициентом линейного расширения, изгиб с помощью кинематического узла преобразуется во вращательное движение стрелки, показывающей измеряемое значение температуры по шкале термометра.
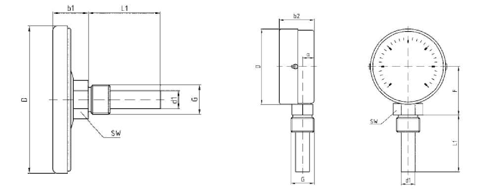
Термометры относятся к показывающим стрелочным приборам погружного (серии BiTh, RT, RTC) или поверхностного (модель BiTh 63exz, серия ATh) типа и состоят из круглого корпуса, в котором размещены циферблат и кинематический механизм со стрелкой, и биметаллического термочувствительного элемента в защитной трубке (термобаллона). Корпус термометров изготавливается из нержавеющей стали или пластмассы, а термобаллон - из нержавеющей стали, меди, латуни или пластика. Термометры изготавливаются с тыльным и радиальным креплением корпуса, а также с поворачивающимся и откидным корпусом.
Термометры серии ATh изготавливаются следующих моделей: ATh 63F, ATh 63S, ATh 80F, которые различаются по диаметру корпуса и по способу присоединения к объекту измерений.
43
Термометры серии ATh
Термометры серии BiTh имеют следующие модели, различающиеся по классу точности, по возможным диапазонам измерений, по конструктивному исполнению, по материалу отдельных элементов (корпус, термобаллон, защита циферблата и т.д.): BiTh 40K, BiTh 50K, BiTh 63K, BiTh 80K, BiTh 100K, BiTh 63/D211, BiTh 80/D211, BiTh 100/D211, BiTh 160/D211, BiTh 63E D312, BiTh 80E D312, BiTh 100E D312, BiTh 63E D302, BiTh 100E D302, BiTh 63Ch D412, BiTh 100Ch D412, BiTh 160Ch D412, BiTh 63Ch D402, BiTh 100Ch D402, BiTh 160Ch D402, BiTh 63exz.

Термометры серии BiTh
Термометры серий RT и RTC являются высокотемпературными, предназначены для измерений температуры газообразных сред в системах отопления и изготавливаются следующих моделей соответственно: RT 80 и RTC 80:
Термометры серии RTC
Для достижения минимальной вибрации стрелки и максимальной теплопередачи биметаллический элемент термометров может быть заполнен силиконовой жидкостью или глицерином.
Термометры могут быть оснащены внешней корректировкой «нуля» и различными сигнализирующими устройствами.
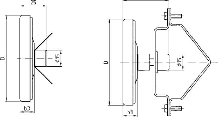
Монтаж термометров погружного типа на объектах измерений осуществляется с помощью штуцеров или с использованием защитных гильз, предохраняющих термобаллон термометра от воздействия агрессивных сред. Технические характеристики защитных гильз для термометров приведены в технической документации фирмы-изготовителя. Монтаж поверхностных термометров осуществляется при помощи универсальной скобы или пружины.
Технические характеристики
Диапазон измерений (показаний) термометров серии ATh, °С: от плюс 10 до плюс 110 (от 0 до плюс 120).
Цена деления шкалы термометров серии ATh, °С:
Пределы допускаемой абсолютной погрешности термометров серии ATh, °С:
Диапазон измерений (показаний) термометров серии RT, °С: от плюс 30 до плюс 270 (от 0 до плюс 300), от плюс 50 до плюс 450 (от 0 до плюс 500).
Цена деления шкалы термометров серии RT, °С:
Пределы допускаемой абсолютной погрешности термометров серии RT, °С: ......±
Диапазон измерений (показаний) термометров серии RTC, °С: от плюс 50 до плюс 300 (от 0 до плюс 350).
Цена деления шкалы термометров серии RTC, °С:
Пределы допускаемой абсолютной погрешности термометров серии RTC, °С: .... ± 10
Диапазон измерений, цена деления шкалы и пределы допускаемой абсолютной погрешности термометров серии BiTh представлены в таблице:
|
Диапазон показаний, °С |
Диапазон измерений, °С |
Цена деления шкалы, °С |
Пределы допускаемой абсолютной погрешности, °С | |
|
Класс 1 |
Класс 2 | |||
|
-20...+60 |
-10...+50 |
1 |
± 1 |
± 2 |
|
0...+60 |
+10...+50 |
1 |
± 1 |
± 2 |
|
0...+120 |
+10...+110 |
2 |
± 2 |
± 4 |
|
0...+160 |
+20...+140 |
2 |
± 2 |
± 4 |
|
0...+200 |
+20...+180 |
2 |
± 2 |
± 4 |
|
0...+250 |
+30...+220 |
5 |
± 2,5 |
± 5 |
|
0...+300 |
+30...+270 |
5 |
± 5 |
± 10 |
|
0...+350 |
+50...+300 |
5 |
± 5 |
± 10 |
|
0...+400 |
+50...+350 |
5 |
± 5 |
± 10 |
|
0...+500 |
+50...+450 |
5 |
± 5 |
± 10 |
|
Примечание: по отдельному заказу допускается изготовление термометров с классом точности 1, 2 и с диапазонами температур по DIN EN 13190-2002, лежащих в пределах от минус 20 до плюс 500 °С | ||||
Диаметр корпуса, мм: ..................40, 50, 63, 80, 100, 160
Диаметр термобаллона, мм: ..........6, 8, 9, 10, 12, 14, 14,8, 15 и другой по заказу
Длина термобаллона, мм: ..............от 40 до 150 и более по заказу
Средний срок службы, лет, не менее, лет:....................10
Рабочие условия эксплуатации:
- температура окружающей среды, °С: ........от минус 10 до плюс 50
- относительная влажность при температуре плюс 40 °С, %, не более ........98.
Знак утверждения типа
Знак утверждения типа наносится на титульный лист паспорта на термометр (в правом верхнем углу) типографским способом.
Комплектность
Термометр - 1 шт.;
Паспорт (на русском языке) - 1 экз.;
Методика поверки - 1 экз. (допускается 1 экз. на партию термометров при поставке в один адрес)
По дополнительному заказу: защитная гильза, монтажные приспособления, сигнализирующие устройства.
Поверка
осуществляется по документу МП 47947-11 «Термометры биметаллические серий ATh, BiTh, RT, RTC. Методика поверки», утвержденному ГЦИ СИ ФГУП «ВНИИМС», 25.04.2011г.
Основные средства поверки:
- термометр цифровой прецизионный DTI-1000, пределы допускаемой абсолютной погрешности: ±0,031 °С в диапазоне температур от минус 50 до плюс 400 °С, ±0,061 °С в диапазоне температур св. плюс 400 до плюс 650 °С;
- термостат жидкостной прецизионный переливного типа модели ТПП-1.1 с диапазоном воспроизводимых температур от минус 30 до плюс 100 °С и нестабильностью поддержания заданной температуры ±(0,004.. .0,01) °С;
- термостат жидкостной «ТЕРМОТЕСТ-300» с диапазоном воспроизводимых температур от плюс 100 до плюс 300 °С и нестабильностью поддержания заданной температуры ±(0,01.0,02) °С;
- калибратор температуры модели АТС-650А/В с диапазоном воспроизводимых температур от плюс 33 до плюс 650 °С, нестабильностью поддержания заданной температуры ±0,02 °С, и погрешностью воспроизведения заданной температуры: ±(0,11.0,35) °С.
Сведения о методах измерений
приведены в соответствующем разделе паспорта на термометры.
Нормативные документы
ГОСТ 8.558-93 ГСИ. Государственная поверочная схема для средств измерений температуры.
ГОСТ Р 52931-2008 Приборы контроля и регулирования технологических процессов. Общие технические условия.
Европейский стандарт DIN EN 13190-2002 Термометры стрелочные.
Техническая документация фирмы «AFRISO-EURO-INDEX GmbH», Германия.
Рекомендации к применению
Осуществление деятельности в области охраны окружающей среды; выполнение работ по обеспечению безопасных условий и охраны труда; осуществление производственного контроля за соблюдением установленных законодательством Российской Федерации требований промышленной безопасности к эксплуатации опасного производственного объекта; осуществление геодезической и картографической деятельности; выполнение работ по оценке соответствия промышленной продукции и продукции других видов, а также иных объектов установленным законодательством Российской Федерации обязательным требованиям.
|
|



