48366-11: Система автоматизированная информационно-измерительная коммерческого учета электроэнергии ПС 220 кВ "Приокская" - Производители, поставщики и поверители

Система автоматизированная информационно-измерительная коммерческого учета электроэнергии ПС 220 кВ "Приокская"

ALL-Pribors default picture
Номер в ГРСИ РФ: 48366-11
Производитель / заявитель: ООО "Тулацемент", р.п.Новогуровский
Скачать
48366-11: Описание типа
2011-48366-11.pdf
Скачать 861.4 КБ
Свидетельство об утверждении типа СИ Открыть ...
Нет данных о поставщике
Поверка
Система автоматизированная информационно-измерительная коммерческого учета электроэнергии ПС 220 кВ "Приокская" поверка на: www.ktopoverit.ru
КтоПоверит
Онлайн-сервис метрологических услуг

Для измерения электроэнергии (мощности), потребляемой ООО "Тулацемент", (Тульская обл. пос. Новогуровский), а также регистрации и хранения параметров электропотребления, формирования отчетных документов и информационного обмена с субъектами оптового рынка электроэнергии (ОРЭ), ОАО "АТС", ЦУС Приокского ПМЭС, филиал ОАО "СО ЕЭС" Тульское РДУ и др.

Информация по Госреестру

Основные данные
Номер по Госреестру 48366-11
Наименование Система автоматизированная информационно-измерительная коммерческого учета электроэнергии ПС 220 кВ "Приокская"
Характер производства Единичное
Идентификатор записи ФИФ ОЕИ 9ca80095-89b9-6860-b42f-42b5dbd69114
Испытания
Дата Модель Заводской номер
зав.№ 001
Год регистрации 2011
Информация устарела
Общие данные
Технические условия на выпуск ГОСТ 22261-94, ГОСТ 7746-2001, ГОСТ 1983-2001
Класс СИ 34.01.04
Год регистрации 2011
Страна-производитель  Россия 
Центр сертификации СИ
Наименование центра ГЦИ СИ ООО "ИЦ "Энерготестконтроль"
Адрес центра 105043, г.Москва, ул.Первомайская, д.35/18. стр.1; 117418, г.Москва, Нахимовский пр-т, 31
Руководитель центра Минц Владимир Борисович
Телефон (8*095) 332-99-09
Факс 129-25-44
Информация о сертификате
Срок действия сертификата . .
Номер сертификата 44628
Тип сертификата (C - серия/E - партия) Е
Дата протокола Приказ 6360 от 06.12.11 п.31
Производитель / Заявитель

ООО "Тулацемент", РОССИЯ, р.п.Новогуровский

 Россия 

301382, Тульская обл. Алексинский р-он, ул.Железнодорожная, 3, E-mail: info@tulacement.ru

Поверка

Методика поверки / информация о поверке КПНГ.411713.116 РЭ
Межповерочный интервал / Периодичность поверки
4 года
Зарегистрировано поверок
Найдено поверителей
Успешных поверок (СИ пригодно) 1 (100%)
Неуспешных поверок (СИ непригодно) 0 (0 %)
Актуальность информации 29.03.2026
Найти результаты поверки
Указан в паспорте или на самом приборе

Поверители

КтоПоверит
Онлайн-сервис метрологических услуг
Система автоматизированная информационно-измерительная коммерческого учета электроэнергии ПС 220 кВ "Приокская" поверка на: www.ktopoverit.ru
КтоПоверит
Онлайн-сервис метрологических услуг

Скачать

48366-11: Описание типа
2011-48366-11.pdf
Скачать 861.4 КБ
Свидетельство об утверждении типа СИ Открыть ...

Описание типа

Назначение

Система автоматизированная информационно-измерительная коммерческого учета электроэнергии ПС 220 кВ "Приокская" (далее - АИИС КУЭ ПС 220 кВ "Приокская") предназначена для измерения электроэнергии (мощности), потребляемой ООО «Тулацемент», (Тульская обл. пос. Новогуровский), а также регистрации и хранения параметров электропотребления, формирования отчетных документов и информационного обмена с субъектами оптового рынка электроэнергии (ОРЭ), ОАО «АТС», ЦУС Приокского ПМЭС, филиал ОАО "СО ЕЭС" Тульское РДУ и др. (далее - внешние пользователи).

Описание

АИИС КУЭ ПС 220 кВ "Приокская" представляет собой многофункциональную, трехуровневую систему с централизованным управлением и распределенной функцией измерения и решает следующие задачи:

• измерение 30-минутных приращений активной электроэнергии,

• периодический (1 раз в сутки) и /или по запросу автоматический сбор привязанных к единому календарному времени результатов измерений приращений электроэнергии с заданной дискретностью учета (30 мин);

• хранение результатов измерений в специализированной базе данных, отвечающей требованию повышенной защищенности от потери информации (резервирование баз данных) и от несанкционированного доступа;

• передача в организации (внешние пользователи) результатов измерений;

• предоставление по запросу контрольного доступа к результатам измерений, данных о состоянии объектов и средств измерений со стороны сервера организаций (внешних пользователей);

• обеспечение защиты оборудования, программного обеспечения и данных от несанкционированного доступа на физическом и программном уровне (установка паролей и т.п.);

• диагностика функционирования технических и программных средств АИИС КУЭ ПС 220 кВ "Приокская";

• конфигурирование и настройка параметров АИИС КУЭ ПС 220 кВ "Приокская";

• ведение системы единого времени в АИИС КУЭ ПС 220 кВ "Приокская" (коррекция времени).

Метод измерения электроэнергии (мощности). Первичные фазные токи и напряжения трансформируются измерительными трансформаторами в аналоговые сигналы низкого уровня, которые по проводным линиям связи поступают на соответствующие входы электронного счетчика электроэнергии. В счетчике мгновенные значения аналоговых сигналов преобразуются в цифровой сигнал. По мгновенным значениям силы электрического тока и напряжения в микропроцессоре счетчика вычисляются мгновенные значения активной и полной мощности, которые усредняются за период 0,02 с. Средняя за период реактивная мощность вычисляется по средним за период значениям активной и полной мощности.

Электрическая энергия, как интеграл по времени от средней за период 0,02 с мощности вычисляется для интервалов времени 30 мин. (Умножение на коэффициенты трансформации осуществляется в сервере).

Цифровой сигнал с выходов счетчиков по интерфейсу RS 485 по проводным линиям связи поступает на вход УСПД, где осуществляется автоматизированный сбор, контроль и учет показателей и режимов потребления электроэнергии, передача накопленных данных по каналам передачи данных. ИВК предназначен для обеспечения выполнения задач автоматического сбора, диагностики, обработки и хранения информации об измеренной электроэнергии, а также обеспечения интерфейсов доступа к информации. Учетная информация, передаваемая

внешним пользователям через Internet (основной канал связи) и коммутируемым телефонным линиям связи (резервный канал связи), отражает 30-минутные результаты измерения потребления электроэнергии по точке учета. Передача информации реализована с использованием электронных документов в виде макетов 51070 и 80020 в формате XML.

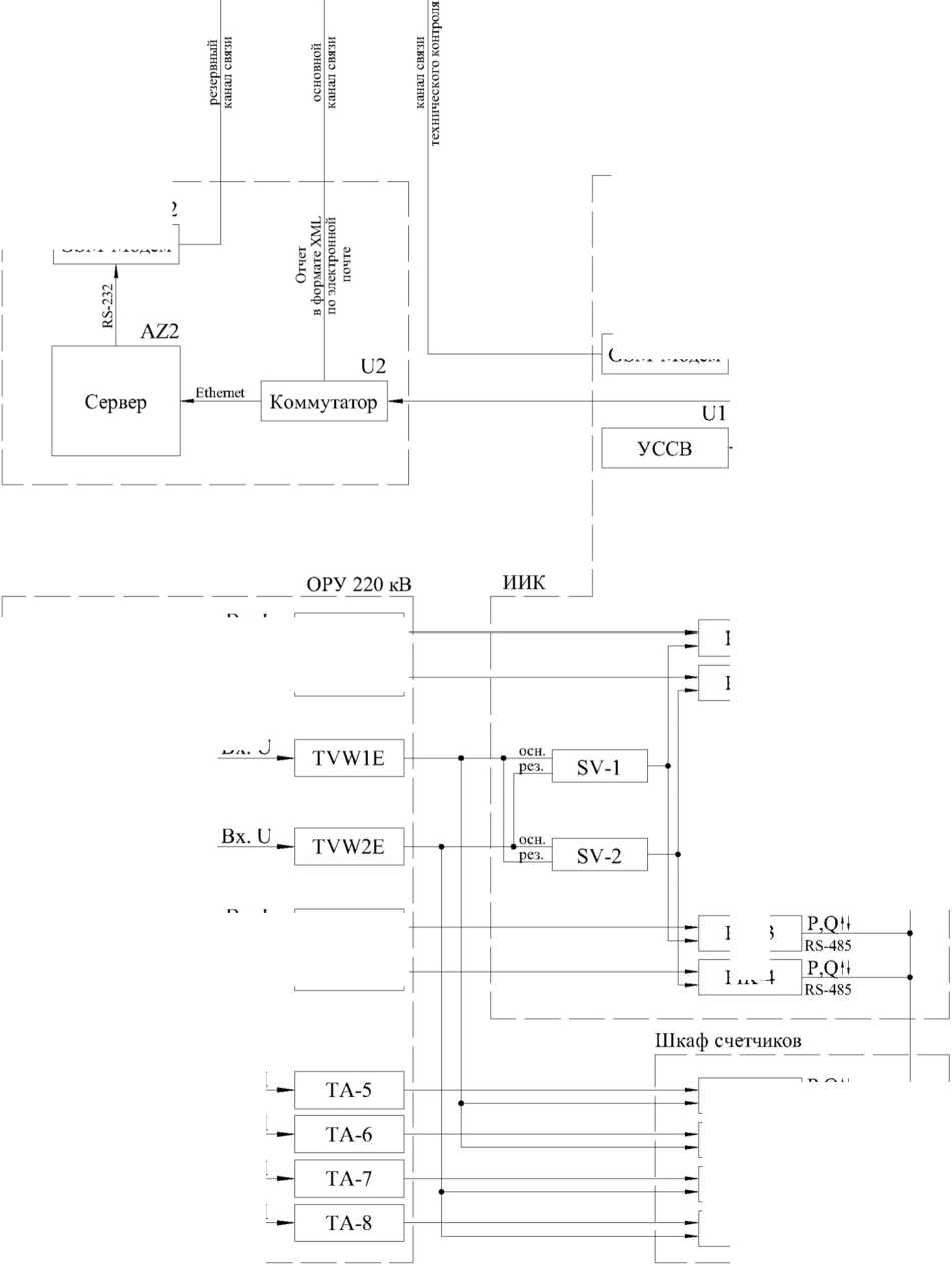
Состав: АИИС КУЭ ПС 220 кВ "Приокская" состоит из 3 уровней

1 -й уровень - (ИИК) (8 точек измерения) содержит в своем составе:

• измерительные трансформаторы напряжения (ТН) по ГОСТ 1983-2001 типа НАМИ-220 УХЛ1, класса точности (КТ) 0,2;

• измерительные трансформаторы тока (ТТ) по ГОСТ 7746-2001 типа ТГМ-220, ТВГ-220, КТ 0,2S;

• вторичные измерительные цепи тока и напряжения;

• многофункциональные микропроцессорные счетчики электроэнергии с цифровыми выходными интерфейсами RS485 (счетчики) для измерения активной и реактивной энергии типы A1802-RAL-P4-GB-DW-4, КТ 0,2S/0,5 по ГОСТ 26035-83 для реактивной энергии, ГОСТ 52323-2005 для активной энергии.

2-й уровень - измерительно-вычислительный комплекс электроустановки (ИВКЭ) содержит в своем составе:

• устройство сбора и передачи данных (УСПД) типа УСПД RTU-325L-E2-512-M2-B2;

• коммуникационное и модемное оборудование (преобразователь интерфейса RS-485/RS-232; линии связи с использованием терминалов сотовой связи GSM-модемы);

• устройство синхронизации системного времени (УССВ) 16HVS, подключенное к УСПД по интерфейсу RS232, выполненное на основе GPS приемника;

• цепи и устройства питания для УСПД и терминала сотовой связи;

3 -й уровень - измерительно-вычислительный комплекс (ИВК) содержит в своем составе:

• сервер в промышленном исполнении;

• технические средства для организации локальной вычислительной сети разграничения прав доступа к информации;

• устройство бесперебойного питания сервера (UPS);

• коммуникационное оборудование для обмена данными со счетчиками (интерфейс RS-485/RS-232, GSM-модемы Siemens MC-35i);

• ПО «Альфа Центр»;

АИИС КУЭ ПС 220 кВ "Приокская" оснащена системой обеспечения единого времени (СОЕВ), созданной на основе устройства синхронизации системного времени УССВ-16HVS, включающее в себя приёмник сигналов точного времени от спутников глобальной системы позиционирования (GPS). Время сервера синхронизировано со временем GPS-приёмника, сличение ежечасное, погрешность синхронизации не более 16 мс. Синхронизация времени происходит при старте сервера в 00-00 часов. Сличение времени сервера со временем УСПД осуществляется 1 раз в сутки, корректировка времени выполняется при достижении расхождения времени сервера и УСПД величины ± 1 с. Сличение времени счётчиков со временем УСПД осуществляется каждые 30 мин, корректировка времени счётчиков производится при достижении расхождения с временем УСПД ± 1 с. Абсолютная погрешность системного времени не превышает ± 5 с.

Организация защиты от несанкционированного доступа: в АИИС КУЭ ПС 220 кВ "Приокская" предусмотрена многоуровневая защита от несанкционированного доступа: система паролей в ПО, пломбирование счетчиков, информационных цепей.

Программное обеспечение

Программное обеспечение (далее ПО) АИИС КУЭ включает в себя:

ПО УСПД RTU-325 - для уровня ИВКЭ. Назначение ПО-сбор информации об электропотреблении, мощности и параметрах качества электроэнергии с сертифицированных устройств по цифровым каналам связи, её дальнейшая обработка и хранение, а также передача на уровень ИВК АИИС КУЭ. Применяется, как внутреннее ПО УСПД. Метрологически значимое ПО состоит из следующих модулей: adjust_time, calculate_comm, md5, RTU325_calc_hash.7z.

(ШЮ) АльфаЦентр - для уровня ИВК. Назначение ПО: сбор информации по энергоресурсам с УСПД «RTU-325L», сохранение собранной информации в базе данных. Предназначено для использования на ПК-сервере сбора данных. Метрологически значимое ПО состоит из шести модулей Amrserver.exe, Amrc.exe, Amra.exe, Cdbora2.dll, encryptdll.dll, alphamess.dll.

УСПД реализовано на базе промышленного PC-совместимого компьютера, содержащего в себе процессор, оперативную память, диск на основе флэш-памяти, энергонезависимые часы и интерфейсы ввода-вывода. Микропрограмма заносится в программируемое постоянное запоминающее устройство (диск на основе флэш-памяти) контроллеров предприятием-изготовителем, защищена от несанкционированного вмешательства средствами разграничения доступа в виде паролей и недоступна для потребителя. УСПД имеет встроенное программное обеспечение. Уровень защиты от непреднамеренных и преднамеренных изменений в соответствии с МИ 3286-2010 - «С».

Встроенная операционная система QNX позволяет настраивать УСПД под конкретные задачи пользователя. Программирование и отладка устройств производится через COM-порт, который подключается к терминалу персонального компьютера через модемный кабель.

На метрологические характеристики модуля вычислений сервера оказывают влияние пересчётные коэффициенты, которые используются для пересчёта токов, и напряжений считанных из измерительных каналов счётчика, в результирующий параметр (потребляемую мощность). Пересчётные коэффициенты задаются при конфигурировании УСПД и записываются в его флэш-память. Значения пересчетных коэффициентов защищены от изменения путём ограничения доступа паролем. Интерфейс ПО содержит в себе средства предупреждения пользователя, если его действия могут повлечь изменение или удаление результатов измерений. Метрологически значимая часть ПО содержит специальные средства защиты, исключающие возможность несанкционированной модификации, загрузки (в том числе загрузки фальсифицированного ПО и данных), считывания из памяти сервера, удаления или иных преднамеренных изменений метрологически значимой части ПО и измеренных дан-ных.Специальными средствами защиты метрологически значимой части ПО и измеренных данных от преднамеренных изменений являются: - средства управления доступом (пароли),

- средства проверки целостности ПО (несанкционированная модификация метрологически значимой части ПО проверяется расчётом контрольной суммы и сравнением ее с действительным значением).

Программное обеспечение и конструкция УСПД после конфигурирования и настройки обеспечивают защиту от несанкционированного доступа и изменения его параметров.

Характеристики программного обеспечения (ПО) приведены в таблице № 1. Таблица№1

Наименование программного обеспечения

Идентификационное наименование программного обеспечения

Номер версии (идентификационный номер) программного обеспечения

Цифровой идентификатор программного обеспечения (контрольная сумма исполняемого кода)

Алгоритм вычисления цифрового идентификатора программного обеспечения

1

2

3

4

5

Планировщик опроса и передачи данных - Amrserver.exe

Elster AmrServer

3.27.0.0

9477d821edf7caebe91e

7fc6F64a696c

md5

Драйвер ручного опроса счетчиков и УСПД - Атгс.ехе

RTU327 Amr Client

3.27.0.0

6aa158fcdac5f6e000d5

46fa74fd90b6

Драйвер автоматического опроса счетчиков и У СПД -Amra.exe

RTU327 Amr Client

3.27.0.0

4bbbb813c47300fffd82 f6225fed4ffa

1

2

3

4

5

Драйвер работы с БД - Cdbora2.dll

Oracle database driver for ACComm

3.25.0.0

bad5fb6babb1c9dfe851 d3f4e6c06be2

Библиотека шифрования пароля счетчиков - encryptdll.dll

Идентификационное наименование отсутствует

2.0.0.0

0939ce05295fbcbbba40

0eeae8d0572c

Библиотека сообщений планировщика опросов -alphamess.dll

Идентификационное наименование отсутствует

Номер версии отсутствует

b8c331abb5e34444170 eee9317d635cd

Модуль управления системным временем

Adjust_time

2.24

7f1b863644c641a008d d927e6ba72d6e

Расчетный модуль преобразования к именованным вели

чинам

Calculate_comm

2.12

54dc3949e7b3116161f

4132d4718f85d

Модуль для расчета хеш-сумм MD5

Md5

2.07

32bdf3539abadb35969 af2ad3b82275d

Внешний модуль генерации отчета цифровых индикаторов

RTU325_calc_hash.7z

2.07

5ff26ad82498efba1790

dbab7dcca44a

Блок-схема АИИС КУЭ ПС 220 кВ "Приокская" приведена на рис. 1.

Передача информации в ЦУ С Приокского ПМЭС, ОАО "АТС", филиал ОАО "СО ЕЭС" - Тульское РДУ

CBR2

GSM-Модем

UBR1

AZ1

RS-232

GSM-Модем

Ethernet

RS-232

ей

PIK-1

PIK-2

PIK-3

Шкаф ИВКЭ ивкэП

Шкаф ИВК ИВК

P.O fl RS-485 РЖ RS-485

PIK-4

1 секция 220 кВ

2 секция 220 кВ

Вх. I

Вх. I

Вх. I

Вх. 1

В 1СШ ВЛ 220 кВ Тула-Приокская

В 2СШ ВЛ 220 кВ Тула-Приокская

В 1СШ ВЛ 220 кВ Приокская-Бугры

В 2СШ ВЛ 220 кВ Приокская-Бугры

Рис.1

Т-1 220 кВ

Вх. 1 _

ТА-1

Т-2 220 кВ

Вх. I _

ТА-2

Вх. U

Т-1 220 кВ           Вх. 1

ТА-3

Т-2 220 кВ          Вх 1 -

ТА-4

PIK-5

P,Qfl

RS-485

P.O II

PIK-6

RS-485 P,QII

PIK-7

RS-485 P.O II

PIK-8

RS-485

Технические характеристики

Характеристики АИИС КУЭ ПС 220 кВ "Приокская" приведены в таблицах 2, 5 которые содержат перечень измерительных каналов АИИС КУЭ ПС 220 кВ "Приокская" с указанием наименования присоединений, измерительных компонентов и их метрологических и технических характеристик.

В таблицах 3,4 приведены значение погрешности в рабочих условиях. В качестве относительной погрешности указаны границы интервала, соответствующие вероятности 0,95.

Таблица 2 - Перечень ИК АИИС КУЭ ПС 220 кВ "Приокская" и их состав

№№ ИК

Наименование присоединения

Состав измерительного канала

Вид электроэнергии

Основная погрешность %

ТТ

ТН

Счётчик

1

ОРУ-220 кВ Т-1, 220 кВ

ТГМ-220 100/1

Кл. т. 0,2S Зав. №:

А-25

В-27

С-29

НАМИ-220 УХЛ1 Кл. т. 0,2

К.т.т. 220 , Тз Тз

Зав. №

А-1504

В-1515

С-1521

Зав. № (резерв)

А-1505

В-1517

С-1518

A1802-RAL-P4-GB-DW-4

Kxt.0,2S/0,5 Зав. № 01216234

Активная Реактивная

± 0,5 Не норм.

2

ОРУ-220 кВ Т-2, 220 кВ

ТГМ-220 100/1

Кл. т. 0,2S Зав. №: А-24 В-23

С-14

НАМИ-220 УХЛ1 Кл. т. 0,2

К.т.т. 220- , Тз Тз

Зав. №

А-1505

В-1517

С-1518

Зав. № (резерв)

А-1504

В-1515

С-1521

A1802-RAL-P4-GB-DW-4 Кл.т. ,2S/0,5 Зав. № 01216235

Активная Реактивная

± 0,5 Не норм

3

ОРУ-220 кВ Т-1, 220 кВ (контрольный)

ТГМ-220 100/1

Кл. т. 0,2S Зав. №: А-21

В-15

С-26

НАМИ-220

УХЛ1Кл.т. 0,2

К.т.т. 220    ,

Тз Тз

Зав. №

А-1504

В-1515

С-1521

Зав. № (резерв)

А-1505

В-1517

С-1518

A1802-RAL-P4-GB-DW-4 Кл.т. ,2S/0,5 Зав. № 01216233

Активная Реактивная

± 0,5 Не норм

4

ОРУ-220 кВ Т-2, 220 кВ (контрольный)

ТГМ-220 1000/5

Кл. т. 0,2S Зав. №: А-20

В-18

С-22

НАМИ-220 УХЛ1 Кл. т. 0,2

К.т.т. 220    ,

Тз Тз

Зав. №

Зав. №

А-1505

В-1517

С-1518

Зав. № (резерв)

А-1504

В-1515

С-1521

A1802-RAL-P4-GB-DW-4 Кл.т. ,2S/0,5 Зав. № 01216236

Активная Реактивная

± 0,5 Не норм

№№ ИК

Наименование присоединения

Состав измерительного канала

Вид электроэнергии

Основная погрешность %

ТТ

ТН

Счётчик

5

ОРУ-220 кВ В 1СШ ВЛ 220 кВ Тула-Приокская

ТВГ-220 (исп.7) 1000/5 Кл. т. 0,2S Зав. №: А-А1659-10 В-А1658-10 С-А1657-10

НАМИ-220 УХЛ1 Кл. т. 0,2

К.т.т. 220 /°1 Тз Тз

Зав. №

А-1504

В-1515

С-1521

A1802-RAL-P4-GB-DW-4 Кл.т. 0,2S/0,5 Зав. № 01222341

Активная Реактивная

± 0,5 Не норм

6

ОРУ-220 кВ В 2СШ ВЛ 220 кВ Тула-Приокская

ТВГ-220 1000/5

Кл. т. 0,2S Зав. №:

А-А1675-10 В-А1676-10 С-А1677-10

НАМИ-220 УХЛ1 Кл. т. 0,2

К.т.т. 220 /°1 Тз Тз

Зав. №

А-1504

В-1515

С-1521

A1802-RAL-P4-GB-DW-4 Кл. т. 0,2S/0,5 Зав. № 01222342

Активная Реактивная

± 0,5 Не норм

7

ОРУ-220 кВ В 1СШ

ВЛ 220 кВ

Приокская-Бугры

ТВГ-220 1000/5

Кл. т. 0,2S Зав. №:

А-А1641-10 В-А1640-10 С-А1639-10

НАМИ-220 УХЛ1 Кл. т. 0,2

К.т.т. 220 /°1 Тз Тз

Зав. №

А-1505

В-1517

С-1518

A1802-RAL-P4-GB-DW-4 Кл.т. 0,2S/0,5 Зав. № 01222343

Активная Реактивная

± 0,5 Не норм

8

ОРУ-220 кВ В 2СШ ВЛ 220 кВ Приокская-Бугры

ТВГ-220 1000/5

Кл. т. 0,2S Зав. №:

А-А1695-10 В-А1694-10 С-А1693-10

НАМИ-220 УХЛ1 Кл. т. 0,2

К.т.т. 220 /°1 Тз Тз

Зав. №

А-1505

В-1517

С-1518

A1802-RAL-P4-GB-DW-4 Кл.т. 0,2S/0,5 Зав. № 01222344

Активная Реактивная

± 0,5 Не норм

УСПД

RTU-325L-E2-512-M2-B2

005660

Примечания к Таблице 2

1 Характеристики основной погрешности ИК даны для измерения электроэнергии и средней мощности (получасовая);

2 В качестве характеристик основной относительной погрешности указаны границы интервала, соответствующие вероятности 0,95;

3 Нормальные условия:

параметры сети: напряжение (0,98 ^ 1,02) Uhom; ток (0,01 ч- 1,2) 1ном ; cosф = 0,9 инд.;

температура окружающей среды (20 ± 5)°С.

4 Рабочие условия:

параметры сети: напряжение (0,9 ^ 1,1) Uhom; ток (0,01 ^ 1,2) Ihom при трансформаторе тока с классом точности 0,2S; cosф = 0,8 инд.;

допускаемая температура окружающей среды для измерительных трансформаторов от минус 40°С до плюс 70°С, для счетчиков от минус 40°С до плюс 70°С; для сервера от плюс 10°С до плюс 40°С; для УСПД от минус 25°С до плюс 70°С;

5 Трансформаторы тока по ГОСТ 7746, трансформаторы напряжения по ГОСТ 1983, многофункциональные счетчики типа A1802-RAL-P4-GB-DW-4 активной и реактивной энергии класса точности 0,2S/0,5 в соответствии с ГОСТ 52323-2005 при измерении активной электроэнергии, ГОСТ 2603583 при измерении реактивной электроэнергии;

6 Допускается замена измерительных трансформаторов и счетчиков на аналогичные, утвержденных типов с метрологическими характеристиками не хуже, чем у перечисленных в Таблице 1. Допускается замена УСПД на однотипное, утвержденного типа. Замена оформляется актом в установленном на ООО «Тулацемент» порядке.

Таблица 3   Границы допускаемых приписанных характеристик относительных погрешно

стей ИИК при измерении активной электроэнергии

№ п/п

Перечень ИИК

Диапазон значений cos ф

Тип нагрузки

Значение модуля границы допускаемой относительной погрешности ИИК при измерении активной электроэнергии при значении рабочего тока в % от номинального первичного тока ТТ, %

1< 1раб <2

2< 1раб <5

5< 1раб <20

20< 1раб

<100

100< 1раб

<120

1

1...8

0,5 < cos ф < 0,8

инд.

не норм.

1,8

1,3

1,0

1,0

0,8 < cos ф < 0,866

инд.

не норм.

1,2

0,8

0,6

0,6

0,866 < cos ф < 0,9

инд.

не норм.

1,1

0,7

0,6

0,6

0,9 < cos ф < 0,95

инд.

не норм.

1,0

0,7

0,5

0,6

0,95 < cos ф < 0,99

инд.

не норм.

1,0

0,6

0,5

0,5

0,99 < cos ф < 1

инд.

не норм.

0,9

0,6

0,5

0,5

cos ф = 1

1,0

0,9

0,6

0,5

0,5

0,8 < cos ф < 1

емк.

не норм.

1,2

0,9

0,7

0,7

Таблица 4   Границы допускаемых приписанных характеристик относительных погрешно

стей ИИК при измерении реактивной электроэнергии

№ п/п

Перечень ИИК

Диапазон значений cos ф

Значение модуля границы допускаемой относительной погрешности ИИК при измерении реактивной электроэнергии при значении рабочего тока в % от номинального первичного тока ТТ, %

1< 1раб <2

2< 1раб <5

5< 1раб <20

20< 1раб <100

100< 1раб <120

1

1.8

0,5 < cos ф < 0,8

не норм.

2,2

1,4

1,0

1,0

0,8 < cos ф < 0,866

не норм.

не норм.

1,6

1,1

1,1

0,866 < cos ф < 1

не норм.

не норм.

не норм.

не норм.

не норм.

Таблица 5 Основные технические характеристики АИИС КУЭ ПС 220 кВ "Приокская"

№ ИК

Наименование характеристики

Значение

1-4

Номинальный ток:

первичный (1н1) вторичный (1н2)

100 А

1 А

Диапазон тока:

первичного (I1) вторичного (I2)

От 1 до 120 А От 0,01 до 1,2 А

Номинальное напряжение:

первичное ин1) вторичное (ин2)

220 000/^3 В

100/\ 3 В

Диапазон напряжения:

первичного(и1) вторичного (U2)

От 198000/^3 до 264 000/\ 3 В От 90//3 до 110/V3 В

Коэффициент мощности cos ф

От 0,5 до 1,0

Номинальная нагрузка ТТ

20 ВА

Допустимый диапазон нагрузки ТТ

От 5 до 20 ВА

Допустимое значение tos ф2 во вторичной цепи нагрузки ТТ

От 0,8 до 1,0

Номинальная нагрузка ТН

100 ВА

Допустимый диапазон нагрузки ТН

От 25 до 100 ВА

Допустимое значение tos ф2 во вторичной цепи нагрузки ТН

От 0,8 до 1,0

№ ИК

Наименование характеристики

Значение

5-8

Номинальный ток:

первичный (1н1) вторичный (1н2)

1000 А 5 А

Диапазон тока:

первичного (I1) вторичного (I2)

От 100 до 1200 А От 0,05 до 6 А

Номинальное напряжение:

первичное (ин1) вторичное (Uh2)

220 000/\3 В 100/\ 3 В

Диапазон напряжения:

первичного (U1) вторичного (U2)

От 198000/^3 до 264 000/\3 В От 90/03 до 110/V3 В

Коэффициент мощности cos ф

От 0,5 до 1,0

Номинальная нагрузка ТТ

50 ВА

Допустимый диапазон нагрузки ТТ

От 12,5 до 50 ВА

Допустимое значение cos ф2 во вторичной цепи нагрузки ТТ

От 0,8 до 1,0

Номинальная нагрузка ТН

100 ВА

Допустимый диапазон нагрузки ТН

От 25 до 100 ВА

Допустимое значение cos ф2 во вторичной цепи нагрузки ТН

От 0,8 до 1,0

Надежность применяемых в системе компонентов:

• электросчётчик - среднее время наработки на отказ не менее Тср = 120 000 ч, среднее время восстановления работоспособности не более tB = 2 ч;

• УСПД - среднее время наработки на отказ не менее Тср = 40 000 ч, среднее время восстановления работоспособности не более tB = 24 ч;

• сервер - среднее время наработки на отказ не менее Тср = 15843 ч, среднее время восстановления работоспособности не более = 2 ч;

Надежность системных решений:

- резервирование питания УСПД с помощью устройства АВР;

- резервирование каналов связи: информация о результатах измерений может передаваться в организации - участники оптового рынка электроэнергии с помощью электронной почты и сотовой связи;

Регистрация событий:

- журнал счётчика:

- параметрирования;

- пропадания напряжения;

- коррекции времени в счетчике;

Журнал УСПД:

- параметрирования;

- пропадания напряжения;

- коррекции времени в счетчике и УСПД;

Защищённость применяемых компонентов:

механическая защита от несанкционированного доступа и пломбирование:

- электросчётчика;

- промежуточных клеммников вторичных цепей напряжения;

- испытательной коробки;

- УСПД;

- сервера;

Защита на программном уровне информации при хранении, передаче, параметрировании:

- результатов измерений (при передаче, возможность использования цифровой подписи)

- установка пароля на счётчик;

- установка пароля на УСПД;

- установка пароля на сервер;

Возможность коррекции времени в:

- электросчетчиках (функция автоматизирована);

- УСПД (функция автоматизирована);

- ИВК (функция автоматизирована).

Возможность сбора информации:

- о состоянии средств измерений (функция автоматизирована);

- о результатах измерений (функция автоматизирована).

Цикличность:

- измерений 30 мин (функция автоматизирована);

- сбора 30 мин (функция автоматизирована).

Глубина хранения информации:

- электросчетчик - тридцатиминутный профиль нагрузки в двух направлениях не менее 2730 часов. УСПД - хранение результатов измерений и информации состояний средств измерений при отключенном питании - не менее 5 лет.

УСПД сохраняет считанные со счётчиков и рассчитанные значения по точкам учёта и группам в энергонезависимой памяти с глубиной хранения не менее: средних мощностей на технических (менее чем 30-минутных) интервалах - 2 часа, средних мощностей по точкам учёта на коммерческих (30-минутных) интервалах - 15 суток, средних мощностей по группам учёта на коммерческих (30-минутных) интервалах - 3 месяца.

Сервер баз данных обеспечивает хранение результатов измерений, состояний средств измерений на срок не менее 3,5 лет.

Знак утверждения типа

Знак утверждения типа наносится на титульные листы эксплуатационной документации АИИС КУЭ ПС 220 кВ "Приокская" типографским способом.

Комплектность

Таблица № 6

Наименование компонента системы

Количество (шт)

Трансформаторы тока TrM-220 0,2S;100/1

12

Трансформаторы тока ТВГ-220 0,2S; 2000-1000-500/5

12

Трансформаторы напряжения НАМИ220 УХЛ1 КТ 0,2; (220:^3)/ (0,Н3)

6

Электросчетчики - A1802-RAL-P4-GB-DW-4 0,2S/05, 1 А

4

Электросчетчики - A1802-RAL-P4-GB-DW-4 0,2S/05, 5 А

4

УСПД RTU-325L-E2-512-M2-B2

1

Руководство по эксплуатации - КПНГ.411713.116 РЭ

Формуляр - КПНГ.411713.116 ФО

Методика поверки - в составе РЭ КПНГ.411713.116 РЭ

ПО RTU-325L-E2-512-M2-B2, версия 2.00

(НПО) Альфа Центр, версия v.11.05.01

Поверка

осуществляется в соответствии разделом «Методика поверки» КПНГ.411713.116 РЭ "Система автоматизированная информационно-измерительная коммерческого учета электроэнергии ПС 220 кВ "Приокская" (АИИС КУЭ ПС 220 кВ "Приокская"), согласованная ГЦИ СИ "Энерготесткон-троль" 22.04.2011 г.

Средства поверки - по НД на измерительные компоненты:

1) Средства поверки измерительных трансформаторов напряжения по МИ 2845-2003 и/или по ГОСТ 8.216-88;

2) Средства поверки измерительных трансформаторов тока по ГОСТ 8.217-2003;

3) Средства поверки счётчиков электрической энергии в соответствии с утвержденным документом «Счётчики электрической энергии трёхфазные многофункциональные АЛЬФА А1800. Методика поверки МП-2203-0042-2006», утверждена 19.05.2006 г. ГЦИ СИ "ВНИ-ИМ им. Д.И. Менделеева".

4) средства поверки УСПД RTU 325L и устройств синхронизации времени УССВ (поверяется в составе УСПД) по документу «Устройства сбора и передачи данных RTU 325 и

RTU 325L». Методика поверки ДИЯМ.466.453.005МП. Утверждена ГЦИ СИ ФГУП ВНИИМС в 2008г.

5) Переносной компьютер с ПО и оптическим преобразователем для работы со счетчиками системы;

6) Радиоприемник станций радиовещания, принимающий сигналы службы точного времени.

Сведения о методах измерений

Методы измерений, которые используются в АИИС КУЭ ПС 220 кВ "Приокская" приведены в документе - «Методика (метод) измерений Система автоматизированная информационно-измерительная коммерческого учета электроэнергии ПС 220 кВ "Приокская" (МИ КПНГ.411713.116).

Методика (метод) измерений - МИ КПНГ.411713.116 аттестована ГЦИ СИ - ООО "Испытательный центр "Энерготестконтроль" по ГОСТ Р 8.563-2009 .Свидетельство об аттестации № 72/01.00066-2010/2011 от 02.07.2011г.

Нормативные документы

1) ГОСТ 22261-94 Средства измерений электрических и магнитных величин. Общие технические условия.

2) ГОСТ Р 8.596-2002 ГСИ. Метрологическое обеспечение измерительных систем. Основные положения.

3) ГОСТ 7746-2001.Трансформаторы тока. Общие технические условия.

4) ГОСТ 1983-2001.Трансформаторы напряжения, Общие технические условия.

5) ГОСТ Р 52323-2005. (МЭК 62053-22:2003) «Аппаратура для измерений электрической энергии переменного тока. Частные требования. Часть 22. Статистические счетчики активной энергии классов точности 0,2S и 0,5S».

6) ГОСТ Р 52425-2005. (МЭК 62053-23:2003) «Аппаратура для измерения электрической энергии переменного тока. Частные требования. Часть 23. Статические счетчики реактивной энергии».

Рекомендации к применению

Смотрите также

48367-11
СКИВ Аппаратура контроля и измерения виброскорости
ООО ПКФ "Новое дело", РОССИЯ, г.Ростов-на-Дону
Для непрерывного измерения и контроля виброскорости и температуры поверхности объекта контроля как в лабораторных, так и в промышленных условиях.
48368-11
R&S RSC Аттенюаторы ступенчатые
Фирма "Rohde & Schwarz GmbH & Co. KG", ГЕРМАНИЯ
Для ослабления уровня высокочастотных электромагнитных колебаний и воспроизведения шкалы отношения мощностей в качестве преобразователей масштабных переменных по ГОСТ Р 8.562-2007. Применяются при исследовании, разработке, производстве радиоэлектрон...
48369-11
3540 COMPASS Системы мониторинга машинного оборудования
Фирма "Bruel & Kjaer Vibro GmbH", ГЕРМАНИЯ
Для измерений в непрерывном и мультиплексном режимах виброускорения, виброскорости и виброперемещения, а также технологических параметров машин. Системы позволяют проводить детальный анализ и диагностику состояния машин и механизмов ответственных де...
48370-11
SD-ххx/OD-ххx и SDH-ххx/OD-ххx Преобразователи вихретоковые
Фирма "Bruel & Kjaer Vibro GmbH", ГЕРМАНИЯ
Для бесконтактных измерений вибрации вала относительно корпуса и осевого перемещения вала и используются в отраслях промышленности, связанных с применением машин и агрегатов роторного типа (газовые, паровые и гидротурбины, компрессоры, насосы, электр...