Системы автоматизированные коммерческого учета потребления воды (АСКУПВ)
| Номер в ГРСИ РФ: | 49236-12 |
|---|---|
| Производитель / заявитель: | МГУП "Мосводоканал", г.Москва |
Системы автоматизированные коммерческого учета потребления воды (АСКУПВ) (далее ╞ система АСКУПВ) предназначены для измерения давления, объема и расхода питьевой воды, регистрации, индикации, хранения указанных параметров, коммерческого учета потребленной питьевой воды.
Информация по Госреестру
| Основные данные | |
|---|---|
| Номер по Госреестру | 49236-12 |
| Действует | по 06.03.2017 |
| Наименование | Системы автоматизированные коммерческого учета потребления воды (АСКУПВ) |
| Характер производства | Серийное |
| Идентификатор записи ФИФ ОЕИ | 2af9b75a-df5d-75c4-9c60-379975f42943 |
| Год регистрации | 2012 |
| Общие данные | |
|---|---|
| Класс СИ | 29.01.03 |
| Год регистрации | 2012 |
| Страна-производитель | Россия |
| Центр сертификации СИ | |
| Наименование центра | ГЦИ СИ ВНИИМС |
| Адрес центра | 119361, г.Москва, Озерная ул., 46 |
| Руководитель центра | Кононогов Сергей Алексеевич |
| Телефон | (8*095) 437-55-77 |
| Факс | 437-56-66 |
| Информация о сертификате | |
| Срок действия сертификата | 06.03.2017 |
| Номер сертификата | 45725 |
| Тип сертификата (C - серия/E - партия) | С |
| Дата протокола | Приказ 127 от 06.03.12 п.05 |
Производитель / Заявитель
МГУП "Мосводоканал" ПУ "Мосводопровод", РОССИЯ, г.Москва
Россия
Поверка
| Методика поверки / информация о поверке | МП 49236-12 |
| Межповерочный интервал / Периодичность поверки |
4 года
|
| Зарегистрировано поверок | |
| Найдено поверителей | |
| Успешных поверок (СИ пригодно) | 2 (100%) |
| Неуспешных поверок (СИ непригодно) | 0 (0 %) |
| Актуальность информации | 28.12.2025 |
Поверители
Скачать
|
49236-12: Описание типа
2012-49236-12.pdf
|
Скачать | 119.2 КБ | |
| Свидетельство об утверждении типа СИ | Открыть | ... |
Описание типа
Назначение
Системы автоматизированные коммерческого учета потребления воды (АСКУПВ) (далее - система АСКУПВ) предназначены для измерения давления, объема и расхода питьевой воды, регистрации, индикации, хранения указанных параметров, коммерческого учета потребленной питьевой воды.
Описание
Системы АСКУПВ относятся к проектно-компонуемым изделиям и выполняют следующие основные функции:
- измерение, регистрацию, индикацию, хранение, коммерческий учет количества потребленной питьевой воды;
- предупредительную и аварийную сигнализацию по уставкам, заданным программным путем;
- программно-логическое управление исполнительными устройствами объекта;
- регулирование технологических процессов объекта;
- технологические защиты и блокировки;
- индикацию на автоматизированном рабочем месте (АРМ) текущих значений количества потребленной питьевой воды за заданные интервалы времени, принятых по цифровым интерфейсам RS-485, RS-232, Ethernet.
Система АСКУПВ состоит из следующих элементов: первичных измерительных преобразователей (датчиков) давления, счетчиков воды, преобразующих текущие значения параметров технологического процесса в унифицированные электрические сигналы силы постоянного тока 4 - 20 мА или частотно-импульсные; устройств сбора и передачи данных УСПД MFC-926.
Первичные измерительные преобразователи (датчики) систем.
Датчики давления СДВ (Госреестр № 28313-09), АИР-20/М2 (Госреестр № 46375-11), Метран-100 (Госреестр № 22235-08) преобразуют текущие значения давления в трубопроводе в унифицированные электрические сигналы силы постоянного тока в диапазоне от 4 до 20 мА;
Счетчики холодной и горячей воды крыльчатые ЕТК (Госреестр № 17379-04, или 13671-06, или 37730-08 в зависимости от фирмы-производителя), счетчики крыльчатые холодной и горячей воды СХ15 (Госреестр № 46822-11), счетчики холодной и горячей воды СХ (Госреестр № 37951-08); счетчики горячей и холодной воды крыльчатые одноструйные сухо-ходные S модель S100 (Госреестр № 22852-07); счетчики горячей и холодной воды крыльчатые многоструйные М модель М120 (Госреестр № 22851-07); счетчики холодной и горячей воды МТ50 QN (Госреестр № 23554-08); счетчики крыльчатые холодной и горячей воды СКБ (Госреестр № 26343-08); счетчики холодной и горячей воды ОСВ (ОСВИ) (Госреестр № 17325-98); счетчики холодной и горячей воды турбинные Н модель Н4000 (Госреестр № 42881-09); счетчики холодной и горячей воды ВМХ (Госреестр № 18312-03); счетчики турбинные холодной воды ВХ (Госстандарт № 38999-08); счетчики холодной воды ВСХ (Госре-естр № 23649-07); счетчики холодной воды ВСХН (Госреестр № 26164-03); счетчики холодной воды комбинированные ВМК-50 модели ВМК-50, ВМК-80 (Госреестр № 22201-01); счетчики холодной воды комбинированные КВМ модели КВМ-50, КВМ-80 (Госреестр № 28464-04), счетчики холодной и горячей воды крыльчатые TU4 (Госреестр № 38308-08); счетчики холодной воды комбинированные Meitwin (Госреестр № 13919-07); счетчики холод-
всего листов 13 ной и горячей воды турбинные MeiStream (Госреестр № 35547-07), счетчики холодной и горячей воды турбинные Woltex (Госреестр № 38310-08), счетчики холодной воды MSD Cyble (Госреестр № 38309-08), преобразующие текущие значения расхода в частотно-импульсный сигнал.
Унифицированные сигналы поступают на аналоговые входы УСПД MFC-926 (Госре-естр № 44566-10) по проводным линиям связи. Цифровые коды, преобразованные техническими и программными компонентами УСПД, передаются через корпоративную APN-сеть одного или двух сотовых операторов сотовой связи по беспроводной технологии GPRS на сервер сбора данных МГУП "Мосводоканал", где преобразуются в значения физических параметров технологического процесса и отображаются на мониторах рабочих станций оператора в виде таблиц, графиков и текстов. УСПД оснащены встроенными энергонезависимыми часами реального времени, определяющими текущее время и дату.
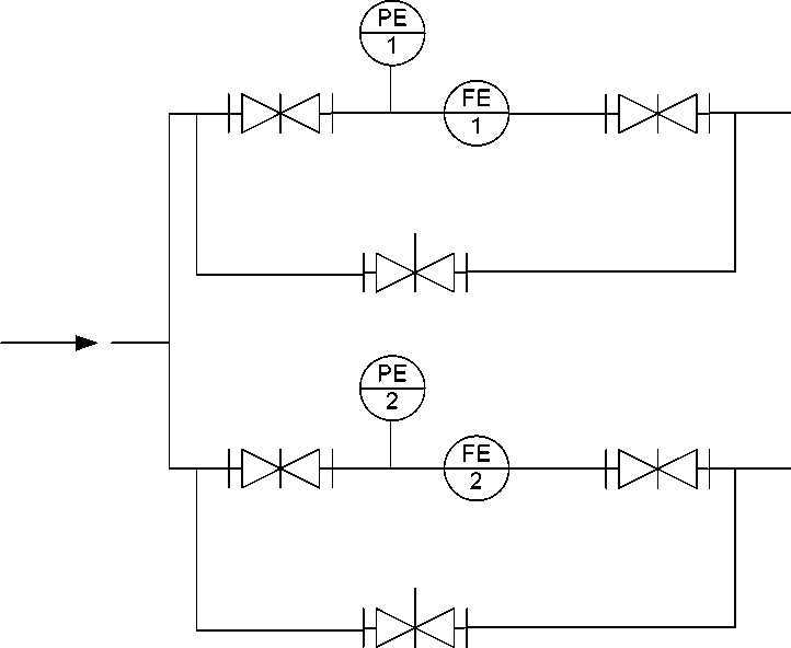
Обобщенная структурная схема системы АСКУПВ приведена на рисунке 1

Рисунок 1
Обозначение на рисунке 1
|
Обозначение |
Наименование |
|
(.ЧП \ П7 |
Датчик давления 1 |
|
<реЛ |
Датчик давления 2 |
|
Zfe\ |
Водосчетчик 1 |
|
Водосчетчик 2 | |
|
<GE\ |
Датчик вскрытия шкафа |
|
УСПД |
УСПД системы устанавливаются в антивандальных шкафах, оснащенных датчиком вскрытия. Компоненты систем расположены в запираемых и опечатываемых служебных помещениях.
Программное обеспечение
Программное обеспечение системы АСКУПВ состоит из двух частей.
1 Программное обеспечение устройства сбора и передачи данных УСПД MFC-926 (ПО УСПД), построенного на базе процессора ARM920 и работающего под управлением OC Linux. Для организации долговременного хранения данных используется устойчивая к отказам электропитания журнальная файловая система JFFS2.
ПО УСПД состоит из следующих функциональных блоков:
- драйверов измерительных устройств, осуществляющих опрос подключенного к УСПД оборудования, извлечение из устройств архивов собранных значений и помещение их во внутреннюю энергонезависимую память УСПД в едином формате;
- программы-диспетчера, периодически вызывающей драйверы в соответствии с конфигурацией конкретного УСПД;
- RPC сервера, осуществляющий отправку данных, хранящихся во внутреннем архиве УСПД.
ПО УСПД является метрологически значимым. Метрологические характеристики УСПД оценены с учетом его ПО.
2 Программное обеспечение, устанавливаемое на сервер сбора данных - «Сервер сбора данных АСКУПВиСКПУ» (далее по тексту - ПО ССД), предназначенное для визуализации измерительных процессов, составления и формирования отчетов; оно не является метрологически значимым. Уровень защиты ПО ССД - «С» по МИ 3286-2010.
Средства защиты ПО ССД от несанкционированного доступа:
- удаленный доступ к УСПД возможен исключительно через APN-сеть МТС. Эта сеть является локальной сетью, изолированной от интернета и третьих лиц. Изоляция достигается стандартным алгоритмом шифрованием протокола GSM/GPRS при передаче данных по радиоканалам и использованием протокола IPSEC для связи между датацентрами МТС и МВК. Способ организации сети исключает возможность непосредственного обмена данными между двумя УСПД;
- удаленная модификация ПО ССД возможна только по протоколу SSH. Данный протокол обеспечивает надежную авторизацию по паролю или открытым ключам и является стандартом в области безопасного консольного доступа и передачи файлов на UNIX-подобных операционных системах;
лист 4
всего листов 13
- доступ к УСПД, хранящим информацию об измерительных процессах, через консольный порт ограничивается паролем;
- проверка целостности и модификаций метрологического ПО осуществляется удаленно в произвольные моменты времени.
Идентификационные данные ПО ССД приведены в таблице 1. Таблица 1
|
Наименование программного обеспечения |
Идентификационное наименование программного обеспечения |
Номер версии (идентификационный номер) программного обеспечения |
Цифровой идентификатор программного обеспечения |
Алгоритм вычисления цифрового идентификатора |
|
«Сервер сбора данных АСКУПВиСКПУ» |
не ниже 0.1.10.8-rl |
В соответствии с таблицей 2 |
SHA256 | |
Таблица 2 Цифровые идентификаторы ПО ССД
|
Наименование пакета ПО |
Идентификационное наименование программного обеспечения |
Цифровой идентификатор программного обеспечения |
|
Файлы библиотек |
aiis-common_0.1.10.8-r1_all.ipk |
d011da33 eee4bef3 5 ec96454de4d697f3be 1dd7e31d90e6e9b2924119ed27965 |
|
Драйверы устройств |
aiis-drivers_0.1.10.8-r1_all.ipk |
c890c14634ef09e279c1225b2ef802ca29 b61a08a57418a046baf2d463 a47971 |
|
ПО сбора данных от УСПД |
aiis-uspd_0.1.10.8-r1_all.ipk |
a4c9f0157186a723bdaed60b80c40cdcb5 55a2d341cebd334c51e247cf67339f |
Технические характеристики
Состав и основные метрологические характеристики систем приведены в таблицах 3 и 4. Метрологические характеристики нормированы с учетом базового программного обеспече-
ния модулей УСПД MFC-926.
Таблица 3 Основные метрологические характеристики УСПД MFC-926
|
Вид входного сигнала |
Характеристики входного сигнала |
Пределы допускаемой погрешности, % |
|
Импульсный сигнал (счет количества импульсов |
Тип датчика: герконовый Минимальная длительность импульса 1 мс Частота имп. не более 100 Гц |
±0,01 |
|
Сила постоянного тока |
от 4 до 20 мА |
±0,5* |
|
Пределы допускаемой абсолютной погрешности измерения времени ± 1 с/сут | ||
|
* Пределы допускаемой погрешности выражены в виде приведенной погрешности к диапазону входного сигнала | ||
Таблица 4 Основные метрологические характеристики системы АСКУПВ
|
Наименование ИК |
Единица измерения |
Диапазон измерения расхода |
датчик |
Пределы допускаемой погрешности датчика, % |
Пределы допускаемой погрешности ИК в рабочих условиях, % | |
|
qt переходный расход |
Тип датчика | |||||
|
избыточного давления |
МПа |
от 0 до 1,0 |
сдв |
_* ± 0,5 |
* ± 1,0 | |
|
АИР-20/М2 | ||||||
|
Метран-100 | ||||||
|
расхода, объема воды |
м3/ч 3 м |
от 0,03 до 3,0 |
0,12 |
ЕТК15 |
± 5 %** от qmin до qt ** ± 2 % свыше qt до qmax |
для диапазона расхода от qmin до qt ± 5+(9*10-6/Х) для диапазона свыше qt до qmax ± 2+(2,9*10-4/Х) |
|
от 0,03 до 3,0 |
0,12 |
СХ15 | ||||
|
от 0,03 до 3,0 |
0,12 |
15S100 | ||||
|
от 0,03 до 3,0 |
0,12 |
МТ50 QN 15 | ||||
|
от 0,03 до 3,0 |
0,12 |
TU4-15 | ||||
|
от 0,05 до 5,0 |
0,2 |
СХ20 |
для диапазона расхода от qmin до qt ± 5+(1,5*10-5/Х) для диапазона свыше qt до qmax ± 2+(4,8*10-4/Х) | |||
|
от 0,035 до 7,0 |
0,28 |
25M120 |
для диапазона расхода от qmin до qt ± 5+(1,5*10-5/Х) для диапазона свыше qt до qmax ± 2+(4,8*10-4/Х) | |||
|
от 0,1 до 12,0 |
0,48 |
32M120 |
для диапазона расхода от qmin до qt ± 5+(2,5*10-5/Х) для диапазона свыше qt до qmax ± 2+(11,5*10-4/Х) | |||
|
от 0,12 до 20,0 |
0,80 |
40М120 |
для диапазона расхода от qmin до qt ± 5+(6,8*10-5/Х) для диапазона свыше qt до qmax ± 2+(19,2*10-4/Х) | |||
|
Наименование ИК |
Единица измерения |
Диапазон измерения расхода |
датчик |
Пределы допускаемой погрешности датчика, % |
Пределы допускаемой погрешности ИК в рабочих условиях, % | |
|
qt переходный расход |
Тип датчика | |||||
|
расхода, объема воды |
м3/ч 3 м |
от 0,05 до 5,0 |
0,20 |
МТ50 QN 20 |
** ± 5 % от qmin до qt ** ± 2 % свыше qt до qmax |
для диапазона расхода от qmin до qt ± 5+(1,5*10-5/Х) для диапазона свыше qt до qmax ± 2+(4,8*10-4/Х) |
|
от 0,05 до 5,0 |
0,20 |
TU4-20 | ||||
|
от 0,07 до 7,0 |
0,28 |
МТ50 QN 25 |
для диапазона расхода от qmin до qt ± 5+(2,1*10-5/Х) для диапазона свыше qt до qmax ± 2+(6,7*10-4/Х) | |||
|
от 0,07 до 7,0 |
0,28 |
MSD Cyble-25 | ||||
|
от 0,07 до 7,0 |
0,14 |
СКБИ 25 |
для диапазона расхода от qmin до qt ± 5+(7*10-6/Х) для диапазона свыше qt до qmax ± 2+(6,8*10-4/Х) | |||
|
от 0,07 до 7,0 |
0,14 |
ОСВИ25 | ||||
|
от 0,12 до 12,0 |
0,48 |
МТ50 QN 32 |
для диапазона расхода от qmin до qt ± 5+(3,6*10-5/Х) для диапазона свыше qt до qmax ± 2+(1,2*10-3/Х) | |||
|
от 0,12 до 12,0 |
0,24 |
СКБИ 32 |
для диапазона расхода от qmin до qt ± 5+(1,2*10-5/Х) для диапазона свыше qt до qmax ± 2+(1,2*10-3/Х) | |||
|
от 0,12 до 12,0 |
0,24 |
СВИ32 | ||||
|
от 0,2 до 20,0 |
0,80 |
МТ50 QN 40 |
для диапазона расхода от qmin до qt ± 5+(6*10-5/Х) для диапазона свыше qt до qmax ± 2+(1,9*10-3/Х) | |||
|
от 0,2 до 20,0 |
0,80 |
MSD Cyble-40 | ||||
|
от 0,2 до 20,0 |
0,4 |
СКБИ 40 |
для диапазона расхода от qmin до qt ± 5+(2*10-5/Х) для диапазона свыше qt до qmax ± 2+(1,9*10-3/Х) | |||
|
от 0,2 до 20,0 |
0,4 |
ОСВИ40 | ||||
|
Наименование ИК |
Единица измерения |
Диапазон измерения расхода |
датчик |
Пределы допускаемой погрешности датчика, % |
Пределы допускаемой погрешности ИК в рабочих условиях, % | |
|
qt переходный расход |
Тип датчика | |||||
|
расхода, объема воды |
м3/ч 3 м |
от 0,35 до 90,0 |
1,0 |
Н4000-40 |
** ± 5 % от qmin до qt ** ± 2 % свыше qt до qmax |
для диапазона расхода от qmin до qt ± 5+(6,5*10-5/Х) для диапазона свыше qt до qmax ± 2+(8,9*10-3/Х) |
|
от 0,35 до 90,0 |
1,0 |
Н4000-50 | ||||
|
от 0,40 до 120,0 |
1,5 |
Н4000-65 |
для диапазона расхода от qmin до qt ± 5+(1,1*10-4/Х) для диапазона свыше qt до qmax ± 2+(11,8*10-3/Х) | |||
|
от 0,5 до 200,0 |
2,0 |
Н4000-80 |
для диапазона расхода от qmin до qt ± 5+(1,5*10-4/Х) для диапазона свыше qt до qmax ± 2+(19,8*10-3/Х) | |||
|
от 1,0 до 300,0 |
2,0 |
Н4000-100 |
для диапазона расхода от qmin до qt ± 5+(1*10-4/Х) для диапазона свыше qt до qmax ± 2+(0,03/Х) | |||
|
от 2,0 до 600,0 |
4,0 |
Н4000-150 |
для диапазона расхода от qmin до qt ± 5+(2*10-4/Х) для диапазона свыше qt до qmax ± 2+(0,06/Х) | |||
|
от 4,0 до 1000,0 |
6,0 |
Н4000-200 |
для диапазона расхода от qmin до qt ± 5+(2*10-4/Х) для диапазона свыше qt до qmax ± 2+(0,1/Х) | |||
|
Наименование ИК |
Единица измерения |
Диапазон измерения расхода |
датчик |
Пределы допускаемой погрешности датчика, % |
Пределы допускаемой погрешности ИК в рабочих условиях, % | |
|
qt переходный расход |
Тип датчика | |||||
|
расхода, объема воды |
м3/ч 3 м |
от 0,3 до 60,0 |
0,8 |
ВМХ40 |
** ± 5 % от qmin до qt ** ± 2 % свыше qt до qmax |
для диапазона расхода от qmin до qt ± 5+(5*10-5/Х) для диапазона свыше qt до qmax ± 2+(5,9*10-3/Х) |
|
от 0,3 до 120,0 |
0,9 |
ВМХ50 |
для диапазона расхода от qmin до qt ± 5+(б*10-5/Х) для диапазона свыше qt до qmax ± 2+(1,2*10-2/Х) | |||
|
от 0,45 до 180,0 |
1,0 |
ВМХ65 |
для диапазона расхода от qmin до qt ± 5+(5,5*10-5/Х) для диапазона свыше qt до qmax ± 2+(1,8*10-2/Х) | |||
|
от 0,6 до 240,0 |
1,0 |
ВМХ80 |
для диапазона расхода от qmin до qt ± 5+(4*10-5/Х) для диапазона свыше qt до qmax ± 2+(2,4*10-2/Х) | |||
|
от 1,0 до 300,0 |
2,5 |
ВМХ100 |
для диапазона расхода от qmin до qt ± 5+(1,5*10-4/Х) для диапазона свыше qt до qmax ± 2+(3*10-2/Х) | |||
|
от 2,0 до 500,0 |
4,0 |
ВМХ150 |
для диапазона расхода от qmin до qt ± 5+(2*10-4/Х) для диапазона свыше qt до qmax ± 2+(5*10-2/Х) | |||
|
от 4,0 до 1000,0 |
6,0 |
ВМХ200 |
для диапазона расхода от qmin до qt ± 5+(2*10-4/Х) для диапазона свыше qt до qmax ± 2+(3*10-2/Х) | |||
|
Наименование ИК |
Единица измерения |
Диапазон измерения расхода |
датчик |
Пределы допускаемой погрешности датчика, % |
Пределы допускаемой погрешности ИК в рабочих условиях, % | |
|
qt переходный расход |
Тип датчика | |||||
|
расхода, объема воды |
м3/ч 3 м |
от 0,2 до 50,0 |
0,32 |
ВХ40 |
** ± 5 % от qmin до qt ** ± 2 % свыше qt до qmax |
для диапазона расхода от qmin до qt ± 5+(1,2*10-5/Х) для диапазона свыше qt до qmax ± 2+(5*10-3/Х) |
|
от 0,2 до 50,0 |
0,32 |
ВХ50 | ||||
|
от 0,2 до 50,0 |
0,32 |
MaiStream-50 | ||||
|
от 0,24 до 70,0 |
0,36 |
ВХ65 |
для диапазона расхода от qmin до qt ± 5+(1,2*10-5/Х) для диапазона свыше qt до qmax ± 2+(7*10-3/Х) | |||
|
от 0,3 до 150,0 |
0,5 |
ВХ80 |
для диапазона расхода от qmin до qt ± 5+(2*10-5/Х) для диапазона свыше qt до qmax ± 2+(1,5*10-2/Х) | |||
|
от 0,3 до 150,0 |
0,5 |
MaiStream-80 | ||||
|
от 0,3 до 240,0 |
0,6 |
ВХ100 |
для диапазона расхода от qmin до qt ± 5+(3*10-5/Х) для диапазона свыше qt до qmax ± 2+(2,4*10-2/Х) | |||
|
от 0,3 до 240,0 |
0,6 |
MaiStream-100 | ||||
|
от 0,8 до 450,0 |
1,4 |
ВХ150 |
для диапазона расхода от qmin до qt ± 5+(б*10-5/Х) для диапазона свыше qt до qmax ± 2+(4,5*10-2/Х) | |||
|
от 0,8 до 450,0 |
1,4 |
MaiStream-150 | ||||
|
от 0,7 до 70,0 |
2,0 |
ВСХ50 |
для диапазона расхода от qmin до qt ± 5+(3*10-5/Х) для диапазона свыше qt до qmax ± 2+(6,8*10-2/Х) | |||
|
от 0,75 до 100,0 |
5,0 |
ВСХ65 |
для диапазона расхода от qmin до qt ± 5+(4,3*10-4/Х) для диапазона свыше qt до qmax ± 2+(9,5*10-2/Х) | |||
|
Наименование ИК |
Единица измерения |
Диапазон измерения расхода |
датчик |
Пределы допускаемой погрешности датчика, % |
Пределы допускаемой погрешности ИК в рабочих условиях, % | |
|
qt переходный расход |
Тип датчика | |||||
|
расхода, объема воды |
м3/ч 3 м |
от 0,8 до 180,0 |
6,0 |
ВСХ80 |
** ± 5 % от qmin до qt ** ± 2 % свыше qt до qmax |
для диапазона расхода от qmin до qt ± 5+(5,2*10-4/Х) для диапазона свыше qt до qmax ± 2+(1,7*10-2/Х) |
|
от 1,5 до 250,0 |
6,0 |
ВСХ100 |
для диапазона расхода от qmin до qt ± 5+(4,5*10-4/Х) для диапазона свыше qt до qmax ± 2+(2,4*10-2/Х) | |||
|
от 3,5 до 500,0 |
12,0 |
ВСХ150 |
для диапазона расхода от qmin до qt ± 5+(8,5*10-4/Х) для диапазона свыше qt до qmax ± 2+(4,8*10-2/Х) | |||
|
от 6,5 до 650,0 |
12,0 |
ВСХ200 |
для диапазона расхода от qmin до qt ± 5+(5,5*10-4/Х) для диапазона свыше qt до qmax ± 2+(6,4*10-2/Х) | |||
|
от 0,45 до 90,0 |
0,9 |
ВСХН50 |
для диапазона расхода от qmin до qt ± 5+(4,5*10-5/Х) для диапазона свыше qt до qmax ± 2+(8,9*10-3/Х) | |||
|
от 0,6 до120,0 |
1,2 |
ВСХН65 |
для диапазона расхода от qmin до qt ± 5+(6*10-5/Х) для диапазона свыше qt до qmax ± 2+(1,2*10-2/Х) | |||
|
от 0,6 до 200,0 |
1,2 |
ВСХН80 |
для диапазона расхода от qmin до qt ± 5+(6*10-5/Х) для диапазона свыше qt до qmax ± 2+(2*10-2/Х) | |||
Окончание таблицы 4
|
Наименование ИК |
Единица измерения |
Диапазон измерения расхода |
датчик |
Пределы допускаемой погрешности датчика, % |
Пределы допускаемой погрешности ИК в рабочих условиях, % | |
|
qt переходный расход |
Тип датчика | |||||
|
расхода, объема воды |
м3/ч 3 м |
от 0,9 до 300,0 |
1,8 |
ВСХН100 |
** ± 5 % от qmin до qt ** ± 2 % свыше qt до qmax |
для диапазона расхода от qmin до qt ± 5+(9*10-5/Х) для диапазона свыше qt до qmax ± 2+(3*10-2/Х) |
|
от 2,0 до 600,0 |
4,0 |
ВСХН150 |
для диапазона расхода от qmin до qt ± 5+(2*10-4/Х) для диапазона свыше qt до qmax ± 2+(6*10-2/Х) | |||
|
от 4,0 до 1000,0 |
6,0 |
ВСХН200 |
для диапазона расхода от qmin до qt ± 5+(2*10-4/Х) для диапазона свыше qt до qmax ± 2+(0,1/Х) | |||
|
от 0,02 до 90,0 |
0,0375 |
ВМК 50х20 |
для диапазона расхода от qmin до qt ± 5+(1,7*10-6/Х) для диапазона свыше qt до qmax ± 2+(9*10-3/Х) | |||
|
от 0,02 до 90,0 |
0,0375 |
КВМ50х20 | ||||
|
от 0,02 до 90,0 |
0,0375 |
Meitwin-50 | ||||
|
от 0,02 до 200,0 |
0,0375 |
ВМК 80х20 |
для диапазона расхода от qmin до qt ± 5+(1,7*10-6/Х) для диапазона свыше qt до qmax ± 2+(2*10-2/Х) | |||
|
от 0,02 до 200,0 |
0,0375 |
КВМ80х20 | ||||
|
от 0,02 до 200,0 |
0,0375 |
Meitwin-80 | ||||
|
от 0,45 до 30,0 |
3,0 |
MSD Cyble-50 |
для диапазона расхода от qmin до qt ± 5+(2,5*10-4/Х) для диапазона свыше qt до qmax ± 2+(2,7*10-3/Х) | |||
Примечания: * - указаны пределы приведенной погрешности измерений
** - указаны пределы относительной погрешности датчика и, соответственно, ИК системы с его использованием
Рабочие условия применения:
температура окружающего воздуха от 5 до 25 °С;
влажность окружающего воздуха не более 80 % при 25 °С и более низких
температурах без конденсации влаги;
напряжение питания от 187 до 242 В, частотой (50 ± 1) Гц;
напряженность внешнего магнитного поля не более 400 А/м.
Знак утверждения типа
Знак утверждения типа наносится на Формуляр системы типографским способом
Комплектность
Комплектность систем приведена в таблице 5.
Таблица 5
|
Наименование компонента |
Количество |
|
Первичные измерительные преобразователи из состава, указанного в таблице 4 |
Определяется формуляром на |
|
УСПД MFC-926 |
систему |
|
Формуляр |
1 экз. |
|
Методика поверки |
1 экз. |
Поверка
осуществляется в соответствии с документом МП 49236-12 «Системы автоматизированные коммерческого учета потребления воды (АСКУПВ). Измерительные каналы. Методика поверки», утвержденным ГЦИ СИ ФГУП «ВНИИМС» 29 октября 2011 г.
Перечень основного оборудования для поверки:
для первичных измерительных преобразователей (датчиков) - по методикам поверки на них;
для вторичной (электрической части) измерительных каналов:
калибратор многофункциональный МС5-И, предел допускаемой погрешности воспроизведения тока ±(0,02 % показ. + 1,5 мкА)
генератор импульсов Г5-102, длительность импульсов от 1-10’9 до 10 мкс; амплитуда импульсов от 10 мВ до 100 В; погрешность установки: периода повторения ± 10-6^Т, длительности импульса ± 10-4^Т, амплитуды ± (0,03 А + 240-3) В
частотомер электронно-счетный Ч3-88, диапазон измерения импульсного сигнала от 10 нс до 100с, относительная погрешность по частоте встроенного опорного генератора не более ± 5^10-8 %.
Сведения о методах измерений
Методы измерений изложены в документе «Система автоматизированная коммерческого учета потребления воды (АСКУПВ). Формуляр»
лист 13
всего листов 13
Нормативные документы
ГОСТ Р 8.596-2002 ГСИ. Метрологическое обеспечение измерительных систем.
Основные положения
ГОСТ 22261-94 Средства измерений электрических и магнитных величин.
Общие технические условия.
МИ 2439-97 ГСИ. Метрологические характеристики измерительных сис
тем. Номенклатура. Принципы регламентации, определения и контроля
Рекомендации к применению
Осуществление торговли и товарообменных операций; выполнение государственных учетных операций.