Аппаратура для контроля параметров пьезоэлементов Цензурка-МА
| Номер в ГРСИ РФ: | 49533-12 |
|---|---|
| Производитель / заявитель: | НКТБ "Пьезоприбор" Ростовского государственного университета, г.Ростов-на-Дону |
Аппаратура ┌Цензурка-МА√ предназначена для оперативного измерения, в процессе производства параметров пьезоэлементов и пьезопреобразователей: частоты резонанса и антирезонанса, сопротивления на частоте резонанса, емкости на низкой частоте, тангенса угла диэлектрических потерь. Измерение параметров пьезоэлементов осуществляется в двух режимах: - динамическом режиме (контроль параметров в резонансной области частот); - квазистатическом режиме (контроль параметров на частоте 1000 Гц).
Информация по Госреестру
| Основные данные | |||||||
|---|---|---|---|---|---|---|---|
| Номер по Госреестру | 49533-12 | ||||||
| Наименование | Аппаратура для контроля параметров пьезоэлементов | ||||||
| Модель | Цензурка-МА | ||||||
| Характер производства | Единичное | ||||||
| Идентификатор записи ФИФ ОЕИ | 8dcc29bb-abd1-d306-0e61-e8b18f8d8c6a | ||||||
| Испытания |
|
||||||
| Год регистрации | 2012 | ||||||
| Общие данные | |
|---|---|
| Класс СИ | 28.03 |
| Год регистрации | 2012 |
| Страна-производитель | Россия |
| Информация о сертификате | |
| Срок действия сертификата | .. |
| Номер сертификата | 46076 |
| Тип сертификата (C - серия/E - партия) | E |
| Дата протокола | Приказ 231 п. 06 от 13.04.2012 |
Производитель / Заявитель
НКТБ пьезоэлектрического приборостроения ФГОУ ВПО "Южный федеральный университет" ("Пьезоприбор" ЮФУ), РОССИЯ, г.Ростов-на-Дону
Россия
Поверка
| Методика поверки / информация о поверке | 68.85.00.00.000 МП |
| Межповерочный интервал / Периодичность поверки |
2 года
|
| Зарегистрировано поверок | |
| Найдено поверителей | |
| Успешных поверок (СИ пригодно) | 1 (100%) |
| Неуспешных поверок (СИ непригодно) | 0 (0 %) |
| Актуальность информации | 15.03.2026 |
Поверители
Скачать
|
49533-12: Описание типа
2012-49533-12.pdf
|
Скачать | 123.9 КБ | |
| Свидетельство об утверждении типа СИ | Открыть | ... |
Описание типа
Назначение
Аппаратура «Цензурка-МА» предназначена для оперативного измерения, в процессе производства параметров пьезоэлементов и пьезопреобразователей: частоты резонанса и антирезонанса, сопротивления на частоте резонанса, емкости на низкой частоте, тангенса угла диэлектрических потерь.
Измерение параметров пьезоэлементов осуществляется в двух режимах:
- динамическом режиме (контроль параметров в резонансной области частот);
- квазистатическом режиме (контроль параметров на частоте 1000 Гц).
Описание
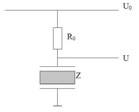
Схема измерений, реализованная в аппаратуре «Цензурка-МА», показана на рисунке 1.
U0 - опорное напряжение, U - падение напряжения на пьезоэлементе, R0 - резистор, Z -комплексный импеданс пьезоэлемента или преобразователя.
Рисунок 1.
В аппаратуре реализован цифровой способ измерений, позволяющий возбуждать пьезоэлемент или преобразователь широкополосным сигналом, спектр которого охватывает заданную область частот. В качестве такого сигнала в аппаратуре «Цензурка -МА» используется сигнал с линейной частотной модуляцией.
ЛЧМ сигнал формируется в ЭВМ программно в виде массива длиной N Напряжения U0(t) и U(t) подаются на вход двухканального аналого-цифрового преобразователя (АЦП), а полученные таким образом отсчеты - через буферное запоминающее устройство в управляющую ЭВМ, где подвергаются дискретному преобразованию Фурье с помощью алгоритма быстрого преобразования Фурье. В результате получаются два комплексных массива длиной N/2 каждый, соответствующие значениям Uo(®) и U(o) на частотах f[k] =kFd/N, k = 0,- ,N/2. Значения комплексной проводимости в полосе частот от o до Fd/2 рассчитываются с использованием измеренных величин.
Принцип работы при квазистатических измерениях на низкой частоте 1000 Гц аналогичен, только в качестве АЦП используется 16-ти разрядный АЦП (относительно медленно действующий), который подключается к измерительному резистору Ro с помощью коммутатора входов (на рисунке не показан).
Для расчета требуемых параметров преобразователя используется многоконтурная эквивалентная схема, динамическая часть которой состоит из нескольких соединенных параллельно RLC-цепочек. Количество контуров эквивалентной схемы определяется по числу максимумов активной составляющей проводимости в заданной полосе частот.
Аппаратура «Цензурка-МА»(рисунок 2) является аппаратурой настольного типа и состоит из блока измерительного, управляющей ЭВМ (персональный компьютер IBM PC Pentium IV в настольном виде или ноутбук) и печатающего устройства. Управляющая ЭВМ с операционной системой Windows имеет специальное программное обеспечение, реализующие функции управления работой аппаратуры, обработки результатов измерений, отображения измеренной и обработанной информации, ведения баз данных для контролируемых пьезоэлементов.
Рисунок 2 - Аппаратура «Цензурка-МА»
Блок измерительный представляет собой закрытый металлический корпус с органами управления и индикации на лицевой панели, где так же расположен разъем для подключения пьезоэлементов. В состав аппаратуры входит набор эквивалентов и RC цепей, четырехполюсник для измерения АЧХ.
На задней панели измерительного блока расположены разъемы для питания аппаратуры «Цензурка-МА» и для подключения ее к персональному компьютеру. На задней панели расположены винты крепления задней крышки для пломбирования аппаратуры «Цензур-ка-МА» (рисунок 3).
1 - Технические требования по ГОСТ 18680-73. Пломбировать замазкой уплотнительной У-20 ТУ 38-105357-85. Рисунок 3 - Панель задняя блока измерительного - схема пломбировки
Программное обеспечение (ПО) аппаратуры «Цензурка-МА» состоит из кода программы. ПО является устанавливаемым дистрибутивом ПО (файл SetupCMA_ver.1.2.2.exe), который предустанавливается при поставке аппаратуры. ПО аппаратуры исполняется на процессоре управляющей ПЭВМ. ПО аппаратуры рассматривается как метрологически значимое.
ПО аппаратуры “Цензурка-МА”, предназначено для решения следующих основных задач:
- расчет комплексной проводимости пьезоэлемента;
- расчет эквивалентных и электрофизических параметров;
- взаимодействие с оператором, отображение и сохранение результатов измерений, в том числе в графическом виде, отбраковка пьезоэлементов по установленным критериям;
- накопление в базе данных результатов измерений, формирование, отображение и сохранение отчетов о результатах измерений, в том числе гистограммных, получение их твердой копии.
Коды программы не могут быть модифицированы простыми программными средствами (защита на уровне структуры двоичного файла при его компиляции в среде разработки).
Таблица 1
|
Наименование программного обеспечения |
Идентификационное наименование программного обеспечения |
Номер версии (идентификационный номер) программного обеспечения |
Цифровой идентификатор программного обеспечения (контрольная сумма исполняемого кода) |
Алгоритм вычисления контрольной суммы |
|
Программное обеспечение аппаратуры «Цензурка-МА» |
«Цензурка-МА» |
2.0.1 |
645Е0330 |
CRC32 |
В соответствии с разделом 6.6 МИ 3286-2010 уровень защиты ПО аппаратуры соответствует уровню «С».
В коде ПО присутствует процедура контроля за контрольной суммой исполняемого файла. При запуске ПО аппаратуры происходит проверка текущей контрольной суммы кода программы с записанной контрольной суммой. В случае отличия этих контрольных сумм программа аппаратуры останавливается и на экран выводится сообщение об ошибке проверки контрольной суммы. Метрологически значимая часть ПО аппаратуры и измеренные данные достаточно защищены с помощью специальных средств защиты от преднамеренных и не преднамеренных изменений.
Технические характеристики
Диапазон рабочих частот, кГц 1 - 500
Диапазон измерения электрической емкости, Ф 240-11 - -10’7
Диапазон измерения тангенса угла диэлектрических потерь 2-10-3 - •IO-1
Диапазон измерения сопротивления на частоте резонанса, Ом 10 - 5-103
Пределы относительной погрешности установки частоты, %
Пределы относительной погрешности измерения частоты резонанса, % ±0,2 Пределы относительной погрешности измерения
частоты антирезонанса, %
Пределы относительной погрешности измерения электрической емкости на частоте 1000 Гц:
для диапазона 240-11 Ф - 10-10 Ф, %
для диапазона 10-10 Ф - 10-7 Ф, %
Пределы относительной погрешности измерения тангенса угла диэлектрических потерь на частоте 1000Гц: для диапазона 240-3 - 340-2, %
для диапазона 340-2 - -10’1, %
Пределы относительной погрешности измерения сопротивления на частоте резонанса, %
Рассчитываемые параметры:
Пределы относительной погрешности измерения относительной диэлектрической проницаемости в диапазоне 3-102 - 3-103, %
Пределы относительной погрешности измерения относительного резонансного промежутка в диапазоне 0,04 - 0,4, %
Пределы относительной погрешности измерения коэффициента электромеханической связи в диапазоне 0,25 - 0,8, %
Пределы относительной погрешности измерения пьезомодуля
в динамическом режиме в диапазоне 30 - 600 пКл/Н, %
Пределы относительной погрешности измерения механической добротности в диапазоне 50 - 800, %
Пределы относительной погрешности измерения скорости звука в диапазоне 2,5403 - 5-103 м/с, %
Смотрите также
