Установка поверочная расходомерная ИРС-М
| Номер в ГРСИ РФ: | 49898-12 |
|---|---|
| Категория: | Расходомеры |
| Производитель / заявитель: | АО "ГНЦ РФ - Физико-энергетический институт имени А. И. Лейпунского" (АО "ГНЦ РФ – ФЭИ"), г.Обнинск |
Установка поверочная расходомерная ИРС-М (далее установка) предназначена для градуировки и поверки расходомеров жидкого натрия объемно ╞ временным методом и методом сличения.
Информация по Госреестру
| Основные данные | |||||||
|---|---|---|---|---|---|---|---|
| Номер по Госреестру | 49898-12 | ||||||
| Наименование | Установка поверочная расходомерная | ||||||
| Модель | ИРС-М | ||||||
| Характер производства | Единичное | ||||||
| Идентификатор записи ФИФ ОЕИ | 42928fd8-0210-ba00-361f-eedde3e33a21 | ||||||
| Испытания |
|
||||||
| Год регистрации | 2012 | ||||||
| Общие данные | |
|---|---|
| Класс СИ | 31.02 |
| Год регистрации | 2012 |
| Страна-производитель | Россия |
| Информация о сертификате | |
| Срок действия сертификата | .. |
| Номер сертификата | 46579 |
| Тип сертификата (C - серия/E - партия) | E |
| Дата протокола | Приказ 351 п. 50 от 18.05.2012 |
Производитель / Заявитель
ФГУП "ГНЦ РФ - Физико-энергетический институт им.А.И.Лейпунского" (ФЭИ), РОССИЯ, г.Обнинск
Россия
Поверка
| Методика поверки / информация о поверке | МП 49898-12 |
| Межповерочный интервал / Периодичность поверки |
2 года
|
| Зарегистрировано поверок | |
| Найдено поверителей | |
| Успешных поверок (СИ пригодно) | 20 (100%) |
| Неуспешных поверок (СИ непригодно) | 0 (0 %) |
| Актуальность информации | 29.03.2026 |
Поверители
Скачать
|
49898-12: Описание типа
2012-49898-12.pdf
|
Скачать | 348.8 КБ | |
| Свидетельство об утверждении типа СИ | Открыть | ... |
Описание типа
Назначение
Установка поверочная расходомерная ИРС-М (далее установка) предназначена для градуировки и поверки расходомеров жидкого натрия объемно - временным методом и методом сличения.
Описание
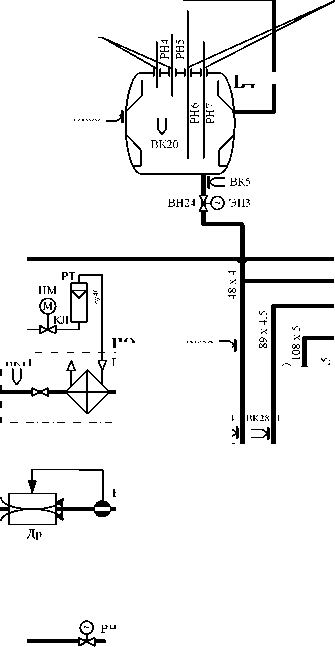
Установка состоит из двух независимых контуров. Все системы установки представлены на его принципиальной технологической схеме (рис. 1).
В состав 1 контура входят:
- насос НЭ2 (ВИН 8/20) (рис. 2);
- жидкометаллический коллектор (пять параллельных трубопроводов 0 48 х 4мм) (рис. 3);
- дроссель ЭМД 2/10;
- бак стабилизации Б3 (V = 0,1 м3) (рис. 4);
- бак мерный Б4 (V = 0,8 м3) (рис. 4);
- контрольные электромагнитные преобразователи расхода жидкого натрия
(рис. 3);
В состав 2 контура входят:
- насос НЭ1 (ЦЛИН 4/80) (рис. 2);
- трубопроводы 0 108 х 5мм, 0 89 х 4,5 мм;
- вентили Dy 100 с ручным приводом.
Д ля заполнения и дренирования 1 и 2 контуров установки служит сливной бак вместимостью 2 м3.
Принцип действия установки основан на сравнении выходного сигнала градуируемого или поверяемого расходомера жидкого натрия с величиной расхода жидкого натрия, определяемого по времени заполнения мерного резервуара известного объема либо с показаниями контрольных электромагнитных преобразователей расхода КЭПР жидкого натрия, входящих в состав установки.
Прокачка натрия по 1 контуру осуществляется электромагнитным насосом НЭ2 (ВИН 8/20). Прокачка натрия по 2 контуру осуществляется насосом НЭ1 (ЦЛИН 4/80). К верхней точке контуров подсоединен расходный бак Б2 (V = 0,8 м3). Бак стабилизации Б3 (V = 0,1 м3), входящий в состав 1 контура служит для подавления колебаний расхода натрия в процессе его циркуляции по контуру.
Измерение расхода натрия объемно - временным способом осуществляется при помощи мерного резервуара (V = 293,98 ± 0,433 дм3 при температуре 20 °С), входящего в состав мерного бака Б4 (V = 0,8 м3), оборудованного двумя контактными сигнализаторами уровня, установленными в горловинах мерного резервуара, и счетчика времени "Счет-1М". Заполнение мерного бака происходит путем перекачки натрия из расходного бака Б2. Верхний предел расхода натрия, измеряемого объемно - временным способом, составляет 20 м3/ч.
Для расширения диапазона измеряемого расхода натрия до 100 м3/ч (2 контур) служат пять параллельных трубопроводов с установленными на них КЭПР, которые объединены двумя коллекторами и включены во 2 контур. Каждый из КЭПР калиброван при помощи объемно - временного метода в диапазоне расхода натрия 2 - 20 м3/ч. Это позволяет осуществлять градуировку и поверку расходомеров натрия методом сличения до верхнего предела расхода натрия 100 м3/ч.
25 х 3,5
ВН42ХО
к.
и
ВК18
ВН62 32 х 3,5
ВК23У
ВК1
ВН60
32 х 3,5
ВК67
ВН43Й©
u
уВК14
ВН38
ЛВП4
Б1 I
u
ВК17
Б2
ВК70
u
Б3
UBK64 _
Места пломбирования
-1 n
KZ ВК57 ВК56
BZ14 25x3,5 © ВН30
— |CZ ВК58
G=0,3m3/4 uuu
П
ВК63
Места пломбирования
ВТ
НЭ2 (ВИН-П) uuu
Б4
! bki i
ВН33
I -0] .g ■ , m ] -O
^ВК30
ВК73
48 x 4
ВН11 ф
ВК52Л ВН4 _________!_!_____n_zi_
ВК32
N ( )
ВК10
ВК3
ВК27
ВК9
ВН13
ВК55
BZ16
ВК31
ВК74
BZ1
BZ3
ВН14
ВН15
ВН16
ВН47-1
ВН2
4X-
ВК72
ИО
BK26 u
ВК68 ВК75
x4U Ц §
1< Bz! B
BZ15 ’
ВН47-2
UBK2 48x4
ВК4
u
ВН12
108 x 5. 0
ВН5
ВН32
ВК54
ДВН6
ВК8
f ВН ВН1 ВН10
I I IX
ВК29 ||ВК71 ||ВК61
uuu
У ВК6
ЭП1
НЭ1(ЦЛИН) uuu
ВН44
ВН26
ВН19
ВН25 32x3,5
ЭП2
108 х 5
KZ ВК79
ВН40
ВК25 Z>
ЛВП3
Рис. 1 Схема технологическая принципиальная установки поверочной расходомерной
ИРС-М
Насос ЦЛИН 4/80
Насос
ВИН 8/20
Рис. 2 Оборудование установки на отметке + 0,0
Рис. 3 Жидкометаллический коллектор, отметка +4,2
Контрольные электромагнитные преобразователи расхода жидкого натрия
Рис. 4 Оборудование на отметке + 9,6
Бак мерный
Бак стабилизации
Бак расходный
Для очистки натрия от примесей установка снабжена специальным устройством, контроль чистоты натрия осуществляется с помощью индикатора окислов.
Для исключения несанкционированного доступа контактные сигнализаторы уровня РН4, РН5, РН6, РН7 мерного бака Б4 пломбируются (рис. 1)
Программное обеспечение
Компьютерная программа управления, разработанная в среде LabVIEW8.6, работает под операционной системой Windows XP. Программа предусматривает автоматический сбор и математическую обработку результатов измерений модулями I-7018Z, I-7033, I-7059 и архивирование результатов измерений. Электромагнитные преобразователи расхода жидкого натрия с компьютерной программой установки имеют связь через модуль конвертеров интерфейсов USB-RS485 I-7583. Работа мерного бака автономна и связи с органами управления установкой не имеет.
Программа обработки данных по измерениям построена по модульному принципу. Программа предусматривает ввод в базу данных результатов испытаний, хранение данных по заводским номерам поверяемых расходомеров.
Идентификационные данные программного обеспечения.
|
Наименование ПО |
Идентификационное наименование ПО |
Номер версии ПО |
Цифровой идентификатор ПО (контрольная сумма) |
Алгоритм вычисления цифрового идентификатора ПО |
|
IRS-M |
IRS-M.EXE |
1.0.0 |
1D7D8448 |
CRC32 |
Уровень защиты программного обеспечения от непреднамеренных и преднамеренных изменений "С" по МИ 3286-2010.
Технические характеристики
Диапазон воспроизводимых расходов, м3 /ч 0,5 - 100
Максимальный расход натрия в 1 контуре, м3/ч
Максимальный расход натрия во 2 контуре, м3/ч
Номинальный объем мерного резервуара, м3
Пределы допускаемой основной относительной погрешности мерного резервуара, % ± 0,15
Дополнительная относительная погрешность мерного резервуара, % /оС
Диапазон преобразователя расхода КЭПР жидкого натрия BZ1, м3/ч 0,5- 20
Диапазон преобразователя расхода КЭПР жидкого натрия BZ2, BZ3, BZ4, BZ5, м3/ч 2 - 20
Пределы допускаемой основной приведенной к верхнему пределу измерения погрешности преобразования расхода КЭПР
Дополнительная относительная погрешность КЭПР, %/ оС
Допускаемая приведенная погрешность воспроизведения расхода к верхнему значению расхода натрия в 1 контуре не более, %
Приведенная к верхнему значению расхода натрия во 2 контуре погрешность воспроизведения расхода, не более, %
Общий объем натрия в установке, м3
Диапазон температуры измеряемой среды, °С от плюс 200
до 450
Относительная погрешность измерений температуры измеряемой среды, %
Максимальное давление в напорной системе установки, МПа (кгс/см2) 0,3 (3,0)
Рабочие условия эксплуатации: - температура окружающего воздуха, °С от плюс 10
до 40 - относительная влажность окружающего воздуха при температуре 35 °С, % до 98
Знак утверждения типа наносится типографским способом на титульный лист паспорта установки.
Комплектность
|
№ п/п |
Наименование |
Кол. шт./экз |
|
1 |
Бак мерный А.5054-39, V = 0,8 м3 |
1 |
|
2 |
Бак стабилизации А.5054-46, V = 0,1 м3 |
1 |
|
№ п/п |
Наименование |
Кол. шт./экз |
|
3 |
Бак расходный А.5054-38, V = 0,8 м3 |
1 |
|
4 |
Ловушка "холодная" |
1 |
|
5 |
Дроссель ЭМД 2/10 |
1 |
|
6 |
Пробковый индикатор окислов |
1 |
|
7 |
Насос ВИН 8/20 |
1 |
|
8 |
Насос ЦЛИН 4/80 |
1 |
|
9 |
Жидкометаллический коллектор (пять параллельных трубопроводов 048х4 мм |
1 |
|
10 |
Контрольный электромагнитный преобразователь расхода жидкого натрия Э.099.Т1537.01.00-02 |
5 |
|
11 |
Термоэлектрический преобразователь температуры КЦУП.405221.302ТУ |
16 |
|
12 |
Компьютер РС Intel Core I5 с предустановленной операционной системой Windows XP и средой разработки Lab VIEW |
1 |
|
13 |
Модуль ввода аналоговых сигналов I-7018Z |
9 |
|
14 |
Модуль ввода аналоговых сигналов I-7033 |
2 |
|
15 |
Модуль ввода цифровых сигналов I-7059 |
2 |
|
16 |
Модуль конвертеров интерфейсов USB-RS485 I-7563 |
1 |
|
17 |
Установочная программа IRS-M |
1 |
|
18 |
Руководство по эксплуатации А.5175РЭ |
1 |
|
19 |
Паспорт А.5175РЭ |
1 |
|
20 |
Методика поверки |
1 |
Поверка
осуществляется по методике МП 49898-12 "ГСИ. Установка поверочная расходомерная ИРС-М. Методика поверки", утвержденной ГЦИ СИ ФГУП "ВНИИМС" в марте 2012 г.
Основное поверочное оборудование:
- мерник 1-го разряда типа М1Р-100-01, вместимость 100 дм3;
- цилиндр мерный 2-го класса точности по ГОСТ 1770-74, вместимость 2 дм3;
- термоэлектрические преобразователи температуры КЦУП.405221.302ТУ класс допуска 2 по ГОСТ Р.8.585-2001;
- секундомер "Счет-1М" ТС5.002.01-07ТУ, пределы допускаемой абсолютной погрешности измерений ± (6-10-5 Т + 0,001) с, где Т - значение измеряемого интервала в секундах в диапазоне от 0,01 до 999,999 с;
- термометр ТЛ-4 ГОСТ 28498-90 от 0 до 50 оС с ценой деления 0,1 оС.
Сведения о методах измерений
содержатся в руководстве по эксплуатации А.5175РЭ.
Нормативные документы
1. ГОСТ 8.374-80. "Государственный специальный эталон и общесоюзная поверочная схема для средств измерений объемного расхода воды в диапазоне от 2,8-10-8 до 2,8-10-2 м3/с.
2. ГОСТ Р 8.682-2009. "Государственная система обеспечения единства измерений. Мерники металлические образцовые. Методика поверки".
3. Техническая документация на установку поверочную расходомерную ИРС-М.


