Система измерительная светлых нефтепродуктов СКУН-3М
| Номер в ГРСИ РФ: | 49953-12 |
|---|---|
| Производитель / заявитель: | ЗАО "Приз", г.Москва |
Система измерительная светлых нефтепродуктов "СКУН-3М" (далее ╞ "СКУН-3М") предназначена для измерений массы светлых нефтепродуктов и управления технологическими режимами их транспортировки по магистральному нефтепродуктопроводу ОАО "Газпромнефть - Московский НПЗ" ╞ линейно-производственная диспетчерская станция "Володарская".
Информация по Госреестру
| Основные данные | |||||||
|---|---|---|---|---|---|---|---|
| Номер по Госреестру | 49953-12 | ||||||
| Наименование | Система измерительная светлых нефтепродуктов | ||||||
| Модель | СКУН-3М | ||||||
| Характер производства | Единичное | ||||||
| Идентификатор записи ФИФ ОЕИ | 29641ce9-392b-6ab9-a33c-2450af07fbf8 | ||||||
| Испытания |
|
||||||
| Год регистрации | 2012 | ||||||
| Общие данные | |
|---|---|
| Класс СИ | 29.01.04 |
| Год регистрации | 2012 |
| Страна-производитель | Россия |
| Информация о сертификате | |
| Срок действия сертификата | .. |
| Номер сертификата | 46633 |
| Тип сертификата (C - серия/E - партия) | E |
| Дата протокола | Приказ 398 п. 05 от 01.06.2012 |
Производитель / Заявитель
ЗАО "Приз", РОССИЯ, г.Москва
Россия
Поверка
| Методика поверки / информация о поверке | ПРНХ.401.250.049-МП |
| Межповерочный интервал / Периодичность поверки |
1 год
|
| Зарегистрировано поверок | |
| Найдено поверителей | |
| Успешных поверок (СИ пригодно) | 1 (100%) |
| Неуспешных поверок (СИ непригодно) | 0 (0 %) |
| Актуальность информации | 15.03.2026 |
Поверители
Скачать
|
49953-12: Описание типа
2012-49953-12.pdf
|
Скачать | 403.8 КБ | |
| Свидетельство об утверждении типа СИ | Открыть | ... |
Описание типа
Назначение
Система измерительная светлых нефтепродуктов "СКУН-3М" (далее - "СКУН-3М") предназначена для измерений массы светлых нефтепродуктов и управления технологическими режимами их транспортировки по магистральному нефтепродуктопроводу ОАО "Газпромнефть - Московский НПЗ" - линейно-производственная диспетчерская станция "Володарская".
Описание
"СКУН-3М" состоит из трех блоков измерительных линий (БИЛ), системы сбора и обработки информации (СОИ) и рабочих станций (АРМ) оператора.
Внешний вид узлов "СКУН-3М" представлен на фото 1.. .3.
Фото 1. БИЛ
Фото 2. СОИ
Фото 3. Экран монитора АРМ
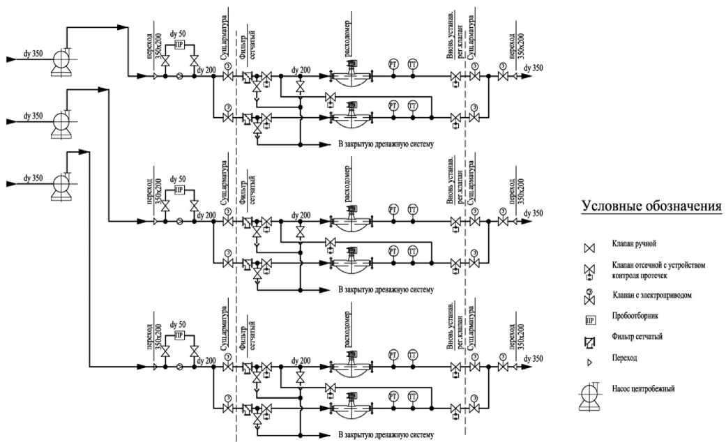
В состав каждого БИЛ (Рис. 1) входят рабочая измерительная линия, резервная (контрольная) линия, пробозаборное устройство, узел регулирования расхода и давления.
В состав рабочих и контрольно-резервных измерительных линий "СКУН-3М" входят:
- расходомеры массовые PROMASS 83F (Госреестр №15201-11);
- запорная арматура на входе измерительной линии;
- фильтр тонкой очистки с дренажным и воздушным кранами;
- запорная арматура с гарантированным перекрытием потока и контролем протечек на выходе каждой измерительной линии;
- шаровой кран для дренажа;
- шаровой кран-воздушник в самой высокой точке измерительной линии;
- преобразователь давления измерительный Cerabar M PMP (Госреестр №41560-09);
- термопреобразователь с унифицированным выходным сигналом ТСПУ 902820 (Госреестр №32460-06)
- заслонка типа 3310 с электроприводом AUMA;
- автоматический пробоотборник (совмещенный с ручным) Стандарт АЛ;
- запорная арматура с ручным приводом.
Рис. 1. Технологическая схема БИЛ.
В расходомерах массовых PROMASS принцип измерений массового расхода основан на измерении силы Кориолиса, возникающей в трубках первичного преобразователя расхода при прохождении через них измеряемой среды. Принцип измерений плотности основан на измерении резонансной частоты колебаний трубок первичного преобразователя. Электронный преобразователь расходомера осуществляет следующие функции:
- вычисление массового расхода, массы нефтепродуктов, объёмного расхода и объема нефтепродуктов;
- индикацию результатов измерений;
- передачу измерительной информации в СОИ по сети с протоколом обмена Profibus РА, а по измеренной массе в виде импульсно-частотных сигналов.
Стандартные сигналы от расходомеров и преобразователей давления и температуры передаются в СОИ, выполненной на базе программируемого контроллера SIMATIC S7-300 (Госреестр №15772-11) с модулями ввода/вывода аналоговых и дискретных сигналов и модулями скоростного счета, для обработки и отображения результатов измерений, накопления информации и выработки сигналов управления процессом транспортировки нефтепродуктов.
" СКУН-3М" размещена на производственном объекте ОАО "Газпромнефть - Московский НПЗ", г. Москва.
" СКУН-3М" осуществляет:
- измерение массы, плотности, температуры и давления транспортируемых нефтепродуктов;
- вычисление объема транспортируемых нефтепродуктов;
- передачу и отображение на панелях операторов параметров нефтепродуктов;
- предупредительную и аварийную сигнализацию при выходе технологических показателей за установленные границы или при обнаружении неисправностей в работе оборудования;
- выработку сигналов управления запорной арматурой с электроприводом в реальном масштабе времени;
- накопление, регистрацию и хранение информации о нефтепродукте;
- самоконтроль неисправностей и их индикацию;
- автоматическое ведение архивов и журналов;
- автоматический отбор проб нефтепродуктов;
- вывод данных на печать.
Информация о контролируемых параметрах и состоянии процесса перекачки нефтепродуктов представляется на мнемосхемах мониторов рабочих станций оператора в виде числовых значений, гистограмм, трендов, текстов, рисунков и цветовой окраски элементов мнемосхем.
Программное обеспечение
Специализированное программное обеспечение "СКУН-3М" предназначено для:
— сбора, накопления, регистрации и хранения информации о нефтепродукте от первичных измерительных преобразователей, входящих в состав БИЛ;
— выдачи предупредительной звуковой и световой сигнализации при достижении технологическими параметрами установленных значений;
— управление технологическим оборудованием (задвижками, насосами, пробоотборниками);
— контроля исправности технических средств системы;
— формирования и хранения базы данных параметров (архив событий, трендов);
— подготовки, хранения и вывода на печать отчетов.
В ПО "СКУН-3М" исключена возможность ввода любых изменений в архив событий.
Уровень защиты от преднамеренных и непреднамеренных изменений ПО "СКУН-3М" "С" согласно МИ 3286-2010. Защита от преднамеренных изменений достигается парольной системой доступа. Защита от непреднамеренных изменений обеспечивается использованием экранированных кабелей и сертифицированных закрывающихся шкафов для установки вычислительной техники и средств связи.
Неизменность ПО расходомера массового PROMASS 83F обеспечивается защитой бесконтактных кнопок управления (фото 4) с помощью специальных наклеек на внутреннюю поверхность стекла защитной крышки и ее пломбированием (фото 5). Неизменность ПО контроллера SIMATIC S7-300 обеспечивается парольной системой доступа и установкой его в сертифицированном закрывающемся шкафу. Неизменность ПО WinCC АРМ оператора обеспечивается парольной системой доступа.
Фото 4.
Фото 5.
Идентификационные параметры ПО
|
Наименование ПО |
Идентификационное наименование ПО |
Номер версии (идентификационный номер) ПО |
Цифровой идентификатор ПО (контрольная сумма исполняемого кода) |
Алгоритм вычисления цифрового идентификатора ПО |
|
Контроллерная часть |
SIMATIC Step 7 |
K5.3.3.0 |
SD: B4-0D-80-EA UP: AA-03-A1-76 |
SIMATIC Step 7 |
|
Графическая часть |
СКУН-3М |
Ver6.0 |
F1A3D2FBBE76229 D9386FEB4661AF1 D8 |
MD5 File Checker |
Технические характеристики
|
Наименование параметра |
Значение |
|
Диапазон измерений расходов отгружаемых нефтепродуктов, т/ч |
от 80 до 420 |
|
Диапазон измерений массы партии нефтепродуктов, т |
от 500 до 7000 |
|
Диапазон измерений объема нефтепродуктов, м3 |
от 580 до 9725 |
|
Диапазон измерений плотности нефтепродуктов, кг/м3 |
от 720 до 860 |
|
Диапазон измерений температуры нефтепродуктов, °С |
от -40 до +80 |
|
Диапазон измерений давления в нефтепродуктопроводах, МПа |
от 0 до 4 |
|
Пределы допускаемой относительной погрешности измерений массы партии нефтепродуктов, % |
±0,22 |
|
Пределы допускаемой относительной погрешности измерений объема партии нефтепродуктов, % |
±0,25 |
|
Пределы допускаемой абсолютной погрешности измерений температуры, °С |
±0,5 |
|
Пределы допускаемой относительной погрешности измерений давления, % |
±0,25 |
|
Количество измерительных линий |
3 |
|
Количество пробозаборных устройств |
3 |
|
Количество резервных (контрольных) линий |
3 |
|
Электропитание: - напряжение, В - частота, Гц |
220/380 (+10/-15%) (50 ±1) |
|
Рабочие условия для первичных измерительных преобразователей: - температура окружающей среды, °С - относительная влажность окружающей среды, % - атмосферное давление, кПа |
от -40 до +60 не более 95 от 84 до 106,7 |
|
Рабочие условия для измерительных преобразователей, модулей ввода/вывода промышленных контроллеров и компьютеров: - температура окружающей среды, °С - относительная влажность, % |
от 5 до 40 от 30 до 80 |
Знак утверждения типа
наносится на титульные листы эксплуатационной документации типографским способом.
Комплектность
Таблица 1. Комплектность БИЛ
|
Наименование оборудования |
Всего, шт. |
|
Расходомер массовый PROMASS 83F DN 150 |
6 |
|
Пробоотборник автоматический Стандарт АЛ |
3 |
|
Термошкаф специальный с электронагревателем и терморегулятором. |
3 |
|
Термопреобразователь с унифицированным выходным сигналом ТСПУ 902820 Диапазон от - 40 оС до +80 оС |
6 |
|
Преобразователь давления измерительный Cerabar M PMP. Диапазон от 0 до 4 МПа, (4-20) мА, ±0,2 % |
6 |
|
Дифференциальный манометр показывающий. Диапазон (0-0,5) кг/см2. Класс точности 1,5 |
3 |
|
Манометр показывающий. Диапазон (0-4) МПа. Класс точности 1,0 |
3 |
|
Манометр показывающий. Диапазон (0-4) МПа. Класс точности 1,6 |
21 |
|
Заслонка типа 3310 с электроприводом AUMA (типа SARExC 07,5/GS80,3) Ду 200 , Ру40 |
3 |
|
Комплект запорной арматуры |
1 |
|
Фильтр сетчатый DN 200 PN 40 |
6 |
Таблица 2. Комплектность СОИ
|
Наименование оборудования |
Всего, шт. |
|
Шкаф контроллерный АН1 |
1 |
|
Шкаф реле АН2 |
1 |
|
Источник бесперебойного питания Powerware 9120 |
1 |
Таблица 3. Комплектность рабочих станций оператора
|
Наименование оборудования |
Всего, шт. |
|
Промышленный ПК Advantech IPC-510-SYS1-4 |
2 |
|
Монитор LCD повышенной надежности, FSC Monitor Р19-2 19" TFT |
2 |
|
HP Принтер LaserJet A4 1320N (Q5928A) |
1 |
|
Комплект эксплуатационной документации: - Руководство по эксплуатации ПРНХ.401250.049-РЭ; - Формуляр ПРНХ.401250.049-ФО; - Паспорт ПРНХ.401250.049-ПС - Методика поверки ПРНХ. 401.250.049-МП |
1 |
Поверка
осуществляется по методике "ГСИ. Система измерительная светлых нефтепродуктов "СКУН-3М". Методика поверки", утвержденной ГЦИ СИ ФГУП "ВНИИМС" в марте 2012 г.
Основное поверочное оборудование для СОИ - Калибратор многофункциональный модели TRX-IIR:
- воспроизведение силы постоянного тока в диапазоне (0-24) мА, цена младшего разряда 0,001 мА, пределы допускаемой основной погрешности ± (0,01 % от показаний + 0,02 % от диапазона);
- воспроизведение импульсов напряжения с амплитудой от 0 до 24 В, диапазон частот от 0 до 20000 Гц, пределы допускаемой основной погрешности ± 1 Гц;
- измерение силы постоянного тока в диапазоне (0+52) мА, пределы допускаемой основной погрешности ± (0,01 % от показаний + 0,01 % от диапазона).
Сведения о методах измерений
изложены в руководстве по эксплуатации ПРНХ.401250.049-РЭ.
Нормативные документы
1. ГОСТ Р 8.595-2004 "ГСИ. Масса нефти и нефтепродуктов. Общие требования к методикам выполнения измерений".
2. ГОСТ Р 8.596-2002 "ГСИ. Метрологическое обеспечение измерительных систем. Основные положения".
3. Техническая документация на "СКУН-3М".
Рекомендации к применению
Смотрите также




