50137-12: TSK100 Преобразователи термоэлектрические поверхностного типа - Производители, поставщики и поверители

Преобразователи термоэлектрические поверхностного типа TSK100

ALL-Pribors default picture
Номер в ГРСИ РФ: 50137-12
Производитель / заявитель: Фирма "Endress+Hauser GmbH + Co. KG", Германия
Скачать
50137-12: Описание типа
2012-50137-12.pdf
Скачать 147.2 КБ
Свидетельство об утверждении типа СИ Открыть ...
Нет данных о поставщике
Поверка
Преобразователи термоэлектрические поверхностного типа TSK100 поверка на: www.ktopoverit.ru
КтоПоверит
Онлайн-сервис метрологических услуг

Преобразователи термоэлектрические поверхностного типа модели TSK100 (далее по тексту ╞ термопреобразователи или ТП) предназначены для измерений температуры поверхности плоских или цилиндрических твердых тел, в том числе, для измерений температуры теплообменников в трубчатых печах различной конструкции.

Информация по Госреестру

Основные данные
Номер по Госреестру 50137-12
Действует по 18.06.2017
Наименование Преобразователи термоэлектрические поверхностного типа
Модель TSK100
Характер производства Серийное
Идентификатор записи ФИФ ОЕИ a2a65f20-eb41-b1be-dbe5-b12a3de0bb56
Год регистрации 2012
Информация устарела
Общие данные
Класс СИ 32.02
Год регистрации 2012
Страна-производитель  Италия 
Информация о сертификате
Срок действия сертификата 18.06.2017
Номер сертификата 46824
Тип сертификата (C - серия/E - партия) C
Дата протокола Приказ 424 п. 01 от 18.06.2012
Производитель / Заявитель

Фирма "Endress+Hauser Sicestherm S.r.L.", ИТАЛИЯ

 Италия 

Поверка

Методика поверки / информация о поверке МП 50137-12
Межповерочный интервал / Периодичность поверки
2 года
Зарегистрировано поверок
Найдено поверителей
Успешных поверок (СИ пригодно) 7 (100%)
Неуспешных поверок (СИ непригодно) 0 (0 %)
Актуальность информации 29.03.2026
Найти результаты поверки
Указан в паспорте или на самом приборе

Поверители

КтоПоверит
Онлайн-сервис метрологических услуг
Преобразователи термоэлектрические поверхностного типа TSK100 поверка на: www.ktopoverit.ru
КтоПоверит
Онлайн-сервис метрологических услуг

Скачать

50137-12: Описание типа
2012-50137-12.pdf
Скачать 147.2 КБ
Свидетельство об утверждении типа СИ Открыть ...

Описание типа

Назначение

Преобразователи термоэлектрические поверхностного типа модели TSK100 (далее по тексту -термопреобразователи или ТП) предназначены для измерений температуры поверхности плоских или цилиндрических твердых тел, в том числе, для измерений температуры теплообменников в трубчатых печах различной конструкции.

Описание

Принцип работы термопреобразователей основан на термоэлектрическом эффекте -генерировании термоэлектродвижущей силы, возникающей из-за разности температур между двумя соединениями различных металлов или сплавов, образующих часть одной и той же цепи.

Термопреобразователи модели TSK100 конструктивно выполнены в виде измерительной вставки, защитной арматуры с различными видами технологических соединений и монтажных элементов, и клеммной головки. Измерительная вставка выполнена на основе одинарной или двойной термопары кабельного типа с изолированными (заземленными или неза-земленными) рабочими спаями с минеральной (MgO) изоляцией термоэлектродов. В конструкции монтажной части измерительной вставки ТП может быть предусмотрен компенсационный змеевик (один или несколько), сохраняющий целостность термопреобразователя в процессе температурной деформации теплообменника при измерениях в печи. Для достижения оптимального термоконтакта чувствительного элемента с поверхностью измеряемого объекта рабочий спай ТП (в защитной оболочке) может привариваться к объекту, обжиматься крепежными скобами или хомутом, или фиксироваться в специальном контактном блоке, предварительно приваренном к объекту измерения. В случаях, если рабочий спай ТП не приваривается к объекту измерений, допускается возможность демонтажа ТП. Монтаж термопреобразователей может осуществляться как снаружи, так и изнутри трубчатой печи благодаря особому исполнению присоединительной шейки, состоящей из обжимного (компрессионного) одного или двух фитингов и присоединительного элемента «ниппель-муфта» или «ниппель-муфта-ниппель».

В клеммную головку (типа ТА***) могут быть встроены один или два измерительных преобразователей (ИП) серии iTEMP TMT моделей 8*, 18* (Госреестр № 39840-08), в т.ч., и с жидко-кристаллическим дисплеем.

ТП могут иметь взрывозащищенные исполнения с видом взрывозащиты «взрывонепроницаемая оболочка» по ГОСТ Р 51330.1-99 и маркировкой «1ExdIICT6/T5».

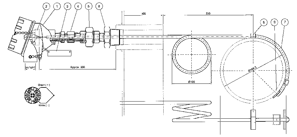
Фото общего вида термопреобразователя с прямым участком монтажной части (без компенсационного змеевика)

Чертеж термопреобразователя с компенсационным змеевиком

1 - корпус ТП; 2 - клеммный блок ТП; 3 - металлический шильдик с маркировкой; 4 -компрессорный фитинг; 5 - гайка; 6 - редуктор; 7 - защитная арматура; 8 - привариваемый хомут; 9 - привариваемая контактная пластина.

Технические характеристики

Рабочий диапазон измеряемых температур, пределы допускаемых отклонений ТЭДС от НСХ термопреобразователей по МЭК 60584-2 (ГОСТ Р 8.585-2001) в температурном эквиваленте в зависимости от типа НСХ по МЭК 60584-1 (ГОСТ Р 8.585-2001) и класса допуска приведены в таблицах 1 и 2:

Таблица 1

Условное обозначение НСХ

Класс допуска

Рабочий диапазон измеряемых температур, ОС ()

Пределы допускаемых отклонений ТЭДС от НСХ, °С

E

1

от 0 до плюс 375

св. плюс 375 до плюс 800

± 1,5

± 0,004-t

J

1

от 0 до плюс 375

св. плюс 375 до плюс 750

± 1,5

± 0,004-t

К, N

1

от 0 до плюс 375

св. плюс 375 до плюс 800

± 1,5

± 0,004-t

Таблица 2

Условное обозначение НСХ

Класс допуска

Рабочий диапазон измеряемых температур, ОС ()

Пределы допускаемых отклонений ТЭДС от НСХ, °С

E

2

от 0 до плюс 333

св. плюс 333 до плюс 900

± 2,5

± 0,0075^

J

2

от 0 до плюс 333

св. плюс 333 до плюс 750

± 2,5

± 0,0075^

К, N

2

от 0 до плюс 333 св. плюс 333 до плюс 1200

± 2,5

± 0,0075^

Примечание:

(*) Максимальная рабочая температура ТП - в зависимости от материала защитной арматуры.

Пределы допускаемой суммарной погрешности ТП и ИП ( Л, °С) вычисляются по формуле:

Л = ±V(ЛИП + ЛКОМП ) + (ЛТП ) ,

где: ЛИП - погрешность ИП (включающая, при необходимости и дополнительную погрешность), °С; ЛКОМП - погрешность схемы компенсации ИП, °С; ЛТП - отклонение от НСХ (в температурном эквиваленте) ТП, °С.

Напряжение питания (для ТП с ИП), В: ......от 8 до 40 (в зависимости от модели ИП)

Длина монтажной части термопреобразователей, мм: .............от 250 до 5000 и более

в соответствии с заказом

Диаметр монтажной части термопреобразователей, мм: .....................от 4,5 до 12,7

Электрическое сопротивление изоляции ТП при температуре (25±10)°С и относительной влажности воздуха от 30 до 80 %, МОм, не менее: ............100 (при 500 В)

Рабочие условия эксплуатации термопреобразователей:

- температура окружающей среды, °С:...........................от минус 40 до плюс 80;

- относительная влажность окружающего воздуха, %...........................................до 98

Степень защиты от влаги и пыли по ГОСТ 14254-96 (МЭК 60529): .. ..IP66, IP67, IP68

Средний срок службы, лет, не менее:............................................................5

Знак утверждения типа

Знак утверждения типа наносится на титульный лист паспорта (в правом верхнем углу) типографским способом, а также на шильдик, прикрепленный к клеммной головке ТП.

Комплектность

Термопреобразователь - 1 шт.

Паспорт (на русском языке) - 1 экз.

По дополнительному заказу: крепежные скобы, хомуты, контактный блок и другие монтажные приспособления; встраиваемый ж/к-дисплей, защитная гильза и другие аксессуары, информация о которых приведена в технической документации фирмы-изготовителя.

Поверка

осуществляется по документу МП 50137-12 «Преобразователи термоэлектрические поверхностного типа модели TSK100. Методика поверки», утвержденному ГЦИ СИ ФГУП «ВНИ-ИМС», 31.03.2011г.

Основные средства поверки:

- термопреобразователь термоэлектрический типа ТППО эталонный 2 разряда с диапазоном от плюс 300 до плюс 1200 °С;

- термометр цифровой прецизионный DTI-1000, пределы допускаемой абсолютной погрешности в диапазоне от минус 50 до плюс 650 °С: ± (0,03.0,06) °С;

- калибраторы температуры JOFRA серий ATC-R и RTC-R с общим диапазоном воспроизводимых температур от минус 48 до плюс 700 °С и нестабильностью поддержания заданной температуры ±(0,005.0,02) °С;

- малоинерционная трубчатая печь типа МТП-2М, диапазон воспроизводимых температур от плюс 300 до плюс 1200 °С;

- однозначная мера электрического сопротивления эталонная Р3030, 10 Ом, кл.0,002;

- прецизионный преобразователь сигналов «ТЕРКОН», пределы допускаемой абсолютной погрешности ± (0,0005 + 5И0-5 U) мВ;

- компаратор напряжений Р3003, кт 0,0005.

Сведения и методиках (методах) измерений приведены в соответствующем разделе паспорта на термопреобразователи.

Нормативные документы

ГОСТ Р 52931-2008 Приборы контроля и регулирования технологических процессов. Общие технические условия.

Международный стандарт МЭК 1515-95. Термопары кабельного типа (с минеральной изоляцией).

Международный стандарт МЭК 60584-1. Термопары. Часть 1. Градуировочные таблицы.

Международный стандарт МЭК 60584-2. Термопары. Часть 2. Допуски.

ГОСТ 6616-94 Преобразователи термоэлектрические. Общие технические условия.

ГОСТ Р 8.585-2001 ГСИ. Термопары. Номинальные статические характеристики преобразования.

Техническая документация фирмы-изготовителя.

ГОСТ 8.558-93 ГСИ. Государственная поверочная схема для средств измерений температуры.

Рекомендации к применению

Осуществление производственного контроля за соблюдением установленных законодательством Российской Федерации требований промышленной безопасности к эксплуатации опасного производственного объекта; выполнение работ по оценке соответствия промышленной продукции и продукции других видов, а также иных объектов установленным законодательством Российской Федерации обязательным требованиям.

Смотрите также

50138-12
iTEMP мод. TMT80, ТМТ82, ТМТ111 Преобразователи измерительные
Фирма "Endress+Hauser Wetzer GmbH + Co. KG", ГЕРМАНИЯ
Преобразователи измерительные серии iTEMP моделей TMT80, TMT82, TMT111 (далее по тексту ╞ преобразователи или ИП) предназначены для измерения и преобразования сигналов, поступающих от термопреобразователей сопротивления (ТС), термоэлектрических преоб...
Default ALL-Pribors Device Photo
50139-12
T Преобразователи термоэлектрические
Фирма "THERMO-EST SAS", ФРАНЦИЯ
Преобразователи термоэлектрические серии Т с модификациями TAR (TAR D), TC (TC D), TP (TP D), TA (TA D) (далее термопреобразователи) предназначены для измерения температуры в диапазоне от минус 200 до 1800 °С (в зависимости от типа термопары и констр...
Default ALL-Pribors Device Photo
5014-75
Фотон-1 Анализаторы
П/я В-8538, УЗБЕКИСТАН, г.Чирчик
Разрешена установочная серия до 01.10.1976 г. 50 шт.
50140-12
ТКП-100 Термометры электроконтактные
ООО НПП "ЭЛЕМЕР", РОССИЯ, г.Москва
Термометры электроконтактные ТКП-100 (далее по тексту ╞ ТКП) предназначены для измерений и контроля температуры твердых, жидких, газообразных и сыпучих сред.
Default ALL-Pribors Device Photo
Система автоматизированная информационно-измерительная коммерческого учета электроэнергии (АИИС КУЭ) ТЭЦ-1 ОАО ┌ЧМЗ√ (далее АИИС КУЭ) предназначена для измерения активной и реактивной электроэнергии потребленной за установленные интервалы времени отд...