Термометры биметаллические показывающие ТБПю, ТБП
| Номер в ГРСИ РФ: | 51087-12 |
|---|---|
| Категория: | Термометры |
| Производитель / заявитель: | ООО НПО "ЮМАС", г.Москва |
Термометры биметаллические показывающие ТБПю, ТБП (далее по тексту ╞ термометры) предназначены для измерений температуры жидких и газообразных сред, не агрессивных к материалу термобаллона термометра или защитных гильз, а также поверхности трубопроводов.
Информация по Госреестру
| Основные данные | |
|---|---|
| Номер по Госреестру | 51087-12 |
| Действует | по 20.07.2027 |
| Наименование | Термометры биметаллические показывающие |
| Модель | ТБПю, ТБП |
| Код идентификации производства |
ОС
СИ не соответствует критериям подтверждения производства на территории
РФ в соответствии с постановлением №719
|
| Характер производства | Серийное |
| Идентификатор записи ФИФ ОЕИ | e7fbc770-d966-1fe8-ed86-f6ea8d3cfd31 |
| Год регистрации | 2012 |
| Общие данные | |
|---|---|
| Год регистрации | 2012 |
| Страна-производитель | Россия |
| Информация о сертификате | |
| Срок действия сертификата | 11.09.2017 |
| Номер сертификата | 47986 |
| Тип сертификата (C - серия/E - партия) | C |
| Дата протокола | Приказ 740 п. 19 от 11.09.2012 |
Производитель / Заявитель
ООО НПО "ЮМАС", г.Москва
Россия
Поверка
| Методика поверки / информация о поверке | МП 51087-12 |
| Межповерочный интервал / Периодичность поверки |
3 года
|
| Зарегистрировано поверок |
162423
|
| Найдено поверителей | |
| Успешных поверок (СИ пригодно) | 160878 (99%) |
| Неуспешных поверок (СИ непригодно) | 1545 (1 %) |
| Актуальность информации | 02.04.2026 |
Поверители
Скачать
|
51087-12: Описание типа
2017-51087-12.pdf
|
Скачать | 172.1 КБ | |
|
51087-12: Методика поверки
2022-mp51087-12.pdf
|
Скачать | 49.2 КБ | |
| Свидетельство об утверждении типа СИ | Открыть | ... |
Описание типа
Назначение
Термометры биметаллические показывающие ТБПю, ТБП (далее по тексту -термометры) предназначены для измерений температуры жидких и газообразных сред, не агрессивных к материалу термобаллона термометра или защитных гильз, а также поверхности трубопроводов.
Описание
Принцип действия термометров основан на упругой деформации, возникающей под воздействием температуры двух прочно соединенных металлических пластин, имеющих различные температурные коэффициенты линейного расширения. При изменении температуры биметалл изгибается в сторону материала с меньшим коэффициентом линейного расширения, изгиб с помощью узла преобразуется во вращательное движение стрелки, показывающей измеряемое значение температуры по шкале термометра.
Термометры относятся к показывающим стрелочным приборам погружного типа.
Термометры состоят из круглого корпуса, в котором размещены циферблат и кинематический механизм со стрелкой, и биметаллического термочувствительного элемента в защитной трубке (термобаллона).
Термометры имеют следующие модели, различающиеся по конструктивному исполнению:
- Р - радиальное расположение термобаллона (рис. 1);
- Т - торцовое расположение термобаллона (рис. 2);
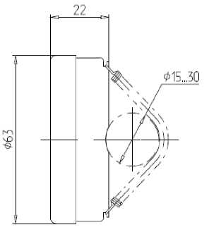
- У - универсальное расположение термобаллона, обеспечивающее вращение корпуса термометра на 360° и/или наклон его на 180° (рис. 3);
- ТИг - торцевое расположение штуцера, термобаллон в виде иглы (рис. 4);
- Тр - трубное исполнение (без термобаллона) (рис. 5).
У термометров специального исполнения, рассчитанных на эксплуатацию при температуре окружающей среды от минус 60 °С, в обозначении модели указывается нижний предел окружающей температуры.
Рис. 1 - Общий вид термометров биметаллических (радиальное исполнение - Р)
Рис. 2 - Общий вид термометров биметаллических (торцовое исполнение - Т)
Рис. 3 - Общий вид термометров биметаллических (универсальное исполнение)
Рис. 4 - Общий вид термометров биметаллических (игловое исполнение)
Рис. 5 - Общий вид термометров биметаллических (трубное исполнение)
Термометры могут быть оснащены различными сигнализирующими устройствами, а корпуса термометров могут заполняться специальными демпфирующими жидкостями.
Монтаж термометров на объектах измерений осуществляется с помощью штуцеров или с использованием защитных гильз, предохраняющих щуп термометра от воздействия агрессивных сред. Термометры исполнения Тр крепятся на объекте измерений -поверхности трубопровода при помощи скобы или прижимной пружины.
Технические характеристики
Диапазон измеряемых температур(*) и цена деления шкалы термометров представлены в таблице 1:
Таблица 1
|
Диапазон измеряемых температур, °С |
Цена деления шкалы, °С |
|
от минус 50 до плюс 50 |
1 |
|
от минус 40 до плюс 40 |
1 |
|
от минус 40 до плюс 60 |
1 |
|
от минус 30 до плюс 50 |
1 |
|
от минус 30 до плюс 70 |
1 |
|
от минус 20 до плюс 40 |
1 |
|
от минус 20 до плюс 60 |
1 |
|
от минус 20 до плюс 80 |
1 |
|
от 0 до плюс 60 |
1 |
|
от 0 до плюс 80 |
1 |
|
от 0 до плюс 100 |
1 |
|
от 0 до плюс 120 |
2 |
|
от 0 до плюс 160 |
2 |
|
от 0 до плюс 200 |
2 |
|
от 0 до плюс 250 |
5 |
|
от 0 до плюс 300 |
5 |
|
от 0 до плюс 350 |
5 |
|
от 0 до плюс 400 |
5 |
|
от 0 до плюс 500 |
5 |
|
от 0 до плюс 600 |
10 |
Примечание:
(*) По специальному заказу термометры могут быть изготовлены:
- с диапазонами измеряемых температур, которые отличаются от приведенных в таблице, но находятся внутри диапазона от минус 50 до плюс 600 °С;
- с ценой деления шкалы отличной от указанной в таблице 1.
Пределы допускаемой приведенной погрешности термометров, выраженные в процентах диапазона измерений, в зависимости от класса точности, соответствуют указанным в таблице 2.
Таблица 2
|
Класс точности |
Пределы допускаемой приведенной погрешности, % |
|
1,0 |
+1,0 |
|
1,5 |
+1,5 |
|
2,5 |
+2,5 |
|
4,0 |
+4,0 |
Вариация показаний термометров не превышает значений предельно допустимой приведенной погрешности.
Диаметр корпуса, мм: ............................................................40; 50; 63; 80; 100; 160
Диаметр термобаллона, мм: .................................................................4; 6; 8; 9; 10
Длина монтажной части, мм: ...................от 40 до 450 (и более по специальному заказу)
Средний срок службы не менее, лет:....................................................................12
Рабочие условия эксплуатации:
- температура окружающей среды, °С: от минус 40 (от минус 60 - термометры специальных исполнений) до плюс 60;
- относительная влажность при температуре плюс 40 °С, %, не более .................98.
Знак утверждения типа
Знак утверждения типа наносится на титульный лист паспорта (в правом верхнем углу) типографским способом.
Комплектность
Термометр - 1 шт.;
Паспорт - 1 экз.;
Методика поверки - 1 экз. (на партию термометров при поставке в один адрес).
По дополнительному заказу: защитная гильза, монтажные приспособления, сигнализирующие устройства.
Поверка
осуществляется по документу МП 51087-12 «Термометры биметаллические
показывающие ТБПю, ТБП. Методика поверки», разработанному и утверждённому ГЦИ СИ ФГУП «ВНИИМС», 25.10.2011г.
Основные средства поверки:
- термометр цифровой прецизионный DTI-1000, пределы допускаемой абсолютной погрешности: ±0,031 °С в диапазоне температур от минус 50 до плюс 400 °С, ±0,061 °С в диапазоне температур св. плюс 400 до плюс 650 °С;
- термостаты жидкостные прецизионные переливного типа моделей ТПП-1.1, ТПП-1.2 с диапазоном воспроизводимых температур от минус 60 до плюс 100 °С и нестабильностью поддержания заданной температуры ±(0,004.. .0,01) °С;
- термостат жидкостной «ТЕРМОТЕСТ-300» с диапазоном воспроизводимых температур от плюс 100 до плюс 300 °С и нестабильностью поддержания заданной температуры ±(0,01.0,02) °С;
- калибраторы температуры модели АТС-650А/В с диапазоном воспроизводимых температур от плюс 33 до плюс 650 °С, нестабильностью поддержания заданной температуры ±0,02 °С, и погрешностью воспроизведения заданной температуры: ±(0,11.0,35) °С.
Сведения о методиках (методах) измерений приведены в соответствующем разделе паспорта на термометры.
Нормативные документы
ГОСТ Р 52931-2008 Приборы контроля и регулирования технологических процессов. Общие технические условия.
ТУ 4212-001-62100924-2010 Манометры МПю, ЭкМю, термометры ТБПю, ТЖСТю, и вспомогательная арматура к ним. Технические условия.
ГОСТ 8.558-93 ГСИ. Государственная поверочная схема для средств измерений
температуры.
Рекомендации к применению
Осуществление производственного контроля за соблюдением установленных законодательством Российской Федерации требований промышленной безопасности к эксплуатации опасного производственного объекта; выполнение работ по оценке соответствия промышленной продукции и продукции других видов, а также иных объектов установленным законодательством Российской Федерации обязательным требованиям.
Другие Термометры




