Комплексы информационно-измерительные UTG-12
| Номер в ГРСИ РФ: | 51787-12 |
|---|---|
| Производитель / заявитель: | ООО "РАЦИОНАЛ", г.Химки |
Комплексы информационно-измерительные UTG-12 (далее ╞ комплексы) предназначены для измерений и регистрации параметров потока горячей и холодной воды, тепловой энергии, параметров потока природного газа, объема природного газа в рабочих и в стандартных условиях, электроэнергии (с дифференциациейпо времени суток) в котельных и когенерационных установках РАЦИОНАЛ.
Информация по Госреестру
| Основные данные | |
|---|---|
| Номер по Госреестру | 51787-12 |
| Действует | по 20.11.2017 |
| Наименование | Комплексы информационно-измерительные |
| Модель | UTG-12 |
| Характер производства | Серийное |
| Идентификатор записи ФИФ ОЕИ | 013f03d2-719e-4415-154b-b8d03007c7a2 |
| Год регистрации | 2012 |
| Общие данные | |
|---|---|
| Год регистрации | 2012 |
| Страна-производитель | Россия |
| Информация о сертификате | |
| Срок действия сертификата | 20.11.2017 |
| Номер сертификата | 48832 |
| Тип сертификата (C - серия/E - партия) | C |
| Дата протокола | Приказ 1045 п. 01 от 20.11.2012 |
Производитель / Заявитель
ООО ПК "РАЦИОНАЛ", РОССИЯ, Липецкая обл., Казинский с/с; ООО "РАЦИОНАЛ", РОССИЯ, г.Химки
Россия
Поверка
| Методика поверки / информация о поверке | UTG-12.0001.00.00-МП |
| Межповерочный интервал / Периодичность поверки |
4 года
|
| Зарегистрировано поверок | |
| Найдено поверителей | |
| Успешных поверок (СИ пригодно) | 7 (100%) |
| Неуспешных поверок (СИ непригодно) | 0 (0 %) |
| Актуальность информации | 08.02.2026 |
Поверители
Скачать
|
51787-12: Описание типа
2012-51787-12.pdf
|
Скачать | 176.3 КБ | |
| Свидетельство об утверждении типа СИ | Открыть | ... |
Описание типа
Назначение
Комплексы информационно-измерительные UTG-12 (далее - комплексы) предназначены для измерений и регистрации параметров потока горячей и холодной воды, тепловой энергии, параметров потока природного газа, объема природного газа в рабочих и в стандартных условиях, электроэнергии (с дифференциацией по времени суток) в котельных и когенерационных установках РАЦИОНАЛ.
Описание
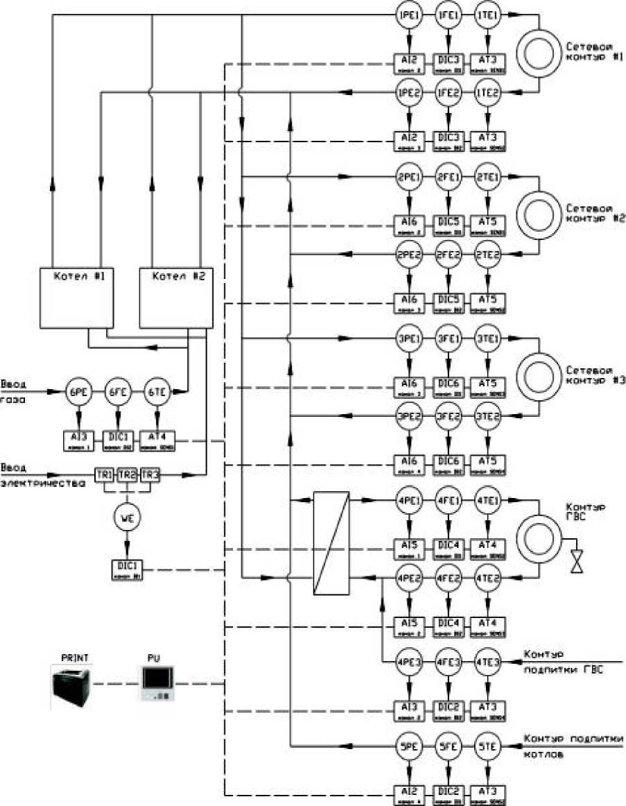
Комплексы информационно-измерительные UTG-12 состоит из первичных преобразователей (давления, объема, температуры и электрической энергии) модулей ввода/вывода (преобразователей физических величин в цифровой вид), панели управления и печатающего устройства.
Панель управления и модули ввода/вывода располагаются в шкафу системы автоматического управления технологической установкой. Печатающее устройство располагается в помещении, где расположена технологическая установка. Первичные преобразователи располагаются непосредственно на трубопроводах.
В комплексах предусмотрены каналы, измеряющие:
• давление воды в подающем трубопроводе;
• температуру воды в подающем трубопроводе;
• объем воды, прошедшей через подающий трубопровод;
• давление теплоносителя в обратном трубопроводе;
• температуру воды в обратном трубопроводе;
• объем воды, прошедшей через обратный трубопровод;
• давление воды в трубопроводе подпитки горячего водоснабжения (ГВС);
• температуру воды в трубопроводе подпитки ГВС;
• объем воды, прошедшей через трубопровод подпитки ГВС;
• давление воды в трубопроводе подпитки котлов;
• температуру воды в трубопроводе подпитки котлов;
• объем воды, прошедшей через трубопровод подпитки котлов;
• давление природного газа;
• температуру природного газа;
• объем природного газа;
• электрическую энергию, потребленную установкой
Количество обслуживаемых трубопроводов конфигурируется на заводе-изготовителе при конфигурации системы управления котельных и когенерационных установок РАЦИОНАЛ и в дальнейшем не может быть изменено конечным пользователем.
Комплексы поставляется комплектно с котельными и когенерационными установками РАЦИОНАЛ и является неотъемлемой частью системы автоматического управления этими установками. Отдельно от котельных и когенерационных установок РАЦИОНАЛ комплексы не поставляются.
Комплексы и их составные части удовлетворяют следующим требованиям:
• устойчивы к воздействию постоянных магнитных полей и (или) переменных полей сетевой частоты напряженностью до 40 А/м;
• по устойчивости и (или) прочности к воздействию синусоидальных вибраций соответствуют исполнениям N1, N2 по ГОСТ 12997-84;
• по устойчивости к воздействию атмосферного давления соответствуют исполнениям PI по ГОСТ 12997-84.
При отключении сетевого питания информация сохраняется не менее 1000 ч.
Электропитание комплексов и их составных частей осуществляется от блока бесперебойного питания постоянного тока напряжением 24В, установленного в шкафу управления технологической установки РАЦИОНАЛ.
Программное обеспечение (ПО)
Программное обеспечения (ПО) выполняет вычисление:
• тепловой энергии в сетевых контурах;
• тепловой энергии в открытом контуре ГВС;
• количества воды;
• плотности и энтальпии воды;
• количества воды и тепловой энергии сетевого контура;
• количества воды и тепловой энергии контура ГВС;
• количества природного газа
• электрической энергии
Программное обеспечение комплексов контролирует выход измеряемых значений давления, температуры, объема природного газа и объема воды за допустимые пределы измерения первичных преобразователей и формирует диагностическое сообщение, которое заносится в архив нештатных ситуаций.
Идентификационные данные программного обеспечения (ПО)
|
Наименование ПО |
Идентификационное наименование ПО |
Номер версии (идентификационный номер) ПО |
Цифровой идентификатор ПО (контрольная сумма исполняемого кода) |
Алгоритм вычисления цифрового идентификатора ПО |
|
программа комплекса информационноизмерительного комплекса UTG-12 |
UTG-12 |
1.3.0.110896 |
110896 |
Суммарный объем исполняемого модуля UTG12 |
Уровень защиты ПО от непреднамеренных и преднамеренных изменений в соответствии с МИ 3286-2010 - С.
Схема пломбирования комплексов приведена на Рис. 1
Место установки пломбы и поверительного клейма на контроллер.
Место установки пломбы на преобразователь температуры
Место установки пломбы на преобразователь давления
Место установки пломбы на преобразователь объема газа
Место установки пломбы на преобразователь объема воды
Рис. 1 Схема пломбирования комплекса
Структурная схема комплексов приведена на схеме 1.
Состав ИИК комплексов приведен в таблице 2.
Схема 1.
Состав измерительных каналов комплексов Таблица 2
|
ИК объема природного газа и воды | ||||||||
|
Первичный п |
реобразователь |
Модуль ввода-вывода |
Панель управления | |||||
|
Наименование |
Смотрите также51788-12
Алтайка мод. 1КЭД, 2КЭД
Колонки топливораздаточные
ООО "АлтайСпецИзделия", РОССИЯ, г.Барнаул
Колонки топливораздаточные ┌Алтайка√ модификации 1КЭД, 2КЭД (далее ╞ колонки), предназначены для измерений объема топлива (бензин, керосин, дизельное топливо) вязкостью от 0,55 мм2/с до 40 мм2/с (от 0,55 сСт до 40 сСт) при выдаче его в топливные баки...
Газоанализаторы АДГ-МК предназначены для измерений объемной доли кислорода (ОДК) в отходящих дымовых газах котлоагрегатов.
Теплосчетчики EW447, EW448, EW449, EW450, EW451, EW452 (далее - теплосчетчик) предназначены для измерения объема, объемного расхода, температуры, разности температур прямого и обратного потоков теплоносителя (вода) и вычисления количества тепловой э...
| |||||||
