53153-13: Система контроля уровня воды Филиала ОАО "РусГидро" - "Волжская ГЭС" - Производители, поставщики и поверители

Система контроля уровня воды Филиала ОАО "РусГидро" - "Волжская ГЭС"

ALL-Pribors default picture
Номер в ГРСИ РФ: 53153-13
Производитель / заявитель: Филиал ОАО "РусГидро" - "Волжская ГЭС", г.Волжский
Скачать
53153-13: Описание типа
2013-53153-13.pdf
Скачать 96.7 КБ
Свидетельство об утверждении типа СИ Открыть ...
Нет данных о поставщике
Поверка
Система контроля уровня воды Филиала ОАО "РусГидро" - "Волжская ГЭС" поверка на: www.ktopoverit.ru
КтоПоверит
Онлайн-сервис метрологических услуг

Информация по Госреестру

Основные данные
Номер по Госреестру 53153-13
Наименование Система контроля уровня воды Филиала ОАО "РусГидро" - "Волжская ГЭС"
Характер производства Единичное
Идентификатор записи ФИФ ОЕИ b6c0e2e3-eec0-16be-7306-d037c3a04b56
Испытания
Дата Модель Заводской номер
зав.№ ВЖ 00000С17046
Год регистрации 2013
Информация устарела
Общие данные
Год регистрации 2013
Страна-производитель  Россия 
Информация о сертификате
Срок действия сертификата ..
Тип сертификата (C - серия/E - партия) E
Дата протокола Приказ 343 п. 05 от 04.04.2013
Производитель / Заявитель

Филиал ОАО "РусГидро" - "Волжская ГЭС", РОССИЯ, г.Волжский

 Россия 

Поверка

Методика поверки / информация о поверке МП 53153-13
Межповерочный интервал / Периодичность поверки
5 лет
Зарегистрировано поверок
Найдено поверителей
Успешных поверок (СИ пригодно) 1 (100%)
Неуспешных поверок (СИ непригодно) 0 (0 %)
Актуальность информации 29.03.2026
Найти результаты поверки
Указан в паспорте или на самом приборе

Поверители

КтоПоверит
Онлайн-сервис метрологических услуг
Система контроля уровня воды Филиала ОАО "РусГидро" - "Волжская ГЭС" поверка на: www.ktopoverit.ru
КтоПоверит
Онлайн-сервис метрологических услуг

Скачать

53153-13: Описание типа
2013-53153-13.pdf
Скачать 96.7 КБ
Свидетельство об утверждении типа СИ Открыть ...

Описание типа

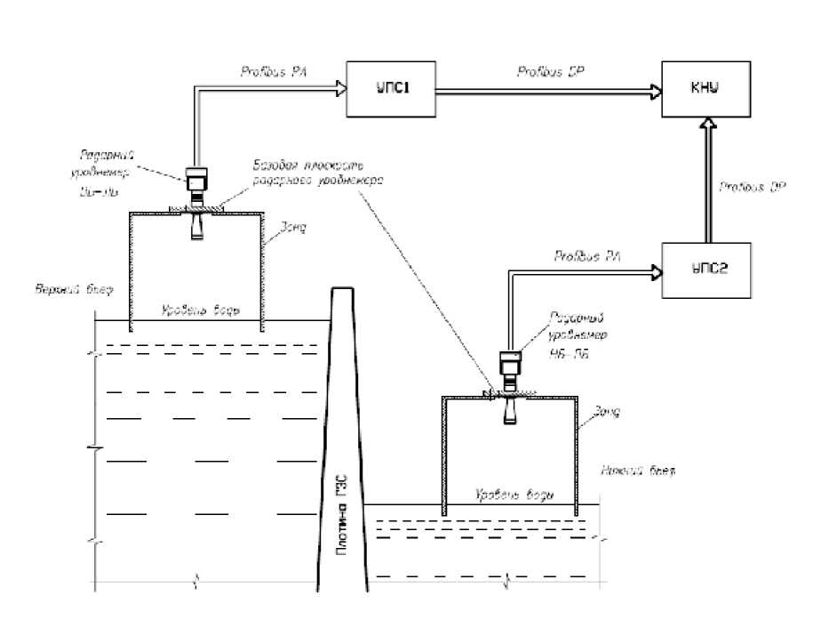
Назначение

Система контроля уровня воды Филиала ОАО «РусГидро»-«Волжская ГЭС» (СКУВ) предназначена для измерения уровней воды в точках контроля верхнего (ВБ) и нижнего (НБ) бьефов и передачи результатов измерений в смежные автоматизированные системы для отображения и архивирования информации.

Описание

СКУВ Волжской ГЭС представляет собой двухуровневую измерительную систему с централизованным управлением и с дистанционной передачей показаний в смежные автоматизированные системы.

Основными задачами СКУВ являются сбор и диагностическая обработка информации об измеренных значениях уровня воды, контроля исправности датчиков, обеспечение интерфейсов доступа к этой информации.

Контрольные точки измерения уровней воды в системе:

- колодец в разделительной стенке верхнего бьефа левого берега (ВБ-ЛБ);

- колодец в подпорной стенке нижнего бьефа правого берега (НБ-ПБ).

СКУВ имеет двухуровневую структуру.

Первый (нижний) уровень - измерительное оборудование - зонды с входящими в их состав датчиками измерения уровня воды и кабели связи со вторым уровнем системы по интерфейсу с протоколом PROFIBUS-РА.

Второй уровень - средства приема и передачи данных, состоящие из устройств преобразования сигналов (УПС1 и УПС2) и программируемого логического контроллера нижнего уровня (КНУ) на базе устройств распределенного ввода-вывода ET 200M. УПС1 и УПС2 преобразуют интерфейс PROFIBUS-РА в PROFIBUS-DP и передают данные в КНУ.

КНУ осуществляет циклический опрос датчиков измерительных зондов (цикл опроса 180 с), диагностику неисправностей датчиков и передачу измерительной информации в смежные автоматизированные системы (АКСУ ГА (автоматизированная комплексная система управления гидроагрегатами) и СТИТС (система телеизмерений и телесигнализации)) по цифровым интерфейсам (PROFIBUS-DP, MODBUS RTU, SIMATIC S7).

В качестве первичных измерительных преобразователей используются уровнемеры микроволновые бесконтактные типа VEGAPULS 62 (Госреестр № 27283-12), установленные в зондах, специально разработанных для каждой точки контроля.

Для получения уровней в отметках Балтийской системы высот, уровнемеры VEGAPULS 62 осуществляют пересчет путем сложения измеренных значений уровня с расстояниями от базовых плоскостей уровнемеров до нулевой отметки ГЭС.

Структурная схема системы контроля уровня воды Филиала ОАО «РусГидро» «Волжской ГЭС» показана на рисунке 1.

Рисунок 1 Структурная схема системы контроля уровня воды Филиала ОАО «РусГидро»-«Волжская ГЭС»

Программное обеспечение (ПО) СКУВ состоит из встроенного ПО уровнемеров VEGAPULS 62, являющегося метрологически значимым (см. его идентификационные данные в таблице 1). ПО контроллеров КНУ и преобразователей сигналов УПС1 и УПС2.

Все метрологически значимые вычисления выполняются ПО уровнемеров, метрологические характеристики которых нормированы с учетом влияния на них встроенного ПО.

Таблица 1 Идентификация ПО СКУВ

Наименование ПО

Идентификационное наименование ПО

Номер версии

Цифровой идентификатор ПО

Алгоритм вычисления цифрового идентификатора ПО

ПО радарного уровнемера VEGAPULS 62

Sensor software -VEGAPULS series 60 with        electronics

Profibus PA

4.5.0

2BCA 1E6E

CRC64

ПО контроллеров КНУ и преобразователей сигналов УПС1 и УПС2 не позволяет вносить изменения в ПО. Для защиты конфигурационных параметров ИК от несанкционированного доступа в системе предусмотрен физический контроль доступа

(запираемые помещения и шкафы, доступ к которым требует авторизации) и программная защита от несанкционированного доступа к настройкам уровнемеров VEGAPULS 62 (паролем) и контроллера с классом «С» защиты ПО по МИ 3286-2010.

Технические характеристики

Таблица 2 Основные метрологические и технические характеристики системы

Наименование ИК

Контрольная точка ИК (место установки датчика)

Измеряемый перепад уровня, м

Базовая плоскость уровнемера в Балтийской системе высот*, м

Диапазон измерений ИК в Балтийской системе высот, м

Тип, заводской номер датчика

Уровень воды в верхнем бьефе (ВБ-ЛБ)

в колодце в разделительной стенке верхнего бьефа (ВБ-ЛБ)

0 - 10

17,836

от 17,836 до 7,836

VEGAPULS 62 № 21966915

Уровень воды в нижнем бьефе (НБ-ПБ)

в колодце в подпорной стенке нижнего бьефа (НБ-ПБ)

0 - 15

1,240

от 1,240 до минус 13,760

VEGAPULS 62 № 21966914

* расстояние от базовой плоскости радарного уровнемера до нулевой отметки ГЭС уточняется по результатам нивелирования.

Пределы абсолютной погрешности измерения уровня воды ±10 мм (в рабочем диапазоне температур).

Рабочие условия применения компонентов системы.

температура окружающего воздуха, °С        от 0 до плюс 40

относительная влажность, %                  от 5 до 95

атмосферное давление, кПа                   от 84,0 до 106,7

Знак утверждения типа

Знак утверждения типа наносится типографским способом на титульный лист руководства по эксплуатации.

Комплектность

В комплект поставки входят:

- первичные измерительные преобразователи, контроллер, входящие в состав системы согласно проекту;

- предустановленное программное обеспечение уровнемеров;

- комплект эксплуатационной документации на систему;

- комплект эксплуатационной документации на компоненты системы;

- методика поверки «Система контроля уровня воды Филиала ОАО «РусГидро» -«Волжская ГЭС». Методика поверки».

Поверка

осуществляется по документу МП 53153-13 «Система контроля уровня воды Филиала ОАО «РусГидро» - «Волжская ГЭС». Методика поверки», утвержденному ГЦИ СИ ФГУП «ВНИИМС» в феврале 2013 г.

Перечень основного оборудования для поверки:

- дальномер лазерный Leica Disto A6; погрешность измерений ±1,5 мм в диапазоне от 0,05 до 30 м.

Сведения о методах измерений

Метод измерений приведён в документе «Система контроля уровня воды Филиала ОАО «РусГидро» - «Волжская ГЭС». Методика измерений.

Нормативные документы

ГОСТ Р 8.596-2002     Системы   информационно-измерительные.   Метрологическое

обеспечение. Общие положения.

РД 153-34.2-21.563-00 Правила учета стока воды на гидроэлектрических станциях

РД 153-34.2-21.564-00 Методические   указания   по учету стока воды на

гидроэлектрических станциях

Рекомендации к применению

- осуществление деятельности в области гидрометеорологии.

Смотрите также

53154-13
моделей Ceveron-alpha и Ceveron-alpha TGA Анализаторы коагулологические автоматические
Фирма Technoclone Herstellung von Diagnostika und Arzneimitten GmbH (Technoclone GmbH), Австрия
Default ALL-Pribors Device Photo
53155-13
АС… Установки проливные
ООО "НПП "Центр Энергоучета", УКРАИНА, г.Киев
53157-13
ПИК-ПП Анализаторы газопроницаемости и пористости
ЗАО "Геологика", РОССИЯ, г.Новосибирск