53155-13: АС… Установки проливные - Производители, поставщики и поверители

Установки проливные АС…

ALL-Pribors default picture
Номер в ГРСИ РФ: 53155-13
Производитель / заявитель: ООО "НПП "Центр Энергоучета", Украина, г.Киев
Скачать
53155-13: Описание типа
2013-53155-13.pdf
Скачать 112.8 КБ
Свидетельство об утверждении типа СИ Открыть ...
Нет данных о поставщике
Поверка
Установки проливные АС… поверка на: www.ktopoverit.ru
КтоПоверит
Онлайн-сервис метрологических услуг

Информация по Госреестру

Основные данные
Номер по Госреестру 53155-13
Действует по 04.04.2018
Наименование Установки проливные
Модель АС…
Характер производства Серийное
Идентификатор записи ФИФ ОЕИ 6f878e52-df6e-f1ee-31e7-ffffce69f591
Год регистрации 2013
Информация устарела
Общие данные
Год регистрации 2013
Страна-производитель  Украина 
Информация о сертификате
Срок действия сертификата 04.04.2018
Тип сертификата (C - серия/E - партия) C
Дата протокола Приказ 343 п. 08 от 04.04.2013
Производитель / Заявитель

ООО "НПП "Центр Энергоучета", УКРАИНА, г.Киев

 Украина 

Поверка

Методика поверки / информация о поверке ЦЕ 00.00.001 МП
Межповерочный интервал / Периодичность поверки
1 год
Зарегистрировано поверок
Найдено поверителей
Успешных поверок (СИ пригодно) 47 (100%)
Неуспешных поверок (СИ непригодно) 0 (0 %)
Актуальность информации 29.03.2026
Найти результаты поверки
Указан в паспорте или на самом приборе

Поверители

КтоПоверит
Онлайн-сервис метрологических услуг
Установки проливные АС… поверка на: www.ktopoverit.ru
КтоПоверит
Онлайн-сервис метрологических услуг

Скачать

53155-13: Описание типа
2013-53155-13.pdf
Скачать 112.8 КБ
Свидетельство об утверждении типа СИ Открыть ...

Описание типа

Назначение

Установки проливные АС. (далее - установки) предназначены для измерения объема и массы воды, протекающей по трубопроводу при поверке счетчиков воды.

Описание

Принцип действия установок основан на создании в напорном трубопроводе, в котором установлены счетчики, (расходомеры-счетчики, преобразователи объема), потока воды с установленным стабилизированным объемным (массовым) расходом и измерении объема (массы) воды при помощи рабочих эталонов. В основе работы установок лежит принцип циркуляции воды по замкнутому контуру.

В состав установок входят:

- узел хранения воды;

- узел создания потока и стабилизации расхода;

- испытательный участок (монтажный стол), в который монтируются счетчики (расходомеры-счетчики, преобразователи объема);

- узел регулирования расхода;

- рабочие эталоны - расходомеры счетчики и (или) весы;

- персональный компьютер (по заказу);

- компрессор (по заказу).

Модификации установок отличаются номинальными диаметрами подводящих и отводящих трубопроводов испытательного участка и номинальными диаметрами устанавливаемых счетчиков, габаритными размерами и массой, а исполнения - количеством рабочих эталонов (расходомеры-счетчики, весы), входящих в состав установки, максимальной температурой воды, а также диапазоном измерения объема (массы) воды. Модификация установок АС-20 изготавливается в переносном исполнении, предназначенном для поверки счетчиков воды на месте их эксплуатации.

Установки применяются для определения или контроля метрологических характеристик счетчиков, расходомеров-счетчиков, преобразователей объема жидкости (воды) при проведении их испытаний, поверки и калибровки.

Пример условного обозначения установки:

АС - Х(Х)- В/Х. Х- С/Х. Х

сличения

| Верхняя граница диапазона объемных расходов при работе методом

Нижняя граница диапазона объемных расходов при работе методом сличения

Наличие в составе установки рабочих эталонов - расходомеров-счетчиков

Верхняя граница диапазона объемных расходов при работе методом измерения массы

Нижняя граница диапазона объемных расходов при работе методом измерения массы

Наличие в составе установки рабочих эталонов - весов

Максимальное значение диаметра поверяемых счетчиков (при установленных переходниках)

Номинальное значение диаметра подводящих и отводящих трубопроводов монтажного стола

Наименование проливной установки, зарегистрированное в Государственном реестре

Для создания необходимого запаса воды в системе и ее естественной деаэрации служит оборотный бак. Бак снабжен одним или несколькими выходными патрубками, через которые вода подается к одному или нескольким насосам. Регулировка потока в системе осуществляется частотно-регулируемым приводом двигателя насосов, стабилизация производится в ресивере-деаэраторе. Вода подается через расположенный в нижней части деаэратора трубопровод в его верхнюю часть, а отводится в систему трубопроводов установки из нижней части. В верхней части деаэратора расположен постоянно открытый патрубок сброса непосредственно в оборотный бак.

Из деаэратора вода через систему задвижек поступает к блоку рабочих эталонов (расходомеры-счетчики - от 1-го до 2-х штук в зависимости от модификации и исполнения). Сигнал от блока рабочих эталонов передается на контроллер установки. В зависимости от модификации и исполнения рабочие эталоны - расходомеры-счетчики могут монтироваться с помощью быстросъемных муфт, что позволяет проводить их демонтаж вместе с участками трубопровода стабилизирующими поток. За успокаивающими участками рабочих эталонов расположены регулирующие расход задвижки (количество определяется исполнением установки).

Измерение температуры воды осуществляется с помощью датчика температуры, сигнал от которого передается на контроллер и, далее на компьютер. Выбор необходимого рабочего эталона счетчика-расходомера производится с помощью отсекающих задвижек с исполнительными механизмами, управление которыми осуществляет контроллер.

Управление началом и окончанием измерений, а также регулирование расхода осуществляется с помощью осекающих и регулирующих задвижек, а также частотного регулятора.

В зависимости от модификации и исполнения установки могут оснащаться перекидными устройствами, которые обеспечивают изменение направления потока воды при работе методом измерения массы весовым устройством и методом измерения объема с помощью эталонных расходомеров-счетчиков. Вода поступает непосредственно в оборотный бак установки (при работе методом сличения), либо в бак, установленный на весах (при работе методом измерения массы).

Наименование, версия и характеристики программного обеспечения приведены в таблице 1.

Таблица 1

Наименование программного обеспечения

Идентифика-ционое наименование программного обеспечения

Номер версии (идентификационный номер) программного обеспечения

Цифровой идентификатор программного обеспечения (контрольная сумма исполняемого кода)

Алгоритм вычисления цифрового идентификатора программного обеспечения

Программа «Poverka»

Ch11_xmega.h ex

11

09569db653dfa383481 336bd9413494d4b9c87 c17868ed3abd4d35b0b cb7a16c

ГОСТ Р

34.11-94

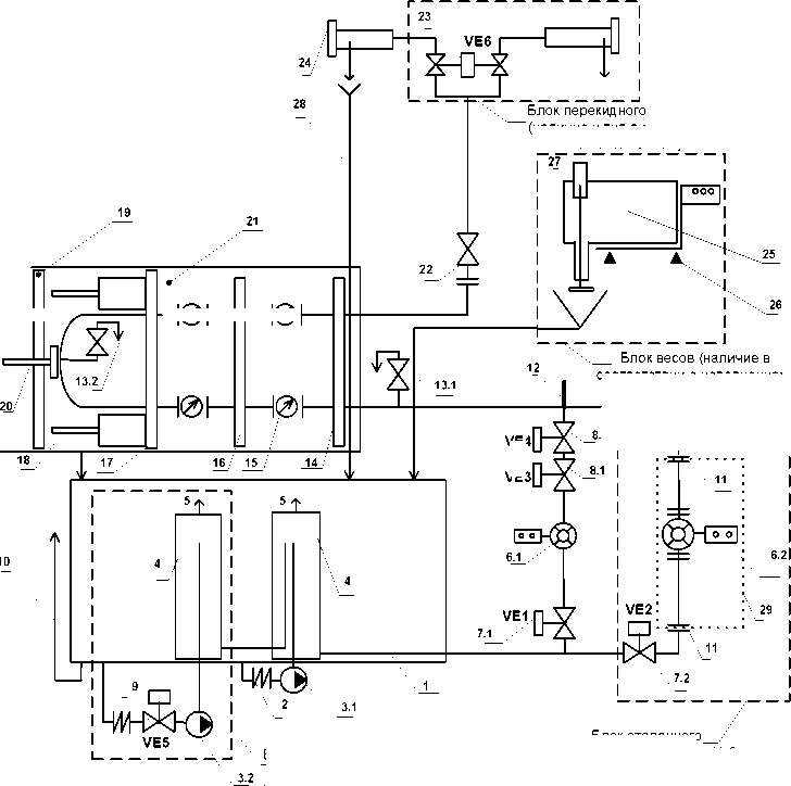
Гидравлическая схема установки приведена на рисунке 1.

Рисунок 1. Схема гидравлическая принципиальная.

Н01--101

VE4

VE3

.2

Блок повысительного насоса (наличие и количество в соответствии с исполнением)

Блок эталонного расходомера-счетчика №2 (наличие в соответствии с исполнением)

(наличие и тип в соответствии с исполнением)

соответствии с исполнением)

1 - оборотный бак;

2 - гибкая вставка подключения насоса;

3.1 - насос с управлением от частотного регулятора;

3.2 - насос дополнительный (от 0 до 3 шт., наличие в соответствии с исполнением);

4 - ресивер - деаэратор;

5 - сброс воздуха из аэратора;

6.1- эталонный расходомер-счетчик №1 (наличие в соответствии с исполнением);

6.2- эталонный расходомер-счетчик №2 (наличие в соответствии с исполнением);

7.1 - старт-стопный кран VE1 ;

7.2 - старт-стопный кран VE2 (при наличии расходомера №2);

8.1 - кран регулировки расхода VE3;

8.2 - дополнительный кран регулировки расхода VE4 (от 0 до 2 шт., наличие в соответствии с исполнением);

9 - кран VE5 отсекания дополнительного насоса (при наличии насоса);

10 - гидроуровень оборотного бака (слив)

11 - муфта съемного блока расходомера №2;

12 - датчик температуры;

13. 1- кран сброса воздуха на входе;

13. 2 - кран сброса воздуха на выходе;

14 - неподвижный фланец;

15 - поверяемый прибор;

16 - проставка;

17 -подвижный фланец;

18 -пневмоцилиндр зажима;

19 - опора подвижная;

20 - механический блокиратор;

21 - испытательный участок;

22 - кран выхода испытательного участка;

23 - перекидное (переливное) устройство;

24 - смотровое окно;

25 - весы со стойкой (наличие в соответствии с исполнением);

26 - бак весов (при наличии весов);

27 - донный клапан бака весов (при наличии весов);

28 - слив главный;

29 - съемный узел эталонного расходомера-счетчика №2 с прямыми участками.

Технические и метрологические характеристики установок приведены в таблицах 2, 3.

Таблица 2 - Технические и метрологические характеристики установок модификаций АС-15, АС-20, АС-20(25), АС-40, АС-50

Наименование технических и метрологических характеристик

Нормированные значения характеристик для модификаций

Модификация установок

АС-15

АС-20

АС-20(25)

АС-40

АС-50

Диапазон воспроизводимых расходов, м3/ч

от 0,005 до 1,5

от 0,005 до 2,5

от 0,005 до 5,0

от 0,03 до 16,0

от 0,005 до 25,0

Минимальный воспроизводимый объемный расход, q min, м3/ч (в соответствии с исполнением)

0,005 0,03

0,005 0,03

0,005 0,03

0,005 0,03

0,005 0,03

Максимальный   воспроизводимый

объемный расход, q min, м3/ч

1,5

2,5

5,0

16,0

25,0

Предел допускаемой основной относительной погрешности каналов эталонных расходомеров-счетчиков при измерении объема воды, %

± 0,2

Предел допускаемой основной относительной погрешности весового устройства при измерении массы воды, %

± 0,05

Нижний предел измерений весов, кг

4

8

Верхний предел измерений весов, кг

40

100

Класс точности весов, входящих в состав установок

Средний (высокий - в зависимости от исполнения) по EN 45501 Неавтоматические взвешивающие приборы

Дискретность весов (цена деления), г

1

2

Точность автоматической настройки на заданный расход, %, не более

± 5

Рабочая жидкость - вода с параметром давления в трубопроводе, МПа

не более 0,6

Номинальные диаметры поверяемых приборов, мм

15

от 15

до 20

от 15 до 25

от 15

до 40

от 15

до 50

Стабильность объемного (массового) расхода, %

± 2

Температура рабочей среды, °С

от 10 до 30 (до 55 для гарячеводного исполнения)

Пределы допускаемой абсолютной погрешности измерений температуры, °С

± 0,5

Питание установок от сети переменного тока частотой 50 Гц и номинальным напряжением, В

от 198 до 253

или от 342 до 437

от 342 до 437

Габаритные размеры установки, м, не более

1,7x 0,5 x1,4

2,2x 0,7 x 2,0

Потребляемая мощность, не более, кВт

0,55

0,75

1,2

2,0

2,2

Средняя наработка на отказ, ч

20000

Таблица 3 - Технические и метрологические характеристики установок модификаций АС-50(80), АС-80, АС 100, АС 100(150)

Наименование технических и метрологических характеристик

Нормированные значения характеристик для модификаций

Модификация установок

АС-50(80)

АС-80

АС 100

АС 100(150)

Диапазон воспроизводимых расходов, м3/ч

от 0,005 до 45,0

от 0,005 до 90,0

от 0,3 до 180,0

от 0,3 до 240,0

Минимальный    воспроизводимый

объемный расход, q min, м3/ч (в соответствии с исполнением)

0,005 0,03

0,005 0,03

0,3

0,3

Максимальный   воспроизводимый

объемный расход, q min, м3/ч

45,0

90,0

180,0

240,0

Предел допускаемой основной относительной погрешности каналов эталонных расходомеров-счетчиков при измерении объема воды, %

± 0,2

Предел допускаемой основной относительной погрешности весового устройства при измерении массы воды, %

± 0,05

Нижний предел измерений весов, кг

8

800

2000

Верхний предел измерений весов, кг

100

2000

3000

Класс точности весов, входящих в состав установок

Средний (высокий - в зависимости от исполнения) по EN 45501 Неавтоматические взвешивающие приборы

Дискретность весов (цена деления), г

2

200

500

Точность автоматической настройки на заданный расход, %, не более

± 5

Рабочая жидкость - вода с параметром давления в трубопроводе, МПа

не более 0,6

Номинальные диаметры поверяемых приборов, мм

от 15 до 80

от 50 до 100

от 50 до 150

Стабильность объемного (массового) расхода, %

± 2

Температура рабочей среды, °С

от 10 до 30 (до 55 для гарячеводного исполнения)

Пределы допускаемой абсолютной погрешности измерений температуры, °С

± 0,5

Питание установок от сети переменного тока частотой 50 Гц и номинальным напряжением, В

от 342 до 437

Габаритные размеры установки, м, не более

2,2x0,7x2,0

4,0x0,7x2,0

8x2,3x3,0

Потребляемая мощность, не более, кВт

5,0

10,0

15,0

25,0

Средняя наработка на отказ, ч

20000

Знак утверждения типа

наносится на титульный лист руководства по эксплуатации типографским способом.

Комплектность

Наименование

Обозначение

Количество

Установка проливная АС.

1

Паспорт

ЦЕ 00.00.001 ПС

1

Методика поверки

ЦЕ 00.00.001 МП

1

Руководство по эксплуатации

ЦЕ 00.00.001 РЭ

1

Поверка осуществляется по документу ЦЕ 00.00.001 МП «Установки проливные АС. Методика поверки», утвержденному ГП «Укрметртестстандарт» в 2010 г.

Основное поверочное оборудование:

- Гири класса точности F1 по ГОСТ OIML R 111-1-2009, ГР № 52196-12;

- Термометры лабораторные стеклянные ТЛС ГР № 32786-08, диапазон измерений от 0 °С до плюс 100 °С, цена деления 0,2 °С;

- Генератор импульсов 81101А ГР 41402-09, диапазон измерений от 1 мГц до 50 МГц, пределы абсолютной погрешности измерений ±10-4Азначение частоты);

- Частотомер электронно-счетный Ч3-88 ГР № 41190-09, диапазон измерений от 0,01 Гц до 200 МГц, пределы допускаемой абсолютной погрешности измерений ±1импульс;

- Измерители сопротивления, увлажненности и старения изоляции MIC-2500 ГР №34197-07, диапазон измерений от 50 кОм до 110 ГОм, предел допускаемой абсолютной погрешности измерений ±(340-2^Riso изм + 3 е.м.р.);

- Омметр ОА 3201 ГР№ 37654-08, диапазон измерений от 0 Ом до 10 МОм, пределы допускаемой относительной погрешности измерений ±1%;

- Гигрометр психрометрический ВИТ-2 ГР№ 42453-09, диапазон измерений температуры от 15 °С до 40 °С, пределы допускаемой абсолютной погрешности термометров ±0,2 °С, диапазон измерений относительной влажности от 54% до 90 %, пределы допускаемой абсолютной погрешности гигрометра ±6 %;

- Барометр-анероид метеорологический БАММ-1 ГР № 5738-76, диапазон измерений от 80 кПа до 106 кПа, пределы допускаемой абсолютной погрешности измерений ±0,2 кПа.

Сведения о методиках (методах) измерений приведены в документе «Установки проливные АС.. Руководство по эксплуатации».ЦЕ 00.00.001 РЭ

Нормативные документы

выполнение работ по оценке соответствия промышленной продукции и продукции других видов, а также иных объектов установленным законодательством Российской Федерации обязательным требованиям.

Смотрите также

53157-13
ПИК-ПП Анализаторы газопроницаемости и пористости
ЗАО "Геологика", РОССИЯ, г.Новосибирск
53159-13
ВТ-101 Модули измерения аналоговых сигналов
ООО "Виброприбор", РОССИЯ, г.Ярославль
Default ALL-Pribors Device Photo
5316-76
ТРН-110У1 Трансформаторы тока
П/я М-5111, УКРАИНА, г.Запорожье