Расходомеры питательной воды ПРАМЕР-517
| Номер в ГРСИ РФ: | 53351-13 |
|---|---|
| Категория: | Расходомеры |
| Производитель / заявитель: | ЗАО "Промсервис", г.Димитровград |
Информация по Госреестру
| Основные данные | |
|---|---|
| Номер по Госреестру | 53351-13 |
| Действует | по 22.04.2018 |
| Наименование | Расходомеры питательной воды |
| Модель | ПРАМЕР-517 |
| Характер производства | Серийное |
| Идентификатор записи ФИФ ОЕИ | 5a2e4785-1ec2-e1d0-b957-68e13bfd983b |
| Год регистрации | 2013 |
| Общие данные | |
|---|---|
| Год регистрации | 2013 |
| Страна-производитель | Россия |
| Информация о сертификате | |
| Срок действия сертификата | 22.04.2018 |
| Тип сертификата (C - серия/E - партия) | C |
| Дата протокола | Приказ 422 п. 48 от 22.04.2013 |
Производитель / Заявитель
ЗАО "Промсервис", РОССИЯ, г.Димитровград
Россия
Поверка
| Методика поверки / информация о поверке | 4213-032-12560879 МП |
| Межповерочный интервал / Периодичность поверки |
1 год
|
| Зарегистрировано поверок | |
| Найдено поверителей | |
| Успешных поверок (СИ пригодно) | 5 (100%) |
| Неуспешных поверок (СИ непригодно) | 0 (0 %) |
| Актуальность информации | 29.03.2026 |
Поверители
Скачать
|
53351-13: Описание типа
2013-53351-13.pdf
|
Скачать | 134 КБ | |
| Свидетельство об утверждении типа СИ | Открыть | ... |
Описание типа
Назначение
Расходомеры питательной воды "ПРАМЕР-517" (далее - расходомеры) предназначены для преобразования объемного расхода питательной воды в контуре атомных электростанций в выходной электрический сигнал и представления информации на внешние устройства.
Описание
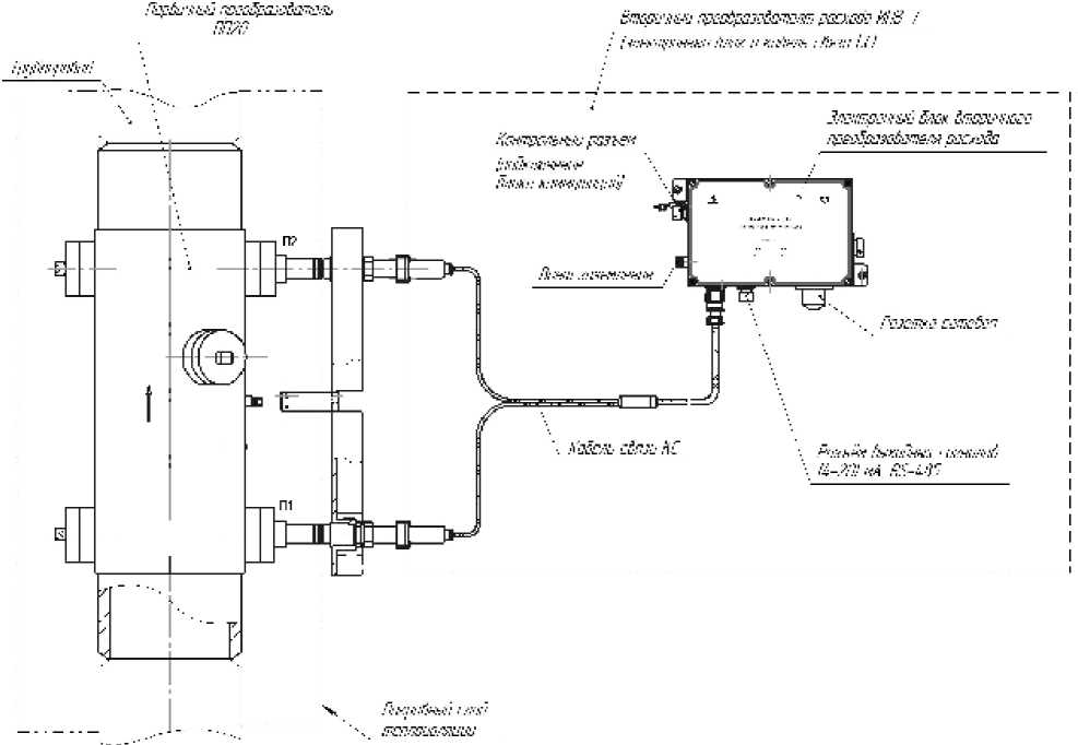
Расходомеры состоят из следующих составных частей:
- первичного преобразователя расхода ПП20 (далее - первичный преобразователь);
- вторичных преобразователей расхода ИПВ-7 (далее - вторичный преобразователь) - электронный блок с кабелем связи КС.
В основе работы расходомеров лежит ультразвуковой, времяпролетный метод, использующий зондирование в направлении потока контролируемой среды и против него.
Зондирование ультразвуковыми колебаниями (УЗК) осуществляется с помощью двух обратимых, приемопередающих пьезопреобразователей, входящих в состав первичного преобразователя ПП20, которые совместно с парой скошенных и парой плоских отражателей образуют пространственную "зигзагообразную" траекторию, в которой ультразвуковой луч, последовательно отражаясь, проходит полость измерительного участка по двум диаметрам и трем наклонным хордам.
Первичный преобразователь присоединяется к трубопроводу на сварке и при эксплуатации покрывается слоем теплоизоляции.
Сигналы с пьезоэлектрических преобразователей поступают в электронный блок вторичного преобразователя ИПВ-7, в котором по разности обратных значений времени распространения ультразвуковых сигналов по потоку и против него определяется скорость движения жидкости и, с учетом поперечного сечения ПП20, расход жидкости.
Электронный блок расходомера, выполнен в металлическом корпусе. Внутри электронного блока расположена печатная плата и элементы присоединения внешних подключений.
Электрическое соединение первичного преобразователя с электронным блоком осуществляется с помощью кабеля связи. Подключение кабеля связи к первичному и вторичному преобразователям выполняется с помощью быстросъемных соединителей.
Внешний вид расходомера "ПРАМЕР-517" представлен на рисунке 1.
Рисунок 1
В целях предотвращения несанкционированного доступа к узлам регулировки, настройки и программному обеспечению (ПО), а также к элементам конструкции, предусмотрены места пломбирования вторичного и первичного преобразователей, указанные на рисунках 2 и 3, соответственно.
Рисунок 2
Рисунок 3
Программное обеспечение
Расходомеры имеют встроенное ПО (микропрограмма контроллера 01 и выше). Для применения внешнего ПО реализован стандартный протокол Modbus.rtu с линией связи RS-485 для персонального компьютера.
Для обеспечения показателей надежности по результатам технической диагностики допускается восстановление расходомера силами обслуживающего персонала без разгерметизации контура, заключающееся в замене отдельных узлов из состава одиночного (группового) комплекта запасных частей, инструмента и приспособлений (ЗИП).
Конструктивно расходомеры имеют защиту встроенного ПО от преднамеренных и непреднамеренных изменений, реализованную изготовителем на этапе производства путем блокировки доступа к электрически программируемой постоянной памяти микроконтроллера от записи данных.
Нормирование метрологических характеристик расходомера проведено с учетом того, что встроенное программное обеспечение версии "01" является неотъемлемой частью расходомера.
Встроенное ПО имеет идентификационные данные в соответствии с таблицей 1.
Таблица 1
|
Наименование программного обеспечения |
Идентификационное наименование программного обеспечения |
Номер версии (идентификационный номер) программного обеспечения |
Цифровой идентификатор программного обеспечения (контрольная сумма исполняемого кода) |
Алгоритм вычисления цифрового идентификатора программного обеспечения |
|
FLOW |
PRAMER |
01 |
Е498 |
CRC-16 |
Уровень защиты программного обеспечения по МИ 3286-2010 - "С".
Технические характеристики
Таблица 2
|
Наименование характеристики |
Значение характеристики |
|
Диаметр условного прохода, мм |
200 |
|
Объемный расход, м3/ч: - минимальный - наибольший |
20 400 |
|
Пределы допускаемой относительной погрешности преобразования объемного расхода в выходной электрический сигнал постоянного тока, %: - при первичной поверке: - от 20 до 270 м3/ч - от 270 до 400 м3/ч - при периодической поверке: - от 20 до 400 м3/ч |
± 1,0 ± 0,5 ± 1,0 |
|
Унифицированный сигнал постоянного тока, мА |
от 4 до 20 |
|
Электрическое питание от сети переменного тока: - напряжение, В - частота, Гц |
от 187 до 242 (50±1) |
|
Потребляемая мощность, В^А, не более |
6 |
|
Масса, кг, не более: - первичного преобразователя расхода ПП20 - вторичного преобразователя расхода ИПВ-7 с кабелем связи КС |
120 5,4 |
|
Г абаритные размеры, мм: - первичного преобразователя - вторичного преобразователя |
800x582x335 266x146x65 |
|
Климатические условия применения: - температура окружающего воздуха, °С - относительная влажность окружающего воздуха при температуре плюс 35 °С и более низких температурах, без конденсации влаги |
от плюс 5 до плюс 50 до 98 |
|
Параметры контролируемой среды: - рабочая среда - питательная вода, соответствующая требованиям СО 153-34.20.501-2003 - температура, °С; - давление избыточное, МПа, не более |
от 0 до 260 18 |
|
Средний срок службы расходомеров, лет |
12 |
|
Период непрерывной работы расходомеров, ч, не менее |
17500 |
|
Средняя наработка первичных преобразователей на отказ, ч, не менее |
50000 |
Знак утверждения типа
наносится на титульные листы эксплуатационной документации типографским способом, а также на маркировочные таблички первичного и вторичного преобразователей.
Комплектность
Таблица 3
|
Наименование |
Обозначение |
Кол. |
Примечание |
|
Расходомер питательной воды в составе: |
ПРАМЕР-517 |
1 шт. |
Согласно заказу |
|
Первичный преобразователь |
ПП20 |
1 шт. | |
|
Вторичный преобразователь |
ИПВ-7 |
1 шт. |
Специфицируется сетевой номер |
|
Наименование |
Обозначение |
Кол. |
Примечание |
|
Одиночный комплект ЗИП согласно ведомости ЦПП22-0.00.00 ЗИ1 |
ЦПП22-4.00.00 |
1 компл. |
При поставке одного расходомера |
|
Групповой комплект ЗИП согласно ведомости ЦПП22-0.00.00 ЗИ2 |
ЦПП22-5.00.00 |
1 компл. |
При поставке более одного расходомера |
|
Ведомость эксплуатационных документов |
ЦПП22-0.00.00 ВЭ |
1 шт. |
_ |
|
Формуляр |
4213-032-12560879 ФО |
1 шт. |
_ |
|
Руководство по эксплуатации (РЭ) |
4213-032-12560879 РЭ |
1 шт. |
_ |
|
Паспорт на первичный преобразователь |
4213-032-12560879 ПС1 |
1 шт. |
_ |
|
Паспорт на вторичный преобразователь |
4213-032-12560879 ПС2 |
1 шт. |
_ |
|
ГСИ. Расходомеры питательной воды "ПРАМЕР-517". Методика поверки |
4213-032-12560879 МП |
1 шт. |
По заказу |
|
Транспортно-монтажный комплект |
ЦПП22-6.00.00 |
1 компл. |
На один ПП20 |
|
Комплект монтажных частей |
ЦПП22-12.00.00 |
1 компл. |
_ |
Поверка
осуществляется по документу 4213-032-12560879 МП "ГСИ. Расходомеры питательной воды "ПРАМЕР-517". Методика поверки ", утвержденному ГЦИ СИ ФГУП "ВНИИМС" в апреле 2013 г.
Основное поверочное оборудование:
- установка поверочная водомерная "ПРОМЕКС", диапазон воспроизводимых расходов от 8 до 400 м3/ч, пределы допускаемой относительной погрешности измерений средних значений объемного расхода ±0,1 %;
- .калибратор МС1000, диапазон измерения силы постоянного тока от 0 до 20 мА, погрешность ± 0,02 % + 2 мкА;
- установка для гидравлических испытаний УГИ 450, диапазон избыточного давления от 0 до 30 МПа, КТ 1,5.
Сведения о методах измерений
изложены в руководстве по эксплуатации 4213-032-12560879 РЭ.
Нормативные документы
1. ГОСТ 8.145-75 "ГСИ. Государственный первичный эталон и общесоюзная поверочная схема для средств измерений объемного расхода жидкости в диапазоне 3-10-6 - 10 м3/с".
2. ГОСТ 29075-91 "Системы ядерного приборостроения для атомных электростанций. Общие требования".
3. ГОСТ Р 50746-2000 "Совместимость технических средств электромагнитная. Технические средства для атомных станций. Требования и методы испытаний".
4. Технические условия "Расходомеры питательной воды "ПРАМЕР-517". Технические условия ТУ 4213-032-12560879-2012".
Рекомендации к применению
Осуществление производственного контроля за соблюдением установленных законодательством Российской Федерации требований промышленной безопасности к эксплуатации опасного производственного объекта.
Другие Расходомеры
