Стенд для контроля электрофизических параметров пьезоэлементов
| Номер в ГРСИ РФ: | 54002-13 |
|---|---|
| Производитель / заявитель: | НКТБ "Пьезоприбор" Ростовского государственного университета, г.Ростов-на-Дону |
Информация по Госреестру
| Основные данные | |||||||
|---|---|---|---|---|---|---|---|
| Номер по Госреестру | 54002-13 | ||||||
| Наименование | Стенд для контроля электрофизических параметров пьезоэлементов | ||||||
| Характер производства | Единичное | ||||||
| Идентификатор записи ФИФ ОЕИ | 6f095e6e-090b-1f74-eff2-8e47e628205a | ||||||
| Испытания |
|
||||||
| Год регистрации | 2013 | ||||||
| Общие данные | |
|---|---|
| Класс СИ | 28.03 |
| Год регистрации | 2013 |
| Страна-производитель | Россия |
| Информация о сертификате | |
| Срок действия сертификата | .. |
| Тип сертификата (C - серия/E - партия) | E |
| Дата протокола | Приказ 622 п. 46 от 25.06.2013 |
Производитель / Заявитель
НКТБ пьезоэлектрического приборостроения ФГОУ ВПО "Южный федеральный университет" ("Пьезоприбор" ЮФУ), РОССИЯ, г.Ростов-на-Дону
Россия
Поверка
| Методика поверки / информация о поверке | 68.88.00.00.000 МП |
| Межповерочный интервал / Периодичность поверки |
2 года
|
| Зарегистрировано поверок | |
| Найдено поверителей | |
| Успешных поверок (СИ пригодно) | 4 (100%) |
| Неуспешных поверок (СИ непригодно) | 0 (0 %) |
| Актуальность информации | 29.03.2026 |
Поверители
Скачать
|
54002-13: Описание типа
2013-54002-13.pdf
|
Скачать | 113.7 КБ | |
| Свидетельство об утверждении типа СИ | Открыть | ... |
Описание типа
Назначение
Стенд для контроля электрофизических параметров пьезоэлементов (стенд КЭПП) предназначен для контроля совокупности электрофизических параметров пьезоэлементов в процессе производства: частоты резонанса и антирезонанса, емкости на низкой частоте, тангенса угла диэлектрических потерь, сопротивления на частоте резонанса.
Контроль параметров пьезоэлементов осуществляется в двух режимах:
- динамическом режиме (контроль параметров в резонансной области частот);
- квазистатическом режиме (контроль параметров на частоте 1000 Гц).
Описание
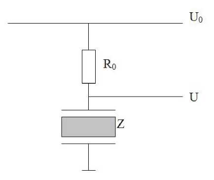
Принцип измерений, реализованный в стенде КЭПП, показан на рисунке 1.
Рисунок 1.U0 - опорное напряжение, U - падение напряжения на пьезоэлементе, R0 -
резистор, Z - комплексный импеданс пьезоэлемента или преобразователя.
В стенде КЭПП реализован цифровой способ измерений, позволяющий возбуждать пьезоэлемент широкополосным сигналом, спектр которого охватывает заданную область частот. В качестве такого сигнала в стенде КЭПП используется сигнал с линейной частотной модуляцией (ЛЧМ).
ЛЧМ сигнал формируется в ЭВМ программно в виде массива длиной N. Напряжения U0(t) и U(t) подаются на вход двухканального аналого-цифрового преобразователя (АЦП). Полученные таким образом отсчеты - через буферное запоминающее устройство в управляющую ЭВМ, где подвергаются дискретному преобразованию Фурье с помощью алгоритма быстрого преобразования Фурье. В результате получаются два комплексных
массива длиной N/2 каждый, соответствующие значениям U0(®) и U(®) на частотах
f [k 1 = kFd/N, k = 0,« , N/ 2
d . Значения комплексной проводимости в полосе частот от 0 до Fd/2 рассчитываются с использованием измеренных величин.
Принцип работы при квазистатических измерениях на низкой частоте 1000 Гц аналогичен, только в качестве АЦП используется 16-ти разрядный АЦП (относительно медленно действующий), который подключается к измерительному резистору Ro с помощью коммутатора входов (на рисунке не показан).
Для расчета требуемых параметров преобразователя используется многоконтурная эквивалентная схема, динамическая часть которой состоит из нескольких соединенных
параллельно RLC-цепочек. Количество контуров эквивалентной схемы определяется по числу максимумов активной составляющей проводимости в заданной полосе частот.
Стенд КЭПП (рисунок 2) является изделием настольного типа и состоит из блока измерительного, управляющей ЭВМ (персональный компьютер IBM PC Pentium IV в настольном виде или ноутбук) и устройства паспортизации (принтер). Управляющая ЭВМ с операционной системой Windows имеет специальное программное обеспечение, реализующие функции управления работой стенда КЭПП, обработки результатов измерений, отображения измеренной и обработанной информации, ведения баз данных для контролируемых
пьезоэлементов.
Рисунок 2 - Стенд КЭПП
Блок измерительный представляет собой закрытый металлический корпус с органами управления и индикации на лицевой панели, где так же расположен разъем для подключения пьезоэлементов. В состав стенда КЭПП входит набор эквивалентов пьезоэлементов и RC цепей, четырехполюсник для измерения АЧХ.
На задней панели измерительного блока расположены разъемы для питания стенда КЭПП и для подключения его к персональному компьютеру. На задней панели расположены винты крепления задней крышки для пломбирования стенда КЭПП (рисунок 3).
Рисунок 3 - Панель задняя блока измерительного. Схема пломбировки.
1 - Технические требования по ГОСТ 18680-73. Пломбировать замазкой уплотнительной У-20 ТУ 38-105357-85.
Программное обеспечение
Программное обеспечение (ПО) стенда КЭПП состоит из кода программы. ПО является устанавливаемым дистрибутивом ПО (файл Setup_Full_StendKEPP.exe), который предустанавливается при поставке стенда КЭПП. ПО стенда КЭПП исполняется на процессоре управляющей ПЭВМ. ПО стенда КЭПП рассматривается как метрологически значимое.
ПО стенда КЭПП, предназначено для решения следующих основных задач:
- расчет комплексной проводимости пьезоэлемента;
- расчет эквивалентных и электрофизических параметров;
- взаимодействие с оператором, отображение и сохранение результатов измерений, в том числе в графическом виде, отбраковка пьезоэлементов по установленным критериям;
- накопление в базе данных результатов измерений, формирование, отображение и сохранение отчетов о результатах измерений, в том числе гистограммных, получение их твердой копии.
Коды программы не могут быть модифицированы простыми программными средствами (защита на уровне структуры двоичного файла при его компиляции в среде разработки).
аблица 1
|
Наименование программного обеспечения |
Идентификаци онное наименование программного обеспечения |
Номер версии (идентификаци онный номер) программного обеспечения |
Цифровой идентификатор программного обеспечения (контрольная сумма исполняемого кода) |
Алгоритм вычисления контрольной суммы |
|
Программное обеспечение стенда КЭПП |
StendKEPP |
ver.1.2.1 |
8b16d033 |
CRC32 |
Уровень защиты ПО стенда КЭПП соответствует уровню «С».
В кодах ПО присутствует процедура контроля за контрольной суммой исполняемого файла. При запуске ПО аппаратуры происходит проверка текущей контрольной суммы кода программы с записанной контрольной суммой. В случае отличия этих контрольных сумм программа аппаратуры останавливается и на экран выводится сообщение об ошибке проверки контрольной суммы. Метрологически значимая часть ПО аппаратуры и измеренные данные достаточно защищены с помощью специальных средств защиты от преднамеренных и не преднамеренных изменений.
Технические характеристики
Диапазон рабочих частот, кГц 1 - 500
Диапазон измерения электрической емкости, Ф 240-11 -1-10’7
Диапазон измерения тангенса угла диэлектрических потерь 240-3 - 1-10-1
Диапазон измерения сопротивления на частоте резонанса, Ом 10 - 5-103
Пределы допускаемой основной относительной погрешности
установки частоты, %
Пределы допускаемой основной относительной погрешности измерения частоты резонанса, %
Пределы допускаемой основной относительной погрешности измерения частоты антирезонанса, %
Пределы допускаемой основной абсолютной погрешности
измерения электрической емкости на частоте 1000 Гц, пФ: ±(1 пФ+540-3^ Сизм)
Пределы допускаемой основной абсолютной погрешности
измерения тангенса угла диэлектрических потерь на частоте 1000 Гц, %:
Пределы допускаемой основной относительной погрешности измерения сопротивления на частоте резонанса, %
Рассчитываемые параметры:
Пределы допускаемой основной относительной погрешности измерения относительной диэлектрической проницаемости, %
Пределы допускаемой основной относительной погрешности измерения коэффициента электромеханической связи, %
Пределы допускаемой основной относительной погрешности измерения поперечного пьезомодуля, %
Пределы допускаемой основной относительной погрешности измерения механической добротности, %
Пределы допускаемой основной относительной погрешности измерения скорости звука, %

