Аппаратура для контроля параметров пьезоэлементов Цензурка-МА2
| Номер в ГРСИ РФ: | 54003-13 |
|---|---|
| Производитель / заявитель: | НКТБ "Пьезоприбор" Ростовского государственного университета, г.Ростов-на-Дону |
Информация по Госреестру
| Основные данные | |||||||
|---|---|---|---|---|---|---|---|
| Номер по Госреестру | 54003-13 | ||||||
| Наименование | Аппаратура для контроля параметров пьезоэлементов | ||||||
| Модель | Цензурка-МА2 | ||||||
| Характер производства | Единичное | ||||||
| Идентификатор записи ФИФ ОЕИ | 8b5c2665-f879-3ecb-3c88-edc4309d2a43 | ||||||
| Испытания |
|
||||||
| Год регистрации | 2013 | ||||||
| Общие данные | |
|---|---|
| Класс СИ | 28.03 |
| Год регистрации | 2013 |
| Страна-производитель | Россия |
| Информация о сертификате | |
| Срок действия сертификата | .. |
| Тип сертификата (C - серия/E - партия) | E |
| Дата протокола | Приказ 622 п. 47 от 25.06.2013 |
Производитель / Заявитель
НКТБ пьезоэлектрического приборостроения ФГОУ ВПО "Южный федеральный университет" ("Пьезоприбор" ЮФУ), РОССИЯ, г.Ростов-на-Дону
Россия
Поверка
| Методика поверки / информация о поверке | 68.94.00.00.000 МП |
| Межповерочный интервал / Периодичность поверки |
2 года
|
| Зарегистрировано поверок | |
| Найдено поверителей | |
| Успешных поверок (СИ пригодно) | 28 (97%) |
| Неуспешных поверок (СИ непригодно) | 1 (3 %) |
| Актуальность информации | 19.04.2026 |
Поверители
Скачать
|
54003-13: Описание типа
2013-54003-13.pdf
|
Скачать | 102.2 КБ | |
| Свидетельство об утверждении типа СИ | Открыть | ... |
Описание типа
Назначение
Аппаратура «Цензурка-МА2» предназначена для оперативного измерения в процессе производства параметров пьезоэлементов и пьезопреобразователей: частоты резонанса и антирезонанса, сопротивления на частоте резонанса, емкости на низкой частоте, тангенса угла диэлектрических потерь.
Контроль параметров пьезоэлементов осуществляется в двух режимах: - динамическом режиме (контроль параметров в резонансной области частот); - квазистатическом режиме (контроль параметров на частоте 1000 Гц).
Описание
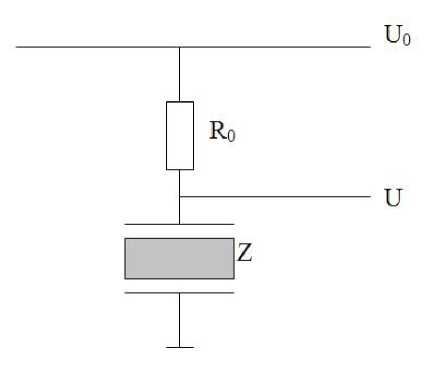
Принцип измерений, реализованный в аппаратуре «Цензурка-МА2», показан на рисунке 1.
Рисунок 1. U0 - опорное напряжение, U - падение напряжения на пьезоэлементе, R0 -резистор, Z - комплексный импеданс пьезоэлемента или преобразователя.
В аппаратуре реализован цифровой способ измерений, позволяющий возбуждать пьезоэлемент или преобразователь широкополосным сигналом, спектр которого охватывает заданную область частот. В качестве такого сигнала в аппаратуре «Цензурка-МА2» используется сигнал с линейной частотной модуляцией (ЛЧМ).
ЛЧМ сигнал формируется в ЭВМ программно в виде массива длиной N. Напряжения U0(t) и U(t) подаются на вход двухканального аналого-цифрового преобразователя (АЦП), а полученные таким образом отсчеты - через буферное запоминающее устройство в управляющую ЭВМ, где подвергаются дискретному преобразованию Фурье с помощью алгоритма быстрого преобразования Фурье. В результате получаются два комплексных
массива длиной N/2 каждый, соответствующие значениям U0(®) и U(®) на частотах
f [k 1 = kFd/N, k = 0,* ,N/2
d . Значения комплексной проводимости в полосе частот от 0 до Fd/2 рассчитываются с использованием измеренных величин.
Принцип работы при квазистатических измерениях на низкой частоте 1000 Гц аналогичен, только в качестве АЦП используется 16-ти разрядный АЦП (относительно медленно действующий), который подключается к измерительному резистору Ro с помощью коммутатора входов (на рисунке не показан).
Для расчета требуемых параметров преобразователя используется многоконтурная эквивалентная схема, динамическая часть которой состоит из нескольких соединенных параллельно RLC-цепочек. Количество контуров эквивалентной схемы определяется по числу максимумов активной составляющей проводимости в заданной полосе частот.
Аппаратура «Цензурка-МА2»(рисунок 2) является аппаратурой настольного типа и состоит из блока измерительного, управляющей ЭВМ (персональный компьютер IBM PC Pentium IV в настольном виде или ноутбук) и печатающего устройства. Управляющая ЭВМ с операционной системой Windows имеет специальное программное обеспечение, реализующие функции управления работой аппаратуры, обработки результатов измерений, отображения измеренной и обработанной информации, ведения баз данных для контролируемых пьезоэлементов.
Рисунок 2 - Аппаратура «Цензурка-МА2»
Блок измерительный представляет собой закрытый металлический корпус с органами управления и индикации на лицевой панели, где так же расположен разъем для подключения пьезоэлементов. В состав аппаратуры входит набор эквивалентов и RC цепей, четырехполюсник для измерения АЧХ.
На задней панели измерительного блока расположены разъемы для питания аппаратуры «Цензурка-МА2» и для подключения ее к персональному компьютеру. На задней панели расположены винты крепления задней крышки для пломбирования аппаратуры «Цензурка-МА2» (рисунок 3).
Рисунок 3 - Панель задняя блока измерительного. Схема пломбировки.
1 - Технические требования по ГОСТ 18680-73. Пломбировать замазкой уплотнительной У-20 ТУ 38-105357-85.
Программное обеспечение
Программное обеспечение (ПО) аппаратуры «Цензурка-МА2» состоит из кода программы. ПО является устанавливаемым дистрибутивом ПО (файл Setup_Full_CMA_2.exe), который предустанавливается при поставке аппаратуры. ПО аппаратуры исполняется на процессоре управляющей ПЭВМ. ПО аппаратуры рассматривается как метрологически значимое.
ПО аппаратуры “Цензурка-МА2”, предназначено для решения следующих основных задач:
- расчет комплексной проводимости пьезоэлемента;
- расчет эквивалентных и электрофизических параметров;
- взаимодействие с оператором, отображение и сохранение результатов измерений, в том числе в графическом виде, отбраковка пьезоэлементов по установленным критериям;
- накопление в базе данных результатов измерений, формирование, отображение и сохранение отчетов о результатах измерений, в том числе гистограммных, получение их твердой копии.
Коды программы не могут быть модифицированы простыми программными средствами (защита на уровне структуры двоичного файла при его компиляции в среде разработки).
аблица 1
|
Наименование программного обеспечения |
Идентификаци онное наименование программного обеспечения |
Номер версии (идентификаци онный номер) программного обеспечения |
Цифровой идентификатор программного обеспечения (контрольная сумма исполняемого кода) |
Алгоритм вычисления контрольной суммы |
|
Программное обеспечение аппаратуры «Цензурка-МА2» |
Censurka MA2 |
ver.2.2.1 |
f506218b |
CRC32 |
Уровень защиты ПО аппаратуры соответствует уровню «С».
В кодах ПО присутствует процедура контроля за контрольной суммой исполняемого файла. При запуске ПО аппаратуры происходит проверка текущей контрольной суммы кода программы с записанной контрольной суммой. В случае отличия этих контрольных сумм программа аппаратуры останавливается и на экран выводится сообщение об ошибке проверки контрольной суммы. Метрологически значимая часть ПО аппаратуры и измеренные данные достаточно защищены с помощью специальных средств защиты от преднамеренных и не преднамеренных изменений.
Технические характеристики
Диапазон рабочих частот, кГц 1 - 500
Диапазон измерения электрической емкости, Ф 240-11 - -10’
7
Диапазон измерения тангенса угла диэлектрических потерь 240-3 - -10-1
Диапазон измерения сопротивления на частоте резонанса, Ом 10 - 5-103
Пределы допускаемой основной относительной погрешности установки частоты, % ±0,1
Пределы допускаемой основной относительной погрешности измерения
частоты резонанса, % ±0,2
Пределы допускаемой основной относительной погрешности измерения
частоты антирезонанса, % ±0,5
Пределы допускаемой основной абсолютной погрешности измерения
электрической емкости на частоте 1000 Гц, пФ: ±(1 пФ+540-3^ Сизм)
Пределы допускаемой основной абсолютной погрешности измерения
тангенса угла диэлектрических потерь на частоте 1000Гц, пФ: ±(240+540чд5изм)
Пределы допускаемой основной относительной погрешности измерения
сопротивления на частоте резонанса, %
Рассчитываемые параметры:
Пределы допускаемой основной относительной погрешности измерения относительной диэлектрической проницаемости, %:
- для диапазона измерения емкости от 2-10-11 до 10-10 Ф
- для диапазона измерения емкости от 10-10 до 10-7 Ф
Пределы допускаемой основной относительной погрешности измерения
относительного резонансного промежутка в диапазоне от 0,04 до 0,4, %
Пределы допускаемой основной относительной погрешности измерения
коэффициента электромеханической связи в диапазоне от 0,25 до 0,8, %
Пределы допускаемой основной относительной погрешности измерения
пьезомодуля в динамическом режиме в диапазоне от 30 до 600 пКл/Н, %
Пределы допускаемой основной относительной погрешности измерения
механической добротности в диапазоне от 50 до 800, %
Пределы допускаемой основной относительной погрешности измерения
скорости звука в диапазоне от 2,5-103 до 5-103 м/с, %

