55960-13: ПРАМЕР-517Р Расходомеры питательной воды - Производители, поставщики и поверители

Расходомеры питательной воды ПРАМЕР-517Р

ALL-Pribors default picture
Номер в ГРСИ РФ: 55960-13
Категория: Расходомеры
Производитель / заявитель: ЗАО "Промсервис", г.Димитровград
Скачать
55960-13: Описание типа
2017-55960-13.pdf
Скачать 278.3 КБ
Готовы рассмотреть аналог?
Поставщик: ООО "Энергетика"
Поверка
Расходомеры питательной воды ПРАМЕР-517Р поверка на: www.ktopoverit.ru
КтоПоверит
Онлайн-сервис метрологических услуг

Информация по Госреестру

Основные данные
Номер по Госреестру 55960-13
Действует по 18.12.2018
Наименование Расходомеры питательной воды
Модель ПРАМЕР-517Р
Характер производства Серийное
Идентификатор записи ФИФ ОЕИ 8a8aa775-cc0f-6131-a0a1-dea8ebdd0926
Год регистрации 2013
Информация устарела
Общие данные
Год регистрации 2013
Страна-производитель  Россия 
Информация о сертификате
Срок действия сертификата 18.12.2018
Тип сертификата (C - серия/E - партия) C
Дата протокола Приказ 1482 п. 36 от 18.12.2013
Производитель / Заявитель

АО "Промсервис", РОССИЯ, г.Димитровград

 Россия 

Поверка

Методика поверки / информация о поверке ЦПП22-0.00.00 МП
Межповерочный интервал / Периодичность поверки
1 год
Зарегистрировано поверок
Актуальность информации 29.03.2026
Найти результаты поверки
Указан в паспорте или на самом приборе

Поверители

КтоПоверит
Онлайн-сервис метрологических услуг
Расходомеры питательной воды ПРАМЕР-517Р поверка на: www.ktopoverit.ru
КтоПоверит
Онлайн-сервис метрологических услуг

Скачать

55960-13: Описание типа
2017-55960-13.pdf
Скачать 278.3 КБ

Описание типа

Назначение

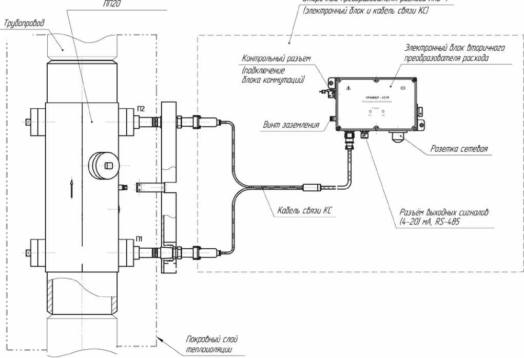
Расходомеры питательной воды "ПРАМЕР-517Р" (далее - расходомеры) предназначены для преобразования объемного расхода питательной воды в контуре атомных электростанций в выходной электрический сигнал и представления информации на внешние устройства.

Описание

Расходомеры состоят из следующих составных частей:

- первичного преобразователя расхода ПП20 (далее - первичный преобразователь);

- вторичных преобразователей расхода ИПВ-7 (далее - вторичный преобразователь) -электронный блок с кабелем связи КС.

В основе работы расходомеров лежит ультразвуковой, времяпролетный метод, использующий зондирование в направлении потока контролируемой среды и против него.

Зондирование ультразвуковыми колебаниями (УЗК) осуществляется с помощью двух обратимых, приемопередающих пьезопреобразователей, входящих в состав первичного преобразователя ПП20, которые совместно с парой скошенных и парой плоских отражателей образуют пространственную "зигзагообразную" траекторию, в которой ультразвуковой луч, последовательно отражаясь, проходит полость измерительного участка по двум диаметрам и трем наклонным хордам.

Первичный преобразователь присоединяется к трубопроводу на сварке и при эксплуатации покрывается слоем теплоизоляции.

Сигналы с пьезоэлектрических преобразователей поступают в электронный блок вторичного преобразователя ИПВ-7, в котором по разности обратных значений времени распространения ультразвуковых сигналов по потоку и против него определяется скорость движения жидкости и, с учетом площади поперечного сечения ПП20, расход жидкости.

Электронный блок расходомера, выполнен в металлическом корпусе. Внутри электронного блока расположена печатная плата и элементы присоединения внешних подключений.

Электрическое соединение первичного преобразователя с электронным блоком осуществляется с помощью кабеля связи. Подключение кабеля связи к первичному и вторичному преобразователям выполняется с помощью быстросъемных соединителей.

Внешний вид расходомера "ПРАМЕР-517Р" представлен на рисунке 1.

Пербичный Преобразобатель                                    RmnnnwuC, nnpnfinnwfinmpnm nnrmfln ИПв-7

Рисунок 1

В целях предотвращения несанкционированного доступа к узлам регулировки, настройки и программному обеспечению (ПО), а также к элементам конструкции, предусмотрены места пломбирования вторичного и первичного преобразователей, указанные на рисунках 2 и 3, соответственно.

Оттиски клеймо Поберителя

ПРАМЕР ■ Б17Р

Рисунок 2

угг

©

Рисунок 3

Программное обеспечение

Расходомеры имеют встроенное ПО (микропрограмма контроллера 01 и выше). Для применения внешнего ПО реализован стандартный протокол Modbus.rtu с линией связи RS-485 для персонального компьютера.

Для обеспечения показателей надежности по результатам технической диагностики допускается восстановление расходомера силами обслуживающего персонала без разгерметизации контура, заключающееся в замене отдельных узлов из состава одиночного (группового) комплекта запасных частей, инструмента и приспособлений (ЗИП).

Конструктивно расходомеры имеют защиту встроенного ПО от преднамеренных и непреднамеренных изменений, реализованную изготовителем на этапе производства путем блокировки доступа к электрически программируемой постоянной памяти микроконтроллера от записи данных.

Нормирование метрологических характеристик расходомера проведено с учетом того, что встроенное программное обеспечение версии "01" является неотъемлемой частью расходомера.

Встроенное ПО имеет идентификационные данные в соответствии с таблицей 1.

Таблица 1

Наименование программного обеспечения

Идентификационное наименование программного обеспечения

Номер версии (идентификационный номер) программного обеспечения

Цифровой идентификатор программного обеспечения (контрольная сумма исполняемого кода)

Алгоритм вычисления цифрового идентификатора программного обеспечения

FLOW

PRAMER

01

Е498

CRC-16

Уровень защиты программного обеспечения по МИ 3286-2010 - "С".

Технические характеристики

Таблица 2

Наименование характеристики

Значение характеристики

Диаметр условного прохода, мм

200

Объемный расход, м3/ч: - минимальный - наибольший

20

500

Пределы допускаемой относительной погрешности преобразования объемного расхода в выходной электрический сигнал постоянного тока, %:

- при первичной поверке:

- от 20 до 270 м3/ч

- от 270 до 500 м3/ч

- при периодической поверке:

- от 20 до 500 м3/ч

± 1,0

± 0,5

± 1,0

У нифицированный сигнал постоянного тока, мА

от 4 до 20

Электрическое питание от сети переменного тока: - напряжение, В

- частота, Гц

от 187 до 242 (50±1)

Потребляемая мощность, В^А, не более

6

Масса, кг, не более:

- первичного преобразователя расхода ПП20

- вторичного преобразователя расхода ИПВ-7 с кабелем связи КС

120

5,4

Г абаритные размеры, мм:

- первичного преобразователя - вторичного преобразователя

800x582x335 266x146x65

Климатические условия применения:

- температура окружающего воздуха, °С

- относительная влажность окружающего воздуха при температуре плюс 35 °С и более низких температурах, без конденсации влаги

от + 5 до + 50 до 98

Параметры контролируемой среды:

- рабочая среда - питательная вода, соответствующая требованиям СО 153-34.20.501-2003

- температура, °С;

- давление избыточное, МПа

от 160 до 260

от 10 до 18

Средний срок службы расходомеров, лет

12

Период непрерывной работы расходомеров, ч, не менее

17500

Средняя наработка первичных преобразователей на отказ, ч, не менее

50000

Знак утверждения типа

наносится на титульные листы эксплуатационной документации типографским способом, а также на маркировочные таблички первичного и вторичного преобразователей.

Комплектность

Таблица 3

Наименование

Обозначение

Кол.

Примечание

Расходомер питательной воды в составе:

ПРАМЕР-517Р

1 шт.

Согласно заказу

Первичный преобразователь

ПП20

1 шт.

Вторичный преобразователь

ИПВ-7

1 шт.

Специфицируется сетевой номер

Одиночный комплект ЗИП согласно ведомости ЦПП22-0.00.00 ЗИ1

ЦПП22-4.00.00

1 компл.

При поставке одного расходомера

Г рупповой комплект ЗИП согласно ведомости ЦПП22-0.00.00 ЗИ2

ЦПП22-5.00.00

1 компл.

При поставке более одного расходомера

Ведомость эксплуатационных документов

ЦПП22-0.00.00 ВЭ

1 шт.

Формуляр

4213-032-12560879 ФО

1 шт.

Руководство по эксплуатации (РЭ)

4213-032-12560879 РЭ

1 шт.

Паспорт на первичный преобразователь

4213-032-12560879 ПС1

1 шт.

Паспорт на вторичный преобразователь

4213-032-12560879 ПС2

1 шт.

ГСИ. Расходомеры питательной воды "ПРАМЕР-517Р". Методика поверки

ЦПП22-0.00.00 МП

1 шт.

По заказу

Транспортно-монтажный комплект

ЦПП22-6.00.00

1 компл.

На один ПП20

Комплект монтажных частей

ЦПП22-12.00.00

1 компл.

Поверка

осуществляется по документу ЦПП22-0.00.00 МП «ГСИ. Расходомеры питательной воды "ПРАМЕР-517Р". Методика поверки», утвержденному ФГУП «ВНИИМС» в ноябре 2013 г.

Основные средства поверки:

- установка поверочная счетчиков жидкости "УПСЖ-400/1500", диапазон   расхода

жидкости от 6 до 1200 м3/ч, пределы относительной погрешности измерений объема ±0,15 %;

-.калибратор МС1000, диапазон измерения силы постоянного тока от 0 до 20 мА, погрешность ±0,02 % + 2 мкА;

- установка для гидравлических испытаний УГИ 450, диапазон избыточного давления от 0 до 30 МПа, КТ 1,5.

Допускается применение аналогичных средств поверки, обеспечивающих определение метрологических характеристик поверяемых СИ с требуемой точностью.

Сведения о методах измерений

приведены в эксплуатационном документе.

Нормативные документы

ГОСТ 8.145-75 ГСИ. Государственный первичный эталон и общесоюзная поверочная схема для средств измерений объемного расхода жидкости в диапазоне 3-10-6 ^ 10 м3/с

ГОСТ 29075-91 Системы ядерного приборостроения для атомных электростанций. Общие требования

ГОСТ Р 50746-2000 Совместимость технических средств электромагнитная. Технические средства для атомных станций. Требования и методы испытаний

Технические условия Расходомеры питательной воды "ПРАМЕР-517Р". Технические условия ТУ 4213-032-12560879-2012

Другие Расходомеры

Default ALL-Pribors Device Photo
56126-13
СИМАГ 11-М Расходомеры электромагнитные
ООО "Геолинк", РОССИЯ, г.Москва
56127-14
VersaFlow серии Coriolis-100, Coriolis-200 и Coriolis-1000 Расходомеры-счетчики массовые
Фирма "Honeywell International Inc.", СОЕДИНЕННЫЕ ШТАТЫ
Расходомеры-счётчики массовые VersaFlow серии Coriolis-100, Coriolis-200 и Coriolis-1000 предназначены для прямых измерений массового расхода жидкости, её плотности, температуры и вычисления объемного расхода.
56188-14
Turbo Flow TFG Расходомеры термоанемометрические
ООО НПО «Турбулентность-Дон», РОССИЯ, 346815, Ростовская обл., Мясниковский м.р-н, Краснокрымское с.п., автодорога Ростов-на-Дону – Новошахтинск тер., 1-й км, зд. 6/8
Расходомеры термоанемометрические Turbo Flow TFG (далее расходомеры) предназначены для измерений массового расхода газа и объемного расхода газа, приведенного к стандартным условиям (природного, свободного (попутного) нефтяного и других газов и смесе...
56259-14
TASC-HTO-HT-C14 Расходомеры-пробоотборники трития и углерода-14
Фирма "Overhoff Technology Corporation", СОЕДИНЕННЫЕ ШТАТЫ
Расходомеры-пробоотборники трития и углерода-14 TASC-HTO-HT-C14 (далее -расходомеры-пробоотборники) предназначены для отбора проб находящегося в воздухе трития Н-3 и углерода C-14, и контроля расхода прокачанного воздуха при отборе проб.