Расходомеры Turbo Flow GFG
| Номер в ГРСИ РФ: | 57146-14 |
|---|---|
| Категория: | Расходомеры |
| Производитель / заявитель: | ООО НПО "Турбулентность-Дон", с.Чалтырь |
Расходомеры Turbo Flow GFG (далее расходомеры) предназначены для измерений объемного расхода газа в рабочих условиях и вычисления объема, объемного расхода и объема газа, приведенных к стандартным условиям, массового расхода и массы газа - природного, воздуха, азота, а также других однокомпонентных газов и газовых смесей известного состава.
Информация по Госреестру
| Основные данные | |
|---|---|
| Номер по Госреестру | 57146-14 |
| Действует | по 28.01.2028 |
| Наименование | Расходомеры |
| Модель | Turbo Flow GFG |
| Код идентификации производства |
ОС
СИ не соответствует критериям подтверждения производства на территории
РФ в соответствии с постановлением №719
|
| Характер производства | Серийное |
| Идентификатор записи ФИФ ОЕИ | aadbe065-201d-97b7-d974-677f2f040e15 |
| Год регистрации | 2014 |
| Общие данные | |
|---|---|
| Год регистрации | 2014 |
| Страна-производитель | Россия |
| Информация о сертификате | |
| Срок действия сертификата | 16.04.2019 |
| Тип сертификата (C - серия/E - партия) | C |
| Дата протокола | Приказ 476 п. 13 от 16.04.2014 |
Производитель / Заявитель
ООО НПО «Турбулентность-Дон», РОССИЯ, 346815, Ростовская обл., Мясниковский м.р-н, Краснокрымское с.п., автодорога Ростов-на-Дону – Новошахтинск тер., 1-й км, зд. 6/8
Россия
Поверка
| Методика поверки / информация о поверке | МП 57146-14 |
| Межповерочный интервал / Периодичность поверки |
3 года
|
| Зарегистрировано поверок | |
| Найдено поверителей | |
| Успешных поверок (СИ пригодно) | 473 (94%) |
| Неуспешных поверок (СИ непригодно) | 29 (6 %) |
| Актуальность информации | 19.04.2026 |
Поверители
Скачать
|
57146-14: Описание типа
2024-57146-14.pdf
|
Скачать | 1 MБ | |
|
57146-14: Методика поверки
2022-mp57146-14-1.pdf
|
Скачать | 2 MБ |
Описание типа
Назначение
Расходомеры Turbo Flow GFG (далее - расходомеры) предназначены для измерений объемного расхода и объема газа в рабочих условиях и вычислений объемного расхода и объема газа, приведенных к стандартным условиям, массового расхода и массы газа - природного, воздуха, азота, а также других однокомпонентных газов и газовых смесей известного состава.
Описание
Принцип работы расходомеров основан на зависимости частоты колебаний струи измеряемой среды в чувствительном элементе расходомера от объемного расхода газа, протекающего через него. В качестве чувствительного элемента преобразователя расхода используется струйный генератор. Парциальный расход, протекающий через чувствительный элемент, обеспечивается устройством формирования расхода. Частота колебаний воспринимается пьезопреобразователем и преобразовывается в электрический частотный сигнал, поступающий в электронный блок преобразователя расхода. В электронном блоке частотный электрический сигнал, поступивший от пъезопреобразователя, преобразуется в цифровой сигнал, определяющий объемный расход газа в рабочих условиях.
Сигналы, сформированные в электронном блоке, поступают в вычислитель параметров, в котором выполняются вычисления объема газа, объемного расхода и объема газа, приведенного к стандартным условиям, массового расхода и массы газа.
В состав расходомеров входят:
- преобразователь расхода (ПР);
- устройство формирования расхода (УФР), предназначенное для формирования парциального расхода, измеряемого ПР;
- преобразователь температуры (ПТ);
- преобразователь давления (ПД).
ПР выполнен в виде конструктивно законченного узла и состоит из:
- чувствительного элемента (ЧЭ) - струйного генератора с пьезопреобразователем;
- электронного блока (ЭБ);
- вычислителя параметров (ВП), принимающего информацию по каналам расхода, давления и температуры от ЭБ и вычисляющего объемный расход и объем газа, приведенный к стандартным условиям, а также массовый расход и массу газа по стандартизованным алгоритмам с учетом введенных физико-химических и теплофизических параметров измеряемой среды. ВП может иметь показывающее устройство для отображения информации и клавиатуру для управления. Вычислитель параметров может быть вынесен во внешний терминал (ВТ). ВТ подключается к ПР посредством цифровой линии связи (проводной или беспроводной). К одному ВТ можно подключить несколько ПР;
- блока интерфейсов (БИ), который предназначен для настройки расходомеров по каналам цифровой связи и для передачи данных по стандартным аналоговым и цифровым протоколам на внешний терминал, принтер, ПК или устройства передачи данных по проводным и беспроводным интерфейсам с целью интеграции в автоматизированных системах управления технологическими процессами (АСУТП). БИ позволяет подключать к расходомерам внешние преобразователи параметров (плотномеры, анализаторы точки росы, хроматографы) по стандартным аналоговым и цифровым интерфейсам;
- блока фильтра и диагностики состояния ПР (устанавливается дополнительно по специальному заказу). Выполняет функцию фильтра измеряемой среды, поступающей в ПР, и функцию диагностики его состояния. В расходомере предусмотрена возможность очистки фильтра в эксплуатации.
Для возможности дистанционного считывания и отображения информации (архивов, текущих и настроечных параметров) расходомер может быть укомплектован выносным терминалом индикации.
В зависимости от конструкции и состава УФР расходомеры имеют следующие модификации:
- модификация Turbo Flow GFG-F - расходомеры, в которых УФР представляет собой корпус круглого сечения - измерительный участок (включающий необходимые прямолинейные участки) с установленной в нем специальной диафрагмой с коническим входом износоустойчивого исполнения.
- модификация Turbo Flow GFG-Z - расходомеры, в которых УФР представляет собой корпус круглого сечения или измерительный трубопровод с установленным в его поперечном сечении напорным элементом в виде зонда;
- модификация Turbo Flow GFG-AP - расходомеры, в которых УФР представляет собой комплекс из измерительных камер, стандартного сужающего устройства и необходимых прямолинейных участков измерительного трубопровода;
- модификация Turbo Flow GFG-H - расходомеры, в которых ПР, УФР, ПТ и ПД (при наличии) конструктивно объединены в одном корпусе.
В зависимости от состава и выполняемых функций расходомеры имеют исполнения, указанные в таблице 1.
Таблица 1
|
Исполнение |
ПР, УФР |
Преобразователи в составе расходомера |
ВП |
ВТ |
Интерфейс для подключения внешних ПП |
Выносной терминал | |
|
ПТ |
ПД | ||||||
|
СО |
+ |
_ |
_ |
_ |
_ |
_ |
+\-* |
|
С1Т |
+ |
+ |
_ |
+ |
_ |
_ |
+\-* |
|
C1TP |
+ |
+ |
+ |
+ |
_ |
_ |
+\-* |
|
С1ТРП |
+ |
+ |
+ |
+ |
_ |
+ |
+\-* |
|
C2TP |
+ |
+ |
+ |
+ |
+ |
_ |
+\-* |
|
С2ТРП |
+ |
+ |
+ |
+ |
+ |
+ |
+\-* |
Примечание: «+» - входит в состав расходомера, «-» - не входит в состав расходомера +\-* -может входить опционально (по заказу)
Для измерений объемного расхода газа в прямом и обратном направлениях (реверсивный режим) применяются модификации Turbo Flow GFG-F и Turbo Flow GFG -ДР исполнения R с установкой на одном УФР двух встречно включенных по направлению потока ПР и диафрагм для измерения реверсивных потоков.
В зависимости от максимального избыточного давления в трубопроводе расходомеры имеют следующие исполнения:
- исполнение А - для установки в измерительные трубопроводы с максимальным избыточным давлением до 0,005 МПа включительно;
- исполнение В - для установки в измерительные трубопроводы с максимальным избыточным давлением до 0,6 МПа включительно;
- исполнение С - для установки в измерительные трубопроводы с максимальным избыточным давлением до 1,6 МПа включительно;
- исполнение D - для установки в измерительные трубопроводы с максимальным избыточным давлением до 6,3 МПа включительно;
- исполнение G - для установки в измерительные трубопроводы с максимальным избыточным давлением до 10 МПа включительно;
- исполнение E - для установки в измерительные трубопроводы с максимальным избыточным давлением до 16 МПа включительно;
- исполнение К - для установки в измерительные трубопроводы с максимальным избыточным давлением до 20 МПа включительно;
- исполнение L - для установки в измерительные трубопроводы с максимальным избыточным давлением до 32 МПа включительно.
Расходомеры обеспечивают выполнение следующих функций:
■ измерение объемного расхода газа в рабочих условиях и вычисление объема, объемного расхода и объема газа, приведенных к стандартным условиям, вычисление массового расхода и массы газов;
■ архивирование в энергонезависимой памяти и вывод на показывающее устройство результатов измерений и вычислений объемного расхода, объема, температуры, давления, архивов событий и параметров функционирования;
■ передачу измеренных данных, параметров настройки и архивной информации;
■ разделение и ограничение напряжения и тока в искробезопасных цепях.
Расходомеры обеспечивают вывод на показывающее устройство (индикатор) следующих параметров:
- текущего значения объемного расхода газа;
- текущего значения объемного расхода газа, приведенного к стандартным условиям;
- текущего значения температуры измеряемой среды;
- текущего значения давления измеряемой среды;
- текущих параметров даты и времени;
- суммарного объема газа в рабочих условиях и объема газа, приведенного к стандартным условиям, средние значения температуры и давления за установленные интервалы времени (минуты, часы, сутки, месяц);
- суммарного накопленного объема газа в рабочих условиях и объема газа, приведенного к стандартным условиям, с момента пуска в эксплуатацию;
- времени работы с момента пуска в эксплуатацию;
- времени работы в режиме присутствия нештатных ситуаций;
- параметры функционирования расходомера.
Заводской номер в виде цифрового обозначения, нанесен методом лазерной гравировки на информационную табличку, закрепленную на ПР и ВТ (при наличии).
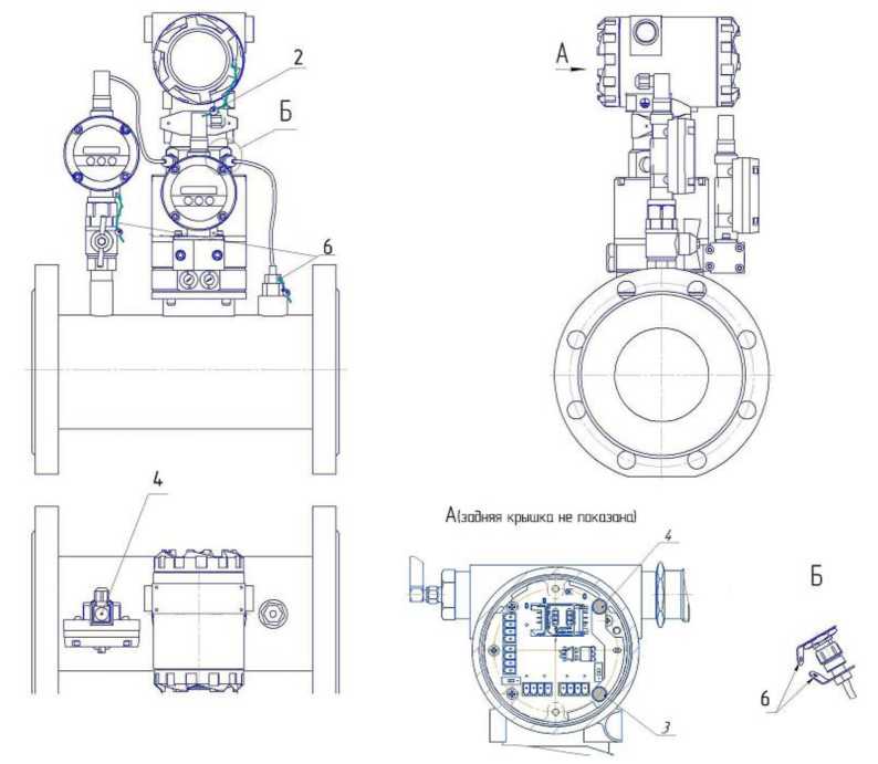
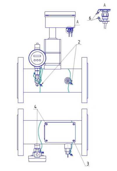
Общий вид расходомеров Turbo Flow GFG представлен на рисунках 1-10.
Рисунок 1 -
Turbo Flow GFG-F
Рисунок 2 -
Turbo Flow GFG-F
Рисунок 4 -
Внешний терминал расходомера Turbo Flow GFG в метал-
Рисунок 3 -Внешний терминал расходомера Turbo Flow GFG
лическом корпусе
Рисунок 6 -
Turbo Flow GFG-AP
Рисунок 7 -
Turbo Flow GFG-Z
Рисунок 8 -Turbo Flow GFG-H
Рисунок 5 -
Turbo Flow GFG-FR
реверсивный
Рисунок 10 -Выносной терминал в металлическом корпусе
Рисунок 9 -
Выносной терминал
Схема пломбировки от несанкционированного доступа, обозначение мест нанесения знака поверки представлены на рисунках 11-17.
Рисунок 11 - Turbo Flow GFG-F
Рисунок 12 -Turbo Flow GFG-F
Рисунок 13 - Внешний терминал
Рисунок 14 - Внешний терминал в металлическом корпусе
Рисунок 15 - Расходомер Turbo Flow GFG-H
Рисунок 16 - Выносной терминал
Рисунок 17 - Выносной терминал в металлическом корпусе
1 - пломба свинцовая для нанесения знака поверки;
2 - пломба свинцовая предприятия-изготовителя;
3 - места для нанесения знака поверки способом давления на специальную мастику;
4 - пломбы предприятия-изготовителя способом давления на специальную мастику;
5 - самоклеющаяся пломба из легкоразрушаемого материала предприятия-изготовителя;
6 - отверстия для пломбирования газоснабжающими организациями.
Программное обеспечение
Программное обеспечение (ПО) расходомеров по аппаратному обеспечению является встроенным. Преобразование измеряемых величин и обработка измерительных данных выполняется с использованием внутренних аппаратных и программных средств. ПО хранится в энергонезависимой памяти. Программная среда постоянна, отсутствуют средства и пользовательская оболочка для программирования или изменения ПО.
Программное обеспечение разделено на:
- метрологически значимую часть;
- метрологически незначимую часть.
Разделение программного обеспечения выполнено внутри кода ПО на уровне языка программирования. К метрологически значимой части ПО относятся:
- программные модули, принимающие участие в обработке (расчетах) результатов измерений или влияющие на них;
- программные модули, осуществляющие отображение измерительной информации, ее хранение, передачу, идентификацию, защиту ПО и данных;
- параметры ПО, участвующие в вычислениях и влияющие на результат измерений;
- компоненты защищенного интерфейса для обмена данными с внешними устройствами.
Идентификационные данные ПО расходомеров приведены в таблице 2.
Таблица 2 - Идентификационные данные ПО
|
Идентификационные данные (признаки) |
Значение |
|
Идентификационное наименование ПО |
GFG |
|
Номер версии (идентификационный номер МЗЧ) ПО, не ниже |
4.51 |
|
Цифровой идентификатор ПО |
0x0BF7815D |
|
Алгоритм вычисления цифрового идентификатора программного обеспечения |
CRC-32 |
Недопустимое влияние на метрологически значимую часть ПО через интерфейс пользователя и интерфейс связи отсутствует. Метрологические характеристики расходомеров нормированы с учетом влияния программного обеспечения.
Уровень защиты программного обеспечения расходомеров от преднамеренных и непреднамеренных изменений соответствует уровню «высокий» в соответствии с Р 50.2.077-2014. Примененные специальные средства защиты в достаточной мере исключают возможность несанкционированной модификации, обновления (загрузки), удаления и иных преднамеренных изменений метрологически значимой части ПО и измеренных (вычисленных) данных.
Технические характеристики
Таблица 3 - Метрологические характеристики
|
Наименование характеристики |
Значение характеристики для модификации | |||
|
GFG-H |
GFG-Z |
GFG-F |
GFG-AP | |
|
Диапазон измерений расхода газа, м3/ч |
от 0,016 до 300 |
от 30 до 280 000 |
от 0,016 до 280 000 |
от 0,35 до 280 000 |
|
Динамический диапазон Qmin/Qmax |
1:100 (1:250*) |
1:20 (1:50*) |
1:100 (1:160*) |
1:100 |
|
Диаметр условный, мм |
от 10 до 100 |
от 100 до 1400 |
от 10 до 1400 |
от 50 до 1400 |
|
Пределы относительной погрешности при измерении объемного расхода газа в рабочих условиях, %, в диапазоне: Qmin < Q < 0,01 Qmax: 0,01Qmax < Q < Qmax: |
± 1,5 ± 1,0 | |||
|
Диапазон избыточного давления газа, МПа |
от 0 до 6,3 |
от 0 до 32,0 | ||
|
Верхние пределы измерений избыточного давления (ВПИ), МПа |
0,0025; 0,004; 0,0063; 0,01; 0,016; 0,025; 0,04; 0,063; 0,1; 0,160; 0,25; 0,4; 0,6; 1,0; 1,6; 2,5; 4,0; 6,3; 10; 16; 20; 32 | |||
|
Верхние пределы измерений абсолютного давления (ВПИ), МПа |
0,1; 0,16; 0,25; 0,4; 0,6; 1,0; 1,6; 2,5; 4,0; 6,0; 6,3; 10; 16; 20; 32 | |||
|
Пределы допускаемой относительной погрешности при измерении давления, % |
± 0,25 | |||
|
Рабочий диапазон измерений давления, % ВПИ |
от 33 до 100 | |||
Продолжение таблицы 3
|
Наименование характеристики |
Значение характеристики для модификации | |||
|
GFG-H |
GFG-Z |
GFG-F |
GFG-AP | |
|
Диапазон температур газа, °С |
от -20 до +70 |
от -50 до +70 | ||
|
Пределы допускаемой абсолютной погрешности при измерении температуры, °С |
где t |
± (0,15 + 0,002|t|) - измеряемая температура | ||
|
Пределы допускаемой относительной погрешности при вычислении массового расхода и массы газа, объема, объемного расхода и объема газа, приведенного к стандартным условиям, % |
± 0,02 | |||
|
Пределы допускаемой приведенной погрешности при преобразовании измеренного расхода газа в выходной токовый сигнал (от 4 до 20 мА), % |
± 0,1 | |||
|
Пределы допускаемой относительной погрешности при преобразовании расхода газа в выходной частотный сигнал, % |
± 0,1 | |||
|
Пределы допускаемой приведенной погрешности при измерении постоянного тока (от 4 до 20 мА), % |
± 0,1 | |||
|
* По специальному заказу | ||||
Таблица 4 - Основные технические характеристики
|
Наименование характеристики |
Значение характеристики для модификации | ||
|
GFG-H |
GFG-Z | GFG-F |
GFG-AP | |
|
Цифровые проводные интерфейсы Цифровые беспроводные интерфейсы |
GSM, GPR Bee, M2M 4 |
HART, MODBUS RTU S, Bluetooth, IrDA (ИК-порт), Zig 33/868 МГц, NB-foT, NB-Fi, LoRa | |
|
Маркировка взрывозащиты ПР ВТ |
1Ex db ib [ia Ga] IIC T4 Gb [Ex ib Gb] IIC | ||
|
Параметры питания, В: |
от встроенной батареи 7,2 |
от встроенной батареи 7,2; от внешнего блока питания от 12 до 18; от сети переменного тока 50 Гц 220 ± 10% | |
|
Потребляемая мощность, Вт, не более |
5,0 |
15,0 | |
Продолжение таблицы 4
|
Наименование характеристики |
Значение характеристики для модификации | |||
|
GFG-H |
GFG-Z |
GFG-F |
GFG-AP | |
|
Условия эксплуатации: - температура окружающего воздуха, °С - относительная влажность воздуха, %, |
от -40 до +70 |
от -50 до +70 | ||
|
до 95 | ||||
|
Масса, кг |
от 0,5 до 50 |
от 2 до 100 |
от 2 до 5000 | |
|
Габаритные размеры, мм: |
от (120х82х 84) до (290х130х 135) |
от (150х12 5х80)до (1800х3 00х300) |
от(150х125х80) до (9000х2000х2000) | |
|
Средняя наработка на отказ, ч, не менее |
60 000 | |||
Знак утверждения типа
наносится на маркировочную табличку, закрепленную на ПР и ВТ (при наличии), методом аппликации и на титульные листы руководства по эксплуатации и паспорта типографским способом.
Комплектность
Комплект поставки расходомеров в таблице 5
Таблица 5 - Комплектность средства измерений
|
Наименование |
Обозначение |
Кол-во |
Примечание |
|
Расходомер Turbo Flow GFG |
Turbo Flow GFG - H Turbo Flow GFG - F Turbo Flow GFG - Z Turbo Flow GFG - AP |
1 шт. |
Модификация в зависимости от заказа |
|
Расходомеры Turbo Flow GFG. Руководство по эксплуатации |
ТУАС.407299.001 РЭ |
1 экз. |
Допускается поставлять один экземпляр в один адрес отгрузки |
|
Расходомер Turbo Flow GFG. Паспорт |
ТУАС.407299.001 ПС |
1 экз. | |
|
ГСИ. Расходомеры Turbo Flow GFG. Методика поверки |
1 экз. |
Допускается поставлять один экземпляр в один адрес отгрузки | |
|
Комплект монтажных частей |
1 компл. |
Сведения о методах измерений
Методика измерений представлена в разделе 1.5 руководства по эксплуатации «Расходомеры
Turbo Flow GFG Руководство по эксплуатации ТУАС.407299.001 РЭ».
Нормативные документы
Приказ Федерального агентства по техническому регулированию и метрологии от 11 мая 2022 г. № 1133 «Об утверждении государственной поверочной схемы для средств измерений объёмного и массового расходов газа»;
ГОСТ 30319.2-2015 Газ природный. Методы расчета физических свойств. Вычисление физических свойств на основе данных о плотности при стандартных условиях и содержании азота и диоксида углерода;
ГОСТ 30319.3-2015 Газ природный. Методы расчета физических свойств. Вычисление физических свойств на основе данных о компонентном составе;
ГСССД МР 118-2005 Расчет плотности, фактора сжимаемости, показателя адиабаты и коэффициента динамической вязкости умеренносжатых газовых смесей;
ГСССД МР 134-2007 Расчет плотности, фактора сжимаемости, показателя адиабаты и коэффициента динамической вязкости азота, ацетилена, кислорода, диоксида углерода, аммиака, аргона и водорода в диапазоне температур 200...425 К и давлений до 10 Мпа;
ГСССД МР 273-2018 Методика расчетного определения плотности, фактора сжимаемости, скорости звука, показателя адиабаты, коэффициента динамической вязкости влажных газовых смесей в диапазоне температур от 263 К до 500 К при давлениях до 30 Мпа;
ГСССД МР 229-2014 Методика расчетного определения термодинамических свойств и коэффициента динамической вязкости природного газа при температурах 250...350 К и давлениях до 30 МПа на основе ГОСТ Р 8.662-2009 и ГОСТ Р 8.770-2011;
ТУ 4213-014-70670506-2013 Расходомер Turbo Flow GFG. Технические условия.
Другие Расходомеры











