Датчики линейных перемещений ПЛЦ 007
| Номер в ГРСИ РФ: | 60140-15 |
|---|---|
| Категория: | Датчики перемещений |
| Производитель / заявитель: | ОАО "НИИ физических измерений" (НИИФИ), г.Пенза |
Датчики линейных перемещений ПЛЦ 007 (далее - датчики) предназначены для измерения линейных перемещений и преобразования их в сопротивление.
Информация по Госреестру
| Основные данные | |
|---|---|
| Номер по Госреестру | 60140-15 |
| Действует | по 29.01.2030 |
| Наименование | Датчики линейных перемещений |
| Модель | ПЛЦ 007 |
| Код идентификации производства |
ОС
СИ не соответствует критериям подтверждения производства на территории
РФ в соответствии с постановлением №719
|
| Характер производства | Серийное |
| Идентификатор записи ФИФ ОЕИ | 3694a99a-304a-7311-87d8-a182891cdfda |
Производитель / Заявитель
Акционерное общество «Научно-исследовательский институт физических измерений» (АО «НИИФИ»), г. Пенза.
Поверка
| Межповерочный интервал / Периодичность поверки |
Первичная поверка до ввода в эксплуатацию, периодической поверке не подлежат
|
| Зарегистрировано поверок | |
| Актуальность информации | 29.03.2026 |
Поверители
Скачать
|
60140-15: Описание типа
2024-60140-15.pdf
|
Скачать | 484 КБ | |
|
60140-15: Методика поверки
2022-mp60140-15.pdf
|
Скачать | 152.9 КБ |
Описание типа
Назначение
Датчики линейных перемещений ПЛЦ 007 (далее - датчики) предназначены для измерения линейных перемещений и преобразования их в сопротивление.
Описание
Датчик ПЛЦ 007 потенциометрического типа с аналоговым выходным сигналом (сопротивление) выполнен в моноблочном исполнении, имеет два независимых электрических канала, элемент, воспринимающий входной параметр (перемещение), в виде каната.
Датчик состоит из:
- алюминиевого корпуса, плат, являющихся несущими элементами конструкции;
- резистора переменного СП5-21В-2 (чувствительный элемент), состоящего из двух секций и осуществляющего преобразование перемещения в изменение сопротивления по двум независимым каналам;
- барабана с расположенной внутри его спиральной заводной пружины, обеспечивающей возвратное движение каната в преобразователь;
- каната с серьгой для связи с подвижным блоком изделия;
- редуктора;
- платы печатной с регулировочными резисторами, обеспечивающей получение единой градуировочной характеристики с каждого выходного канала датчика;
- вилки СНЦ 28, установленной на корпусе датчика и предназначенной для съема информации с преобразователя и подачи напряжения питания;
- упора для ограничения перемещений каната в преобразователь.
Датчик жестко крепится на неподвижном блоке изделий. Связь с подвижным блоком изделия осуществляется с помощью каната. При перемещении блоков изделия относительно друг друга происходит вытягивание каната с датчика, одновременно происходит завод пружины. Вращение барабана через редуктор передается на ось переменного резистора. При вытягивании каната происходит изменение выходного сопротивления каждого канала датчика.
Общий вид датчика с указанием мест нанесения заводского номера, маркировки представлен на рисунке 1.
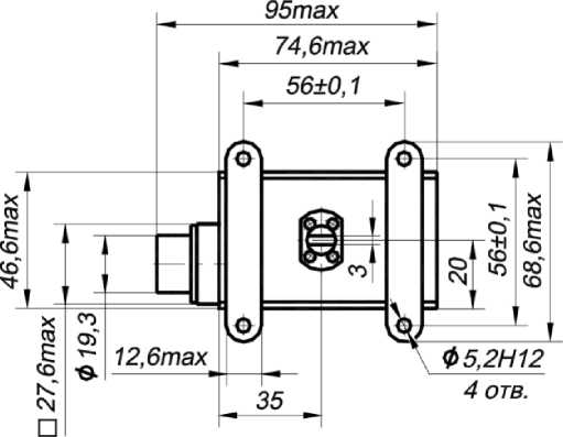
Габаритно-установочные размеры датчика представлены на рисунке 2.
Маркировка исполнения выполняется методом лазерного гравирования на корпусе в виде буквенно-цифрового обозначения, заводской номер выполняется методом лазерного гравирования на корпусе в виде цифрового обозначения.
От несанкционированного доступа датчик опломбирован способом 1 по ОСТ 92-8918-77.
Нанесение знака поверки на датчик не предусмотрено.
Место нанесения заводского номера и маркировки
Рисунок 1 - Общий вид датчика
Вилка СНЦ 28-10/18-В- 1-В
ПЛЦ 007 N
ЗАПРЕЩАЕТСЯ РЕЗКО ОТПУСКАТЬ КАНАТ
Рисунок 2 - Габаритно-установочные размеры датчика
Технические характеристики
Таблица 1
|
Наименование характеристики |
Значение |
|
Диапазон измерений, мм |
от 0 до 350 |
|
Пределы допускаемой приведенной погрешности, % |
± 1,0 |
|
Сила натяжения каната - в начале диапазона изменений, Н, не менее; - в конце диапазона измерений, Н, не более |
4 20 |
|
Полное сопротивление, Ом |
2500 ± 25 |
|
Масса, кг, не более |
0,3 |
|
Габаритные размеры, мм, не более |
95x68,6x44,3 |
|
Установочные размеры, мм |
4 отв. 05,2 Н12,56 ± 0,1 |
|
Диапазон рабочих температур, °С |
от -60 до +60 |
Знак утверждения типа
наносится типографским способом на титульные листы эксплуатационной документации, нанесение знака утверждения типа на датчик не предусмотрено.
Комплектность
Таблица 2
|
Наименование |
Обозначение |
Количество |
|
Датчики линейных перемещений |
ПЛЦ 007 |
1 шт. |
|
Розетка |
СНЦ23-10/18Р-1-В ГЕО.364.241 ТУ |
1 шт. |
|
Паспорт |
СДАИ.402161.023 ПС |
1 экз. |
|
Руководство по эксплуатации |
СДАИ.402161.023 РЭ |
1 экз. |
|
Методика поверки |
— |
1 экз. |
Сведения о методах измерений
приведены в разделе «Проверка технического состояния, измерение параметров» руководства по эксплуатации СДАИ.402161.023 РЭ.
Нормативные документы
СДАИ.402161.023 ТУ Датчики линейных перемещений ПЛЦ 007. Технические условия.
Другие Датчики перемещений
