Акселерометры низкочастотные линейные АЛЕ 048ММ
| Номер в ГРСИ РФ: | 60340-15 |
|---|---|
| Категория: | Акселерометры |
| Производитель / заявитель: | ОАО "НИИ физических измерений" (НИИФИ), г.Пенза |
Акселерометры низкочастотные линейные АЛЕ 048ММ (далее - акселерометры) предназначены для измерения низкочастотных линейных ускорений
Информация по Госреестру
| Основные данные | |
|---|---|
| Номер по Госреестру | 60340-15 |
| Действует | по 28.02.2030 |
| Наименование | Акселерометры низкочастотные линейные |
| Модель | АЛЕ 048ММ |
| Код идентификации производства |
ОС
СИ не соответствует критериям подтверждения производства на территории
РФ в соответствии с постановлением №719
|
| Характер производства | Серийное |
| Идентификатор записи ФИФ ОЕИ | 2f3326b4-2fef-b688-49c8-f6583f755550 |
Производитель / Заявитель
Акционерное общество «Научно-исследовательский институт физических измерений» (АО «НИИФИ»), г. Пенза
Поверка
| Межповерочный интервал / Периодичность поверки |
2 года
|
| Зарегистрировано поверок | |
| Актуальность информации | 29.03.2026 |
Поверители
Скачать
|
60340-15: Описание типа
2024-60340-15.pdf
|
Скачать | 383.2 КБ | |
|
60340-15: Методика поверки
2022-mp60340-15.pdf
|
Скачать | 927.5 КБ |
Описание типа
Назначение
Акселерометры низкочастотные линейные АЛЕ 048ММ (далее - акселерометры) предназначены для измерения низкочастотных линейных ускорений
Описание
Акселерометр состоит из объединенных в моноблок чувствительного элемента (ЧЭ) и электронного преобразователя (ЭП).
ЧЭ акселерометра включает в себя дифференциальный емкостный преобразователь перемещения, дифференциальный магнитоэлектрический преобразователь выходного тока акселерометра в момент силы. Подвижной пластиной дифференциального емкостного преобразователя является металлический маятник, а неподвижными пластинами - напыленные на кварцевое стекло металлизированные слои.
Электронный преобразователь акселерометра включает в себя сверхбольшую интегральную схему (СБИС) и фильтр низких частот (ФНЧ). СБИС содержит мультивибратор, двухканальный инструментальный усилитель, усилитель постоянного тока и оконечный усилитель. ФНЧ обеспечивает высокое подавление входного сигнала за пределами частотного диапазона измерений (ЧДИ). Скорость затухания амплитудно-частотной характеристики (АЧХ) за пределами ЧДИ составляет не менее 30 дБ/окт.
Акселерометр работает следующим образом: при действии ускорения в направлении измерительной оси маятник отклоняется от своего нейтрального положения, приводя к изменению емкостей емкостного преобразователя перемещения, которое преобразуется СБИС в электрическое напряжение, усиливается в усилителе постоянного тока и подается в обмотку обратного преобразователя. Ток, протекающий по обмотке, взаимодействуя с полем постоянного магнита, приводит к появлению момента, стремящегося возвратить маятник в исходное состояние.
Маркировка исполнения выполняется методом лазерного гравирования на корпусе в виде буквенно-цифрового обозначения, заводской номер, диапазон измерения и ЧДИ выполняется методом лазерного гравирования на корпусе в виде цифрового обозначения, знак защиты от статического электричества (сЭ)наносится методом гравирования на корпусе.
От несанкционированного доступа акселерометр опломбирован согласно ОСТ 92-8918 бумажной пломбой по ГОСТ 18677.
Нанесение знака поверки на датчик не предусмотрено.
Таблица 1 — Классификация акселерометров
|
Обозначение |
Маркировка акселерометра |
Диапазон измерений, м/с2 |
Коэффициент преобразования, Гц^с2/м |
ЧДИ, Гц |
|
СДАИ.402139.057 |
АЛЕ 048ММ±5,6-8 |
±5,6 |
от 0,40177 до 0,491062 |
0-8 |
|
-01 |
АЛЕ 048ММ±11-32 |
±11 |
от 0,204543 до 0,249997 |
0-32 |
|
-02 |
АЛЕ 048ММ±22-64 |
±22 |
от 0,102276 до 0,125004 |
0-64 |
|
-03 |
АЛЕ 048ММ±200-256 |
±200 |
от 0,01125 до 0,01375 |
0-256 |
|
-04 |
АЛЕ 048ММ±400-128 |
±400 |
от 0,005625 до 0,006875 |
0-128 |
|
-05 |
АЛЕ 048ММ±500-64 |
±500 |
от 0,0045 до 0,0055 |
0-64 |
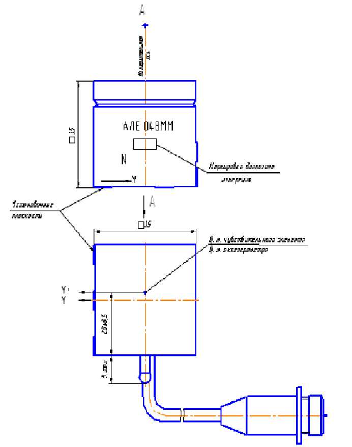
Общий вид акселерометра с указанием мест нанесения заводского номера, маркировки, знака защиты от статического электричества и место расположения пломбы от несанкционированного доступа представлен на рисунке 1.
Габаритно-установочные размеры акселерометра представлены на рисунке 2.
Место расположения пломбы
Место нанесения знака защиты от статического электричества
Место нанесения маркировки исполнения и заводского номера
Рисунок 1 - Общий вид акселерометра
Рисунок 2 - Габаритно-установочные размеры
Технические характеристики
Метрологические и технические характеристики представлены в таблице 2.
Таблица 2
|
Диапазоны измерений, м/с2 |
±5,6; ±11; ±22; ±200; ±400; ±500 |
|
Частотные диапазоны измерений, Г ц |
0-8; 0-32; 0-64; 0-128; 0-256 |
|
Смещение нуля, В |
3,0±0,3 |
|
Коэффициент преобразования в зависимости от диапазона измерений, В^с2/м: ±5,6 м/с2 |
от 0,40177 до 0,491062 |
|
±11 м/с2 |
от 0,204543 до 0,249997 |
|
±22 м/с2 |
от 0,102276 до 0,125004 |
|
±200 м/с2 |
от 0,01125 до 0,01375 |
|
±400 м/с2 |
от 0,005625 до 0,006875 |
|
±500 м/с2 |
от 0,0045 до 0,0055 |
|
Пределы допускаемой погрешности аппроксимации (нелинейность статической характеристики преобразования), % |
±0,05 |
|
Пределы допускаемой основной приведенной погрешности, % |
±0,1 |
|
Пределы допускаемой дополнительной приведенной погрешности в интервале изменения температуры окружающей среды от минус 65 до 65 °C, % |
± 0,1 |
|
Диапазон температуры окружающей среды, °C |
от минус 65 до 65 |
|
Нелинейность АЧХ в ЧДИ, %, не более ±5,6 м/с2; +11 м/с2 ±22 м/с2 от ±200 м/с2 до ±500 м/с2 |
±2 ±5 ±10 |
|
Габаритные размеры, мм, не более |
35(-0,1б)х35 |
|
Масса без кабельной перемычки, кг, не более |
0,15 |
Знак утверждения типа
наносится типографским способом на титульные листы эксплуатационной документации, нанесение знака утверждения типа на датчик не предусмотрено.
Комплектность
Таблица 3 - Комплектность средства измерений
|
Наименование |
Обозначение |
Количество |
|
Акселерометр низкочастотный линейный |
АЛЕ 048ММ |
1 шт. |
|
Формуляр |
СДАИ.402139.057 ФО |
1 экз. |
|
Руководство по эксплуатации |
СДАИ.402139.057 РЭ |
1 экз. |
|
Методика поверки |
— |
1 экз. |
Сведения о методах измерений
приведены в разделе «Проверка технического состояния, измерение параметров» руководства по эксплуатации СДАИ.402139.057 РЭ.
Нормативные документы
Акселерометр низкочастотный линейный АЛЕ 048 ММ. Технические условия СДАИ.402139.057 ТУ.
