Датчики температуры цифровые ЦДТ 1
| Номер в ГРСИ РФ: | 60708-15 |
|---|---|
| Категория: | Датчики температуры |
| Производитель / заявитель: | ОАО "НИИ физических измерений" (НИИФИ), г.Пенза |
Датчики температуры цифровые ЦДТ 1 (далее - датчики) предназначены для измерения температуры.
Информация по Госреестру
| Основные данные | |
|---|---|
| Номер по Госреестру | 60708-15 |
| Действует | по 27.04.2030 |
| Наименование | Датчики температуры цифровые |
| Модель | ЦДТ 1 |
| Код идентификации производства |
ОС
СИ не соответствует критериям подтверждения производства на территории
РФ в соответствии с постановлением №719
|
| Характер производства | Серийное |
| Идентификатор записи ФИФ ОЕИ | 1557d02d-ef7f-ee50-90cf-fb566fdbccdb |
Производитель / Заявитель
Акционерное общество «Научно-исследовательский институт физических измерений» (АО «НИИФИ») , г. Пенза.
Поверка
| Межповерочный интервал / Периодичность поверки |
4 года
|
| Зарегистрировано поверок | |
| Найдено поверителей | |
| Успешных поверок (СИ пригодно) | 984 (100%) |
| Неуспешных поверок (СИ непригодно) | 0 (0 %) |
| Актуальность информации | 21.12.2025 |
Поверители
Скачать
|
60708-15: Описание типа
2020-60708-15.pdf
Файл устарел
|
Скачать | 350.5 КБ | |
|
60708-15: Методика поверки
2022-mp60708-15.pdf
|
Скачать | 317.1 КБ | |
|
60708-15: Описание типа
2025-60708-15.pdf
|
Скачать | 589.8 КБ |
Описание типа
Назначение
Датчики температуры цифровые ЦДТ 1 (далее - датчики) предназначены для измерения температуры.
Описание
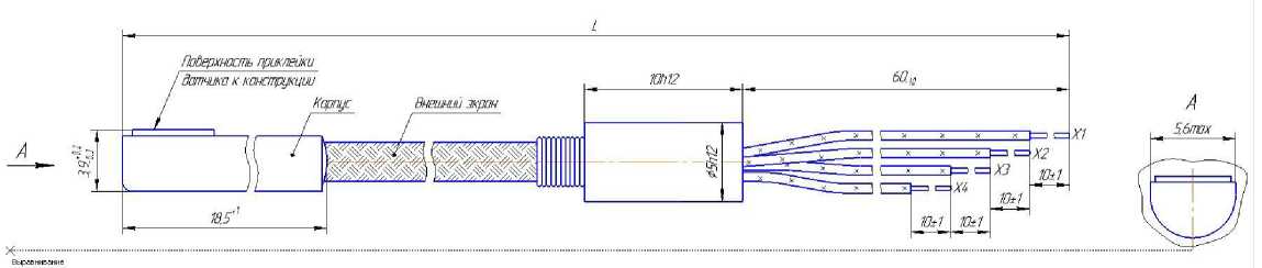
Датчик температур цифровой ЦДТ 1 состоит из преобразователя температуры DS18B20/GG8, кабеля - удлинителя и соединителя (вилка РС4А-Э) для исполнений ЦДТ 1 - ЦДТ 1-05. Датчик температур цифровой ЦДТ 1 состоит из преобразователя температуры DS18B20/GG8 и кабеля - удлинителя для исполнений ЦДТ 1-06 - ЦДТ 1-09.
Основным узлом датчика является преобразователь температуры DS18B20/GG8, закрепленный в корпусе из высоколегированной коррозионностойкой и жаростойкой стали с помощью клея. Преобразователь температуры DS18B20/GG8 представляет собой специализированную микросхему, выполняющую прямое преобразование температуры окружающей среды в цифровой код. Этот код в виде двоичного числа далее поступает в персональный компьютер или специализированный контроллер для индикации и дальнейшего использования. В основе функционирования преобразователей температуры в цифровой код лежит метод сравнения частот двух генераторов, одного с низкой зависимостью частоты от температуры, другого с высокой. Разность между количеством выработанных одним и другим генератором импульсов за единицу времени является исходным значением для определения соответствия цифрового кода и измеряемой температуры. Преобразователь температуры DS18B20/GG8 с помощью кабеля соединен с соединителем РС4А-Э АВО.364.047 ТУ, через который осуществляется подача напряжения питания и регистрация выходного сигнала, для исполнений ЦДТ 1 - ЦДТ 1-05. Для исполнений ЦДТ 1-06 - ЦДТ 1-09 предусмотрены свободные концы провода, допускающие монтаж механическим обжатием при установке на изделие.
Датчик крепится на поверхность объекта клеем Эласил 137-182, фиксация датчика осуществляется липкой лентой. Датчик не требует работ, связанных с регулировкой и настройкой в процессе измерения.
Общий вид датчика представлен на рисунках 1, 2.
Габаритные и установочные размеры датчика представлены на рисунках 3, 4.

Рисунок 2 - Общий вид датчика исполнений ЦДТ 1-06 - ЦДТ 1-09
Рисунок 3 - Габаритные и установочные размеры датчика исполнений ЦДТ 1 - ЦДТ 1-05

Программное обеспечение
отсутствует.
Технические характеристики
Таблица 1 - Метрологические характеристики
|
Наименование характеристики |
Значение |
|
Диапазон измеряемой температуры, °С |
от минус 55 до 125 |
|
Пределы допускаемой абсолютной погрешности, °С: в диапазоне измерения температур от минус 55 °С до 125 °С; |
±3,0 |
|
при этом: в диапазоне измерения температур от минус 10 °С до 85 °С |
±2,0 |
|
Ток потребления, мА, не более |
1,5 |
|
Масса, кг, не более |
0,1 |
|
Габаритные и установочные размеры, мм: |
l х 3,9=0;2 |
|
длина датчика (L) | |
|
- для исполнения ЦДТ 1 |
300±20; |
|
- для исполнения ЦДТ 1-01 |
500±20; |
|
- для исполнения ЦДТ 1-02 |
750±20; |
|
- для исполнения ЦДТ 1 -03 |
1000±20; |
|
- для исполнения ЦДТ 1-04 |
1250±20; |
|
- для исполнения ЦДТ 1-05 |
1500±20; |
|
- для исполнения ЦДТ 1-06 |
150±20; |
|
- для исполнения ЦДТ 1 -07 |
300±20; |
|
- для исполнения ЦДТ 1-08 |
500±20; |
|
- для исполнения ЦДТ 1 -09 |
750±20 |
Знак утверждения типа
наносится типографическим способом на титульных листах эксплуатационной документации.
Комплектность
В комплект поставки входят:
- датчик;
- формуляр СДАИ.405219.005 ФО;
- руководство по эксплуатации СДАИ.405219.005 РЭ;
- методика поверки СДАИ.405.219.005 МП.
Поверка
осуществляется по документу СДАИ. 405219.005 МП «Цифровой датчик температуры ЦДТ 1.
Методика поверки», утвержденному ОАО «НИИФИ» 27.03.2015 г.
Основные средства поверки:
- прибор комбинированный Щ 300 (Госреестр № 7011-79, диапазон измеряемого тока от 0,01 нА до 1 А, класс точности (0,1/0,02-1,5/0,5));
- термометр сопротивления эталонный ЭТС-100 (Госреестр № 19916-10, диапазон от минус 196 до 419,53 °С, класс точности 3 разряд);
- измеритель - регулятор температуры многоканальный прецизионный МИТ 8.03 (Госреестр № 19736-11, диапазон измеряемой температуры от минус 200 до 500 °С, погрешность ±(0,0035+0,00001t));
- весы настольные циферблатные ВНЦ-2м (Госреестр № 17132-98, диапазон измерений от 10 до 2000 г, погрешность ± 2 г);
- штангенциркуль ШЦ (Госреестр № 31063-06, диапазон измерений от 0 до 250 мм, погрешность ±0,05 мм).
Допускается применение аналогичных средств поверки, обеспечивающих определение метрологических характеристик поверяемых СИ с требуемой точностью.
Знак поверки наносится на свидетельство о поверке.
Сведения о методах измерений
приведены в эксплуатационном документе.
Нормативные документы
Технические условия СДАИ. 405219.005 ТУ
