Весы неавтоматического действия с печатанием этикеток GLP-W, GLP-WI,GLM-E Automac
| Номер в ГРСИ РФ: | 61807-15 |
|---|---|
| Категория: | Весы |
| Производитель / заявитель: | Фирма "Bizerba", Германия |
Весы неавтоматического действия с печатанием этикеток GLP-W, GLP-WI, GLM-E Automac (далее — весы) предназначены для измерений массы товара, вычислений его стоимости на основе заранее введенной оператором цены за единицу товара и печатания этикетки.
Информация по Госреестру
| Основные данные | |
|---|---|
| Номер по Госреестру | 61807-15 |
| Действует | по 19.08.2030 |
| Наименование | Весы неавтоматического действия с печатанием этикеток |
| Модель | GLP-W, GLP-WI,GLM-E Automac |
| Код идентификации производства |
ОС
СИ не соответствует критериям подтверждения производства на территории
РФ в соответствии с постановлением №719
|
| Характер производства | Серийное |
| Идентификатор записи ФИФ ОЕИ | 2f889ffa-1665-cae6-9aad-69411d7ce2c3 |
Производитель / Заявитель
"Bizerba SE & Co. KG", Германия; Фирма "Bizerba GmbH & Co. KG", Германия (срок свидетельства: 02.10.2020)
Поверка
| Межповерочный интервал / Периодичность поверки |
1 год
|
| Зарегистрировано поверок |
2625
|
| Найдено поверителей | |
| Успешных поверок (СИ пригодно) | 2619 (100%) |
| Неуспешных поверок (СИ непригодно) | 6 (0 %) |
| Актуальность информации | 10.05.2026 |
Поверители
Скачать
|
61807-15: Описание типа
2022-61807-15.pdf
|
Скачать | 1.5 MБ | |
|
61807-15: Методика поверки
2022-mp61807-15.pdf
|
Скачать | 74.8 КБ |
Описание типа
Назначение
Весы неавтоматического действия с печатанием этикеток GLP-W, GLP-WI, GLM-E Automac (далее - весы) предназначены для измерений массы товара, вычислений его стоимости на основе заранее введенной оператором цены за единицу товара и печатания этикетки.
Описание
Принцип действия весов основан на преобразовании возникающей под действием силы тяжести взвешиваемого груза деформации упругих элементов датчиков в аналоговый электрический сигнал, пропорциональный его массе, с последующим аналого-цифровым преобразованием, математической обработкой и выдачей результатов измерений массы в визуальной форме на дисплее весов, а также их распечатке, и/или их передачей в виде электрического сигнала через цифровой интерфейс связи на периферийные устройства, например, персональный компьютер.
Весы имеют модульную компоновку. В качестве модулей весов выступают:
- грузоприемное устройство (далее - ГПУ), включающее в себя весоизмерительные датчики (далее - датчики);
- устройство обработки сигналов датчиков;
- принтер для печатания этикеток;
- терминал с дисплеем и органами управления весами.
Устройство обработки сигналов датчиков может быть конструктивно объединено с принтером в едином корпусе (принтер GLP 80 для печати этикеток шириной до 80 мм, принтеры GLP 160, GLP 160 L для печати этикеток шириной до 160 мм, принтер GLP I для печати этикеток шириной до 300 мм и распознавания радиочастотных меток), в этом случае в весах используется отдельный терминал с органами управления весами и дисплеем в различных конструктивных исполнениях (GT 240, GT 6 M, GT 7 C, GT 12 C, GT 12 E, GT CT, GT NT, iS65, iS75, iS75 G2).
Устройство обработки сигналов датчиков, принтер для печатания этикеток и терминал с органами управления весами и дисплеем могут быть объединены в один весоизмерительный прибор в едином корпусе.
ГПУ всегда представляет собой отдельную механическую конструкцию для принятия нагрузки. ГПУ и другие модули весов могут размещаться на рабочем месте оператора (настольное, напольное размещение) или могут быть закреплены на специальной стойке, или быть включены в состав упаковочных машин (грузы перемещаются оператором вручную).
Весы могут быть снабжены следующими устройствами и функциями (в скобках указаны соответствующие пункты ГОСТ OIML R 76-1—2011):
- устройство первоначальной установки на нуль (T.2.7.2.4);
- полуавтоматическое устройство установки на нуль (T.2.7.2.2);
- устройство слежения за нулем (T.2.7.3);
- устройство уравновешивания тары — устройство выборки массы тары (T.2.7.4.1);
- устройство предварительного задания значения массы тары (T.2.7.5);
- устройство взвешивания тары (T.2.7.4.2);
- устройство переключения показаний брутто-нетто (T.5.2.1);
- устройство выбора единиц измерений (2.1);
- показывающее устройство с расширением (Т.2.6);
- устройство установки по уровню (Т.2.7.1);
- устройство обнаружения промахов (5.2).
Весы имеют режимы работы в качестве однодиапазонных или многоинтервальных весов в зависимости от модификации весов.
Модификации весов имеют обозначения вида Y X, где Y — это обозначение: GLP-W, (также обозначается GLP-WMAXX, GLP-Wmaxx), GLP-WI (также обозначается GLP-WIMAXX, GLP-Wmaxx) или GLM-E Automac (также обозначается GLM-EMAXX Automac, GLM-Emaxx Automac); X — обозначение одного из конструктивных исполнений ГПУ.
Конструктивные исполнения ГПУ c четырьмя тензорезисторными весоизмерительными датчиками:
- iL Professional 800F/MP, iL Professional 2000F/MP, iL Professional 4000F/MP, iL Professional 6000F/MP, iL Professional 7500F/MP или iL Professional 20000F/MP: платформы для стационарной напольной установки или в приямок, изготавливаются из нержавеющей стали;
- iL Economy 2000F/MP или iL Economy 4000F/MP: платформы для напольной установки или в приямок, изготавливаемые из нержавеющей стали.
Конструктивные исполнения ГПУ c одним тензорезисторным весоизмерительным датчиком:
- LA 18 А/М (также обозначается Typ 18А или 18 А-М): платформа для стационарной установки, изготавливаемая из оцинкованной стали (весы GLM-E Automac / GLM-EMAXX Automac / GLM-Emaxx Automac оснащаются только ГПУ LA 18 А/М);
- iL Economy 300F/SP или iL Economy 300F/SP Type2: платформы для стационарной напольной установки, изготавливаемые из нержавеющей стали;
- iL Professional 50SPM/SP или iL Professional 150SPM/SP: платформы для напольной установки из нержавеющей стали, с датчиком, заключенным в герметичный кожух;
Конструктивные исполнения ГПУ c системой рычагов, передающих нагрузку от платформы весов весоизмерительному датчику:
- iL Professional 20F/HY, iL Professional 150F/HY, iL Professional 350F/HY или iL Professional 750F/HY: платформы для напольной установки, изготавливаемые из нержавеющей стали, могут быть оснащены роликовым конвейером;
Цифровой индекс в обозначениях исполнений ГПУ указывает на величину максимальной нагрузки. Модификации весов, отличаются максимальными нагрузками и соответствующими метрологическими характеристиками.
Примеры общего вида весов представлен на рисунках 1 и 2.
Примеры общего вида терминалов представлен на рисунке 3.
Примеры общего вида ГПУ весов представлен на рисунках 4 и 5.
Рисунок 1 — Весы GLP-W (принтер GLP 80, терминал GT 6М, ГПУ LA 18 А/М);
Рисунок 2 — Весы GLM-E Automac LA 18 А/М в составе упаковочной машины (слева); весы GLP-WI c ГПУ LA 18 А/М на стойке (справа)
GT 240 GT CT
GT NT
GT 6 M
GT 7 C
GT 12 C
GT 12 E
iS65
Рисунок 3 — Общий вид терминалов
iS75, iS75 G2
iL Professional 800F/MP
iL Professional 2000F/MP, iL Professional 4000F/MP,
iL Professional 6000F/MP, iL Professional 7500F/MP
iL Professional 20000F/MP
iL Economy 4000F/MP
iL Economy 300F/SP
iL Economy 300F/SP Type2
iL Professional 50SPM/SP, iL Professional 150SPM/SP
iL Professional 20F/HY, iL Professional 150F/HY, iL Professional 350F/HY, iL Professional 750F/HY
LA 18 A/M (Typ18A /18 А-М)
Рисунок 4 — Общий вид исполнений ГПУ
Маркировочная табличка средства весов, разрушаемая при попытке демонтажа, закреплена на корпусе устройства обработки сигнала датчика, и содержит следующие основные данные:
- торговая марка изготовителя и(или) его полное наименование;
- обозначение типа;
- заводской (серийный) номер весов;
- заводской (серийный) номер ГПУ (обозначение может отсутствовать на маркировочной табличке в случае если устройство обработки сигналов датчиков, принтер для печатания этикеток и терминал с органами управления весами и дисплеем изготовлены в едином корпусе);
- обозначение класса точности;
- значение максимальной нагрузки Max (Maxi поддиапазонов взвешивания многоинтервальных весов);
- значение минимальной нагрузки Min;
- значение поверочного интервала e (ei поддиапазонов взвешивания многоинтервальных весов);
- диапазон уравновешивания тары.
Заводской (серийный) номер наносится на маркировочную табличку посредством лазерной печати в виде последовательности арабских цифр .
Модули весов могут иметь отдельные маркировочные таблички. Заводские номера представляют собой последовательность арабских цифр.
1
S/N
11886093
кг
3/6
C€ ЕЖ
Min
1.2 A
T3.15 A
Сделано в Германии
S/N 11886092
§ S В
240В AC 50/60 ГЦ
Bizerba SE & Co. KG 72336 Балинген, Германия
T= - Мах1/ Max
BIZERBR GLP-W
Модель GLP-Wmaxx
2
Рисунок 5 — Общий вид маркировочной таблички (пример)
(1 — заводской (серийный) номер весов / 2 - заводской (серийный) номер ГПУ)
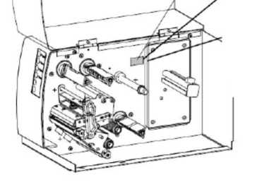
Знак поверки в виде наклейки наносится на лицевую панель корпуса терминала, устройства обработки сигналов датчиков или весоизмерительного прибора. Схема пломбировки представлена на рисунках 6-7.
Рисунок 6 — Примеры схемы пломбировки
|
Планка, препятствующая доступу к винту крепления защитного кожуха |
/Чх> h сЖ ! |
Рисунок 7 — Примеры схемы пломбировки
Программное обеспечение
Программное обеспечение (далее — ПО) весов является встроенным, хранится в ПЗУ весов.
Защита от несанкционированного доступа к настройкам и данным измерений обеспечивается невозможностью изменения ПО без применения специализированного оборудования производителя.
Метрологически значимая часть ПО — ПО устройства обработки сигналов датчиков, и настройки весов разделены на 7 уровней доступа, защищенных паролем.
Параметры, определяющие технические и метрологические характеристики весов, в том числе показатели точности, хранятся в энергонезависимой памяти (EEPROM) весов, а также продублированы в ПЗУ. При несовпадении этих значений, соответствующая запись вносится в журнал событий. Проведение взвешивания становится невозможным. Журнал событий хранится в зашифрованном виде в энергонезависимой памяти.
Защита ПО от преднамеренных и непреднамеренных воздействий соответствует уровню «Высокий» по Р 50.2.077-2014.
Идентификационные данные метрологически значимой части ПО (приведены в таблице 1) отображаются на дисплее весов одним из способов:
- через «Сервисное меню» (по нажатию клавиши программном обеспечении», пункты «Версия программного обеспечения», «Журнал событий»;
, подменю «Сведения о
- одновременным нажатием клавиш
‘;
- нажатием на «кнопку» «i» («Info»).
Таблица 1 — Идентификационные данные ПО
|
Идентификационные данные (признаки) |
Значение |
|
Идентификационное наименование ПО | |
|
Номер версии (идентификационный номер) ПО ** |
е: 002; е: 003; е: 004; е: 05167; е: 05ххх*; е: 0428; е: 04102 |
|
Цифровой идентификатор ПО | |
|
Другие идентификационные данные (если имеются) | |
|
* х - цифры от 0 до 9. * * В одной строке с номером версии (идентификационном номере) ПО после символов «WZ:» может быть указана техническая информация о весоизмерительном датчике, которая не относится к идентификационнам данным ПО. | |
Технические характеристики
Таблица 2 — Метрологические характеристики
|
Наименование характеристики |
Значение |
|
Класс точности по ГОСТ OIML R 76-1—2011 |
III (см. таблицы 3 - 6) |
|
Диапазон уравновешивания тары |
100 % Мах |
|
Диапазон предварительного задания значения массы тары: - однодиапазонные весы - многоинтервальные весы |
100 % Мах 100 % Мах1 |
Значения максимальных нагрузок, числа и величины поверочных интервалов весов указаны в таблицах 3 - 6.
Таблица 3 — Однодиапазонные весы GLP-W, GLP-WMAXX, GLP-Wmaxx,
GLP-WI, GLP-WIMAXX, GLP-WImaxx
|
Модификация весов (Y в обозначении модификации означает GLP-W, GLP-WMAXX, GLP-Wmaxx, GLP-WI, GLP-WImaxx, GLP-WImaxx) |
Максимальная нагрузка Max, кг |
Поверочный интервал e, действительная цена деления (шкалы) d, e=d, кг |
Число поверочных интервалов n |
|
Y iL Economy 300F/SP Y iL Economy 300F/SP Type2 Y iL Professional 50SPM/SP |
3 |
0,001 |
3000 |
|
Y iL Professional 20F/HY |
6 |
0,001 |
6000 |
|
Y iL Economy 300F/SP Y iL Economy 300F/SP Type2 Y iL Professional 50SPM/SP Y iL Professional 20F/HY Y LA 18 А/М (Y 18 А-М / Y Typ 18A) |
6 |
0,002 |
3000 |
|
Y iL Professional 20F/HY Y LA 18 А/М (Y 18 А-М / Y Typ 18A) |
12 |
0,002 |
6000 |
|
Y iL Economy 300F/SP Y iL Economy 300F/SP Type2 Y iL Professional 50SPM/SP Y iL Professional 20F/HY Y iL Professional 150F/HY Y LA 18 А/М (Y 18 А-М / Y Typ 18A) |
15 |
0,005 |
3000 |
|
Y iL Professional 150F/HY Y iL Professional 350F/HY |
30 |
0,005 |
6000 |
|
Y iL Professional 800F/MP Y iL Economy 300F/SP, Y iL Economy 300F/SP Type2 Y iL Professional 50SPM/SP Y iL Professional 150F/HY Y iL Professional 350F/HY |
30 |
0,01 |
3000 |
|
Y iL Professional 150F/HY Y iL Professional 350F/HY Y iL Professional 750F/HY |
60 |
0,01 |
6000 |
Продолжение Таблицы 3
|
Модификация весов (Y в обозначении модификации означает GLP-W, GLP-WMAXX, GLP-Wmaxx, GLP-WI, GLP-WImaxx, GLP-WImaxx) |
Максимальная нагрузка Max, кг |
Поверочный интервал e, действительная цена деления (шкалы) d, e=d, кг |
Число поверочных интервалов n |
|
Y iL Professional 800F/MP Y iL Economy 300F/SP Y iL Economy 300F/SP Type2 Y iL Professional 150SPM/SP Y iL Professional 150F/HY Y iL Professional 350F/HY Y iL Professional 750F/HY |
60 |
0,02 |
3000 |
|
Y iL Professional 800F/MP Y iL Professional 150F/HY Y iL Professional 350F/HY Y iL Professional 750F/HY |
120 |
0,02 |
6000 |
|
Y iL Professional 800F/MP Y iL Economy 300F/SP Y iL Economy 300F/SP Type2 Y iL Professional 150SPM/SP Y iL Professional 150F/HY Y iL Professional 350F/HY Y iL Professional 750F/HY |
150 |
0,05 |
3000 |
|
Y iL Professional 800F/MP Y iL Professional 350F/HY Y iL Professional 750F/HY |
300 |
0,05 |
6000 |
|
Y iL Professional 800F/MP Y iL Professional 2000F/MP Y iL Professional 4000F/MP Y iL Economy 2000F/MP Y iL Economy 300F/SP Y iL Economy 300F/SP Type2 Y iL Professional 350F/HY Y iL Professional 750F/HY |
300 |
0,1 |
3000 |
|
Y iL Professional 750F/HY |
500 |
0,1 |
5000 |
|
Y iL Professional 750F/HY |
500 |
0,2 |
2500 |
|
Y iL Professional 800F/MP Y iL Professional 2000F/MP Y iL Professional 750F/HY |
600 |
0,1 |
6000 |
|
Y iL Professional 800F/MP Y iL Professional 2000F/MP, Y iL Economy 2000F/MP Y iL Professional 750F/HY |
600 |
0,2 |
3000 |
|
Y iL Professional 2000F/MP Y iL Professional 4000F/MP |
1200 |
0,2 |
6000 |
Продолжение Таблицы 3
|
Модификация весов (Y в обозначении модификации означает GLP-W, GLP-WMAXX, GLP-Wmaxx, GLP-WI, GLP-WImaxx, GLP-WImaxx) |
Максимальная нагрузка Max, кг |
Поверочный интервал e, действительная цена деления (шкалы) d, e=d, кг |
Число поверочных интервалов n |
|
Y iL Professional 2000F/MP Y iL Professional 6000F/MP Y iL Economy 4000F/MP Y iL Professional 4000F/MP Y iL Professional 7500F/MP Y iL Economy 2000F/MP |
1500 |
0,5 |
3000 |
|
Y iL Professional 4000F/MP Y iL Professional 7500F/MP Y iL Professional 20000F/MP |
3000 |
0,5 |
6000 |
|
Y iL Professional 6000F/MP Y iL Economy 4000F/MP Y iL Professional 4000F/MP Y iL Professional 7500F/MP Y iL Professional 20000F/MP |
3000 |
1 |
3000 |
|
Y iL Professional 7500F/MP Y iL Professional 20000F/MP |
6000 |
1 |
6000 |
|
Y iL Professional 7500F/MP Y iL Professional 20000F/MP |
6000 |
2 |
3000 |
|
Y iL Professional 20000F/MP |
12000 |
2 |
6000 |
|
Y iL Professional 20000F/MP |
15000 |
5 |
3000 |
Таблица 4 — Однодиапазонные весы GLM-E Automac
(GLM-Emaxx Automac, GLM-Emaxx Automac)
|
Модификация весов (Y в обозначении модификации означает GLM-E Automac, GLM-EMAXX Automac, GLM-Emaxx Automac) |
Максимальная нагрузка Max, кг |
Поверочный интервал e, действительная цена деления (шкалы) d, e=d, кг |
Число поверочных интервалов n |
|
Y LA 18 А/М (Y 18 А-М / Y Typ 18A) |
6 |
0,002 |
3000 |
Таблица 5 — Многоинтервальные весы GLP-W, GLP-WMAXX, GLP-Wmaxx,
GLP-WI, GLP-WIMAxx, GLP-WImaxx
|
Модификация весов (Y в обозначении модификации означает GLP-W, GLP-WMAXX, GLP-Wmaxx, GLP-WI, GLP-WImaxx, GLP-WImaxx) |
Максимальная нагрузка Max1/Max2 (/Махэ), кг |
Поверочный интервал e 1/ e 2(/e 3), действительная цена деления (шкалы) d1/d2(/d3), ei =di, кг |
Число поверочных интервалов n 1/n 2(/n 3) |
|
Y iL Professional 20F/HY Y LA 18 А/М (Y 18 А-М / Y Typ 18A) |
3/6 |
0,001/0,002 |
3000/3000 |
|
Y iL Professional 20F/HY |
3/6/15 |
0,001/0,002/0,005 |
3000/3000/3000 |
Продолжение таблицы 5
|
Модификация весов (Y в обозначении модификации означает GLP-W, GLP-WMAXX, GLP-Wmaxx, GLP-WI, GLP-WImaxx, GLP-WImaxx) |
Максимальная нагрузка Max1/Max2 (/Махэ), кг |
Поверочный интервал e 1/ e 2(/e 3), действительная цена деления (шкалы) d1/d2(/d3), ei =di, кг |
Число поверочных интервалов n 1/n 2(/n 3) |
|
Y iL Professional 50SPM/SP Y iL Professional 150F/HY Y LA 18 А/М (Y 18 А-М / Y Typ 18A) |
6/15 |
0,002/0,005 |
3000/3000 |
|
Y iL Professional 150F/HY Y iL Professional 350F/HY |
6/15/30 |
0,002/0,005/0,010 |
3000/3000/3000 |
|
Y iL Professional 150SPM/SP Y iL Professional 50SPM/SP Y iL Professional 20F/HY Y iL Professional 150F/HY Y iL Professional 350F/HY |
15/30 |
0,005/0,010 |
3000/3000 |
|
Y iL Professional 150F/HY Y iL Professional 350F/HY |
15/30/60 |
0,005/0,010/0,020 |
3000/3000/3000 |
|
Y iL Professional 800F/MP Y iL Professional 20F/HY Y iL Professional 150F/HY Y iL Professional 350F/HY Y iL Professional 750F/HY |
30/60 |
0,01/0,02 |
3000/3000 |
|
Y iL Professional 150F/HY Y iL Professional 350F/HY Y iL Professional 750F/HY |
30/60/150 |
0,01/0,02/0,05 |
3000/3000/3000 |
|
Y iL Professional 800F/MP Y iL Professional 150F/HY Y iL Professional 350F/HY Y iL Professional 750F/HY |
60/150 |
0,02/0,05 |
3000/3000 |
|
Y iL Professional 350F/HY Y iL Professional 750F/HY |
60/150/300 |
0,02/0,05/0,1 |
3000/3000/3000 |
|
Y iL Professional 800F/MP Y iL Professional 350F/HY Y iL Professional 750F/HY |
150/300 |
0,05/0,1 |
3000/3000 |
|
Y iL Professional 750F/HY |
150/300/500 |
0,05/0,1/0,2 |
3000/3000/2500 |
|
Y iL Professional 750F/HY |
300/500 |
0,1/0,2 |
3000/2500 |
|
Y iL Professional 800F/MP Y iL Professional 2000F/MP Y iL Professional 4000F/MP Y iL Professional 750F/HY |
300/600 |
0,1/0,2 |
3000/3000 |
|
Y iL Professional 2000F/MP Y iL Professional 4000F/MP Y iL Professional 6000F/MP Y iL Professional 7500F/MP Y iL Economy 2000F/MP |
600/1500 |
0,2/0,5 |
3000/3000 |
|
Y iL Professional 4000F/MP Y iL Professional 6000F/MP Y iL Professional 7500F/MP Y iL Economy 4000F/MP |
1500/3000 |
0,5/1,0 |
3000/3000 |
Продолжение таблицы 5
|
Модификация весов (Y в обозначении модификации означает GLP-W, GLP-WMAXX, GLP-Wmaxx, GLP-WI, GLP-WImaxx, GLP-WImaxx) |
Максимальная нагрузка Maxi/Max2 (/Махз), кг |
Поверочный интервал e 1/ e 2(/e з), действительная цена деления (шкалы) d1/dг(/dз), ei =di, кг |
Число поверочных интервалов n 1/n 2(/n з) |
|
Y iL Professional 7500F/MP Y iL Professional 20000F/MP |
3000/6000 |
1/2 |
3000/3000 |
|
Y iL Professional 20000F/MP |
6000/15000 |
2/5 |
3000/3000 |
Таблица 6 — Многоинтервальные весы GLM-E Automac
_______________________________, (GLM-Emaxx Automac, GLM-Emaxx Automac)
|
Модификация весов Y в обозначении модификации означает GLM-E Automac, GLM-Emaxx Automac, GLM-Emaxx Automac |
Максимальная нагрузка Max1/Max2, кг |
Поверочный интервал e 1/ e 2, действительная цена деления (шкалы) d1/d2, ei=di, кг |
Число поверочных интервалов n 1/n 2 |
|
Y LA 18 А/М (Y 18 А-М / Y Typ 18A) |
3/6 |
0,001/0,002 |
3000/3000 |
Таблица 7 - Основные технические характеристики
|
Наименование характеристики |
Значение |
|
Диапазон температуры (п. 3.9.2.1, ГОСТ OIML R 76-1—2011), оС |
от -10 до +40 оС |
|
Электрическое питание от сети переменного тока: - напряжение питания, В - частота, Г ц |
от 120 до 240 50 ±1 |
|
Масса весов, кг, не более |
2000 |
|
Г абаритные размеры ГПУ, мм, не более (ширина; глубина; высота) |
2500; 2500; 2000 |
Знак утверждения типа
наносится на эксплуатационную документацию и маркировочную табличку весов.
Комплектность
Таблица 8 — Комплектность средства измерений
|
Наименование |
Обозначение |
Количество |
|
Весы |
_ |
1 шт. |
|
Руководство по эксплуатации на весы |
_ |
1 экз. |
|
Руководство по эксплуатации на устройство обработки сигналов датчиков |
_ |
1 экз. |
Сведения о методах измерений
приведены в:
- разделе 4.4 документа «Весы неавтоматического действия с печатанием этикеток GLP-W, GLP-WI, GLM-E Automac. Модификации GLP-W iL Professional 50SPM/SP, GLP-WI iL Professional 50SPM/SP, GLP-W iL Professional 150SPM/SP, GLP-WI iL Professional 150SPM/SP. Руководство по эксплуатации»;
- разделе 4.4 документа «Весы неавтоматического действия с печатанием этикеток GLP-W, GLP-WI, GLM-E Automac. Модификации GLP-W(I) iL Professional 20F/HY, GLP-W(I) iL Professional 150F/HY, GLP-W(I) iL Professional 350F/HY, GLP-W(I) iL Professional 750F/HY. Руководство по эксплуатации»;
- разделе 4.8 документа «Весы неавтоматического действия с печатанием этикеток GLP-W, GLP-WI, GLM-E Automac. Модификации GLP-W iL Professional 800F/MP, GLP-WI iL Professional 800F/MP, GLP-W iL Professional 2000F/MP, GLP-WI iL Professional 2000F/MP, GLP-W iL Professional 4000F/MP, GLP-WI iL Professional 4000F/MP, GLP-W iL Professional 6000F/MP, GLP-WI iL Professional 6000F/MP, GLP-W iL Professional 7500F/MP, GLP-WI iL Professional 7500F/MP, GLP-W iL Professional 20000F/MP, GLP-WI iL Professional 20000F/MP. Руководство по эксплуатации»;
- разделе 4.7 документа «Весы неавтоматического действия с печатанием этикеток GLP-W, GLP-WI, GLM-E Automac. Модификации GLP-W iL Economy 2000F/MP, GLP-W iL Economy 4000F/MP, GLP-WI iL Economy 2000F/MP, GLP-WI iL Economy 4000F/MP. Руководство по эксплуатации»;
- разделе 4.5 документа «Весы неавтоматического действия с печатанием этикеток GLP-W, GLP-WI, GLM-E Automac. Модификации GLP-W iL Economy 300F/SP (Type2), GLP-WI iL Economy 300F/SP (Type2). Руководство по эксплуатации»;
- разделе 4.5 документа «Весы неавтоматического действия с печатанием этикеток GLP-W, GLP-WI, GLM-E Automac. Модификации GLP-W Typ18A/M, GLP-WI Typ18A/M, GLP-W Typ18A-M, GLP-WI Typ18A/M. Руководство по эксплуатации»;
- разделе 9 документа «Весы неавтоматического действия с печатанием этикеток GLP-W, GLP-WI, GLM-E Automac. Модификация GLM-E Automac. Руководство по эксплуатации».
Нормативные документы
Приказ Росстандарта от 7 июля 2022 г. № 1622 «Об утверждении Государственной поверочной схемы для средств измерений массы»;
ГОСТ OIML R 76-1—2011 «Весы неавтоматического действия. Часть 1. Метрологические и технические требования. Испытания»;
Техническая документация фирмы «Bizerba SE & Co. KG», Германия.





















