Датчики разности давлений ДРИ 093
| Номер в ГРСИ РФ: | 63050-16 |
|---|---|
| Категория: | Датчики давления |
| Производитель / заявитель: | ОАО "НИИ физических измерений" (НИИФИ), г.Пенза |
Датчики разности давлений ДРИ 093 (далее - датчики) предназначены для измерения разности давлений воздуха.
Информация по Госреестру
| Основные данные | |
|---|---|
| Номер по Госреестру | 63050-16 |
| Действует | по 03.02.2031 |
| Наименование | Датчики разности давлений |
| Модель | ДРИ 093 |
| Приказы |
№2622 от
03.12.2025
— О продлении срока действия утвержденных типов средств измерений
|
| Код идентификации производства |
ОС
СИ не соответствует критериям подтверждения производства на территории
РФ в соответствии с постановлением №719
|
| Характер производства | Серийное |
| Идентификатор записи ФИФ ОЕИ | 692baa0f-ff69-67cb-f0d5-4481c4e8c20e |
Производитель / Заявитель
АО "НИИ физических измерений" (НИИФИ), РОССИЯ, г.Пенза
Поверка
| Межповерочный интервал / Периодичность поверки |
2 года
|
| Зарегистрировано поверок | |
| Найдено поверителей | |
| Успешных поверок (СИ пригодно) | 136 (100%) |
| Неуспешных поверок (СИ непригодно) | 0 (0 %) |
| Актуальность информации | 29.03.2026 |
Поверители
Скачать
|
63050-16: Описание типа
2016-63050-16.pdf
Файл устарел
|
Скачать | 118.5 КБ | |
|
63050-16: Методика поверки
2016-mp63050-16.pdf
Файл устарел
|
Скачать | 576 КБ | |
|
63050-16: Описание типа
2016-63050-16-1.pdf
|
Скачать | 118.5 КБ | |
|
63050-16: Методика поверки
2016-mp63050-16-1.pdf
|
Скачать | 576 КБ |
Описание типа
Назначение
Датчики разности давлений ДРИ 093 (далее - датчики) предназначены для измерения разности давлений воздуха.
Описание
Принцип работы датчика основан на дифференциально-индуктивном методе преобразования.
Конструкция датчика представляет собой корпус цилиндрической формы, в котором размещаются чувствительный элемент и блок усиления (БУ). На одном конце корпуса выполнены два штуцера, в полости которых подается измеряемая разность давлений, на втором -контакты вилки РРС3-10, соединенные с контактами блока усиления. На вход датчика ДРИ 093 через штуцера поступают давления. При равенстве давлений измеряемая разность равна нулю и упругий элемент (сильфон) не перемещается, на выходе датчика ДРИ 093 формируется выходной сигнал соответствующий середине диапазона измерения.
Отрицательная и положительная разность давлений вызывает растяжение или сжатие сильфона и перемещение ферромагнитной втулки, ведущее к изменению взаимной индуктивности катушек преобразователя пропорционально измеряемой разности давлений.
Сигнал с выходной обмотки преобразуется БУ в аналоговый сигнал - напряжение постоянного тока.
Знак поверки наносится на свидетельство о поверке.
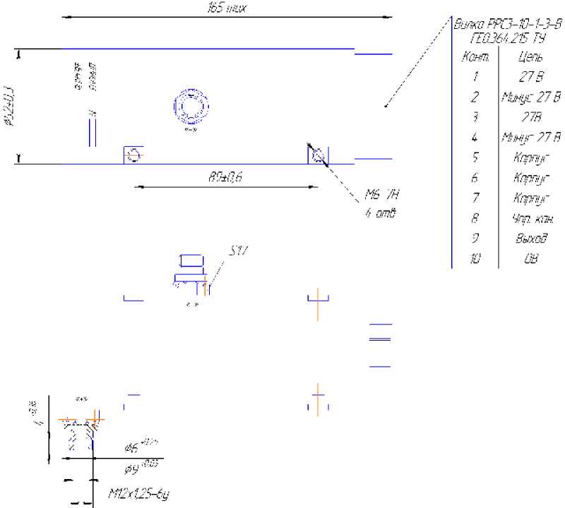
Общий вид датчика приведен на рисунке 1, габаритные и установочные размеры - на рисунке 2.
Рисунок 1 - Общий вид датчика давления
Рисунок 2 - Г абаритные и установочные размеры датчика
Метрологические и технические характеристики представлены в таблице 1.
Таблица 1
|
Наименование характеристики |
Значение характеристики |
|
Диапазоны измерений перепада давлений, кПа (мм рт.ст.): |
от минус 6,4 до 6,4 (от минус 48 до 48) |
|
Значение выходного сигнала при нижнем значении диапазона измерений Рн, В |
0,7+0,6 |
|
Значение выходного сигнала при среднем значении диапазона измерений Рср, В |
3+0,6 |
|
Значение выходного сигнала при верхнем значении диапазона измерений Рв, В |
5,3+0,6 |
|
Пределы допускаемой основной приведенной погрешности, %: |
+1,5 |
|
Пределы допускаемой дополнительной погрешности от воздействия температуры окружающей и измеряемой сред % |
+2 |
|
Диапазон температуры окружающей и измеряемой сред, 0С |
от минус 60 до 60 |
Продолжение таблицы 1
|
Наименование характеристики |
Значение характеристики |
|
Масса, кг, не более |
0,800 |
|
Габаритные (диаметр корпуса датчика, максимальная длина датчика, межцентровое расстояние между установочными отверстиями) и установочные (внутренние диаметры штуцера, глубина до уплотнительной поверхности штуцера) размеры, мм |
052+0,3, 165max, 89+0,6 4 отв. М6-7Н 09+0’03 06+0’025 4+0’16 M12x1,25-6g |
Знак утверждения типа
наносится на титульных листах эксплуатационной документации офсетным способом.
Комплектность
В комплект поставки входят:
- датчик разности давлений ДРИ 093;
- формуляр СДАИ.406239.073ФО;
- руководство по эксплуатации СДАИ.406239.073РЭ;
- методика поверки СДАИ.406239.073МП;
- втулка СДАИ.715451.006 - 2 шт.;
- гайка СДАИ.758422.028 - 2 шт.;
- прокладка 6х9-П ГОСТ 19752-84 - 2шт.
Поверка
осуществляется в соответствии с документом СДАИ.406239.073МП «Датчик разности давлений ДРИ 093. Методика поверки», утвержденным АО «НИИФИ» 03.11.2015 г.
Основные средства поверки: источник питания постоянного тока Б5-45 (Госреестр № 5965-77, диапазон задаваемых напряжений от 0,1 до 49,9 В, погрешность ±(0,05% иуст+0,1% Umax)); вольтметр универсальный В7-16А (Госреестр № 6458-79, диапазон (0 - 1000) В, класс точности (0,05/0,05 - 0,1/0,1); манометр абсолютного давления МПА 15 (Госреестр № 4222-74, диапазон задаваемых давлений от 0 до 400 кПа, класс точности 0,01); прибор электроизмерительный многофункциональный Ц-4353 (Госреестр № 5913-77, диапазон измерений I-: от 0 до 1500 мА, класс точности 1,5); штангенциркуль ЩЦ-П-250-0.05 (Госреестр № 31063-06, диапазон измерений от 0 до 250 мм, погрешность ± 0,05 мм).
Сведения о методах измерений
Методика измерений содержится в руководстве по эксплуатации СДАИ.406239.073РЭ.
Нормативные документы
1 Датчик разности давлений ДРИ 093. Технические условия СДАИ.406239.073ТУ.
2 ГОСТ 8.187-76 «ГСИ. Государственный специальный эталон и общесоюзная поверочная схема для средств измерений разности давлений до 4-104 Па».
Другие Датчики давления
