Датчики давления в амортизаторе ДДА
| Номер в ГРСИ РФ: | 63064-16 |
|---|---|
| Категория: | Датчики давления |
| Производитель / заявитель: | ОАО "НИИ физических измерений" (НИИФИ), г.Пенза |
Датчики давления в амортизаторе ДДА предназначены для измерения избыточного давления.
Информация по Госреестру
| Основные данные | |
|---|---|
| Номер по Госреестру | 63064-16 |
| Действует | по 23.12.2030 |
| Наименование | Датчики давления в амортизаторе |
| Модель | ДДА |
| Приказы |
№2346 от
30.10.2025
— О продлении срока действия утвержденных типов средств измерений
|
| Код идентификации производства | |
| Характер производства | Серийное |
| Идентификатор записи ФИФ ОЕИ | 14e8f9c4-d9ba-8a62-c5b7-613856177a67 |
Производитель / Заявитель
АО "НИИ физических измерений" (НИИФИ), РОССИЯ, г.Пенза
Поверка
| Межповерочный интервал / Периодичность поверки |
2 года
|
| Зарегистрировано поверок | |
| Актуальность информации | 29.03.2026 |
Поверители
Скачать
|
63064-16: Описание типа
2016-63064-16.pdf
Файл устарел
|
Скачать | 98.5 КБ | |
|
63064-16: Методика поверки
2016-mp63064-16.pdf
Файл устарел
|
Скачать | 1.1 MБ | |
|
63064-16: Описание типа
2016-63064-16-1.pdf
|
Скачать | 98.5 КБ | |
|
63064-16: Методика поверки
2016-mp63064-16-1.pdf
|
Скачать | 1.1 MБ |
Описание типа
Назначение
Датчики давления в амортизаторе ДДА предназначены для измерения избыточного давления.
Датчики давления в амортизаторе ДДА являются составной частью системы контроля параметров шасси СДАИ.406231.026 (система СКПШ) и эксплуатируется в ее составе.
Описание
Датчики давления в амортизаторе ДДА (датчик ДДА) выполнены в моноблочном исполнении. Датчики ДДА состоят из чувствительного элемента (ЧЭ) и преобразователя измерительного промежуточного (ПИП). ЧЭ - преобразователь мембранного типа преобразует измеряемое давление в амортизаторе в изменение параметров электрической емкостной схемы. ПИП преобразует изменения емкости в цифровой последовательный код выходного сигнала датчика. Выходной сигнал датчиков ДДА - цифровой 12-ти разрядный двоичный код передается по интерфейсу SPI в информационно-управляющую систему через БС из состава СИТУОК-01. Для подключения соединительных кабелей к датчикам ДДА на корпусе установлен разъем типа СНЦ.
Прием и обработка информации с датчиков ДДА о значении измеряемого параметра осуществляется микропроцессором блоком сопряжения (БС) из состава СИТУОК-01. Значения адресов датчиков ДДА и служебных битов определены протоколом информационного взаимодействия с бортовым оборудованием объекта Т-50.
Знак поверки наносится на свидетельство о поверке.
Общий вид датчиков ДДА приведен на рисунке 1.
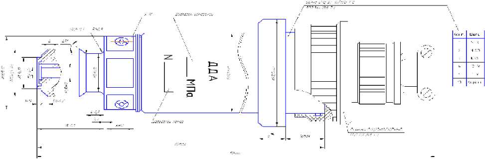
Габаритно-установочные размеры датчиков ДДА приведены на рисунке 2.
Рисунок 1 - Общий вид датчиков ДДА
Рисунок 2 - Габаритные и установочные размеры датчиков ДДА
Программное обеспечение
Конструкция датчиков ДДА исключает возможность несанкционированного влияния на программное обеспечение и измерительную информацию. Защита программного обеспечения от непреднамеренных и преднамеренных изменений соответствует высокому уровню Р 50.2.077-2014 «Государственная система обеспечения единства измерений. Испытания средств измерений в целях утверждения типа. Проверка защиты программного обеспечения».
Технические характеристики
Диапазон измерений, МПа (кгс/см2)
Коды выходного сигнала:
при нижнем значении диапазона измерений 1 МПа, единица
при верхнем значении диапазона измерений 50 МПа, единица Пределы допускаемой основной приведенной погрешности, % Пределы допускаемой дополнительной приведенной погрешности от воздействия температуры, %
Температура окружающей среды, оС
Габаритно - установочные размеры:
- длина датчика, мм
- установочная резьба, мм
- диаметр, мм
Масса датчика, кг, не более
Напряжение питания, В
от 1 до 50
(от 10,19 до 509,5)
30 ± 20
1000 ± 20
± 0,5
± 3
от минус 65 до 85
82
M12x1,5-6g
27,5
0,13
3,3 ± 0,1
Знак утверждения типа
Знак утверждения типа наносится на титульных листах эксплуатационной документации офсетным способом.
Комплектность
В комплект поставки входят:
- датчик давления в амортизаторе ДДА;
- комплект эксплуатационной документации (паспорт СДАИ.406239.132ПС, руководство по эксплуатации СДАИ.406239.132РЭ);
- методика поверки СДАИ.406239.132МП.
Поверка
осуществляется в соответствии с документом СДАИ.406239.132МП «Датчик давления в амортизаторе ДДА. Методика поверки», утвержденным АО «НИИФИ» 19.08.2015 г.
Основные средства поверки: тераомметр Е6-13А (Госреестр № 4649-80 диапазон измерений от 10 Ом до 100 ТОм, ПГ ± 2,5 %), источник питания постоянного тока Б5-71/4м (Госрестр № 23580-02), манометр грузопоршневой МП-600 (Госреестр № 23094-02).
Сведения о методах измерений
Методика измерений содержится в руководстве по эксплуатации СДАИ.406239.132РЭ.
Нормативные документы
1 Датчики давления в амортизаторе ДДА — технические условия СДАИ.406239.132ТУ.
2 ГОСТ Р 8.802-2012 «Государственная поверочная схема для средств измерений избыточного давления до 250 МПа».
Другие Датчики давления
