Система измерительная количества газа оперативного узла учета газа газопровода "Точка выхода на берег - ООО "Ставролен"
| Номер в ГРСИ РФ: | 67213-17 |
|---|---|
| Производитель / заявитель: | ЗАО НИЦ "Инкомсистем", г.Казань |
Система измерительная количества газа оперативного узла учета газа газопровода «Точка выхода на берег - ООО «Ставролен» (далее - ИС) предназначена для измерений объемного расхода и объема газа, приведенных к стандартным условиям (температура 20 °С, абсолютное давление 0,101325 МПа), массового расхода и массы газа.
Информация по Госреестру
| Основные данные | |||||||
|---|---|---|---|---|---|---|---|
| Номер по Госреестру | 67213-17 | ||||||
| Наименование | Система измерительная количества газа оперативного узла учета газа газопровода "Точка выхода на берег - ООО "Ставролен" | ||||||
| Характер производства | Единичное | ||||||
| Идентификатор записи ФИФ ОЕИ | 800f89bd-2ef7-7dca-8726-974739c84e20 | ||||||
| Испытания |
|
||||||
Производитель / Заявитель
ЗАО НИЦ "Инкомсистем", РОССИЯ, г.Казань
Поверка
| Межповерочный интервал / Периодичность поверки |
1 год
|
| Зарегистрировано поверок | |
| Найдено поверителей | |
| Успешных поверок (СИ пригодно) | 16 (100%) |
| Неуспешных поверок (СИ непригодно) | 0 (0 %) |
| Актуальность информации | 28.12.2025 |
Поверители
Скачать
|
67213-17: Описание типа
2021-67213-17.pdf
|
Скачать | 874.3 КБ | |
|
67213-17: Методика поверки
2021-mp67213-17.pdf
|
Скачать | 2.1 MБ |
Описание типа
Назначение
Система измерительная количества газа оперативного узла учета газа газопровода «Точка выхода на берег - ООО «Ставролен» (далее - ИС) предназначена для измерений объемного расхода и объема газа, приведенных к стандартным условиям (температура плюс 20 °C, абсолютное давление 0,101325 МПа), массового расхода и массы газа.
Описание
Принцип действия ИС основан на косвенном методе динамических измерений объемного расхода и объема газа, приведенных к стандартным условиям. Объемный расход газа при рабочих условиях измеряется с помощью ультразвукового преобразователя расхода и приводится к стандартным условиям методом «р-пересчета» по
ГОСТ 8.611-2013. Объем газа при стандартных условиях вычисляется интегрированием по времени объемного расхода газа, приведенного к стандартным условиям.
Массовый расход газа рассчитывается как произведение измеренных объемного расхода и плотности газа при рабочих условиях. Масса газа вычисляется интегрированием массового расхода газа по времени.
Конструктивно ИС состоит из:
- блока фильтров (далее - БФ);
- блока измерительных линий (далее - БИЛ);
- блока измерений параметров качества газа (далее - БИК);
- системы обработки информации.
В состав ИС входят следующие средства измерений:
- преобразователи расхода газа ультразвуковые SeniorSonic с электронным модулем серии Mark (регистрационный номер в Федеральном информационном фонде по обеспечению единства измерений (далее - регистрационный номер) 43212-09) (далее - SeniorSonic);
- преобразователи плотности газа измерительные модели 7812 (регистрационный номер 15781-06);
- преобразователь плотности газа GDM (регистрационный номер 62150-15) (далее -GDM);
- хроматограф газовый промышленный специализированный МАГ модель КС 50.310-000 (регистрационный номер 51723-12) (далее - МАГ КС 50.310-000);
- термопреобразователи сопротивления платиновые серии 65 (регистрационный номер 22257-11) (далее - ТСП 65);
- преобразователи измерительные Rosemount 3144P (регистрационный номер 56381-14) (далее - Rosemount 3144P);
- преобразователи давления измерительные 3051 исполнения TA (регистрационный номер 14061-10) (далее - 3051TA);
- преобразователи давления измерительные 3051 исполнения CD (регистрационный номер 14061-10) (далее - 3051CD);
- датчики оптические инфракрасные Drager модели Polytron 2 IR исполнения 334 (регистрационный номер 53981-13) (далее - Polytron 2 IR);
- преобразователи измерительные тока и напряжения с гальванической развязкой (барьеры искрозащиты) серии K (регистрационный номер 22153-08) (далее - барьеры искрозащиты K);
- контроллеры измерительные FloBoss модели S600+ (регистрационный номер 38623-11) (далее - FloBoss S600+) (основной и резервный);
- контроллер SCADAPack 357 на основе измерительных модулей серии 5000 (регистрационный номер 50107-12) (далее - SCADAPack 357).
ИС представляет собой единичный экземпляр измерительной системы, спроектированной для объекта «Газопровод «Точка выхода на берег - ООО «Ставролен» из компонентов серийного производства (ИС-2 по ГОСТ Р 8.596-2002). Измерение параметров газа осуществляется с помощью измерительных каналов (далее - ИК) ИС, состав и метрологические характеристики которых представлены в таблице 3.
ИС обеспечивает выполнение следующих основных функций:
- измерение объемного расхода газа при рабочих условиях, плотности газа при рабочих условиях, температуры, давления и компонентного состава газа;
- измерение перепада давления на фильтрах и уровня конденсата в фильтрах;
- измерение довзрывоопасных концентраций горючих газов и паров в рабочей зоне технологических блоков;
- вычисление объема газа при рабочих условиях, объемного расхода и объема газа, приведенных к стандартным условиям, массового расхода и массы газа;
- вычисление плотности газа при стандартных условиях, вязкости, показателя адиабаты, теплоты сгорания, числа Воббе газа по компонентному составу;
- индикация, регистрация, хранение и передача в системы верхнего уровня текущих, средних и интегральных значений измеряемых и вычисляемых параметров;
- диагностика работоспособности ИК;
- контроль, индикация и сигнализация предельных значений измеряемых параметров;
- контроль метрологических характеристик ИК;
- формирование, архивирование и печать отчетов о результатах измерений и по учету газа, протоколов контроля метрологических характеристик;
- защита системной информации от несанкционированного доступа к программным средствам и изменения установленных параметров.
Пломбирование СИ, входящих в состав ИС, осуществляется в соответствии с описаниями типа данных СИ.
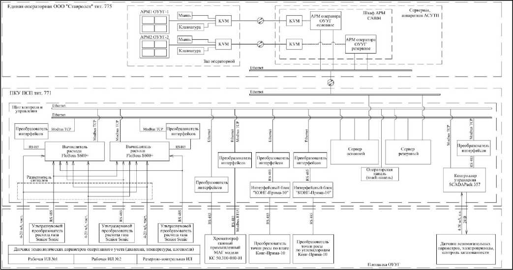
Общий вид и структурная схема ИС представлены на рисунках 1 и 2.
Рисунок 1 - Общий вид ИС
Рисунок 2 - Структурная схема ИС
Программное обеспечение
Программное обеспечение (далее - ПО) ИС реализовано на базе ПО FloBoss S600+ и SCADAPack 357.
ПО ИС обеспечивает реализацию функций ИС. Защита ПО ИС от непреднамеренных и преднамеренных изменений и обеспечение его соответствия утвержденному типу осуществляется путем идентификации ПО, защиты от несанкционированного доступа.
ПО ИС защищено от несанкционированного доступа, изменения алгоритмов и установленных параметров системой идентификации пользователя и пломбировкой FloBoss S600+ и SCADAPack 357.
Уровень защиты ПО «высокий» в соответствии с Р 50.2.077-2014.
Идентификационные данные ПО ИС приведены в таблице 1.
Таблица 1 - Идентификационные данные ПО
|
Идентификационные данные (признаки) |
Значение | |
|
Идентификационное наименование ПО |
Linux Binary.app |
SCADAPack 350 ISaGRAF firmware1.61 build 954.hex |
|
Номер версии (идентификационный номер) ПО |
06.09h |
1.61 Build 954 |
|
Цифровой идентификатор ПО |
13e0 |
— |
|
Алгоритм вычисления цифрового идентификатора ПО |
CRC16 |
— |
|
Наименование ПО |
ПО основного и резервного FloBoss S600+ |
ПО SCADAPack 357 |
Технические характеристики
Таблица 2 - Метрологические характеристики
|
Наименование характеристики |
Значение |
|
Диапазон измерений объемного расхода газа, приведенного к стандартным условиям, м3/ч |
от 8108,11 до 1358160 |
|
Диапазон измерений массового расхода газа, кг/ч |
от 6000 до 1240000 |
|
Пределы допускаемой относительной погрешности измерений объемного расхода и объема газа, приведенных к стандартным условиям, % |
±1,0 |
|
Пределы допускаемой относительной погрешности измерений массы газа, % |
±0,61) |
|
1) При поверке УЗПР с помощью поверочной установки пределы допускаемой относительной погрешности измерений массы газа составляют ±0,4 % измеряемой величины. | |
Таблица 3 - Метрологические характеристики ИК
|
Наименование (количество) |
Диапазон измерений |
Пределы допускаемой погрешности |
Состав | ||
|
Первичный измерительный преобразователь |
Вторичная часть И |
к | |||
|
Промежуточный измерительный преобразователь |
Измерительный контроллер | ||||
|
ИК объемного расхода газа при рабочих условиях (3) |
от 100 до 6200 м3/ч |
±0,5 % измеряемой величины1) |
SeniorSonic |
— |
FloBoss S600+ |
|
ИК плотности газа при рабочих условиях (3) |
от 60 до 200 кг/м3 |
±0,16 % измеряемой величины |
7812 |
— | |
|
GDM | |||||
|
ИК компонентного состава газа (1)2) |
см. таблицу 4 |
см. таблицу 4 |
МАГ КС 50.310-000 |
— | |
|
ИК температуры газа (3) |
от -20 до +60 °С |
±0,33 °С |
ТСП 65 |
Rosemount 3144P, барьер искрозащиты К (модуль KFD2-STC4-Ex1.20) | |
|
ИК абсолютного давления газа (3) |
от 0 до 18 МПа |
±0,23 % диапазона измерений |
3051TA |
барьер искрозащиты К (модуль KFD2-STC4-Ex1.20) | |
|
ИК перепада давления (2) |
от 0 до 100 кПа |
±0,28 % диапазона измерений |
3051CD |
барьер искрозащиты К (модуль KFD2-STC4-Ex1) |
SCADAPack 357 (модуль 5606) |
|
ИК уровня (2) |
от 0 до 1100 мм3) |
±70 мм4) | |||
|
ИК довзрывоопасных концентраций горючих газов и паров (7)5) |
от 0 до 100 % НКПР6) |
±5,1 % НКПР7); ±10,1 % измеряемой величины8) |
Drager Polytron 2 IR |
— |
SCADAPack 357 (модуль 5506) |
|
1) При поверке УЗПР с помощью поверочной установки пределы допускаемой погрешности ИК объемного расхода газа при рабочих условиях составляют ±0,3 % измеряемой величины. 2) FloBoss S600+ рассчитывает плотность газа при стандартных условиях по ГОСТ 31369-2008 на основании компонентного состава газа, измеренного МАГ КС 50.310-000. 3) Нижний предел диапазона измерений соответствует высоте установки патрубка, сообщающегося с минусовой камерой датчика перепада давления. 4) Пределы допускаемой погрешности нормированы при плотности конденсата в фильтрах от 600 до 700 кг/м3. 5) Определяемый компонент метан (СН4). 6) НКПР - нижний концентрационный предел распространения пламени. 7) В диапазоне измерений от 0 до 50 % НКПР включительно. 8) В диапазоне измерений свыше 50 до 100 % НКПР включительно. | |||||
Таблица 4 - Метрологические характеристики ИК компонентного состава газа
|
Наименование компонента |
Диапазон измерений молярной доли, % |
Пределы допускаемой абсолютной погрешности, % |
|
Метан (CH4) |
от 10 до 99,98 |
0,038^х* + 0,2 |
|
Этан (С2Н6) |
от 0,0010 до 60 |
0,04^х + 0,00026 |
|
Пропан (СзН8) |
от 0,0010 до 20 |
0,04^х + 0,00026 |
|
Изобутан (1-С4Ню) |
от 0,0010 до 4 |
0,05^х + 0,00025 |
|
Нормальный бутан (П-С4Н10) |
от 0,0010 до 4 |
0,05^х + 0,00025 |
|
Неопентан (пео-С5Н12) |
от 0,0010 до 0,05 |
0,15-х + 0,00015 |
|
Изопентан (i-C51112) |
от 0,0010 до 2,0 |
0,05^х + 0,00025 |
|
Нормальный пентан (П-С5Н12) |
от 0,0010 до 2,0 |
0,05^х + 0,00025 |
|
Гексан Сб+высшие (П-С6Н14) |
от 0,0010 до 1,5 |
0,05^х + 0,00025 |
|
Диоксид углерода (CO2) |
от 0,005 до 20 |
0,04^х + 0,0013 |
|
Азот (N2) |
от 0,005 до 30 |
0,04^х + 0,0013 |
|
* x - молярная доля компонента, %. | ||
Таблица 5 - Основные технические характеристики
|
Наименование характеристики |
Значение |
|
Избыточное давление газа, МПа |
от 7 до 15,4 |
|
Температура газа, °C |
от -5 до +20 |
|
Плотность газа при рабочих условиях, кг/м3 |
от 60 до 200 |
|
Плотность газа при стандартных условиях, кг/м3 |
от 0,74 до 0,913 |
|
Параметры электрического питания: | |
|
- напряжение переменного тока, В |
380-37 |
|
- частота переменного тока, Гц |
50±1 |
|
Потребляемая мощность (активная), Вт, не более |
16290 |
|
Габаритные размеры блока фильтров, мм, не более: | |
|
- длина |
13600 |
|
- ширина |
7100 |
|
- высота |
7280 |
|
Габаритные размеры блока измерительных линий, мм, не более: | |
|
- длина |
16400 |
|
- ширина |
7100 |
|
- высота |
9500 |
|
Габаритные размеры блока измерений параметров качества газа, мм, не более: | |
|
- длина |
3000 |
|
- ширина |
950 |
|
- высота |
2310 |
|
Габаритные размеры щита контроля и управления, мм, не более: | |
|
- глубина |
800 |
|
- ширина |
1600 |
|
- высота |
2100 |
|
Габаритные размеры щита питания, мм, не более: | |
|
- глубина |
400 |
|
- ширина |
1000 |
|
- высота |
1900 |
|
Наименование характеристики |
Значение |
|
Условия эксплуатации: а) температура окружающей среды, °С: - в обогреваемых шкафах и чехлах - на площадке ИС - в месте установки FloBoss S600+, SCADAPack 357 и барьеров искрозащиты K б) относительная влажность, %, не более в) атмосферное давление, кПа |
от 0 до +48 от -31 до +48 от +5 до +48 90 от 84,0 до 106,7 |
Знак утверждения типа
наносится на титульный лист руководства по эксплуатации ИС типографским способом.
Комплектность
Таблица 6 - Комплектность ИС
|
Наименование |
Обозначение |
Количество |
|
Система измерительная количества газа оперативного узла учета газа газопровода «Точка выхода на берег -ООО «Ставролен», заводской № 1967-14 |
— |
1 шт. |
|
Руководство по эксплуатации |
4600-РД-ИС ОУУГ-РЭ |
1 экз. |
|
Методика поверки |
МП 1412/1-311229-2016 с изменением № 1 |
1 экз. |
Сведения о методах измерений
приведены в эксплуатационном документе и в инструкции «Государственная система обеспечения единства измерений. Объем и масса газа. Методика измерений системой измерительной количества газа оперативного узла учета газа газопровода «Точка выхода на берег - ООО «Ставролен», регистрационный номер ФР.1.29.2020.37486.
Нормативные документы
Постановление Правительства Российской Федерации от 16 ноября 2020 г. № 1847 «Об утверждении перечня измерений, относящихся к сфере государственного регулирования обеспечения единства измерений»
Смотрите также
