Системы измерительные для резервуарных парков RTG
| Номер в ГРСИ РФ: | 71625-18 |
|---|---|
| Производитель / заявитель: | Фирма "Rosemount Inc.", США |
Системы измерительные для резервуарных парков RTG предназначены для измерений уровня, температуры, давления гидростатического столба, давлений паров, плотности, объема и массы жидкости и сжиженных газов при ведении учетных операций, а также для управления и оперативного учета в резервуарных парках.
Информация по Госреестру
| Основные данные | |
|---|---|
| Номер по Госреестру | 71625-18 |
| Действует | по 28.06.2029 |
| Наименование | Системы измерительные для резервуарных парков |
| Модель | RTG |
| Код идентификации производства |
ОС
СИ не соответствует критериям подтверждения производства на территории
РФ в соответствии с постановлением №719
|
| Характер производства | Серийное |
| Идентификатор записи ФИФ ОЕИ | 30e3d548-93ce-a4e1-12a3-2e9c9bb2dd44 |
Производитель / Заявитель
Акционерное общество «Промышленная группа «Метран» (АО «ПГ «Метран»), г. Челябинск (срок действия утвержденного типа продлен на 1 год на основании приказа Росстандарта от 20.03.2023 г. №591 и на 5 лет на основании приказа Росстандарта от 20.04.2023 г. №876: 28.06.2029 г.); Фирма "Rosemount Tank Radar AB", Швеция (Срок действия утвержденного типа продлен на 1 год на основании приказа Росстандарта от 20.03.2023 г. №591: 28.06.2024 г.).
ШВЕЦИЯ
Поверка
| Межповерочный интервал / Периодичность поверки |
5 лет
|
| Зарегистрировано поверок | |
| Найдено поверителей | |
| Успешных поверок (СИ пригодно) | 586 (96%) |
| Неуспешных поверок (СИ непригодно) | 27 (4 %) |
| Актуальность информации | 24.05.2026 |
Поверители
Скачать
|
71625-18: Описание типа
2022-71625-18.pdf
|
Скачать | 963.4 КБ | |
|
71625-18: Методика поверки
2022-mp71625-18.pdf
|
Скачать | 1.2 MБ |
Описание типа
Назначение
Системы измерительные для резервуарных парков RTG предназначены для измерений уровня, температуры, давления гидростатического столба, давлений паров, плотности, объема и массы жидкости и сжиженных газов при ведении учетных операций, а также для управления и оперативного учета в резервуарных парках.
Описание
Принцип действия систем измерительных для резервуарных парков RTG основан на измерениях массы продукта косвенным методом статических измерений и косвенным методом, основанным на гидростатическом принципе, в мерах вместимости согласно ГОСТ 8.587-2019, ГОСТ Р 8.785-2012, ГОСТ Р 8.788-2012.
Объем продукта определяется по градуировочной таблице резервуара на основании измерений уровня продукта уровнемером. Масса продукта вычисляется как произведение объема на плотность, приведенные к стандартной температуре, минус масса балласта.
Для измерений температуры продукта в составе измерительной системы применяются измерители температуры с термопреобразователями. Возможна как четырехпроводная, так и трехпроводная схема подключения, в зависимости от типа установленного оборудования.
Автоматические измерения плотности в системе обеспечиваются датчиками гидростатического давления и преобразователями плотности. Допускается введение плотности и других параметров в систему на основе результатов лабораторного анализа пробы, отобранной согласно ГОСТ 8.587-2019 и ГОСТ 2517-2012 из резервуара, показаний узла учета и иных средств измерений.
Минимальный уровень взлива, при котором возможно вычисление плотности гидростатическим методом, и фактическая погрешность данного метода измерений зависят от подобранных СИ, условий эксплуатации, рабочего давления в резервуаре, максимального уровня взлива и типа продукта.
Системы измерительные для резервуарных парков RTG представляют собой многофункциональную, многоуровневую автоматизированную систему с
централизованным управлением и распределенной функцией измерений.
Системы измерительные для резервуарных парков RTG включают в себя следующие уровни:
первый уровень - измерительные компоненты, включающие в себя средства измерений уровня, температуры (возможно применение с модулями сбора данных DAU 2100 и DAU 2130), давления и плотности. Для выполнения функции аварийной сигнализации о достижении предельных уровней взлива, предотвращения переливов, и мониторинга положения плавающего покрытия в рамках системы предусмотрено использование сигнализаторов 2120, 2130, 2140, 2160 и радарных уровнемеров с
возможностью изолированного вывода аварийного сигнала, в том числе в системы противоаварийной защиты (ПАЗ).
Второй уровень выполняет функции передачи данных и сигнализации, где используются модули ввода-вывода информации серии IOT 5100 и дополнительные датчики, которые подключаются к модулю связи-вычислителю 2410 или к уровнемерам радарным Rosemount TankRadar REX; а также сбор информации от компонентов системы, который осуществляется модулем связи-вычислителем 2410 или уровнемером радарным Rosemount TankRadar REX, которые по полевой шине протяженностью не более 4 км передают ее в центральный компьютер системы через концентратор данных 2460 или/и 2160, 2165 и модемы полевой шины 2170, 2171, 2180 и/или EBM. Оператор взаимодействует с системой посредством программного пакета TankMaster, функционирующего на базе персонального компьютера, который, в свою очередь, может быть связан с системами управления более высокого уровня по протоколам Modbus RTU и ОРС. Параметры, получаемые от полевого оборудования, могут также передаваться напрямую от модулей 2410, 2160, 2165 и 2460 по протоколам Modbus RTU, IP BPM. Опционально система имеет вариант связи с компонентами системы по беспроводному сигналу Wireless HART. Сбор информации от датчиков системы осуществляется шлюзами беспроводной связи 1410 и 1420 с последующей передачей ее в центральный компьютер системы и в системы верхнего уровня по протоколам ОРС, Modbus TCP, Modbus RTU.
Третий уровень - автоматизированное рабочее место оператора, состоящее из персонального компьютера с программным пакетом TankMaster.
Системы измерительные для резервуарных парков RTG состоят из:
1 Канал измерений уровня: уровнемеры 5900S, 5900С, 5401, 5402, 5301, 5302, 3308 Rosemount, 5408, уровнемеры радарные 5601, Rosemount 5900S, Rosemount TankRadar REX, серии Saab TankRadar REX (RTG 3920, RTG 3930, RTG 3940, RTG 3950, RTG 3960) изготовленных по индивидуальному заказу, серии Rosemount TankRadar REX (RTG 3920, RTG 3930, RTG 3950, RTG 3960) с дополнительным шифром L.
2 Канал измерений уровня подтоварной воды: уровнемеры 5302
(регистрационный номер в Федеральном информационном фонде Рег. №№ 53779-13, 65554-16), датчики температуры Rosemount 2240 с датчиком уровня подтоварной воды Rosemount 765 (Рег. № 69485-17).
3 Канал измерений температуры: датчики температуры Rosemount 2240 (регистрационный номер в Федеральном информационном фонде Рег. № 69485-17),
измерители температуры многоточечные Rosemount 2240 (Рег. № 50671-12),
термопреобразователи сопротивления многоточечные NLI (Рег. №№ 58183-14, 76247
19, возможно применение с модулями сбора данных DAU 2100 и DAU 2130); преобразователи измерительные Rosemount 644 (Рег. № 56381-14); преобразователи
измерительные Rosemount 848Т (Рег. № 56335-14) и Rosemount 648 (Рег. № 56335-14);
термопреобразователи сопротивления платиновые серии 65 (Рег. № 22257-11),
термопреобразователи сопротивления Rosemount 0065 (Рег. №№ 53211-13, 69487-17),
термопреобразователи сопротивления TR95 (Рег. № 64818-16);
4 Канал измерений давления гидростатического столба и давлений паров: преобразователи давления измерительные 2051 (Рег. №№ 56419-14, 74232-19),
преобразователи давления измерительные 2088 (Рег. № 60993-15), преобразователи
давления измерительные 3051S (Рег. № №24116-13, 66525-17), преобразователи давления измерительные 3051 (Рег. № 14061-15).
5 Канал измерений плотности: преобразователи плотности FDM (Рег. № 6212915); преобразователи давления измерительные 2051 (Рег. № № 56419-14, 74232-19), преобразователи давления измерительные 2088 (Рег. № 60993-15), преобразователи
давления измерительные 3051S (Рег. № № 24116-13, 66525-17), преобразователи давления измерительные 3051 (Рег. № 14061-15).
6 Компоненты связи и индикации: модули связи-вычислители 2410,
концентраторы данных 2460, 2160, 2165, дисплеи 2230 и RDU40, модемы полевой шины 2180 и EBM, преобразователи сигнала HART в беспроводной Wireless HART Rosemount 775, модули ввода-вывода информации серии IOT 5100 (IOT5110, IOT5120, IOT5130, IOT5140); сигнализаторы уровня 2120, 2130, 2140 и 2160, беспроводные шлюзы 1410, 1420.
Системы измерительные для резервуарных парков RTG отличаются составом, диапазонами измерений, пределами допускаемых погрешностей.
Нанесение знака поверки на систему измерительную для резервуарных парков RTG не предусмотрено.
Заводской серийный номер указывается в паспорте на систему измерительную для резервуарных парков RTG и имеет цифровое или буквенно-цифровое обозначение.
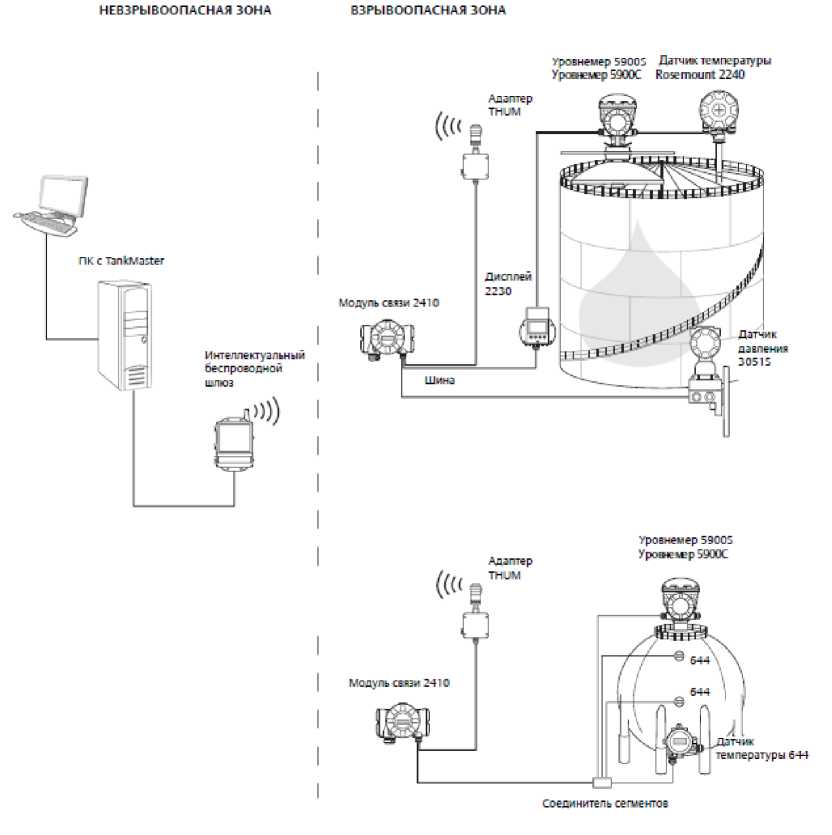
Общий вид средства измерений представлен на рисунке 1.
а) Схема систем измерительных для резервуарных парков RTG с проводной связью
б) Схема систем измерительных для резервуарных парков RTG с беспроводным сигналом WirelessHART
в) Схема систем измерительных для резервуарных парков RTG с использованием уровнемеров радарных серии Saab TankRadar REX и Rosemount TankRadar REX и модулей сбора данных DAU
Рисунок 1- Общий вид средства измерений
Пломбирование систем измерительных для резервуарных парков RTG не предусмотрено.
Программное обеспечение
Встроенное программное обеспечение TankMaster предназначено для управления работой системы и обеспечивает конфигурацию полевого оборудования, а также настройку системы для выполнения задач учета и передачи данных измерений и вычислений в систему «верхнего уровня». TankMaster непрерывно опрашивает подключенное оборудование, и на основе полученных данных измерений (уровень, температура, давление и плотность) проводит в реальном масштабе времени вычисления объема, плотности и массы в резервуаре. ПО TankMaster реализует алгоритмы согласно ГОСТ 8.587-2019, ГОСТ Р 8.785-2012, ГОСТ Р 8.788-2012.
Отображение всех значений параметров продукта (данные измерений и вычислений) в резервуаре осуществляется в одном окне.
ПО выполняет функции: вычисление объема, плотности и массы продукта в резервуаре; сигнализация достижения контролируемыми параметрами заданных значений; контроль за значением параметров продукта и выдача сигналов тревоги в случае выхода их значений за установленные пределы; контроль за возможными утечками в резервуарах; сбор и архивация данных резервуарного учета; выдача периодических отчетов резервуарного учета.
ПО TankMaster состоит из программных продуктов:
- WinOpi - для коммерческого и оперативного учета и управления резервуарными парками;
- WinView - для оперативного учета;
- WinSetup - для настройки системы.
Опционально в системе может быть предусмотрена дополнительная аппаратная защита от несанкционированной модификации данных с помощью ключей с функцией Custody Transfer Seal, блокирующих изменение параметров полевых устройств, а также контрольных сумм ПО.
Уровень защиты программного обеспечения «высокий» в соответствии с Р 50.2.077-2014.
Таблица 1- Идентификационные данные программного обеспечения
|
Идентификационные данные (признаки) |
Значение ПО TankMaster |
|
Идентификационное наименование ПО |
WIN OPI WIN View |
|
Номер версии (идентификационный номер) ПО |
не ниже 6.XY |
|
Цифровой идентификатор ПО (контрольная сумма) |
— |
Технические характеристики
Таблица 2 - Метрологические характеристики
|
Наименование характеристики |
Значение |
|
Канал измерений уровня | |
|
Диапазон измерений уровня, м, ниже фланца |
от 0,5 до 40 |
|
Пределы допускаемой абсолютной погрешности измерений уровня, мм |
от ±1 до ±10 1) |
|
Канал измерений температуры | |
|
Диапазон измерений температуры, °С |
от -170 до + 250 |
|
Пределы допускаемой абсолютной погрешности измерений температуры, °С |
от ±0,2 до ±1,2 2) |
|
Канал измерений давления и плотности | |
|
Диапазон измерений гидростатического давления и давления паров в резервуаре, кПа |
от -101,3 до 68950 3) |
|
Пределы допускаемой приведенной погрешности измерений давления, % от настроенного диапазона измерений |
от ±0,025 до ±1,125 3) |
|
Пределы допускаемой приведенной погрешности измерений давления паров, % от настроенного диапазона измерений |
от ±0,025 до ±0,55 3) |
Продолжение таблицы 2
|
Наименование характеристики |
Значение |
|
Пределы допускаемой относительной погрешности измерений давления и давления паров, % (преобразователь давления 3051S, исполнение Ultra for Flow) |
от ±0,04 до ±0,5 4) |
|
Диапазон измерений плотности, кг/м3 |
от 500 до 1250 |
|
Пределы допускаемой абсолютной погрешности измерений плотности преобразователем плотности FDM, кг/м3 |
±1,0 |
|
Пределы допускаемой абсолютной погрешности измерений (вычислений) плотности гидростатическим методом, кг/м3 |
от ±1,0 до ±5,0 5) |
|
Канал измерений уровня подтоварной воды | |
|
Диапазон измерений уровня подтоварной воды уровнемером 5302, м |
от 0 до 20 |
|
Пределы допускаемой погрешности измерений уровня подтоварной воды уровнемером 5302 - абсолютной погрешности, мм, в диапазоне до 10 м включ. - относительной погрешности, %, в диапазоне св. 10 м |
±3,0 ±0,03 |
|
Пределы допускаемой абсолютной погрешности измерений уровня подтоварной воды датчиком температуры 2240 с датчиком уровня подтоварной воды Rosemount 765, мм - диапазон измерений от 0 до 0,5 м (для модификации С05, Н05) - диапазон измерений от 0 до 1,0 м (для модификации С10, Н10) - диапазон измерений от 0 до 1,5 м (для модификации С15, Н15) |
±2 ±4 ±6 |
|
Канал измерений объема | |
|
Пределы допускаемой погрешности измерений объема в резервуаре, % |
от ± 0,05 до ±0,5 6) |
|
Канал измерений массы | |
|
Пределы допускаемой относительной погрешности обработки результатов измерений, % |
±0,01 |
|
Пределы допускаемой относительной погрешности измерений массы брутто, %: - при массе до 200 т - при массе 200 т и более |
±0,65 ±0,50 |
|
Пределы допускаемой относительной погрешности измерений массы нетто, %: - при массе до 200 т - при массе 200 т и более |
±0,75 ±0,60 |
|
1) В зависимости от выбранного уровнемера. 2) В зависимости от выбранного датчика температуры/измерителя температуры, термопреобразователя сопротивления, измерительного преобразователя и диапазона измерений температуры. 3) В зависимости от выбранного преобразователя давления. 4) В зависимости от настроенного диапазона измерений. 5) В зависимости от состава системы, уровня взлива и типа продукта. 6) В зависимости от погрешности определения вместимости резервуара и канала измерений уровня. Конкретные значения характеристик по 1) - 6) приведены в паспорте на систему измерительную для резервуарных парков RTG. | |
Таблица 3 - Основные технические характеристики
|
Наименование характеристики |
Значение |
|
Выходные сигналы |
от 4 до 20 мА, Foundation fieldbus, Modbus, Hart, WirelessHart, Ip BPM, Sakura, OPC, Enraf GPU |
|
Напряжение питания, В - переменный ток - постоянный ток |
от 48 до 240 от 24 до 48 |
|
Температура окружающей среды, °С |
от -40 1) до +70 |
|
Температура хранения и транспортировки, °С |
от-50 до +70 |
|
Средний срок службы, лет |
20 |
|
1) При температуре окружающего воздуха в диапазоне от минус 60 °С до минус 40 °С компоненты системы размещаются в обогреваемых боксах. | |
Знак утверждения типа
Нанесение знака утверждения типа на средство измерений не предусмотрено. Знак утверждения типа наносится на титульные листы руководства по эксплуатации и паспорта типографским способом.
Комплектность
Таблица 4 - Комплектность средства измерений
|
Наименование |
Обозначение |
Количество |
|
Система измерительная для резервуарных парков |
RTG |
1 шт.1) |
|
Руководство по эксплуатации |
00809-0307-5100 00809-0107-5200 |
1 экз. |
|
Паспорт |
51453097-КТО-ПС |
1 экз. |
|
Программное обеспечение TankMaster |
WinOpi, WinView, WinSetup |
1 экз.2) |
|
^состав системы в зависимости от заказа 2) в зависимости от заказа | ||
Сведения о методах измерений
приведены в разделе 2 «Установка устройства» руководства по эксплуатации 00809-03075100.
Нормативные документы
Приказ Росстандарта от 30.12.2019 № 3459 Об утверждении государственной поверочной схемы для средств измерений уровня жидкости и сыпучих материалов (часть 1)
ГОСТ 8.558-2009 ГСИ. Государственная поверочная схема для средств измерений температуры
Приказ Росстандарта от 29.06.2018 № 1339 Об утверждении государственной поверочной схемы для средств измерений избыточного давления до 4000 МПа
Приказ Росстандарта от 01.11.2019 № 2603 Об утверждении государственной поверочной схемы для средств измерений плотности
ГОСТ 8.587-2019 ГСИ. Масса нефти и нефтепродуктов. Методики (методы)
измерений
ГОСТ Р 8.785-2012 ГСИ. Масса газового конденсата, сжиженного углеводородного газа и широкой фракции легких углеводородов. Общие требования к методикам (методам) измерений
ГОСТ Р 8.788-2012 ГСИ. Масса мазута. Методика измерений в вертикальных резервуарах методом статических измерений. Общие метрологические требования
Техническая документация фирмы «Rosemount Tank Radar АВ», Швеция
ТУ 4250-085-51453097-2016 Системы измерительные для резервуарных парков RTG. Технические условия

