Приборы цифровые переносные измерительные показателей качества электроэнергии МПК
| Номер в ГРСИ РФ: | 71684-18 |
|---|---|
| Производитель / заявитель: | ОАО "Электроприбор", г.Чебоксары |
Приборы цифровые переносные измерительные показателей качества электроэнергии МПК (далее - приборы) предназначены для:
Информация по Госреестру
| Основные данные | |
|---|---|
| Номер по Госреестру | 71684-18 |
| Действует | по 28.06.2028 |
| Наименование | Приборы цифровые переносные измерительные показателей качества электроэнергии |
| Модель | МПК |
| Характер производства | Серийное |
| Идентификатор записи ФИФ ОЕИ | 68c1bc51-142d-e4b1-1f69-5aa60b138fe7 |
Производитель / Заявитель
Открытое акционерное общество "Электроприбор" (ОАО "Электроприбор"), г. Чебоксары.
РОССИЯ
Поверка
| Межповерочный интервал / Периодичность поверки |
10 лет
|
| Зарегистрировано поверок | |
| Найдено поверителей | |
| Успешных поверок (СИ пригодно) | 173 (100%) |
| Неуспешных поверок (СИ непригодно) | 0 (0 %) |
| Актуальность информации | 29.03.2026 |
Поверители
Скачать
|
71684-18: Описание типа
2024-71684-18.pdf
Файл устарел
|
Скачать | 9.5 MБ | |
|
71684-18: Методика поверки
2018-mp71684-18.pdf
|
Скачать | 1.2 MБ | |
|
71684-18: Описание типа
2025-71684-18.pdf
|
Скачать | 7.6 MБ |
Описание типа
Назначение
Приборы цифровые переносные измерительные показателей качества электроэнергии МПК (далее - приборы) предназначены для:
- измерений напряжения;
- измерений напряжения и силы переменного тока;
- измерений, контроля и регистрации основных параметров электрической энергии в однофазных двухпроводных и трехфазных трехпроводных и четырехпроводных электрических сетях и системах электроснабжения переменного тока с номинальной частотой 50 Гц с отображением результатов измерений на экране прибора (при наличии данного исполнения) и предоставления их в цифровой форме;
- сохранения результатов измерений по заданным алгоритмам в интервалах времени, отсчитываемых внутренними часами реального времени;
- измерений и контроля показателей качества электроэнергии (ПКЭ) в соответствии с требованиями стандартов: ГОСТ 33073-2014, ГОСТ Р 8.655-2009, ГОСТ 30804.4.7-2013 (класс I), ГОСТ Р 51317.4.15-2012, ГОСТ 32144-2013, ГОСТ 30804.4.30-2013 (класс А), ГОСТ IEC 61000-4-30-2017 (класс А), и их статистической обработки с отображением результатов измерений на экране прибора (при наличии данного исполнения) и предоставления их в цифровой форме.
Описание
Приборы предназначены для непрерывной работы в составе автоматизированных информационно-измерительных систем, включая системы контроля и анализа качества электроэнергии, системы телемеханики, системы диспетчерского контроля и управления, системы учета электроэнергии и т.д.
Приборы относятся к классу микропроцессорных программируемых измерительно-вычислительных приборов, состоящих из электронного блока и встроенного в него программного обеспечения.
Принцип действия приборов состоит в аналого-цифровом преобразовании входных аналоговых сигналов с последующей математической и алгоритмической обработкой измеренных величин. Полученные результаты, включая результаты измерений, отображаются на экране прибора (при его наличии), сохраняются в памяти приборов и передаются через коммуникационные интерфейсы прибора (Ethernet LAN, EIA/RS-422/485).
Коммуникационные интерфейсы прибора предназначены для подключения к информационным системам для передачи результатов измерений, диагностических данных, данных самоописания, а также выполняют функции служебного интерфейса для выполнения операций конфигурирования, настройки прибора и режимов его функционирования, программирования средств обеспечения сетевой безопасности.
Открытые международные протоколы связи ГОСТ Р МЭК 60870-5-101-2006, ГОСТ Р МЭК 60870-5-104-2004, ГОСТ Р МЭК 61850-5-2011 используются прибором для передачи текущих результатов измерений, включая параметры электросети, показатели качества электроэнергии (ПКЭ), данные самодиагностики приборов. Профили протоколов приведены в эксплуатационной документации на приборы.
Протокол HTTP используется прибором для реализации встроенного в прибор WEB сервера, обеспечивающего удобный доступ к данным измерений, средствам конфигурирования и прочим данным о приборе. Доступ к WEB серверу обеспечивается через коммуникационные интерфейсы типа Ethernet при использовании стандартных средств просмотра HTTP ресурсов (браузеры). Описание WEB интерфейса приведено в эксплуатационной документации на приборы.
Результаты измерений и служебная информация доступна через коммуникационные интерфейсы по следующим протоколам:
- ГОСТ Р МЭК 60870-5-101-2006;
- ГОСТ Р МЭК 60870-5-104-2004;
- ГОСТ Р МЭК 61850-5-2011;
- HTTP;
- Modbus TCP;
- Modbus RTU;
- Modbus RM (интеграция в системы АСКУЭ);
- Специализированный протокол передачи данных.
Специализированный протокол передачи данных предназначен для:
- передачи текущих результатов измерений;
- передачи накопленных данных измерений, включая данные счетчика электроэнергии;
- передачи журналов событий;
- передачи статистической информации;
- передачи данных о приборе;
- обеспечение средств конфигурирования и настройки, включая средства обеспечения сетевой безопасности.
Доступ к приборам через специализированный протокол передачи данных осуществляется с использованием дополнительного программного обеспечения поставляемого изготовителем прибора. Описание специализированного протокола передачи данных приведено в эксплуатационной документации на прибор.
Приборы осуществляют измерение текущего времени в рамках национальной шкалы координированного времени РФ UTC (SU). Средства конфигурирования позволяют установить локальный часовой пояс, соответствующий географическому месту установки прибора. Внутренние часы прибора обеспечивают отсчет текущего времени (до тысячных долей секунд включительно) и даты (день, месяц, год). При наличии внешней синхронизации осуществляется корректировка внутренних часов приборов.
Настройки прибора, архивы измерений показателей качества электроэнергии, архивы функции учета электроэнергии, журналы событий хранятся в энергонезависимой памяти прибора, защищенной от несанкционированного изменения и обеспечивающей длительное хранение данных при отсутствии электропитания.
Прибор обеспечивает ведение журнала значимых событий, включая:
- пропадание/восстановление электропитания;
- коррекцию времени;
- изменение конфигурации прибора;
- доступ к прибору через коммуникационные интерфейсы;
- события, касающиеся информационной безопасности прибора.
Записи в журнале маркируются метками времени с дискретностью 1 мс.
Приборы (по заказу) могут изготавливаться с лицевой панелью с цифровыми семисегментными индикаторами.
На передней/задней панели приборов (в зависимости от исполнения) располагаются интерфейсы прибора, включающие интерфейсы для подключения аналоговых источников сигнала, коммуникационные интерфейсы и интерфейс электропитания.
Приборы обеспечивают непрерывный режим работы без ограничения длительности.
Конструкция интерфейса электропитания обеспечивает надежное механическое крепление и электрический контакт подключаемых проводов.
Интерфейс электропитания гальванически изолирован от других интерфейсов прибора и частей прибора, доступных для пользователя.
Приборы имеют различные исполнения в зависимости от габаритных размеров, диапазона измерений входного сигнала, наличия и/или вида интерфейсов, цвета индикаторов, вариантов зажимов. При необходимости возможен заказ специального исполнения прибора.
Информация об исполнении прибора содержится в коде полного условного обозначения:
МПКа - b - с - d - e - f - g, где
а - исполнение прибора в зависимости от габаритных размеров;
1 - прибор в габаритном размере, не более 175*86x280 мм;
2 - прибор в габаритном размере, не более 95*53*175 мм;
b - номинальные значения входных измеряемых параметров (в зависимости от исполнения прибора);
c - условное обозначение основного интерфейса Ethernet;
d - условное обозначение наличия дополнительного интерфейса RS485;
е - наличие и цвет индикаторов;
f - условное обозначение вариантов зажимов;
g - специальное исполнение.
Приборы имеют единый конструктив: переносной, ударопрочный, пылезащищенный, пластмассовый корпус. Приборы не имеют подвижных частей и являются виброустойчивыми и вибростойкими.
Возможна комплектация приборов токоизмерительными клещами (или катушками Роговского), тип и количество которых определяется при заказе.
Приборы соответствуют требованиям к рабочим условиям (механические воздействия) по группе М7 (включая соответствие требованиям группы М40) по ГОСТ 30631-99 и группе 4 по ГОСТ 22261-94.
Корпус прибора пломбируется изготовителем с целью предотвращения вскрытия и фиксации несанкционированного доступа к внутренним элементам прибора. Прибор предусматривает возможность пломбирования корпуса прибора метрологической службой (поверителем) после выполнения поверки (в дополнение к пломбе изготовителя). Пломбирование корпуса исключает возможность несанкционированного изменения программного обеспечения, либо оказания иного влияния на результат измерений без нарушения пломб.
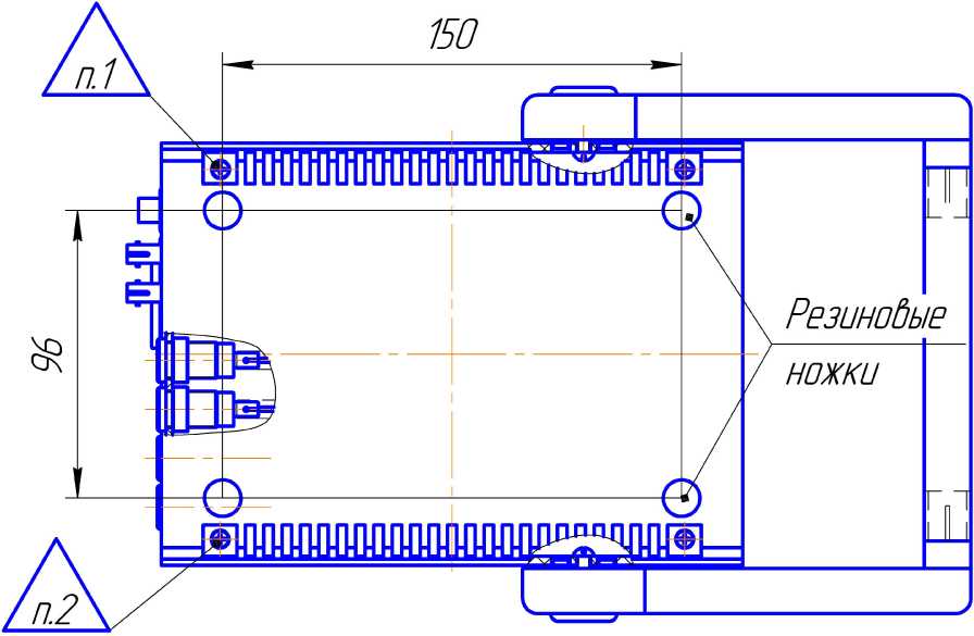
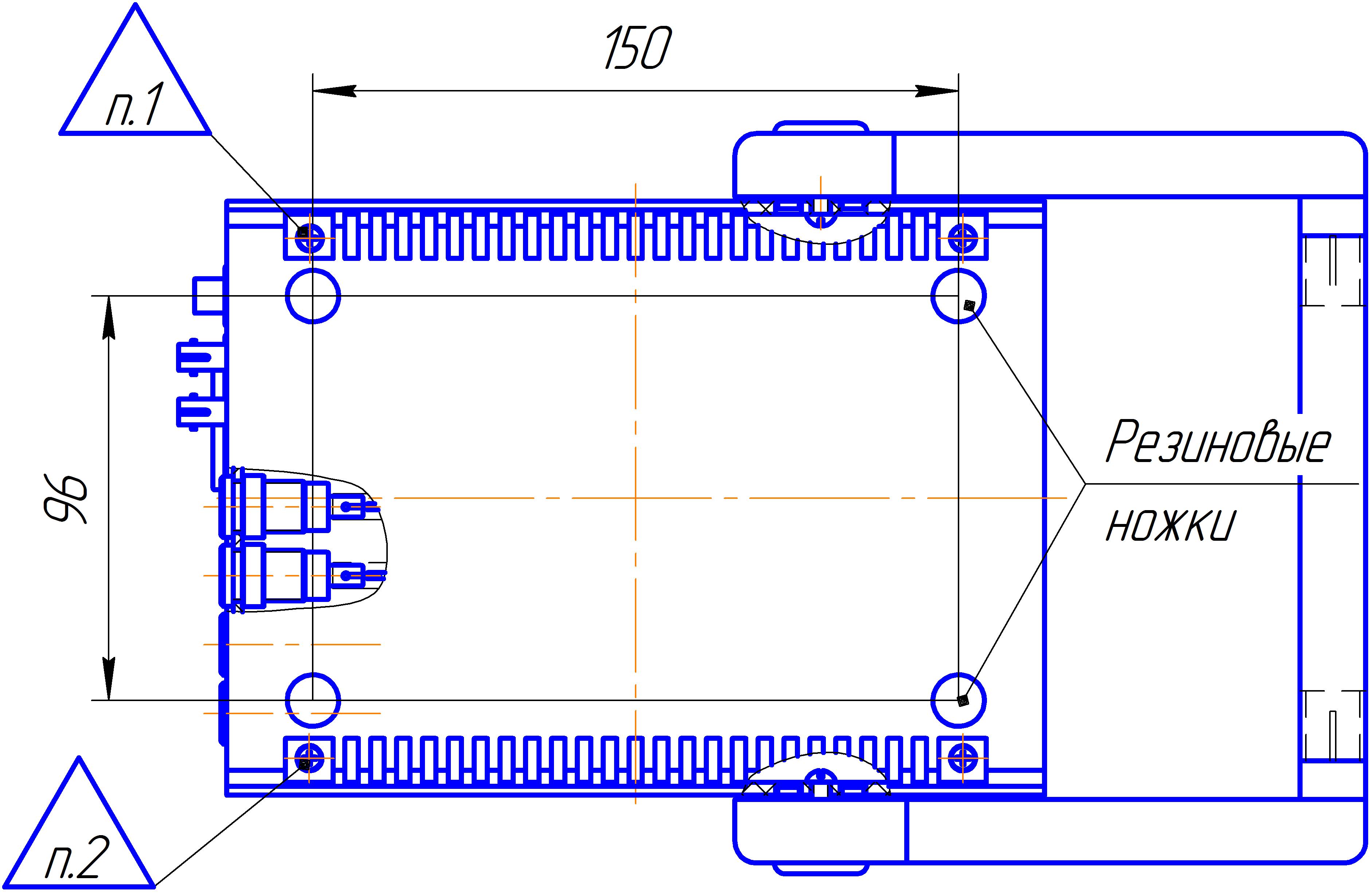
Общий вид приборов, габаритные размеры представлены на рисунках 1 - 4.
Схема пломбировки от несанкционированного доступа представлена на рисунке 5. Доступ к внутренним частям прибора возможен только с нарушением пломб/этикеток.
Заводские номера наносятся в цифровом формате на корпус (для МПК2) и лицевую панель корпуса (для МПК1) с помощью печати, как показано на рисунке 1.
Места нанесения знака поверки и клейма ОТК в виде оттиска на мастике показаны на рисунке 5.
а)
б)
|
Место нанесения заводского номера |
Лист № 5 Всего листов 27 Место нанесения знака утверждения типа д. jp в в) |
Рисунок 1 - Общий вид приборов МПК1 (а), МПК2 (б, в)
Примечание - размеры указаны в миллиметрах
Рисунок 2 - Габаритные и установочные размеры прибора МПК1 без индикаторов
Примечание - размеры указаны в миллиметрах
Рисунок 3 - Габаритные и установочные размеры прибора МПК1 с индикаторами

Примечание - размеры указаны в миллиметрах
Рисунок 4 - Общий вид и габаритные размеры прибора МПК2
а)
б)
Примечание - размеры указаны в миллиметрах
Рисунок 5 - Схема пломбировки от несанкционированного доступа, обозначение места нанесения знака поверки на приборы МПК1 (а), МПК2 (б).
п. 1 - место клейма ОТК; п. 2 - место нанесения знака поверки
Программное обеспечение
Программное обеспечение приборов является встроенным и обеспечивает функционирование прибора, включая измерение и вычисление метрологических величин, прием и передачу данных, отображение данных на локальном человеко-машинном интерфейсе.
Встраиваемое программное обеспечение приборов защищено от изменения. Программное обеспечение приборов предусматривает наличие различных уровней доступа, различающихся набором разрешенных операций и объемом предоставляемых данных, включая разделение доступа к данным и операций по конфигурированию приборов, коррекции времени, настройки интерфейсов передачи данных, изменения параметров контролируемых сигналов, настройки параметров безопасности.
Встраиваемое программное обеспечение состоит из двух частей:
- метрологически значимая часть встраиваемого программного обеспечения;
- сервисная часть встраиваемого программного обеспечения.
При проведении санкционированных регламентных работ, программируется диапазон показаний и, при необходимости, проводится калибровка (формируются калибровочные коэффициенты). При изменении диапазона показаний производится отметка в паспорте, которая содержит установленный диапазон показаний, дату и подпись ответственного исполнителя. Изменение диапазона показаний или проведение калибровочных работ не ведет к изменению контрольной суммы ВПО.
С ведения об идентификационных данных встраиваемого ПО представлены в таблице 1.
Уровень защиты программного обеспечения от непреднамеренных и преднамеренных изменений - «высокий» в соответствии с Р 50.2.077-2014.
Таблица 1 - Идентификационные данные программного обеспечения
|
Идентификационные данные (признаки) |
Значение |
|
Идентификационное наименование ПО |
Pqi dspimage |
|
Номер версии (идентификационный номер ПО) |
Не ниже 1.5 |
|
Цифровой идентификатор ПО (алгоритм md5) |
_ |
Помимо встраиваемого программного обеспечения совместно с прибором может предоставляться дополнительное программное обеспечение служебного назначения, обеспечивающее удобную форму предоставления результатов измерений, хранения результатов измерений, конфигурирование приборов и т.д. Программное обеспечение служебного назначения не выполняет метрологически значимых операций.
Программное обеспечение приборов обеспечивает формирование статистических отчетов по результатам измерений, включая отчетные формы по ГОСТ 33073-2014.
Технические характеристики
Таблица 2 - Номинальные значения и диапазоны измеряемых входных сигналов
|
Наименование характеристики |
Значение | |
|
Номинальное напряжение (действующее значение): - фазное (иф.ном), В - линейное (межфазное) (Шном), В |
100 |
400 |
|
иф.ном = 57,73 ил.ном = 100 |
иф.ном = 230 ил.ном = 400 | |
|
Номинальный фазный ток (действующее значение) (1ном), А |
1 или 5 | |
|
Диапазон измерений действующего значения напряжения (фазное/линейное), В |
от 0 до 2,0/Лф/л.ном | |
|
Диапазон измерений фазного тока (действующее значение), А |
от 0 до 1,5-1ном | |
|
Частота напряжения и тока, Г ц |
от 42,5 до 57,5 | |
Таблица 3 - Метрологические характеристики
|
Наименование характеристики |
Диапазон измерений |
Пределы допускаемой погрешности измерений 1) |
|
СКЗ напряжения (U), В |
от 0 до 2^ном |
Y = ±0,1 % |
|
Положительное отклонение напряжения (5U(+)), % 2) |
от 0 до 100 |
А = ±0,1 |
|
Отрицательное отклонение напряжения (5U(-)), % 2) |
от 0 до 90 |
А = ±0,1 |
|
Частота (f), Гц |
от 42,5 до 57,5 |
А = ±0,01 |
|
Отклонение частоты (Af), Гц |
от -7,5 до +7,5 |
А = ±0,01 |
|
Кратковременная доза фликера (Pst), отн.ед. |
от 0,2 до 10 |
6 = ±5 % |
|
Длительная доза фликера (Pit), отн.ед. |
от 0,2 до 10 |
6 = ±5 % |
|
Коэффициент n-ой гармонической составляющей напряжения до 50 порядка (Ku(n)), %3) |
от 0,05 до 30 |
А = ±0,05 (Ku(n)<1%) |
|
6 = ±5,0 % (1%<Ku(n)<30%) | ||
|
Суммарный коэффициент гармонических составляющих напряжения (коэффициент искажения синусоидальности кривой напряжения) (Ku), % |
от 0,1 до 30 |
А = ±0,05 (0,1%<Ku<1%) |
|
6 = ±5,0 % (1%<Ku<30%) | ||
|
Коэффициент несимметрии напряжений по обратной последовательности (Ku), % |
от 0 до 20 |
А = ±0,15 |
|
Коэффициент несимметрии напряжений по нулевой последовательности (Ku), % |
от 0 до 20 |
А = ±0,15 |
|
Длительность провала напряжения (Ato), с |
от 0,02 до 60 |
А = ±0,02 |
|
Глубина провала напряжения (5ип), % |
от 10 до 99 |
А = ±0,2 |
|
Длительность прерывания напряжения (А1прер), с |
от 0,02 до 60 |
А = ±0,02 |
|
Длительность временного перенапряжения (А1пер.), с |
от 0,02 до 60 |
А = ±0,02 |
|
Коэффициент временного перенапряжения (Кпер), отн.ед. |
от 1,1 до 2,0 |
А = ±0,002 |
|
Нормирующее значение при установлении приведенной погрешности принимается равным номинальному значению входного сигнала Примечания СКЗ - среднеквадратичное значение; 1) Обозначение погрешностей: А - абсолютная; 6, % - относительная; Y, % - приведенная; 2) Относительно ин, равного номинальному ин или согласованному исогл значению напряжения по ГОСТ 32144-2013; 3) Номер гармонической подгруппы n от 2 до 50 порядка в соответствии с ГОСТ 30804.4.72013 | ||
Таблица 4 - Метрологические характеристики
|
Наименование характеристики |
Диапазон измерений |
Пределы допускаемой погрешности измерений 1) |
Дополнительные условия |
|
Установившееся отклонение напряжения, (5Uy), % 2) |
от -90 до +100 |
Д= ±0,1 | |
|
Напряжение, меньшее номинала, Um-), В2) |
от 0,1 •ином до ином |
Y = ±0,1 % | |
|
Напряжение, большее номинала, Um(+),B2) |
от Uном до 2З'нм |
Y = ±0,1 % | |
|
СКЗ напряжения основной частоты (U(1)), В |
от 0,1-ином до 1,5-инш |
Y = ±0,1 % | |
|
СКЗ напряжения с учетом гармонических составляющих от 1 до n (до 50 порядка) (U(i-50)), В 3) |
от 0,Ьином до 2^ном |
Y = ±0,1 % | |
|
Коэффициент искажения синусоидальности кривой напряжения с учетом влияния всех гармоник до 50 порядка (Ku(i-50)), % |
от 0,1 до 30 |
Д = ±0,05 |
0,1<Ku(1-50)<1 |
|
6 = ±5,0 % |
1 <Ku(1-50)< 30 | ||
|
СКЗ n-ой гармонической подгруппы напряжения (до 50 порядка) (Usg,n), В3) 5) |
от 0 до 0,-+и,,ом |
Y = ±0,05 % |
Usg,n<0,01 ином |
|
6 = ±5 % |
Usg,n>0,01 ином | ||
|
Суммарный коэффициент гармонических подгрупп напряжения (THDSu), отн.ед. |
от 0,001 до 0,3 |
Д = ±0,0005 |
0,001<THDSu<0,01 |
|
6 = ±5 % |
0,01<THDSu< 0,3 | ||
|
СКЗ m-ой интергармонической центрированной подгруппы напряжения (до 50 порядка) (Uisg,m), В 4) 6) |
от 0 до свином |
Y = ±0,05 % |
Uisg,m<0,01 ином |
|
6 = ±5 |
Uisg,m>0,01 ином | ||
|
Фазовый угол между 1-ой (составляющей основной частоты) и n-ой гармонической составляющей напряжения (до 50 порядка) (фидп), ° 3) |
от -180° до +180° |
Д = ±1 |
Ku(n)>5 |
|
Д = ±5 |
1<Ku(n)<5 | ||
|
Д = ±10 |
0,2<Ku(n)<1 | ||
|
Угол фазового сдвига между напряжениями (фазными/линейными) основной частоты (фи), ° |
от -180° до +180° |
Д = ± 0,1 |
0,8-иф»/л.ном <иф/л< <1,2’иф/л.ном |
|
Значение напряжения прямой последовательности (Ui), В |
от 0,01-и№м до 1,5-и№м |
Y = ±0,15 % | |
|
Значение напряжения обратной последовательности (U2), В |
от 0,0Ьином до 1,5-аом |
Y = ±0,15 % | |
|
Значение напряжения нулевой последовательности (U0), В |
от 0,0Ьином до 1,5-аом |
Y = ±0,15 % | |
|
СКЗ силы тока, (I), А |
от 0 до 1,5-1ном |
Y = ±0,1 % | |
|
СКЗ силы тока с учетом гармонических составляющих от 1 до n (до 50 порядка), (1(1-50)), А3) |
от 0 до 1,5-1ном |
Y = ±0,1 % |
|
Наименование характеристики |
Диапазон измерений |
Пределы допускаемой погрешности измерений 1) |
Дополнительные условия |
|
СКЗ силы тока основной частоты, (1(1)), А |
от 0 до 1,5'1ном |
Y = ±0,1 % | |
|
Коэффициент несимметрии тока по обратной последовательности, (K2I), % |
от 0 до 20 |
Д = ±0,15 | |
|
Коэффициент несимметрии тока по нулевой последовательности, (K0I), % |
от 0 до 20 |
Д = ±0,15 | |
|
СКЗ n-ой гармонической подгруппы тока (до 50 порядка) (Isg,n), А3) 8) |
от 0 до 0,31ом |
Y = ±0,15 % |
Ь&п<0,031ом |
|
6 = ±5 % |
^0,03^ | ||
|
СКЗ m-ой интергармонической подгруппы тока (до 50 порядка) (Iisg,m), А4) 9) |
от 0 до 0,31ом |
Y = ±0,15 % |
I isg,m<0,03•Iном |
|
6 = ±5 % |
I isg,m>0,03•Iном | ||
|
Угол фазового сдвига между 1-ой (составляющей основной частоты) и n-ой гармонической составляющей фазного тока (фь&п), °3) |
от -180° до 180° |
Д = ±1 |
Ki(n)>5 |
|
Д = ±5 |
1 <Ki(n)<5 | ||
|
Д = ±10 |
0,2<Ki(n)<1 | ||
|
Угол фазового сдвига между фазными токами основной частоты (фх), ° |
от -180° до 180° |
Д = ±0,5 |
0,011ном<1< 1,2<1ном |
|
Суммарный коэффициент гармонических подгрупп тока (THDSi), отн.ед. |
от 0,001 до 0,6 |
0,001<THDSi<0,03 | |
|
0,03<THDSi<0,6 | |||
|
Коэффициент искажения синусоидальности кривой тока, (Ki), % |
от 0,1 до 60 |
Д = ±0,15 |
0,1<Ki<3 |
|
6 = ±5 % |
3<Ki<60 | ||
|
Коэффициент n-ой гармонической составляющей тока до 50 порядка (Ki(n)), %3) |
от 0,05 до 30 при 2<n<10 от 0,05 до 20 при 10<n<20 от 0,05 до 10 при 20<n<30 от 0,05 до 5 при 30<n<50 |
Д = ±0,15 % |
Ki(n)<3,0 % |
|
6 = ±5,0 % |
Ki(n)>3,0 % | ||
|
СКЗ силы тока прямой последовательности (I1), А |
от 0 до 1,5'1ном |
Y = ±0,15 % | |
|
СКЗ силы тока обратной последовательности (I2), А |
от 0 до 1,5'1ном |
Y = ±0,15 % | |
|
СКЗ силы тока нулевой последовательности (I0), А |
от 0 до 1,5'1ном |
Y = ±0,15 % |
|
Наименование характеристики |
Диапазон измерений |
Пределы допускаемой погрешности измерений 1) |
Дополнительные условия |
|
Угол фазового сдвига между n-ми гармоническими составляющими напряжения и тока (до 50 порядка) (фикп)), ° 3) |
от -180° до 180° |
А = ±3 |
0,5<[ном<1<1,2<!ном Ki(n)>5 Ku(n)>5 |
|
А = ±5 |
0,5<[ном<[<1,2<[ном 1<Ki(n)<5 1<Ku(n)<5 | ||
|
Угол фазового сдвига между n-ми гармоническими составляющими напряжения и тока (до 50 порядка) (фи1(п)), ° 3) |
от -180° до 180° |
А = ±5 |
0,1’ 1ном <I<0, 5 ’ 1ном Ki(n)>5 Ku(n)>5 |
|
Угол фазового сдвига между напряжением и током основной частоты (фи), ° |
от -180° до 180° |
А = ±0,5 |
0,8-ином<и<1,2-ином 0,1<[ном<[<1,2<[ном |
|
А = ±5 |
0,8^ином<и<1,2^ином 0,01 •[ном<[<0,1 •[ном | ||
|
Угол фазового сдвига между напряжением и током прямой последовательности (фиш), ° |
от -180° до 180° |
А = ±0,5 |
0,8-ином<и<1,2-ином 0,1<[ном<[<1,2<[ном |
|
А = ±5 |
0,8-ином<и<1,2-ином 0,01 [ном< [<0, 1 • [ном | ||
|
Угол фазового сдвига между напряжением и током обратной последовательности (фи212), ° |
от -180° до 180° |
А = ±0,5 |
0,8-ином<и<1,2-ином 0,1’[ном< [<1,2<[ном |
|
А = ±5 |
0,8-ином<и<1,2-ином 0,01’[ном<[<0,1’[ном | ||
|
Угол фазового сдвига между напряжением и током нулевой последовательности (фиою), ° |
от -180° до 180° |
А = ±0,5 |
0,8-ином<и<1,2-ином 0,1’ [ном< [< 1,2’ [ном |
|
А = ±5 |
0,8-ином<и<1,2-ином 0,01’[ном<[<0,1<[ном | ||
|
Активная мощность (P), Вт |
от 0,01^ином<!ном до 1,5^ином^!ном |
8 = ±0,4 % |
0,8-ином<и<1,2-ином 0,01’ [ном<[<0,05’ [ном Кр=1,где Kp=P/S |
|
6 = ±0,2 % |
0,8’ином<и<1,2’ином 0,05’[ном<[<1,5<[ном Кр=1 | ||
|
8 = ±0,5 % |
0,8’ином<и<1,2’ином 0,02’[ном<[<0, 1 ’[ном Kp=0,5 (инд.) Кр=0,8 (емк.) | ||
|
6 = ±0,3 % |
0,8’ином<и<1,2’ином 0,1’[ном<[<1,5’[ном Kp=0,5 (инд.) Кр=0,8 (емк.) | ||
|
8 = ±0,5 % |
0,8’ином<и<1,2’ином 0,1’[ном<[<1,5’[ном Kp=0,25 (инд.) Кр=0,5 (емк.) |
|
Наименование характеристики |
Диапазон измерений |
Пределы допускаемой погрешности измерений 1) |
Дополнительные условия |
|
Активная мощность с учетом гармонических составляющих от 1 до n (до 50 порядка), (P(1-50)), Вт3) |
от 0,01^ином<!ном до 1,5^ином^!ном |
8 = ±0,4 % |
0,8^ином<и<1,2^ином 0,01’ [цом<[<0,05’ 1ном Кр=1,где Kp=P/S |
|
б = ±0,2 % |
0,8-ином<и<1,2-ином 0,05<[ном<1<1,5<1ном Kp=1 | ||
|
8 = ±0,5 % |
0,8-ииом<и<1,2-инОМ 0,02^[ном<[<0, 1 •[ном Kp=0,5 (инд.) Кр=0,8 (емк.) | ||
|
8 = ±0,3 % |
0,8-ииом<и<1,2-инОМ 0,1’ [ном<[< 1,5<[ном Kp=0,5 (инд.) Кр=0,8 (емк.) | ||
|
Активная мощность с учетом гармонических составляющих от 1 до n (до 50 порядка), (P(1-50)), Вт3) |
от 0,01^ином<!ном до 1,5^ином^!ном |
8 = ±0,5 % |
0,8’ином<и<1,2’ином 0,1’ 1ном<[< 1,5’1ном Kp=0,25 (инд.) Кр=0,5 (емк.) |
|
Активная мощность основной частоты, (P1), Вт |
от 0,01^ином<!ном до 1,5’ином'1ном |
8 = ±0,4 % |
0,8-ином<и<1,2-ином 0,01’ 1ном<[<0,05’ [ном Kp=1, где Kp=P/S |
|
8 = ±0,2 % |
0,8-ином<и<1,2-ином 0,05’1ном<[<1,5’1ном Kp=1 | ||
|
8 = ±0,5 % |
0,8-ином<и<1,2-ином 0,02’1ном<[<0,1’1ном Kp=0,5 (инд.) Kp=0,8 (емк.) | ||
|
8 = ±0,3 % |
0,8-ином<и<1,2-ином 0,1’1ном<[<1,5’1ном Kp=0,5 (инд.) Kp=0,8 (емк.) | ||
|
8 = ±0,5 % |
0,8-ином<и<1,2-ином 0,1’1ном<[<1,5’1ном Kp=0,25 (инд.) Kp=0,5 (емк.) | ||
|
Активная мощность n-й гармонической составляющей (до 50 порядка) (P(n)), Вт3) |
от 0,003-ином-Ьом до 1,5^ином^!ном |
8 = ±10 % |
K[(n)>5 Ku(n)>5 |
|
Активная мощность прямой последовательности, (Р 1(1)), Вт |
от 0,01^ином<!ном до 1,5^ином^!ном |
8 = ±0,5 % |
|
Наименование характеристики |
Диапазон измерений |
Пределы допускаемой погрешности измерений 1) |
Дополнительные условия |
|
Активная мощность обратной последовательности, (Р 2(1)), Вт |
от 0,01^ином^1ном до 1,5^ином^!ном |
6 = ±0,5 % | |
|
Активная мощность нулевой последовательности, (Р 0(1)), Вт |
от 0,01^ином^1ном до 1,5^ином^!ном |
6 = ±0,5 % | |
|
Реактивная мощность (Q), вар |
от 0,01^ином<!ном до 1,5^ином^!ном |
6 = ±1,5 % |
0,8-ином<и<1,2-ином 0,02<1ном<1<0,05<1ном sin фит=1 |
|
6 = ±1,0 % |
0,8-ииом<и<1,2-инОМ 0,05’ 1ном<1< 1,5<[ном sin фи=1 | ||
|
6 = ±1,5 % |
0,8-ином<и<1,2-ином 0,05^ном<[<0,Мном sin фп 0,5 | ||
|
6 = ±1,0 % |
0,8-ииом<и<1,2-инОМ 0,1’ [ном<[< 1,5<[ном sin фп 0,5 | ||
|
6 = ±1,5 % |
0,8-ииом<и<1,2-инОМ 0,1’ 1ном<1< 1,5<[ном sin фп 0,25 | ||
|
Реактивная мощность с учетом гармонических составляющих от 1 до n (до 50 порядка) (Q (1-50)), вар 3) |
от 0,01^ином^1ном до 1,5^ином^!ном |
6 = ±1,5 % |
0,8-ином<и<1,2-ином 0,02<[ном<К0,05<[ном sin фи=1 |
|
6 = ±1,0 % |
0,8-ииом<и<1,2-инОМ 0,05- Хном<!< 1,5<[ном sin фит=1 | ||
|
6 = ±1,5 % |
0,8-ином<и<1,2-ином 0,05<[ном<К0,1<[ном sin фп 0,5 | ||
|
6 = ±1,0 % |
0Лином<и< ,2-ином 0,1’ Хном<!< 1,5<[ном sin фп 0,5 | ||
|
6 = ±1,5 % |
0,8-ином<и<1,2-ином 0,1<[ном<Х<1,5<[ном sin фп 0,25 |
|
Наименование характеристики |
Диапазон измерений |
Пределы допускаемой погрешности измерений 1) |
Дополнительные условия |
|
Реактивная мощность основной частоты (Q (1)), вар |
от 0,01^ином<!ном до 1,5 ином 1ном |
6 = ±1,5 % |
0,8 ином<и<1,2 ином 0,021ном<1<0,05 1ном sin фит=1 |
|
б = ±1,0 % |
0,8-ином£и<1,2-ином 0,05<[ном<1<1,5<1ном sin фи[=1 | ||
|
б = ±1,5 % |
0,8-ииом£и<1,2-ином 0,05^[ном<[<0, 1 •[ном sin фи[=0,5 | ||
|
б = ±1,0 % |
0,8-ином£и<1,2-ином 0,1<[ном<[<1,5<[ном sin фи[=0,5 | ||
|
Реактивная мощность основной частоты (Q (1)) вар |
от 0,01^ином<!ном до 1,5^ином^1ном |
6 = ±1,5 % |
0,8-ином<и<1,2-ином 0,1- [ном<[< 1,5-[ном sin фи[=0,25 |
|
Реактивная мощность n-ой гармонической составляющей, (Q (n)), вар3) |
от 0,003-ином-Ьом до 1,5^ином^1ном |
6 = ±10 % |
K[(n)>5 Ku(n)>5 |
|
Реактивная мощность прямой последовательности, (Q 1(1)), вар |
от 0,01^ином<!ном до 1,5^ином^1ном |
6 = ±5 % | |
|
Реактивная мощность обратной последовательности, (Q 2(1)), вар |
от 0,01^ином<!ном до 0,1-ином'1ном |
6 = ±5 % | |
|
Реактивная мощность нулевой последовательности, (Q 0(1)), вар |
от 0,01^ином^1ном до 0,Вином^1ном |
6 = ±5 % | |
|
Полная мощность, S, В-А |
от 0,01^ином^1ном до 1,5^ином^1ном |
6 = ±0,5 % |
0,8-ином<и<1,2-ином 0,01- [ном<[< 1,5- [ном |
|
Полная мощность с учетом гармонических составляющих от 1 до n (до 50 порядка), (S(1-50)), В-А3) |
от 0,01^ином<!ном до 1,5^ином^1ном |
6 = ±0,5 % |
0,8-ином<и<1,2-ином 0,01-[ном< [<1,5-[ном |
|
Полная мощность основной частоты, (S(1)), В-А |
от 0,01^ином<!ном до 1,5^ином^1ном |
6 = ±0,5 % |
0,8-ином<и<1,2-ином 0,01- [ном<[< 1,5- [ном |
|
Полная мощность n-й гармонической составляющей, (S(n)), В-А |
от 0,003-ином-Ьом до 0,Вином^Ьом |
6 = ±10 % |
K[(n)>5 Ku(n)>5 |
|
Полная мощность прямой последовательности, (S 1(1)), В-А |
от 0,01^ином<!ном до 1,5-ином'Ьом |
6 = ±5 % | |
|
Полная мощность обратной последовательности, (S 2(1)), В-А |
от 0,01^ином<!ном до 0,Вином^Ьом |
6 = ±5 % | |
|
Полная мощность нулевой последовательности, (S о(1)), В-А |
от 0,01^ином<!ном до 0,Вином^Ьом |
6 = ±5 % | |
|
Коэффициент мощности, Км (cos ф), отн. ед. |
от -1 до 1 |
А = ±0,01 |
0,8-ином<и<1,2-ином 0,01-[ном<[<1,5-[ном |
|
1 |
2 |
3 |
4 |
|
Примечания: Измеряемые характеристики напряжения относятся к фазным и межфазным напряжениям. Измеряемые характеристики мощности относятся к фазным и трехфазным мощностям. СКЗ - среднеквадратичное значение; 1) Обозначение погрешностей: Д - абсолютная; 6, % - относительная; у, % - приведенная; 2) Относительно ин, равного номинальному ином или согласованному исогл значению напряжения по ГОСТ 32144-2013; 3) Номер гармонической подгруппы n от 2 до 50 в соответствии с ГОСТ 30804.4.7-2013; 4) Номер интергармонической подгруппы m от 1 до 49 в соответствии с ГОСТ 30804.4.7-2013; 5) Среднеквадратическое значение напряжения гармонических составляющих U(n); 6) Среднеквадратическое значение напряжения интергармонических составляющих U(h); 7) Пределы допускаемой приведенной погрешности в диапазоне измерения (0... 1,5)-!ном; 8) Среднеквадратическое значение n-й гармонической составляющей тока |п); 9) Среднеквадратическое значение h-й интергармонической составляющей тока I(h); Род напряжения и тока - переменный | |||
Таблица 5 - Пределы допускаемой дополнительной погрешности
|
Наименование влияющей величины |
Диапазон значений влияющей величины |
Пределы допускаемой дополнительной погрешности |
|
Изменение температуры окружающего воздуха на каждые ±10 °С от нормальной |
от -40 °С до +15 °С (не включ.); св. +25 до +55 °С |
± 0,5 предела допускаемой основной погрешности |
|
Изменение относительной влажности воздуха от нормальной |
св. 80 до 95 % (при температуре +35 °С) |
± 0,5 предела допускаемой основной погрешности |
|
Изменение параметров напряжения внешнего электропитания: - напряжение питания переменного тока частотой (50±3) Гц; - напряжение питания постоянного тока |
от 90 В до 220 В (не включ.); св. 220 В до 264 В |
± 0,5 предела допускаемой основной погрешности |
|
от 130 В до 220 В (не включ.); св. 220 В до 370 В |
± 0,5 предела допускаемой основной погрешности |
Таблица 6 - Методы (расчетные формулы или ссылки на ГОСТ) в части рассчитываемых прибором параметров
|
Наименование характеристики* |
Ссылка на ГОСТ или расчетная формула для рассчитываемого параметра |
|
СКЗ напряжения (U), В |
ГОСТ 30804.4.30-2013 класс А, ГОСТ IEC 61000-4-30-2017 класс А |
|
Отрицательное отклонение напряжения (SU(-)), % |
ГОСТ 30804.4.30-2013 класс А, ГОСТ IEC 61000-4-30-2017 класс А, ГОСТ 32144-2013 |
|
Положительное отклонение напряжения (SU(+)), % |
ГОСТ 30804.4.30-2013 класс А, ГОСТ IEC 610004302017 класс А, ГОСТ 32144-2013 |
|
Частота (f), Гц |
ГОСТ 30804.4.30-2013 класс А, ГОСТ IEC 610004302017 класс А |
|
Кратковременная доза фликера (Pst), отн.ед. |
ГОСТ 30804.4.30-2013 класс А, ГОСТ IEC 610004302017 класс А ГОСТ Р 51317.4.15-2012 |
|
Длительная доза фликера (Pit), отн.ед. |
ГОСТ 30804.4.30-2013 класс А, ГОСТ IEC 610004302017 класс А ГОСТ Р 51317.4.15-2012 |
|
Коэффициент n-ой гармонической составляющей напряжения до 50 порядка (Ku(n)), % |
ГОСТ 30804.4.30-2013 класс А, ГОСТ IEC 610004302017 класс А ГОСТ 30804.4.7-2013 класс I |
|
Суммарный коэффициент гармонических составляющих напряжения (коэффициент искажения синусоидальности кривой напряжения) (Ku), % |
ГОСТ 30804.4.30-2013 класс А, ГОСТ IEC 610004302017 класс А ГОСТ 30804.4.7-2013 класс I |
|
Коэффициент несимметрии напряжений по обратной последовательности (Ku), % |
ГОСТ 30804.4.30-2013 класс А, ГОСТ IEC 610004302017 класс А |
|
Коэффициент несимметрии напряжений по нулевой последовательности (Ku), % |
ГОСТ 30804.4.30-2013 класс А, ГОСТ IEC 610004302017 класс А |
|
Коэффициент временного перенапряжения (Кпер), отн.ед. |
ГОСТ 30804.4.30-2013 класс А, ГОСТ IEC 610004302017 класс А |
|
Глубина провала напряжения (SUu), % |
ГОСТ 30804.4.30-2013 класс А, ГОСТ IEC 610004302017 класс А |
|
Длительность прерывания напряжения (Д1прер), с |
ГОСТ 30804.4.30-2013 класс А, ГОСТ IEC 610004302017 класс А |
|
Длительность временного перенапряжения (Дпер), с |
ГОСТ 30804.4.30-2013 класс А, ГОСТ IEC 610004302017 класс А |
|
Коэффициент временного перенапряжения (Кпер), отн.ед. |
ГОСТ 30804.4.30-2013 класс А, ГОСТ IEC 610004302017 класс А |
|
Установившееся отклонение напряжения, (SU-у), % |
ГОСТ 32144-2013, ГОСТ Р 8.655-2009 |
|
Напряжение, меньшее номинала, (Um(-)), В |
ГОСТ 30804.4.30-2013 класс А, ГОСТ IEC 610004302017 класс А, ГОСТ 32144-2013 |
|
Напряжение, большее номинала, (Um(+)), В |
ГОСТ 30804.4.30-2013 класс А, ГОСТ IEC 610004302017 класс А, ГОСТ 32144-2013 |
|
Наименование характеристики* |
Ссылка на ГОСТ или расчетная формула для рассчитываемого параметра | |||
|
Отклонение частоты (Af), Гц |
ГОСТ 32144-2013 | |||
|
СКЗ напряжения основной частоты (U(i)), В |
ГОСТ Р 8.655-2009 | |||
|
СКЗ напряжения с учетом гармонических составляющих от 1 до n (до 50 порядка) (U(i-50)), В |
U (i~50) |
50 V u 2 /д,П Sgn n=i | ||
|
Коэффициент искажения синусоидальности кривой напряжения с учетом влияния всех гармоник до 50 порядка (Ku(i-50)), % |
KU (i-50) U Usg ,1 |
50 , V Ugn 100 n n=2 | ||
|
СКЗ n-ой гармонической подгруппы напряжения (до 50 порядка) (Usga), В |
ГОСТ 30804.4.30-2013 класс А, ГОСТ IEC 610004302017 класс А, ГОСТ 30804.4.7-2013 класс I | |||
|
Суммарный коэффициент гармонических подгрупп напряжения (THDSu), отн.ед. |
ГОСТ 30804.4.30-2013 класс А, ГОСТ IEC 610004302017 класс А, ГОСТ 30804.4.7-2013 класс I | |||
|
СКЗ m-ой интергармонической центрированной подгруппы напряжения (до 50 порядка) (Uisgm), В |
ГОСТ 30804.4.30-2013 класс А, ГОСТ IEC 610004302017 класс А, ГОСТ 30804.4.7-2013 класс I | |||
|
Фазовый угол между 1-ой (составляющей основной частоты) и n-ой гармонической составляющей напряжения (до 50 порядка) ((pisci), ° |
ГОСТ Р 8.655-2009 | |||
|
Угол фазового сдвига между напряжениями (фазными/линейными) основной частоты (фи), ° |
ГОСТ Р 8.655-2009 | |||
|
Значение напряжения прямой последовательности (Ui), В |
U'- 3 |
i 2 n 4 n UA+e 3 JB+e 3 Uc | ||
|
Значение напряжения обратной последовательности (U2), В |
и 2 = 1 2 3 |
i4n i 2n UA+e 3 UB+e 3 Uc | ||
|
Значение напряжения нулевой последовательности (U0), В |
U 0 = 1 J A + U B+U cl и 3 A B c | |||
|
СКЗ силы тока, (I), А |
ГОСТ Р 8.655-2009 | |||
|
СКЗ силы тока с учетом гармонических составляющих от 1 до п (до 50 порядка), (I(i-50)), А |
I (i-50) |
50 V I2 gi sg,n n=i | ||
|
СКЗ силы тока основной частоты, (I(i)), А |
ГОСТ Р 8.655-2009 | |||
|
Коэффициент несимметрии тока по обратной последовательности, (K21), % |
K71 = II2-i00 2 I 11 | |||
|
Коэффициент несимметрии тока по нулевой последовательности, (K01), % |
K 01 = I-100 0 I 11 | |||
|
Наименование характеристики* |
Ссылка на ГОСТ или расчетная формула для рассчитываемого параметра | ||
|
СКЗ n-ой гармонической подгруппы тока (до 50 порядка) (Isg,n), А |
ГОСТ 30804.4.7-2013 класс I | ||
|
СКЗ m-ой интергармонической подгруппы тока (до 50 порядка) (Ьд.т),А |
ГОСТ 30804.4.7-2013 класс I | ||
|
Угол фазового сдвига между 1-ой и n-ой гармонической составляющей фазного тока (ф!зд,п), ° |
ГОСТ Р 8.655-2009 | ||
|
Угол фазового сдвига между фазными токами основной частоты (Ф1), ° |
ГОСТ Р 8.655-2009 | ||
|
Суммарный коэффициент гармонических подгрупп тока (THDSi), отн.ед. |
ГОСТ 30804.4.7-2013 класс I | ||
|
Коэффициент искажения синусоидальности кривой тока, (Ki), % |
ГОСТ Р 8.655-2009 | ||
|
Коэффициент n-ой гармонической составляющей тока до 50 порядка (Ki(n)),% |
ГОСТ Р 8.655-2009 | ||
|
Значение силы тока прямой последовательности (Ii), А |
г 1 11 - 3 ■ |
2 n 4 n IA+eT I в+eT Ic | |
|
Значение силы тока обратной последовательности (I2), А |
1 1 12 -_ 2 3 |
4 n 2 n i— i— IA+e 3 IB+e 3 IC | |
|
Значение силы тока нулевой последовательности (Io), А |
I0 -1 \iA +Ib+iC1 0 A A в Cl | ||
|
Угол фазового сдвига между n-ми гармоническими составляющими напряжения и тока (до 50 порядка) (фивд), ° |
ГОСТ Р 8.655-2009 | ||
|
Угол фазового сдвига между напряжением и током основной частоты (фш), ° |
ГОСТ Р 8.655-2009 | ||
|
Угол фазового сдвига между напряжением и током прямой последовательности (фиш), ° |
ГОСТ Р 8.655-2009 | ||
|
Угол фазового сдвига между напряжением и током обратной последовательности (фиж), ° |
ГОСТ Р 8.655-2009 | ||
|
Угол фазового сдвига между напряжением и током нулевой последовательности (фиою), ° |
ГОСТ Р 8.655-2009 | ||
|
Активная мощность (P), Вт |
ГОСТ Р 8.655-2009 | ||
|
Активная мощность с учетом гармонических составляющих от 1 до n (до 50 порядка), (P(i-50)), Вт |
" 5Г£ Usg^'COS Vu,n) n =1 | ||
|
Активная мощность основной частоты, (Pi), Вт |
P(1) = Usg.1 -Isg,1 ■ COS Фи1 | ||
|
Активная мощность n-й гармонической составляющей (до 50 порядка) (Р(п)), Вт |
P(n) Usg.n Isg,n COS VUI(n) | ||
|
Активная мощность прямой последовательности, (Р i(i)), Вт |
P 1= U1'11 •cos Фи 111 | ||
|
Активная мощность обратной последовательности, (Р 2(1)), Вт |
P2 = U2-I2 ■ COSФи2I2 | ||
|
Наименование характеристики* |
Ссылка на ГОСТ или расчетная формула для рассчитываемого параметра |
|
Активная мощность нулевой последовательности, (Р 0(1)), Вт |
P0= U0-I0 ■ cos Фи010 |
|
Реактивная мощность (Q), вар |
ГОСТ Р 8.655-2009 |
|
Реактивная мощность с учетом гармонических составляющих от 1 до n (до 50 порядка) (Q (1-50)), вар |
Q(1- 50)=]] Usgn-Isgn-sin Фи (n) n =1 |
|
Реактивная мощность основной частоты (Q(1)), вар |
Q(1)= Usg, 1 -Isg ,1 ■ sin 9W |
|
Реактивная мощность n-ой гармонической составляющей, (Q (n), вар |
ГОСТ Р 8.655-2009 |
|
Реактивная мощность прямой последовательности, (Q 1(1)), вар |
Q1= U1 -11 - sin Фи 111 |
|
Реактивная мощность обратной последовательности, (Q 2(1)), вар |
Q 2= U 2 'I 2 • sin Фи 212 |
|
Реактивная мощность нулевой последовательности, (Q 0(1)), вар |
Q 0= U 0 'I 0 - sin Фи 010 |
|
Полная мощность, (S), ВА |
ГОСТ Р 8.655-2009 |
|
Полная мощность с учетом гармонических составляющих от 1 до n (до 50 порядка), (S(1-50)), В-А |
S(1— 50)= U(1— 50) 'I(1— 50) |
|
Полная мощность основной частоты, (S(1)), ВА |
S(1) = Usg,1 'Isg,1 |
|
Полная мощность n-й гармонической составляющей, (S(n)), В-А |
S (n ) Usg,n I sg,n |
|
Полная мощность прямой последовательности, (S 1(1)), ВА |
S1 = u 1 -11 |
|
Полная мощность обратной последовательности, (S 2(1)), ВА |
S 2= U 2-I 2 |
|
Полная мощность нулевой последовательности, (S 0(1)), ВА |
S 0=U 0-I 0 |
|
Коэффициент мощности, Км(еовф), отн. ед. |
s* II cn | Чз |
|
Примечание - СКЗ - среднеквадратичное значение | |
Таблица 7 - Основные технические характеристики
|
Наименование характеристики |
Значение |
|
Параметры электрического питания: - напряжение переменного тока, В - частота переменного тока, Гц - напряжение постоянного тока, В |
от 90 до 264 от 47 до 53 от 130 до 370 |
|
Мощность потребления, не более - по цепи питания переменного тока, ВА - по цепи питания постоянного тока, Вт |
10 10 |
|
Потребляемая мощность по каждому измерительному каналу, ВА, не более: - канал тока (с номинальными значениями 1 А и 5 А) - канал напряжения (с ноинальными значениями от 57,7 В до 230 В) - низкоэнергетический канал тока и напряжения |
1 1 0,1 |
|
Габаритные размеры, мм, (длинахвысотахглубина) не более: - для МПК1 - для МПК2 |
175x86x280 95х53х175 |
|
Наименование характеристики |
Значение |
|
Масса (без учета кейса), кг, не более - для МПК1 - для МПК2 |
0,84 0,45 |
|
Нормальные условия измерений: - температура окружающей среды, °С - относительная влажность воздуха, % - атмосферное давление, кПа (мм рт. ст.) |
от +15 до +25 от 30 до 80 от 84 до 106,7 (от 630 до 795) |
|
Рабочие условия измерений: - температура окружающей среды, °С - относительная влажность воздуха при +35 °С, % - атмосферное давление, кПа (мм рт. ст.) |
от -40 до +55 95 от 70 до 106,7 (от 525 до 795) |
|
Предельные условия хранения: - температура окружающей среды, °С |
от -40 до +55 |
|
Срок сохранности в упаковке и выполненной изготовителем консервации, г, не менее |
1 |
|
Средний срок службы, лет, не менее |
25 |
|
Средняя наработка на отказ, ч, не менее |
250 000 |
|
Ведение времени при отсутствии внешнего электропитания в течение времени сут, не менее |
30 |
|
Количество коммуникационных интерфейсов в одном приборе, не более* |
2 |
|
Типы коммуникационных интерфейсов** (в зависимости от модификации прибора): - Ethernet интерфейс 100BASE-TX (IEEE 802.3, «медный») с разъемом типа RJ-45. Скорость передачи данных, не более, Мбит/с - Ethernet (IEEE 802.3) интерфейс 100BASE-FX (IEEE 802.3, «оптический») с разъемом типа ST. Скорость передачи данных не более, Мбит/с - Интерфейс полевой шины RS(EIA)-422/485. Скорость передачи данных, не более, бод |
100 100 115200 |
|
Синхронизация внутренних часов осуществляется через коммуникационные интерфейсы по одному из следующих протоколов |
Протокол NTP (RFC 5905); Протокол PTP (IEEE 1588) |
|
Отклонение времени внутренних часов прибора при наличии внешней синхронизации, мс, не более |
± 20 |
|
Отклонение времени внутренних часов прибора при отсутствии внешней синхронизации, с/сут, не более |
1 |
|
Г лубина хранения полученных данных (включая результаты измерений и вычислений на интервалах времени, определенных ГОСТ 32144-2013, статистических характеристик по ГОСТ 32144-2013) сут, не менее |
90 для ПКЭ 123 для данных учета электроэнергии |
|
Наименование характеристики |
Значение |
|
Входные аналоговые интерфейсы (каналы/входы измерения тока) ***: - номинальное среднеквадратичное значение тока (подключение к трехканальному входу), А - номинальное значение выходных каналов (подключение к электронным трансформаторам тока ГОСТ Р МЭК 60044-82010), мВ - номинальное значение выходных каналов (подключение к датчикам тока с низкоэнергетическим выходом), В |
1; 5 22,5; 150; 200; 225; 400 (4 В) 0,333 |
|
Входные аналоговые интерфейсы (каналы/входы измерения напряжения) ***: - номинальное среднеквадратичное значение фазных (межфазных) напряжений, В**** - номинальное значение выходных каналов (для однофазных или подключенных между фазами трехфазных систем, а также для трехфазных трансформаторов в трехфазных системах), В - номинальное значение выходных каналов (для однофазных трансформаторов, используемых в системах «фаза-земля» или соответствующих трехфазных системах), В - номинальное значение выходных каналов (подключение к датчикам тока с низкоэнергетическим выходом), В |
57,7 (100); 100 (173,2); 127 (220); 133 (230); 220 (380); 230(400) 1,625; 2; 3,25; 4; 6,5 1,625/73; 2/73; 3,25/73; 4/73; 6,5/73 0,333 |
|
* Коммуникационные интерфейсы гальванически изолированы друг от друга, от других интерфейсов и от частей прибора, доступных для пользователя. * * Отдельные функции могут быть заблокированы для использования через указанные пользователем типы коммуникационных интерфейсов. Передача данных через коммуникационные интерфейсы не оказывает влияния на выполнение остальных функций прибора, включая измерительные функции. * ** Каналы входных аналоговых интерфейсов гальванически изолированы между собой и изолированы от частей прибора, доступных для пользователя. Конструкция входных аналоговых интерфейсов обеспечивает надежное механическое крепление и электрических контакт подключаемых проводов. * *** в скобках приведено линейное (межфазное) значение напряжения Примечания: 1) Среднее время восстановления работоспособности прибора путем замены из ЗИП, включая конфигурирование, не превышает 2 часов. Ремонт осуществляется изготовителем, либо уполномоченным им сервисным центром. 2) Приборы соответствуют требованиям безопасности по ГОСТ 22261-94, ГОСТ 12.2.091-2012, включая безопасность обслуживающего персонала в части защиты от поражения электрическим током, опасной температуры, воспламенения. 3) По пожарной безопасности приборы соответствуют ГОСТ 12.1.004-91. 4) Приборы имеют II класс защиты обслуживающего персонала от поражения электрическим током в соответствии с ГОСТ 12.2.007.0-75. Корпус прибора имеет двойную изоляцию 5) Прибор имеет режим с питанием от измерительной цепи (ИЦ). Переход на питание от ИЦ осуществляется тумблером, расположенным рядом с разъемом по питанию. | |
|
Наименование характеристики |
Значение |
|
6) Прибор обеспечивает корректное маркирование метками времени выполненных измерений при пропадании внешнего электропитания и корректность маркирования метками времени измерений при восстановлении электропитания. При отключении электропитания прибор сохраняет настройки конфигурации и накопленные данные в энергонезависимой памяти, функционирование которой не зависит от длительности отсутствия электропитания. При восстановлении электропитания прибор автоматически восстанавливает работоспособность, включая функционирование интерфейсов передачи данных. | |
Знак утверждения типа
наносится на панель прибора, титульные листы руководства по эксплуатации и паспорта типографским способом.
Комплектность
Таблица 8 - Комплектность средства измерений
|
Наименование |
Обозначение |
Количество, шт./экз. |
|
Прибор цифровой переносной измерительный показателей качества электроэнергии (исполнение - по заказу) |
МПК1 МПК2 |
1 |
|
Комплект монтажных частей |
_ |
1 |
|
Паспорт |
0ПЧ.468.666 |
1 |
|
Руководство по эксплуатации |
0ПЧ.140.337 РЭ |
11) |
|
Методика поверки |
- |
1 1) |
|
Программное обеспечение |
- |
1 |
|
Примечание - 1) допускается один экземпляр на партию из 10 шт. | ||
Сведения о методах измерений
приведены в руководстве по эксплуатации 0ПЧ.140.337 РЭ «Приборы цифровые переносные измерительные показателей качества электроэнергии МПК. Руководство по эксплуатации» раздел 3 «Использование по назначению».
Нормативные документы
ГОСТ 22261-94 «Средства измерений электрических и магнитных величин. Общие технические условия»;
ГОСТ 30804.4.30-2013 (IEC 61000-4-30:2008) «Электрическая энергия. Совместимость технических средств электромагнитная. Методы измерений показателей качества электрической энергии»;
ГОСТ IEC 61000-4-30-2017 «Электромагнитная совместимость. Методы испытаний и измерений. Методы измерений качества электроэнергии»;
ГОСТ 30804.4.7-2013 «Совместимость технических средств электромагнитная. Общее руководство по средствам измерений и измерениям гармоник и интергармоник для систем электроснабжения и подключаемым к ним технических средств»;
ГОСТ 31819.22-2012 (IEC 62053-22:2003) «Аппаратура для измерения электрической энергии переменного тока. Частные требования. Статические счетчики активной энергии классов точности 0,2S и 0,5S»;
ГОСТ 31819.23-2012 (IEC 62053-23:2003) «Аппаратура для измерения электрической энергии переменного тока. Частные требования. Часть 23. Статические счетчики реактивной энергии»;
ГОСТ 32144-2013 «Электрическая энергия. Совместимость технических средств электромагнитная. Нормы качества электрической энергии в системах электроснабжения общего назначения»;
ГОСТ 33073-2014 «Электрическая энергия. Совместимость технических средств электромагнитная. Контроль и мониторинг качества электрической энергии в системах электроснабжения общего назначения»;
ГОСТ Р 51317.4.15-2012 (МЭК 61000-4-15:2010) «Совместимость технических средств электромагнитная. Фликерметр. Функциональные и конструктивные требования»;
ГОСТ Р 8.655-2009 «ГСИ. Средства измерений показателей качества электрической энергии. Общие технические требования»;
ГОСТ Р 8.689-2009 «ГСИ. Средства измерений показателей качества электрической энергии. Методы испытаний»;
Приказ Федерального агентства по техническому регулированию и метрологии от 3 сентября 2021 г. № 1942 «Об утверждении государственной поверочной схемы для средств измерений переменного электрического напряжения до 1000 В в диапазоне частот от 1-10’1 до 2-109 Гц»;
Приказ Федерального агентства по техническому регулированию и метрологии от 17 марта 2022 г. № 668 «Об утверждении государственной поверочной схемы для средств измерений силы переменного электрического тока от 1-10’8 до 100 А в диапазоне частот от 1-10’1 до 1-106 Гц»;
Приказ Федерального агентства по техническому регулированию и метрологии от 23 июля 2021 г. № 1436 «Об утверждении государственной поверочной схемы для средств измерений электроэнергетических величин в диапазоне частот от 1 до 2500 Гц»;
ТУ 25-7504.231-2016 «Приборы цифровые переносные измерительные показателей качества электроэнергии МПК».







